icon
Hotline
03 72 79 00 10
| N° | Désignation | Prix TTC | Stock | |||
|---|---|---|---|---|---|---|
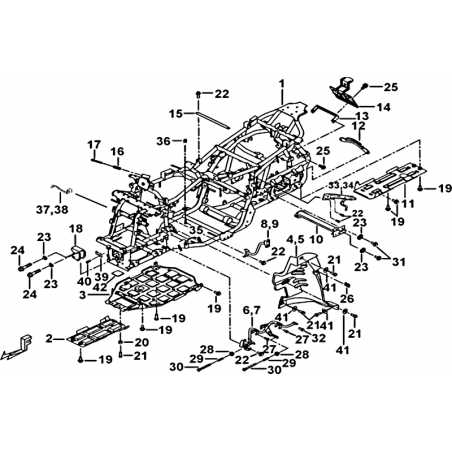
| 01 |
CADRE TGB Ref TGB-514902 |
989,16 € | done_outline |
|
||
| 02 |
SABOT AVANT PLASTIQUE TGB Ref TGB-511925A |
32,04 € | done_outline |
|
||
| REPERE 03, VEUILLEZ NOUS CONSULTER | ||||||
| LE REPERE 04 (TGB-514935), SI NO SERIE < = 020030, NE SE DETAILLE PLUS PAR LE FOURNISSEUR. VOUS POUVEZ ESSAYER D ADAPTER LA PIECE REPERE 04A | ||||||
| REPERE 04A, SI NO SERIE >= 020031, UTILISER LA REF. CI-DESSOUS : | ||||||
| 04A |
GARDE BOUE INT AVT G TARG 550 Ref TGB-511300 |
42,24 € | done_outline |
|
||
| 05 |
GARDE BOUE INT AVT D TARG 550I Ref TGB-514913 |
42,24 € | done_outline |
|
||
| LE REPERE 06 (TGB-514906), SI NO SERIE < = 013471, NE SE DETAILLE PLUS PAR LE FOURNISSEUR. VOUSPOUVEZ ESSAYER D'ADAPTER LA PIECE REPERE 06A | ||||||
| REPERE 06A, SI NO SERIE >= 013472, UTILISER LA REF. CI-DESSOUS : | ||||||
| 06A |
FIXATION AV G COQUE AV TARGET Ref TGB-514938 |
62,76 € | done_outline |
|
||
| LE REPERE 07 (TGB-514907), SI NO SERIE < = 013471, NE SE DETAILLE PLUS PAR LE FOURNISSEUR. VOUS POUVEZ ESSAYER D'ADAPTER LA PIECE REPERE 07A | ||||||
| REPERE 07A, SI NO SERIE >= 013472, UTILISER LA REF. CI-DESSOUS : | ||||||
| 07A |
FIXATION AV D COQUE AV TARGET Ref TGB-514939 |
79,44 € | done_outline |
|
||
| REPERE 08, SI NO SERIE < = 020030, UTILISER LA REF. CI-DESSOUS : | ||||||
| 08 |
FIX MILIEU G COQ AVT TARG 550 Ref TGB-516061 |
30,00 € | done_outline |
|
||
| REPERE 08A, SI NO SERIE >= 020031, UTILISER LA REF. CI-DESSOUS : | ||||||
| 08A |
FIX MILIEU G COQ AVT TARG 550 Ref TGB-516061 |
30,00 € | done_outline |
|
||
| 09 |
FIX MILIEU D COQ AVT TARG 500I Ref TGB-514901 |
29,28 € | done_outline |
|
||
| 10 |
FIXATION BARRE ANTI ROULI Ref TGB-511990 |
53,88 € | done_outline |
|
||
| 11 |
SABOT ARRIERE PLASTIQUE TGB Ref TGB-511986 |
16,92 € | done_outline |
|
||
| 12 |
BRIDE TGB 550 IRS Ref TGB-511995 |
18,72 € | done_outline |
|
||
| 13 |
FIX.PLAQUE IMMAT.TGB 550 I Ref TGB-514914 |
20,64 € | done_outline |
|
||
| 14 |
SUPPORT PLAQUE IMMAT.TGB 550 I Ref TGB-511991 |
23,16 € | done_outline |
|
||
| 15 |
CALE DE SELLE 250 LE TGB Ref TGB-511950 |
12,84 € | not_interested |
|
||
| 16 |
RESSORT VERROUIL.DIRECT. 425 T Ref TGB-511981 |
1,68 € | done_outline |
|
||
| 17 |
AXE VEROUIL.COLONNE DIRECTION Ref TGB-511977 |
14,04 € | done_outline |
|
||
| 18 |
ETRIER DE FIXATION TGB 550 IRS Ref TGB-511992 |
21,84 € | done_outline |
|
||
| 19 |
VIS M6X16 TGB 104
Ref TGB-S25602
|
2,04 € | done_outline |
|
||
| 20 |
ENTRETOISE Ref TGB-GA554BS02 |
1,08 € | done_outline |
|
||
| 21 |
VIS EPAULEE M6X16 VERT FONCE 105 Ref TGB-S07601 |
3,84 € | done_outline |
|
||
| 22 |
VIS EPAULEE M6X16
Ref TGB-GA555SC05
|
1,56 € | done_outline |
|
||
| 23 |
RONDELLE ELASTIQUE
Ref TGB-GA556WS06
|
0,96 € | done_outline |
|
||
| 24 |
VIS M10X60 Ref TGB-S20017 |
4,32 € | done_outline |
|
||
| 25 |
VIS M8X1.25X18 Ref TGB-S21809 |
1,68 € | done_outline |
|
||
| 26 |
ECROU RESSORT M6X1,0
Ref TGB-N32601
|
3,84 € | done_outline |
|
||
| 27 |
VIS M6X42 TGB Ref TGB-S99617 |
2,76 € | done_outline |
|
||
| 28 |
CLIP PLASQTIQUE Ref TGB-N04501 |
2,04 € | done_outline |
|
||
| 29 |
RESSORT TGB Ref TGB-511725 |
2,28 € | done_outline |
|
||
| 30 |
VIS TGB Ref TGB-S46505 |
1,44 € | done_outline |
|
||
| 31 |
VIS Ref TGB-S21008 |
4,08 € | done_outline |
|
||
| 32 |
VIS FIX.GRILLE SELECTION TARGE Ref TGB-S50507 |
1,08 € | done_outline |
|
||
| 33 |
PATTE RENFORT G 400/425 TARGET Ref TGB-511959 |
40,44 € | done_outline |
|
||
| 34 |
PATTE RENFORT D 400/425 TARGET Ref TGB-511960 |
40,44 € | done_outline |
|
||
| 35 |
VIS M10X1.25X50 Ref TGB-S99004 |
3,96 € | not_interested |
|
||
| 36 |
ECROU BULLET 50 Ref TGB-GA501NT01 |
0,72 € | done_outline |
|
||
| 37 |
PATTE FIX.GAUCHE TARGET Ref TGB-512477 |
18,96 € | done_outline |
|
||
| 38 |
PATTE FIX.DROITE TARGET Ref TGB-512478 |
18,96 € | done_outline |
|
||
| 39 |
ETRIER FIX.FRONT AV TARGET Ref TGB-511963 |
8,64 € | done_outline |
|
||
| 40 |
VIS EPAULEE M6X16
Ref TGB-GA555SC05
|
1,56 € | done_outline |
|
||
| 41 |
RONDELLE 6X16X4
Ref TGB-GA556WS02
|
1,32 € | done_outline |
|
||
| 42 |
CALE BATTERIE Ref TGB-GF514TH02 |
1,27 € | done_outline |
|
||
| 40 |
VIS EPAULEE M6X16
Ref TGB-GA555SC05
|
1,56 € | done_outline |
|
||
| 41 |
RONDELLE 6X16X4
Ref TGB-GA556WS02
|
1,32 € | done_outline |
|
||
| 42 |
CALE BATTERIE Ref TGB-GF514TH02 |
1,27 € | done_outline |
|
||
