TARGET 500IRS-F 550IRS GUNNER 550IRS : Liste des véhicules concernés.
 Type : n° de série : Coloris :
VSG-D RFCFBEVGD... NOIR
VSG-D RFCFBEVGD... BLANC
VSG-D RFCFBEVGD... JAUNE
VSG-D RFCFBEVGD... GRIS

Il y a 64 produits.

Affichage 1-64 de 64 article(s)

Filtres actifs

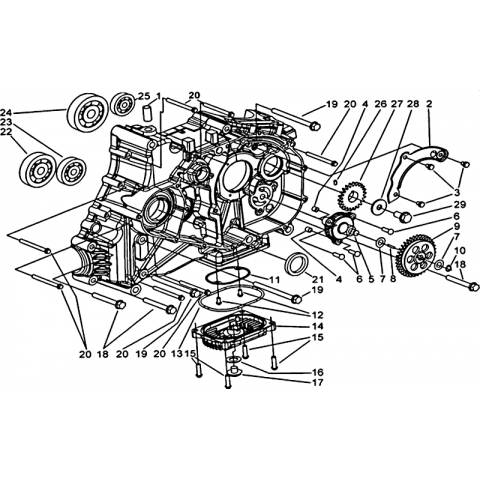
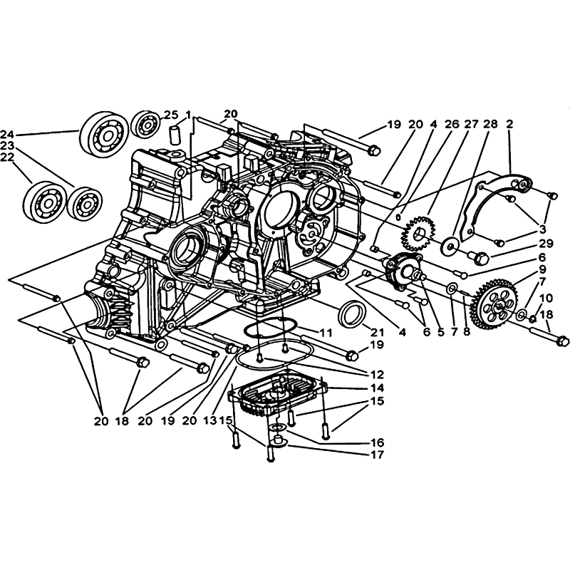
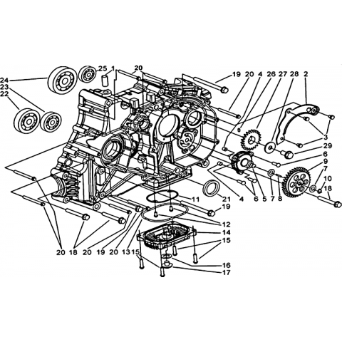
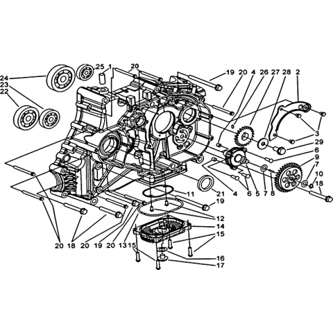
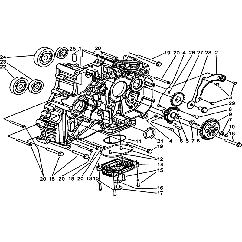
1 - MOTEUR TGB TARGET...

2 - SYSTEME ADMISSION TGB...

3 - CULASSE TGB TARGET...

4 - CYLINDRE TGB TARGET...

5 - SYSTEME DE TRANSMISSION...

6 - CACHE CARTER MOTEUR...

7 - CACHE CARTER MOTEUR...

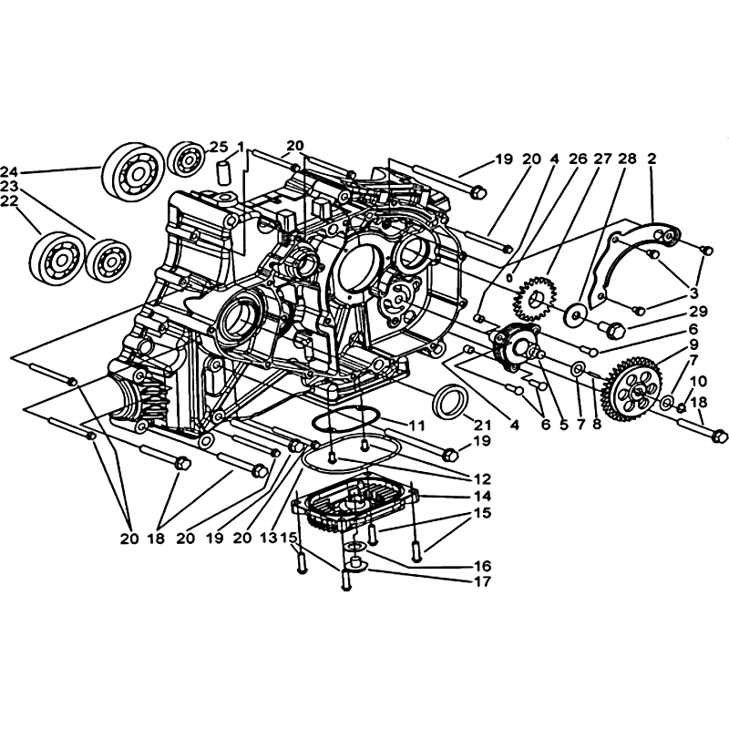
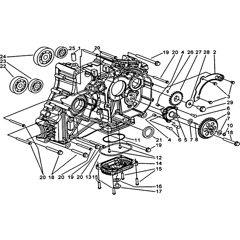
8 - CARTER MOTEUR DROIT TGB...

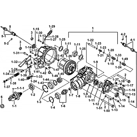
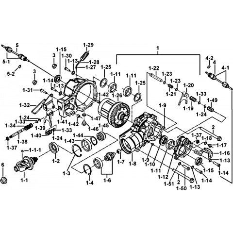
9 - CARTER MOTEUR TGB...

10 - CARBURATEUR TGB TARGET...

11 - VILEBREQUIN TGB TARGET...

12 - SYSTEME ELECTRIQUE 1...

13 - CARTER MOTEUR GAUCHE 1...

14 - CARTER MOTEUR GAUCHE 2...

15 - BLOCAGE DIFFERENTIEL...

16 - ENSEMBLE DIFFERENTIEL...

17 - VARIATEUR TGB TARGET...

18 - ENSEMBLE ECHAPPEMENT...

19 - ENSEMBLE FILTRE A AIR...

20 - ENSEMBLE...

21 - SYSTEME ELECTRIQUE 2...

22 - SYSTEME ELECTRIQUE 3...

23 - SUPPORTS TGB TARGET...

24 - SUPPORTS MOTEUR TGB...

25 - MOTEUR DE DIFFERENTIEL...

26 - COMPTEUR TGB TARGET...

27 - ECLAIRAGE AVANT TGB...

28 - ECLAIRAGE ARRIERE TGB...

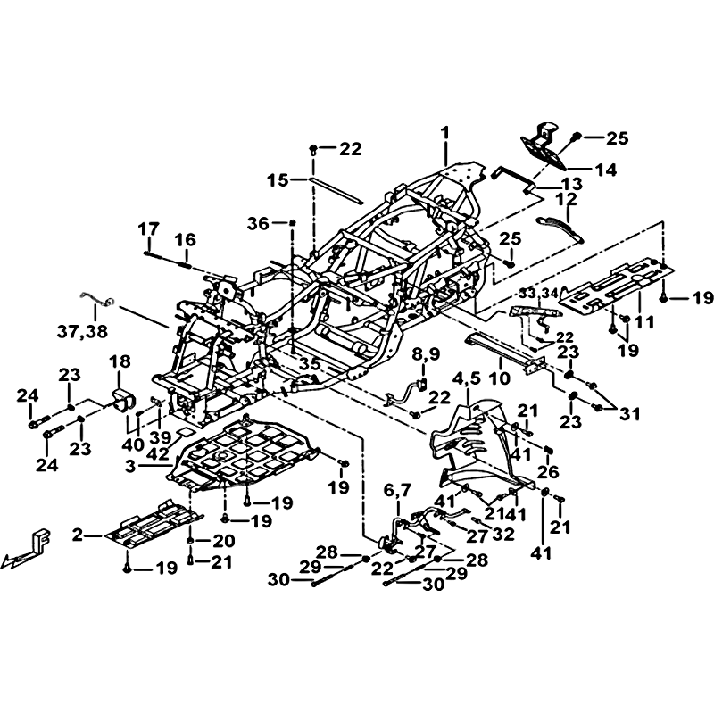
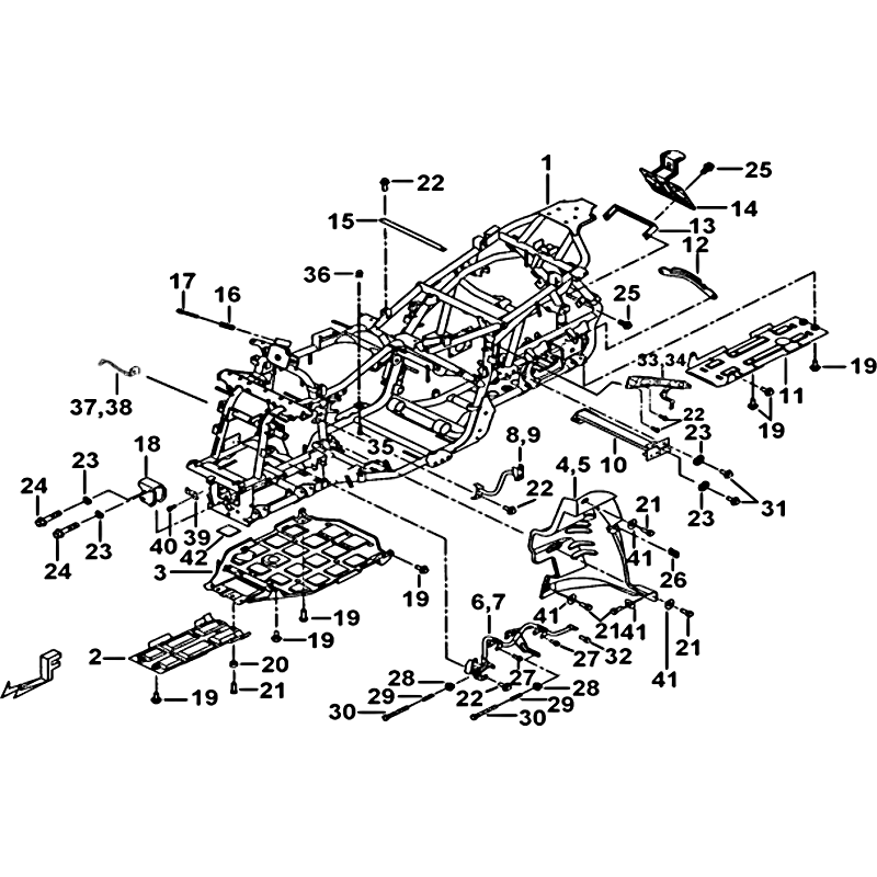
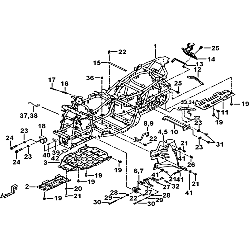
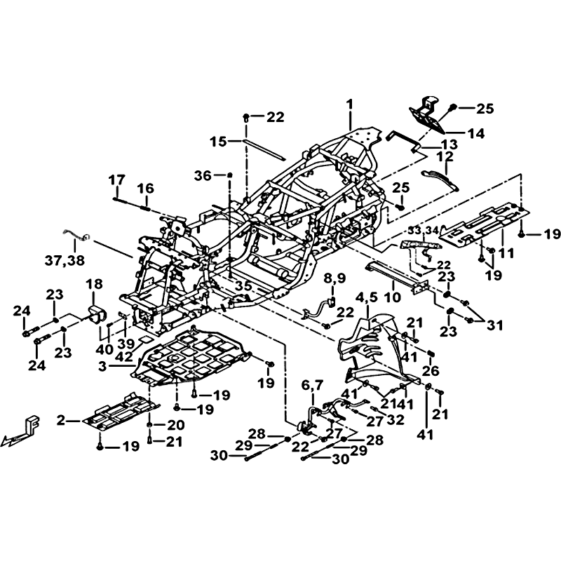
29 - CHASSIS TGB TARGET...

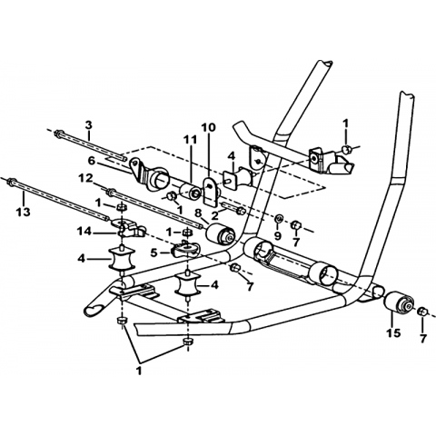
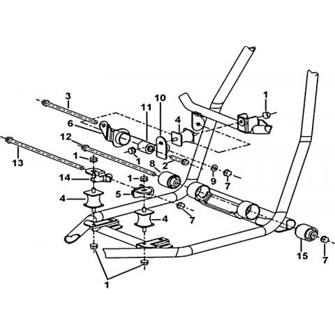
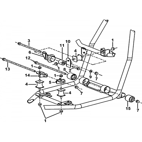
30 - SUSPENSION ARRIERE TGB...

31 - AMORTISSEURS AVANT...

32 - SUPPORT PARE CHOCS TGB...

33 - RESERVOIR A CARBURANT...

34 - LEVIER DE VITESSES TGB...

35 - PEDALE DE FREIN TGB...

36 - DISTRIBUTEUR FREINAGE...

37 - SUSPENSION AVANT TGB...

38 - PORTE FUSEE DE...

39 - ROUES AVANT TGB TARGET...

40 - COLONNE DE DIRECTION...

41 - GUIDON TGB TARGET...

42 - ENSEMBLE MAITRE...

43 - DISTRIBUTEUR FREINAGE...

44 - AXE ARRIERE TGB TARGET...

45 - ROUES ARRIERE TGB...

46 - CARROSSERIE AVANT TGB...

47 - MARCHE PIED TGB TARGET...

48 - CARROSSERIE ARRIERE...

49 - ELARGISSEURS AILES TGB...

50 - SELLE TGB TARGET...

51 - ETIQUETTES DE SECURITE...

52 - ATTELAGES OPTION TGB...

53 - TREUIL MODELE TGB CO...

54 - TREUIL MODELE TGB LY...

55 - PORTE BAGAGES PARE...

56 - PROTECTIONS CHASSIS...

57 - COFFRE ARRIERE OPTION...

58 - RESERVOIR A CARBURANT...

59 - OUTILS 1 TGB TARGET...

60 - OUTILS 2 TGB TARGET...

61 - OUTILS 3 TGB TARGET...

62 - OUTILS 4 TGB TARGET...

63 - OUTILS 5 TGB TARGET...

64 - TREUIL REF 193 OPTION...