icon
Hotline
03 72 79 00 10
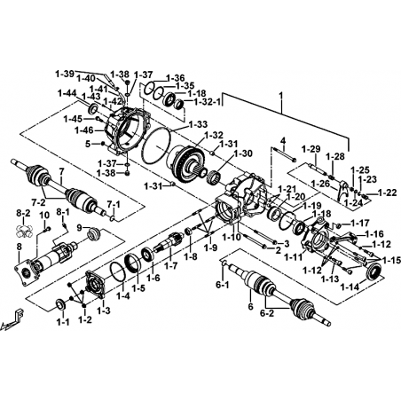
| N° | Désignation | Prix TTC | Stock | |||
|---|---|---|---|---|---|---|
| 01 |
PONT ARRIERE CPLT V-TWIN Ref TGB-910402 |
1 305,00 € | done_outline |
|
||
| 01-1 |
JOINT SPI PONT AV V-TWIN Ref TGB-910586 |
14,40 € | done_outline |
|
||
| 01-10 |
COURONNE PONT AR. V-TWIN Ref TGB-910200 |
187,92 € | not_interested |
|
||
| 01-11 |
COUVERCLE CARTER PONT AV. V-TW Ref TGB-910521 |
85,92 € | not_interested |
|
||
| 01-12 |
RONDELLE ELASTIQUE 8,2X15X2 Ref TGB-GA556WS04 |
0,84 € | done_outline |
|
||
| 01-13 |
VIS BTR M8X1,25X36 Ref TGB-S70810 |
3,00 € | done_outline |
|
||
| 01-14 |
JOINT SPI V-TWIN
Ref TGB-910408
|
11,64 € | done_outline |
|
||
| 01-15 |
VIS M8X1,25X40 Ref TGB-S70809 |
1,92 € | done_outline |
|
||
| 01-16 |
SUPPORT V-TWIN Ref TGB-910204 |
12,48 € | done_outline |
|
||
| 01-17 |
JOINT SPI 12X20X5 Ref HY73024 |
2,40 € | done_outline |
|
||
| 01-18 |
ROULEMENT (6209) Ref TGB-911591 |
51,36 € | done_outline |
|
||
| 01-19 |
CLIPS PONT AR. V-TWIN Ref TGB-R01803 |
11,52 € | done_outline |
|
||
| 01-2 |
ECROU 550 IRS Ref TGB-N10001 |
3,00 € | done_outline |
|
||
| 01-20 |
DOUILLE V-TWIN Ref TGB-910182 |
32,64 € | done_outline |
|
||
| 01-21 |
PION CENTRAGE PONT AVANT Ref TGB-P40102 |
5,64 € | not_interested |
|
||
| 01-22 |
RESSORT PONT AR V-TWIN Ref TGB-910492 |
5,04 € | not_interested |
|
||
| 01-23 |
CLIP CDE TRANSFERT PONT Ref TGB-R10702 |
0,72 € | done_outline |
|
||
| 01-24 |
RONDELLE Ref TGB-W99218 |
0,96 € | done_outline |
|
||
| 01-25 |
RESSORT Ref TGB-925353 |
4,44 € | not_interested |
|
||
| 01-26 |
FOURCHETTE PONT AR V-TWIN Ref TGB-910206 |
60,00 € | not_interested |
|
||
| 01-27 |
RONDELLE AXE BLOCAGE DIFFER. Ref TGB-924971 |
2,88 € | not_interested |
|
||
| 01-28 |
RESSORT INT.BLOCAGE DIFFERENTI Ref TGB-924970 |
2,64 € | not_interested |
|
||
| 01-29 |
AXE V-TWIN Ref TGB-910181 |
25,92 € | not_interested |
|
||
| 01-3 |
PLATINE V-TWIN Ref TGB-910203 |
27,36 € | not_interested |
|
||
| 01-30 |
ROULEMENT PONT AR. V-TWIN Ref TGB-910498 |
84,36 € | done_outline |
|
||
| 01-31 |
PION CENTRAGE Ref TGB-P40301 |
2,40 € | done_outline |
|
||
| 01-32 |
KIT PIGNON ANTI-GLISSEMENT+RLT Ref TGB-910581-S |
516,00 € | done_outline |
|
||
| 01-32-1 |
ROULEMENT V-TWIN Ref TGB-910500 |
23,52 € | done_outline |
|
||
| 01-33 |
JOINT SPI Ref TGB-910208 |
5,76 € | done_outline |
|
||
| 01-35 |
RONDELLE CALAGE 0,2 MM V-TWIN Ref TGB-W99832 |
6,24 € | done_outline |
|
||
| 01-36 |
RONDELLE CALAGE 0,3 MM V-TWIN Ref TGB-W99833 |
6,48 € | done_outline |
|
||
| 01-37 |
RONDELLE JT 16,2X22,5X2
Ref TGB-W99639
|
2,52 € | done_outline |
|
||
| 01-38 |
VIS Ref TGB-924339 |
10,08 € | done_outline |
|
||
| 01-39 |
RENIFLARD V-TWIN Ref TGB-910536 |
6,72 € | not_interested |
|
||
| 01-4 |
JOINT TORIQUE V-TWIN Ref TGB-910209 |
6,00 € | done_outline |
|
||
| 01-40 |
CLIP RENIFLARD
Ref TGB-R40002
|
4,20 € | done_outline |
|
||
| 01-41 |
DURITE RENIFLARD PONT Ref TGB-924261 |
12,00 € | done_outline |
|
||
| 01-42 |
RONDELLE 6,5X13,2X1,3 425
Ref TGB-W99621
|
0,84 € | done_outline |
|
||
| 01-43 |
VIS EPAULEE M6X10 Ref TGB-S21605 |
0,72 € | done_outline |
|
||
| 01-44 |
SPI SORTIE PONT AVANT 105
Ref TGB-925010
|
22,80 € | done_outline |
|
||
| 01-45 |
VIS PONT AR 425 TGB Ref TGB-S21813 |
3,12 € | done_outline |
|
||
| 01-46 |
CARTER PONT ARRIERE Ref TGB-910199B |
144,00 € | done_outline |
|
||
| 01-5 |
DOUILLE V-TWIN Ref TGB-910212 |
40,32 € | done_outline |
|
||
| 01-6 |
ROULEMENT PONT AR V-TWIN Ref TGB-910501 |
79,20 € | done_outline |
|
||
| 01-7 |
PIGNON ENTREE DE PONT V-TWIN Ref TGB-910213 |
234,72 € | done_outline |
|
||
| 01-8 |
ROULEMENT Ref TGB-911592 |
51,36 € | done_outline |
|
||
| 01-9 |
GOUJON CARTER PONT AR TGB Ref TGB-S95003 |
3,84 € | done_outline |
|
||
| 02 |
VIS PONT AV M10X1,25 Ref TGB-S20019 |
5,64 € | done_outline |
|
||
| 03 |
VIS V-TWIN Ref TGB-S20055 |
7,44 € | done_outline |
|
||
| 04 |
VIS V-TWIN Ref TGB-S20057 |
7,44 € | done_outline |
|
||
| 05 |
ECROU M10X125 CHROMEE
Ref HY10015S
|
3,84 € | done_outline |
|
||
| 06 |
CARDAN ARRIERE GAUCHE
Ref TGB-911119Y
|
318,00 € | done_outline |
|
||
| 06-1 |
CLIP CARDAN Ref TGB-911607B |
2,40 € | done_outline |
|
||
| REPERE 06-2, SI NO SERIE < = 003312, UTILISER LA REF. CI-DESSOUS : | ||||||
| 06-2 |
KIT SOUFFLET PONT AR V-TWIN Ref TGB-910604 |
87,00 € | done_outline |
|
||
| REPERE 06-2A, SI NO SERIE >= 003313, UTILISER LA REF. CI-DESSOUS : | ||||||
| 06-2A |
KIT SOUFFLETS CARDANS ARRIERE Ref TGB-910604Y |
87,00 € | done_outline |
|
||
| 07 |
CARDAN ARRIERE DROIT Ref TGB-911120Y |
299,16 € | done_outline |
|
||
| 07-1 |
CLIP CARDAN Ref TGB-911607B |
2,40 € | done_outline |
|
||
| REPERE 07-2, SI NO SERIE < = 003312, UTILISER LA REF. CI-DESSOUS : | ||||||
| 07-2 |
KIT SOUFFLET PONT AR V-TWIN Ref TGB-910604 |
87,00 € | done_outline |
|
||
| REPERE 07-2A, SI NO SERIE >= 003313, UTILISER LA REF. CI-DESSOUS : | ||||||
| 07-2A |
KIT SOUFFLETS CARDANS ARRIERE Ref TGB-910604Y |
87,00 € | done_outline |
|
||
| 08 |
PRISE DE FORCE ARRIERE Ref TGB-927155 |
359,40 € | done_outline |
|
||
| 08-1 |
GRAISSEUR GROS DIAMETRE
Ref TGB-925494
|
2,04 € | done_outline |
|
||
| 08-2 |
KIT REPARATION CROISILLON D24 Ref TGB-911376 |
141,24 € | done_outline |
|
||
| 09 |
SOUFFLET ARBRE TRANSMIS. Ref TGB-910662 |
8,64 € | done_outline |
|
||
| 10 |
VIS ARBRE TRANSMISSION 425
Ref TGB-S21007
|
6,72 € | done_outline |
|
||
