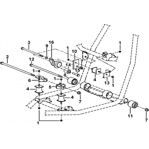
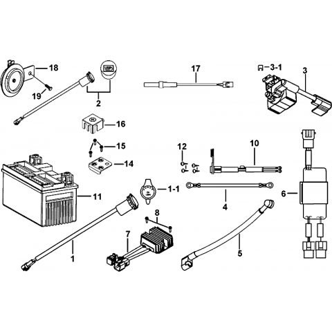
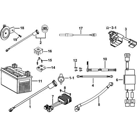
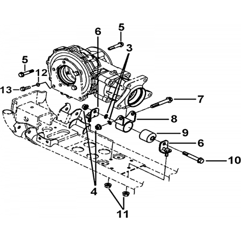
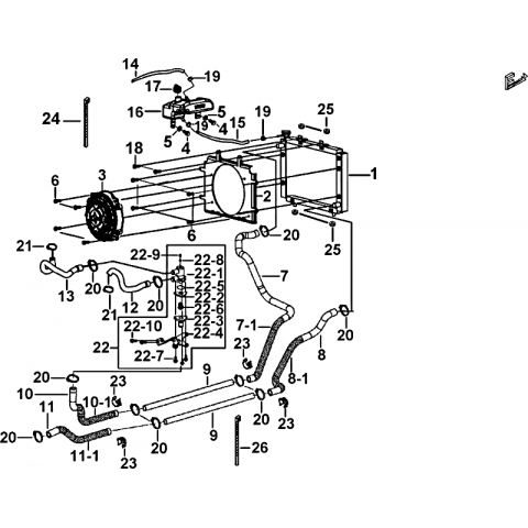
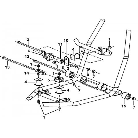
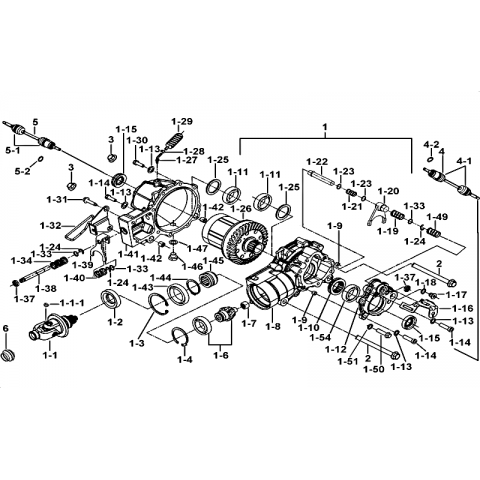
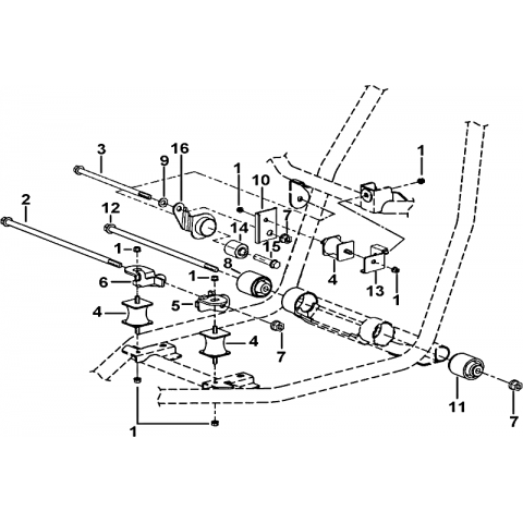
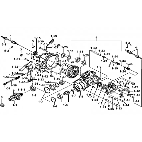
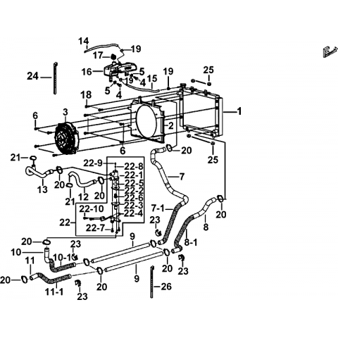
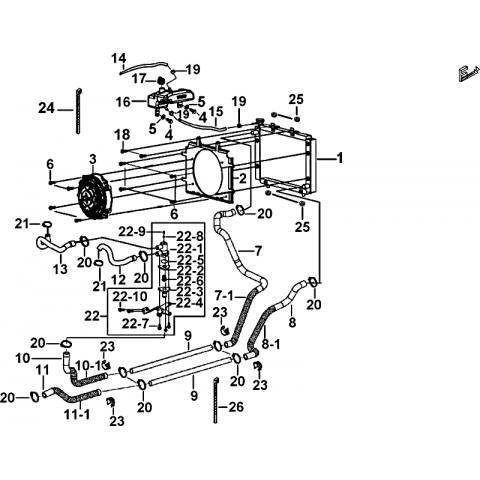
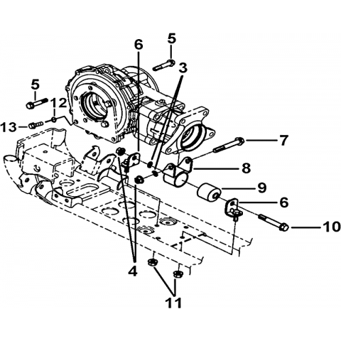
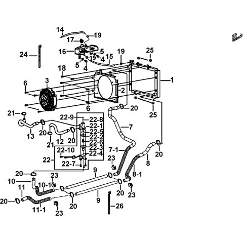
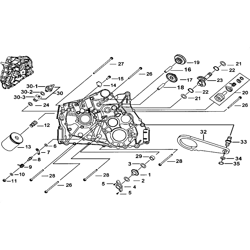
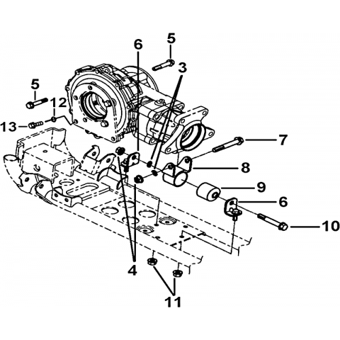
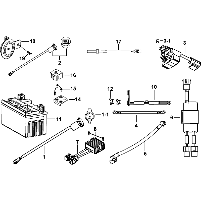
1 - MOTEUR <p>Vue éclatée 1 pour TGB BLADE 550 FLX – retrouvez la liste complète des composants d'origine et identifiez rapidement la pièce compatible.</p> 1 - MOTEUR <p>Vue éclatée 1 pour TGB BLADE 600 FLX – retrouvez la liste complète des composants d'origine et identifiez rapidement la pièce compatible.</p> 1 - MOTEUR <p>Vue éclatée 1 pour TGB BLADE 600 LTX ABS – retrouvez la liste complète des composants d'origine et identifiez rapidement la pièce compatible.</p> 1 - MOTEUR <p>Vue éclatée 1 pour TGB LANDMAX 1000 – retrouvez la liste complète des composants d'origine et identifiez rapidement la pièce compatible.</p> 1 - MOTEUR <p>Vue éclatée 1 pour TGB LANDMAX 1000 CAB – retrouvez la liste complète des composants d'origine et identifiez rapidement la pièce compatible.</p> 10 - CARTER MOTEUR DROIT <p>Vue éclatée 10 pour TGB LANDMAX 1000 – retrouvez la liste complète des composants d'origine et identifiez rapidement la pièce compatible.</p> 10 - CARTER MOTEUR DROIT <p>Vue éclatée 10 pour TGB LANDMAX 1000 CAB – retrouvez la liste complète des composants d'origine et identifiez rapidement la pièce compatible.</p> 10 - DEBITMETRE <p>Vue éclatée 10 pour TGB BLADE 550 FLX – retrouvez la liste complète des composants d'origine et identifiez rapidement la pièce compatible.</p> 10 - DEBITMETRE <p>Vue éclatée 10 pour TGB BLADE 600 FLX – retrouvez la liste complète des composants d'origine et identifiez rapidement la pièce compatible.</p> 10 - DEBITMETRE <p>Vue éclatée 10 pour TGB BLADE 600 LTX ABS – retrouvez la liste complète des composants d'origine et identifiez rapidement la pièce compatible.</p> 11 - SYSTEME ELECTRIQUE 1 <p>Vue éclatée 11 pour TGB LANDMAX 1000 – retrouvez la liste complète des composants d'origine et identifiez rapidement la pièce compatible.</p> 11 - SYSTEME ELECTRIQUE 1 <p>Vue éclatée 11 pour TGB LANDMAX 1000 CAB – retrouvez la liste complète des composants d'origine et identifiez rapidement la pièce compatible.</p> 11 - VILEBREQUIN <p>Vue éclatée 11 pour TGB BLADE 550 FLX – retrouvez la liste complète des composants d'origine et identifiez rapidement la pièce compatible.</p> 11 - VILEBREQUIN <p>Vue éclatée 11 pour TGB BLADE 600 FLX – retrouvez la liste complète des composants d'origine et identifiez rapidement la pièce compatible.</p> 11 - VILEBREQUIN <p>Vue éclatée 11 pour TGB BLADE 600 LTX ABS – retrouvez la liste complète des composants d'origine et identifiez rapidement la pièce compatible.</p> 12 - SYSTEME ELECTRIQUE 1 <p>Vue éclatée 12 pour TGB BLADE 550 FLX – retrouvez la liste complète des composants d'origine et identifiez rapidement la pièce compatible.</p> 12 - SYSTEME ELECTRIQUE 1 <p>Vue éclatée 12 pour TGB BLADE 600 FLX – retrouvez la liste complète des composants d'origine et identifiez rapidement la pièce compatible.</p> 12 - SYSTEME ELECTRIQUE 1 <p>Vue éclatée 12 pour TGB BLADE 600 LTX ABS – retrouvez la liste complète des composants d'origine et identifiez rapidement la pièce compatible.</p> 12 - TRANSMISSION 1 <p>Vue éclatée 12 pour TGB LANDMAX 1000 – retrouvez la liste complète des composants d'origine et identifiez rapidement la pièce compatible.</p> 12 - TRANSMISSION 1 <p>Vue éclatée 12 pour TGB LANDMAX 1000 CAB – retrouvez la liste complète des composants d'origine et identifiez rapidement la pièce compatible.</p> 13 - CARTER MOTEUR GAUCHE 1 <p>Vue éclatée 13 pour TGB BLADE 550 FLX – retrouvez la liste complète des composants d'origine et identifiez rapidement la pièce compatible.</p> 13 - CARTER MOTEUR GAUCHE 1 <p>Vue éclatée 13 pour TGB BLADE 600 FLX – retrouvez la liste complète des composants d'origine et identifiez rapidement la pièce compatible.</p> 13 - CARTER MOTEUR GAUCHE 1 <p>Vue éclatée 13 pour TGB BLADE 600 LTX ABS – retrouvez la liste complète des composants d'origine et identifiez rapidement la pièce compatible.</p> 13 - TRANSMISSION 2 <p>Vue éclatée 13 pour TGB LANDMAX 1000 – retrouvez la liste complète des composants d'origine et identifiez rapidement la pièce compatible.</p> 13 - TRANSMISSION 2 <p>Vue éclatée 13 pour TGB LANDMAX 1000 CAB – retrouvez la liste complète des composants d'origine et identifiez rapidement la pièce compatible.</p> 14 - CARTER MOTEUR GAUCHE 2 <p>Vue éclatée 14 pour TGB BLADE 550 FLX – retrouvez la liste complète des composants d'origine et identifiez rapidement la pièce compatible.</p> 14 - CARTER MOTEUR GAUCHE 2 <p>Vue éclatée 14 pour TGB BLADE 600 FLX – retrouvez la liste complète des composants d'origine et identifiez rapidement la pièce compatible.</p> 14 - CARTER MOTEUR GAUCHE 2 <p>Vue éclatée 14 pour TGB BLADE 600 LTX ABS – retrouvez la liste complète des composants d'origine et identifiez rapidement la pièce compatible.</p> 14 - VARIATEUR <p>Vue éclatée 14 pour TGB LANDMAX 1000 – retrouvez la liste complète des composants d'origine et identifiez rapidement la pièce compatible.</p> 14 - VARIATEUR <p>Vue éclatée 14 pour TGB LANDMAX 1000 CAB – retrouvez la liste complète des composants d'origine et identifiez rapidement la pièce compatible.</p> 15 - BLOCAGE DIFFERENTIEL... <p>Vue éclatée 15 pour TGB BLADE 550 FLX – retrouvez la liste complète des composants d'origine et identifiez rapidement la pièce compatible.</p> 15 - BLOCAGE DIFFERENTIEL... <p>Vue éclatée 15 pour TGB BLADE 600 FLX – retrouvez la liste complète des composants d'origine et identifiez rapidement la pièce compatible.</p> 15 - BLOCAGE DIFFERENTIEL... <p>Vue éclatée 15 pour TGB BLADE 600 LTX ABS – retrouvez la liste complète des composants d'origine et identifiez rapidement la pièce compatible.</p> 15 - ENSEMBLE ECHAPPEMENT <p>Vue éclatée 15 pour TGB LANDMAX 1000 – retrouvez la liste complète des composants d'origine et identifiez rapidement la pièce compatible.</p> 15 - ENSEMBLE ECHAPPEMENT <p>Vue éclatée 15 pour TGB LANDMAX 1000 CAB – retrouvez la liste complète des composants d'origine et identifiez rapidement la pièce compatible.</p> 16 - ENSEMBLE DIFFERENTIEL... <p>Vue éclatée 16 pour TGB BLADE 550 FLX – retrouvez la liste complète des composants d'origine et identifiez rapidement la pièce compatible.</p> 16 - ENSEMBLE DIFFERENTIEL... <p>Vue éclatée 16 pour TGB BLADE 600 FLX – retrouvez la liste complète des composants d'origine et identifiez rapidement la pièce compatible.</p> 16 - ENSEMBLE DIFFERENTIEL... <p>Vue éclatée 16 pour TGB BLADE 600 LTX ABS – retrouvez la liste complète des composants d'origine et identifiez rapidement la pièce compatible.</p> 16 - ENSEMBLE FILTRE A AIR <p>Vue éclatée 16 pour TGB LANDMAX 1000 – retrouvez la liste complète des composants d'origine et identifiez rapidement la pièce compatible.</p> 16 - ENSEMBLE FILTRE A AIR <p>Vue éclatée 16 pour TGB LANDMAX 1000 CAB – retrouvez la liste complète des composants d'origine et identifiez rapidement la pièce compatible.</p> 17 - BLOCAGE DIFFERENTIEL... <p>Vue éclatée 17 pour TGB LANDMAX 1000 – retrouvez la liste complète des composants d'origine et identifiez rapidement la pièce compatible.</p> 17 - BLOCAGE DIFFERENTIEL... <p>Vue éclatée 17 pour TGB LANDMAX 1000 CAB – retrouvez la liste complète des composants d'origine et identifiez rapidement la pièce compatible.</p> 17 - VARIATEUR <p>Vue éclatée 17 pour TGB BLADE 550 FLX – retrouvez la liste complète des composants d'origine et identifiez rapidement la pièce compatible.</p> 17 - VARIATEUR <p>Vue éclatée 17 pour TGB BLADE 600 FLX – retrouvez la liste complète des composants d'origine et identifiez rapidement la pièce compatible.</p> 17 - VARIATEUR <p>Vue éclatée 17 pour TGB BLADE 600 LTX ABS – retrouvez la liste complète des composants d'origine et identifiez rapidement la pièce compatible.</p> 18 - ENSEMBLE DIFFERENTIEL... <p>Vue éclatée 18 pour TGB LANDMAX 1000 – retrouvez la liste complète des composants d'origine et identifiez rapidement la pièce compatible.</p> 18 - ENSEMBLE DIFFERENTIEL... <p>Vue éclatée 18 pour TGB LANDMAX 1000 CAB – retrouvez la liste complète des composants d'origine et identifiez rapidement la pièce compatible.</p> 18 - ENSEMBLE ECHAPPEMENT <p>Vue éclatée 18 pour TGB BLADE 550 FLX – retrouvez la liste complète des composants d'origine et identifiez rapidement la pièce compatible.</p> 18 - ENSEMBLE ECHAPPEMENT <p>Vue éclatée 18 pour TGB BLADE 600 FLX – retrouvez la liste complète des composants d'origine et identifiez rapidement la pièce compatible.</p> 18 - ENSEMBLE ECHAPPEMENT <p>Vue éclatée 18 pour TGB BLADE 600 LTX ABS – retrouvez la liste complète des composants d'origine et identifiez rapidement la pièce compatible.</p> 19 - DIRECTION ASSISTEE <p>Vue éclatée 19 pour TGB LANDMAX 1000 – retrouvez la liste complète des composants d'origine et identifiez rapidement la pièce compatible.</p> 19 - DIRECTION ASSISTEE <p>Vue éclatée 19 pour TGB LANDMAX 1000 CAB – retrouvez la liste complète des composants d'origine et identifiez rapidement la pièce compatible.</p> 19 - ENSEMBLE FILTRE A AIR <p>Vue éclatée 19 pour TGB BLADE 550 FLX – retrouvez la liste complète des composants d'origine et identifiez rapidement la pièce compatible.</p> 19 - ENSEMBLE FILTRE A AIR <p>Vue éclatée 19 pour TGB BLADE 600 FLX – retrouvez la liste complète des composants d'origine et identifiez rapidement la pièce compatible.</p> 19 - ENSEMBLE FILTRE A AIR <p>Vue éclatée 19 pour TGB BLADE 600 LTX ABS – retrouvez la liste complète des composants d'origine et identifiez rapidement la pièce compatible.</p> 2 - SYSTEME ADMISSION <p>Vue éclatée 2 pour TGB BLADE 550 FLX – retrouvez la liste complète des composants d'origine et identifiez rapidement la pièce compatible.</p> 2 - SYSTEME ADMISSION <p>Vue éclatée 2 pour TGB BLADE 600 FLX – retrouvez la liste complète des composants d'origine et identifiez rapidement la pièce compatible.</p> 2 - SYSTEME ADMISSION <p>Vue éclatée 2 pour TGB BLADE 600 LTX ABS – retrouvez la liste complète des composants d'origine et identifiez rapidement la pièce compatible.</p> 2 - SYSTEME ADMISSION <p>Vue éclatée 2 pour TGB LANDMAX 1000 – retrouvez la liste complète des composants d'origine et identifiez rapidement la pièce compatible.</p> 2 - SYSTEME ADMISSION <p>Vue éclatée 2 pour TGB LANDMAX 1000 CAB – retrouvez la liste complète des composants d'origine et identifiez rapidement la pièce compatible.</p> 20 - ENSEMBLE REFROIDISSEMENT <p>Vue éclatée 20 pour TGB BLADE 550 FLX – retrouvez la liste complète des composants d'origine et identifiez rapidement la pièce compatible.</p> 20 - ENSEMBLE REFROIDISSEMENT <p>Vue éclatée 20 pour TGB BLADE 600 FLX – retrouvez la liste complète des composants d'origine et identifiez rapidement la pièce compatible.</p> 20 - ENSEMBLE REFROIDISSEMENT <p>Vue éclatée 20 pour TGB BLADE 600 LTX ABS – retrouvez la liste complète des composants d'origine et identifiez rapidement la pièce compatible.</p> 20 - ENSEMBLE REFROIDISSEMENT <p>Vue éclatée 20 pour TGB LANDMAX 1000 – retrouvez la liste complète des composants d'origine et identifiez rapidement la pièce compatible.</p> 20 - ENSEMBLE REFROIDISSEMENT <p>Vue éclatée 20 pour TGB LANDMAX 1000 CAB – retrouvez la liste complète des composants d'origine et identifiez rapidement la pièce compatible.</p> 21 - SYSTEME ELECTRIQUE 2 <p>Vue éclatée 21 pour TGB BLADE 550 FLX – retrouvez la liste complète des composants d'origine et identifiez rapidement la pièce compatible.</p> 21 - SYSTEME ELECTRIQUE 2 <p>Vue éclatée 21 pour TGB BLADE 600 FLX – retrouvez la liste complète des composants d'origine et identifiez rapidement la pièce compatible.</p> 21 - SYSTEME ELECTRIQUE 2 <p>Vue éclatée 21 pour TGB BLADE 600 LTX ABS – retrouvez la liste complète des composants d'origine et identifiez rapidement la pièce compatible.</p> 21 - SYSTEME ELECTRIQUE 2 <p>Vue éclatée 21 pour TGB LANDMAX 1000 – retrouvez la liste complète des composants d'origine et identifiez rapidement la pièce compatible.</p> 21 - SYSTEME ELECTRIQUE 2 <p>Vue éclatée 21 pour TGB LANDMAX 1000 CAB – retrouvez la liste complète des composants d'origine et identifiez rapidement la pièce compatible.</p> 22 - SYSTEME ELECTRIQUE 3 <p>Vue éclatée 22 pour TGB BLADE 550 FLX – retrouvez la liste complète des composants d'origine et identifiez rapidement la pièce compatible.</p> 22 - SYSTEME ELECTRIQUE 3 <p>Vue éclatée 22 pour TGB BLADE 600 FLX – retrouvez la liste complète des composants d'origine et identifiez rapidement la pièce compatible.</p> 22 - SYSTEME ELECTRIQUE 3 <p>Vue éclatée 22 pour TGB BLADE 600 LTX ABS – retrouvez la liste complète des composants d'origine et identifiez rapidement la pièce compatible.</p> 22 - SYSTEME ELECTRIQUE 3 <p>Vue éclatée 22 pour TGB LANDMAX 1000 – retrouvez la liste complète des composants d'origine et identifiez rapidement la pièce compatible.</p> 22 - SYSTEME ELECTRIQUE 3 <p>Vue éclatée 22 pour TGB LANDMAX 1000 CAB – retrouvez la liste complète des composants d'origine et identifiez rapidement la pièce compatible.</p> 23 - RELAIS SUPPORTS <p>Vue éclatée 23 pour TGB LANDMAX 1000 – retrouvez la liste complète des composants d'origine et identifiez rapidement la pièce compatible.</p> 23 - RELAIS SUPPORTS <p>Vue éclatée 23 pour TGB LANDMAX 1000 CAB – retrouvez la liste complète des composants d'origine et identifiez rapidement la pièce compatible.</p> 23 - SUPPORTS <p>Vue éclatée 23 pour TGB BLADE 550 FLX – retrouvez la liste complète des composants d'origine et identifiez rapidement la pièce compatible.</p> 23 - SUPPORTS <p>Vue éclatée 23 pour TGB BLADE 600 FLX – retrouvez la liste complète des composants d'origine et identifiez rapidement la pièce compatible.</p> 23 - SUPPORTS <p>Vue éclatée 23 pour TGB BLADE 600 LTX ABS – retrouvez la liste complète des composants d'origine et identifiez rapidement la pièce compatible.</p> 24 - CONTROLEUR... <p>Vue éclatée 24 pour TGB LANDMAX 1000 – retrouvez la liste complète des composants d'origine et identifiez rapidement la pièce compatible.</p> 24 - ECLAIRAGE INT MONITEUR... <p>Vue éclatée 24 pour TGB LANDMAX 1000 CAB – retrouvez la liste complète des composants d'origine et identifiez rapidement la pièce compatible.</p> 24 - SUPPORTS MOTEUR <p>Vue éclatée 24 pour TGB BLADE 550 FLX – retrouvez la liste complète des composants d'origine et identifiez rapidement la pièce compatible.</p> 24 - SUPPORTS MOTEUR <p>Vue éclatée 24 pour TGB BLADE 600 FLX – retrouvez la liste complète des composants d'origine et identifiez rapidement la pièce compatible.</p> 24 - SUPPORTS MOTEUR <p>Vue éclatée 24 pour TGB BLADE 600 LTX ABS – retrouvez la liste complète des composants d'origine et identifiez rapidement la pièce compatible.</p> 25 - COMPTEUR <p>Vue éclatée 25 pour TGB LANDMAX 1000 – retrouvez la liste complète des composants d'origine et identifiez rapidement la pièce compatible.</p> 25 - CONTROLEUR... <p>Vue éclatée 25 pour TGB LANDMAX 1000 CAB – retrouvez la liste complète des composants d'origine et identifiez rapidement la pièce compatible.</p> 25 - MOTEUR DE DIFFERENTIEL <p>Vue éclatée 25 pour TGB BLADE 550 FLX – retrouvez la liste complète des composants d'origine et identifiez rapidement la pièce compatible.</p> 25 - MOTEUR DE DIFFERENTIEL <p>Vue éclatée 25 pour TGB BLADE 600 FLX – retrouvez la liste complète des composants d'origine et identifiez rapidement la pièce compatible.</p> 25 - MOTEUR DE DIFFERENTIEL <p>Vue éclatée 25 pour TGB BLADE 600 LTX ABS – retrouvez la liste complète des composants d'origine et identifiez rapidement la pièce compatible.</p> 26 - COMPTEUR <p>Vue éclatée 26 pour TGB LANDMAX 1000 CAB – retrouvez la liste complète des composants d'origine et identifiez rapidement la pièce compatible.</p> 26 - DIRECTION ASSISTEE... <p>Vue éclatée 26 pour TGB BLADE 550 FLX – retrouvez la liste complète des composants d'origine et identifiez rapidement la pièce compatible.</p> 26 - DIRECTION ASSISTEE... <p>Vue éclatée 26 pour TGB BLADE 600 LTX ABS – retrouvez la liste complète des composants d'origine et identifiez rapidement la pièce compatible.</p> 26 - ECLAIRAGE AVANT <p>Vue éclatée 26 pour TGB LANDMAX 1000 – retrouvez la liste complète des composants d'origine et identifiez rapidement la pièce compatible.</p> 26 - SUPPORTS DIFFERENTIEL... <p>Vue éclatée 26 pour TGB BLADE 600 FLX – retrouvez la liste complète des composants d'origine et identifiez rapidement la pièce compatible.</p> 27 - COMPTEUR <p>Vue éclatée 27 pour TGB BLADE 550 FLX – retrouvez la liste complète des composants d'origine et identifiez rapidement la pièce compatible.</p> 27 - COMPTEUR <p>Vue éclatée 27 pour TGB BLADE 600 LTX ABS – retrouvez la liste complète des composants d'origine et identifiez rapidement la pièce compatible.</p> 27 - DIRECTION ASSISTEE... <p>Vue éclatée 27 pour TGB BLADE 600 FLX – retrouvez la liste complète des composants d'origine et identifiez rapidement la pièce compatible.</p> 27 - ECLAIRAGE ARRIERE <p>Vue éclatée 27 pour TGB LANDMAX 1000 – retrouvez la liste complète des composants d'origine et identifiez rapidement la pièce compatible.</p> 27 - ECLAIRAGE AVANT <p>Vue éclatée 27 pour TGB LANDMAX 1000 CAB – retrouvez la liste complète des composants d'origine et identifiez rapidement la pièce compatible.</p> Affichage 1-100 de 539 article(s) 1 2 3 … 6 Suivant Retour en haut
1 - MOTEUR <p>Vue éclatée 1 pour TGB BLADE 600 FLX – retrouvez la liste complète des composants d'origine et identifiez rapidement la pièce compatible.</p> 1 - MOTEUR <p>Vue éclatée 1 pour TGB BLADE 600 LTX ABS – retrouvez la liste complète des composants d'origine et identifiez rapidement la pièce compatible.</p> 1 - MOTEUR <p>Vue éclatée 1 pour TGB LANDMAX 1000 – retrouvez la liste complète des composants d'origine et identifiez rapidement la pièce compatible.</p> 1 - MOTEUR <p>Vue éclatée 1 pour TGB LANDMAX 1000 CAB – retrouvez la liste complète des composants d'origine et identifiez rapidement la pièce compatible.</p> 10 - CARTER MOTEUR DROIT <p>Vue éclatée 10 pour TGB LANDMAX 1000 – retrouvez la liste complète des composants d'origine et identifiez rapidement la pièce compatible.</p> 10 - CARTER MOTEUR DROIT <p>Vue éclatée 10 pour TGB LANDMAX 1000 CAB – retrouvez la liste complète des composants d'origine et identifiez rapidement la pièce compatible.</p> 10 - DEBITMETRE <p>Vue éclatée 10 pour TGB BLADE 550 FLX – retrouvez la liste complète des composants d'origine et identifiez rapidement la pièce compatible.</p> 10 - DEBITMETRE <p>Vue éclatée 10 pour TGB BLADE 600 FLX – retrouvez la liste complète des composants d'origine et identifiez rapidement la pièce compatible.</p> 10 - DEBITMETRE <p>Vue éclatée 10 pour TGB BLADE 600 LTX ABS – retrouvez la liste complète des composants d'origine et identifiez rapidement la pièce compatible.</p> 11 - SYSTEME ELECTRIQUE 1 <p>Vue éclatée 11 pour TGB LANDMAX 1000 – retrouvez la liste complète des composants d'origine et identifiez rapidement la pièce compatible.</p> 11 - SYSTEME ELECTRIQUE 1 <p>Vue éclatée 11 pour TGB LANDMAX 1000 CAB – retrouvez la liste complète des composants d'origine et identifiez rapidement la pièce compatible.</p> 11 - VILEBREQUIN <p>Vue éclatée 11 pour TGB BLADE 550 FLX – retrouvez la liste complète des composants d'origine et identifiez rapidement la pièce compatible.</p> 11 - VILEBREQUIN <p>Vue éclatée 11 pour TGB BLADE 600 FLX – retrouvez la liste complète des composants d'origine et identifiez rapidement la pièce compatible.</p> 11 - VILEBREQUIN <p>Vue éclatée 11 pour TGB BLADE 600 LTX ABS – retrouvez la liste complète des composants d'origine et identifiez rapidement la pièce compatible.</p> 12 - SYSTEME ELECTRIQUE 1 <p>Vue éclatée 12 pour TGB BLADE 550 FLX – retrouvez la liste complète des composants d'origine et identifiez rapidement la pièce compatible.</p> 12 - SYSTEME ELECTRIQUE 1 <p>Vue éclatée 12 pour TGB BLADE 600 FLX – retrouvez la liste complète des composants d'origine et identifiez rapidement la pièce compatible.</p> 12 - SYSTEME ELECTRIQUE 1 <p>Vue éclatée 12 pour TGB BLADE 600 LTX ABS – retrouvez la liste complète des composants d'origine et identifiez rapidement la pièce compatible.</p> 12 - TRANSMISSION 1 <p>Vue éclatée 12 pour TGB LANDMAX 1000 – retrouvez la liste complète des composants d'origine et identifiez rapidement la pièce compatible.</p> 12 - TRANSMISSION 1 <p>Vue éclatée 12 pour TGB LANDMAX 1000 CAB – retrouvez la liste complète des composants d'origine et identifiez rapidement la pièce compatible.</p> 13 - CARTER MOTEUR GAUCHE 1 <p>Vue éclatée 13 pour TGB BLADE 550 FLX – retrouvez la liste complète des composants d'origine et identifiez rapidement la pièce compatible.</p> 13 - CARTER MOTEUR GAUCHE 1 <p>Vue éclatée 13 pour TGB BLADE 600 FLX – retrouvez la liste complète des composants d'origine et identifiez rapidement la pièce compatible.</p> 13 - CARTER MOTEUR GAUCHE 1 <p>Vue éclatée 13 pour TGB BLADE 600 LTX ABS – retrouvez la liste complète des composants d'origine et identifiez rapidement la pièce compatible.</p> 13 - TRANSMISSION 2 <p>Vue éclatée 13 pour TGB LANDMAX 1000 – retrouvez la liste complète des composants d'origine et identifiez rapidement la pièce compatible.</p> 13 - TRANSMISSION 2 <p>Vue éclatée 13 pour TGB LANDMAX 1000 CAB – retrouvez la liste complète des composants d'origine et identifiez rapidement la pièce compatible.</p> 14 - CARTER MOTEUR GAUCHE 2 <p>Vue éclatée 14 pour TGB BLADE 550 FLX – retrouvez la liste complète des composants d'origine et identifiez rapidement la pièce compatible.</p> 14 - CARTER MOTEUR GAUCHE 2 <p>Vue éclatée 14 pour TGB BLADE 600 FLX – retrouvez la liste complète des composants d'origine et identifiez rapidement la pièce compatible.</p> 14 - CARTER MOTEUR GAUCHE 2 <p>Vue éclatée 14 pour TGB BLADE 600 LTX ABS – retrouvez la liste complète des composants d'origine et identifiez rapidement la pièce compatible.</p> 14 - VARIATEUR <p>Vue éclatée 14 pour TGB LANDMAX 1000 – retrouvez la liste complète des composants d'origine et identifiez rapidement la pièce compatible.</p> 14 - VARIATEUR <p>Vue éclatée 14 pour TGB LANDMAX 1000 CAB – retrouvez la liste complète des composants d'origine et identifiez rapidement la pièce compatible.</p> 15 - BLOCAGE DIFFERENTIEL... <p>Vue éclatée 15 pour TGB BLADE 550 FLX – retrouvez la liste complète des composants d'origine et identifiez rapidement la pièce compatible.</p> 15 - BLOCAGE DIFFERENTIEL... <p>Vue éclatée 15 pour TGB BLADE 600 FLX – retrouvez la liste complète des composants d'origine et identifiez rapidement la pièce compatible.</p> 15 - BLOCAGE DIFFERENTIEL... <p>Vue éclatée 15 pour TGB BLADE 600 LTX ABS – retrouvez la liste complète des composants d'origine et identifiez rapidement la pièce compatible.</p> 15 - ENSEMBLE ECHAPPEMENT <p>Vue éclatée 15 pour TGB LANDMAX 1000 – retrouvez la liste complète des composants d'origine et identifiez rapidement la pièce compatible.</p> 15 - ENSEMBLE ECHAPPEMENT <p>Vue éclatée 15 pour TGB LANDMAX 1000 CAB – retrouvez la liste complète des composants d'origine et identifiez rapidement la pièce compatible.</p> 16 - ENSEMBLE DIFFERENTIEL... <p>Vue éclatée 16 pour TGB BLADE 550 FLX – retrouvez la liste complète des composants d'origine et identifiez rapidement la pièce compatible.</p> 16 - ENSEMBLE DIFFERENTIEL... <p>Vue éclatée 16 pour TGB BLADE 600 FLX – retrouvez la liste complète des composants d'origine et identifiez rapidement la pièce compatible.</p> 16 - ENSEMBLE DIFFERENTIEL... <p>Vue éclatée 16 pour TGB BLADE 600 LTX ABS – retrouvez la liste complète des composants d'origine et identifiez rapidement la pièce compatible.</p> 16 - ENSEMBLE FILTRE A AIR <p>Vue éclatée 16 pour TGB LANDMAX 1000 – retrouvez la liste complète des composants d'origine et identifiez rapidement la pièce compatible.</p> 16 - ENSEMBLE FILTRE A AIR <p>Vue éclatée 16 pour TGB LANDMAX 1000 CAB – retrouvez la liste complète des composants d'origine et identifiez rapidement la pièce compatible.</p> 17 - BLOCAGE DIFFERENTIEL... <p>Vue éclatée 17 pour TGB LANDMAX 1000 – retrouvez la liste complète des composants d'origine et identifiez rapidement la pièce compatible.</p> 17 - BLOCAGE DIFFERENTIEL... <p>Vue éclatée 17 pour TGB LANDMAX 1000 CAB – retrouvez la liste complète des composants d'origine et identifiez rapidement la pièce compatible.</p> 17 - VARIATEUR <p>Vue éclatée 17 pour TGB BLADE 550 FLX – retrouvez la liste complète des composants d'origine et identifiez rapidement la pièce compatible.</p> 17 - VARIATEUR <p>Vue éclatée 17 pour TGB BLADE 600 FLX – retrouvez la liste complète des composants d'origine et identifiez rapidement la pièce compatible.</p> 17 - VARIATEUR <p>Vue éclatée 17 pour TGB BLADE 600 LTX ABS – retrouvez la liste complète des composants d'origine et identifiez rapidement la pièce compatible.</p> 18 - ENSEMBLE DIFFERENTIEL... <p>Vue éclatée 18 pour TGB LANDMAX 1000 – retrouvez la liste complète des composants d'origine et identifiez rapidement la pièce compatible.</p> 18 - ENSEMBLE DIFFERENTIEL... <p>Vue éclatée 18 pour TGB LANDMAX 1000 CAB – retrouvez la liste complète des composants d'origine et identifiez rapidement la pièce compatible.</p> 18 - ENSEMBLE ECHAPPEMENT <p>Vue éclatée 18 pour TGB BLADE 550 FLX – retrouvez la liste complète des composants d'origine et identifiez rapidement la pièce compatible.</p> 18 - ENSEMBLE ECHAPPEMENT <p>Vue éclatée 18 pour TGB BLADE 600 FLX – retrouvez la liste complète des composants d'origine et identifiez rapidement la pièce compatible.</p> 18 - ENSEMBLE ECHAPPEMENT <p>Vue éclatée 18 pour TGB BLADE 600 LTX ABS – retrouvez la liste complète des composants d'origine et identifiez rapidement la pièce compatible.</p> 19 - DIRECTION ASSISTEE <p>Vue éclatée 19 pour TGB LANDMAX 1000 – retrouvez la liste complète des composants d'origine et identifiez rapidement la pièce compatible.</p> 19 - DIRECTION ASSISTEE <p>Vue éclatée 19 pour TGB LANDMAX 1000 CAB – retrouvez la liste complète des composants d'origine et identifiez rapidement la pièce compatible.</p> 19 - ENSEMBLE FILTRE A AIR <p>Vue éclatée 19 pour TGB BLADE 550 FLX – retrouvez la liste complète des composants d'origine et identifiez rapidement la pièce compatible.</p> 19 - ENSEMBLE FILTRE A AIR <p>Vue éclatée 19 pour TGB BLADE 600 FLX – retrouvez la liste complète des composants d'origine et identifiez rapidement la pièce compatible.</p> 19 - ENSEMBLE FILTRE A AIR <p>Vue éclatée 19 pour TGB BLADE 600 LTX ABS – retrouvez la liste complète des composants d'origine et identifiez rapidement la pièce compatible.</p> 2 - SYSTEME ADMISSION <p>Vue éclatée 2 pour TGB BLADE 550 FLX – retrouvez la liste complète des composants d'origine et identifiez rapidement la pièce compatible.</p> 2 - SYSTEME ADMISSION <p>Vue éclatée 2 pour TGB BLADE 600 FLX – retrouvez la liste complète des composants d'origine et identifiez rapidement la pièce compatible.</p> 2 - SYSTEME ADMISSION <p>Vue éclatée 2 pour TGB BLADE 600 LTX ABS – retrouvez la liste complète des composants d'origine et identifiez rapidement la pièce compatible.</p> 2 - SYSTEME ADMISSION <p>Vue éclatée 2 pour TGB LANDMAX 1000 – retrouvez la liste complète des composants d'origine et identifiez rapidement la pièce compatible.</p> 2 - SYSTEME ADMISSION <p>Vue éclatée 2 pour TGB LANDMAX 1000 CAB – retrouvez la liste complète des composants d'origine et identifiez rapidement la pièce compatible.</p> 20 - ENSEMBLE REFROIDISSEMENT <p>Vue éclatée 20 pour TGB BLADE 550 FLX – retrouvez la liste complète des composants d'origine et identifiez rapidement la pièce compatible.</p> 20 - ENSEMBLE REFROIDISSEMENT <p>Vue éclatée 20 pour TGB BLADE 600 FLX – retrouvez la liste complète des composants d'origine et identifiez rapidement la pièce compatible.</p> 20 - ENSEMBLE REFROIDISSEMENT <p>Vue éclatée 20 pour TGB BLADE 600 LTX ABS – retrouvez la liste complète des composants d'origine et identifiez rapidement la pièce compatible.</p> 20 - ENSEMBLE REFROIDISSEMENT <p>Vue éclatée 20 pour TGB LANDMAX 1000 – retrouvez la liste complète des composants d'origine et identifiez rapidement la pièce compatible.</p> 20 - ENSEMBLE REFROIDISSEMENT <p>Vue éclatée 20 pour TGB LANDMAX 1000 CAB – retrouvez la liste complète des composants d'origine et identifiez rapidement la pièce compatible.</p> 21 - SYSTEME ELECTRIQUE 2 <p>Vue éclatée 21 pour TGB BLADE 550 FLX – retrouvez la liste complète des composants d'origine et identifiez rapidement la pièce compatible.</p> 21 - SYSTEME ELECTRIQUE 2 <p>Vue éclatée 21 pour TGB BLADE 600 FLX – retrouvez la liste complète des composants d'origine et identifiez rapidement la pièce compatible.</p> 21 - SYSTEME ELECTRIQUE 2 <p>Vue éclatée 21 pour TGB BLADE 600 LTX ABS – retrouvez la liste complète des composants d'origine et identifiez rapidement la pièce compatible.</p> 21 - SYSTEME ELECTRIQUE 2 <p>Vue éclatée 21 pour TGB LANDMAX 1000 – retrouvez la liste complète des composants d'origine et identifiez rapidement la pièce compatible.</p> 21 - SYSTEME ELECTRIQUE 2 <p>Vue éclatée 21 pour TGB LANDMAX 1000 CAB – retrouvez la liste complète des composants d'origine et identifiez rapidement la pièce compatible.</p> 22 - SYSTEME ELECTRIQUE 3 <p>Vue éclatée 22 pour TGB BLADE 550 FLX – retrouvez la liste complète des composants d'origine et identifiez rapidement la pièce compatible.</p> 22 - SYSTEME ELECTRIQUE 3 <p>Vue éclatée 22 pour TGB BLADE 600 FLX – retrouvez la liste complète des composants d'origine et identifiez rapidement la pièce compatible.</p> 22 - SYSTEME ELECTRIQUE 3 <p>Vue éclatée 22 pour TGB BLADE 600 LTX ABS – retrouvez la liste complète des composants d'origine et identifiez rapidement la pièce compatible.</p> 22 - SYSTEME ELECTRIQUE 3 <p>Vue éclatée 22 pour TGB LANDMAX 1000 – retrouvez la liste complète des composants d'origine et identifiez rapidement la pièce compatible.</p> 22 - SYSTEME ELECTRIQUE 3 <p>Vue éclatée 22 pour TGB LANDMAX 1000 CAB – retrouvez la liste complète des composants d'origine et identifiez rapidement la pièce compatible.</p> 23 - RELAIS SUPPORTS <p>Vue éclatée 23 pour TGB LANDMAX 1000 – retrouvez la liste complète des composants d'origine et identifiez rapidement la pièce compatible.</p> 23 - RELAIS SUPPORTS <p>Vue éclatée 23 pour TGB LANDMAX 1000 CAB – retrouvez la liste complète des composants d'origine et identifiez rapidement la pièce compatible.</p> 23 - SUPPORTS <p>Vue éclatée 23 pour TGB BLADE 550 FLX – retrouvez la liste complète des composants d'origine et identifiez rapidement la pièce compatible.</p> 23 - SUPPORTS <p>Vue éclatée 23 pour TGB BLADE 600 FLX – retrouvez la liste complète des composants d'origine et identifiez rapidement la pièce compatible.</p> 23 - SUPPORTS <p>Vue éclatée 23 pour TGB BLADE 600 LTX ABS – retrouvez la liste complète des composants d'origine et identifiez rapidement la pièce compatible.</p> 24 - CONTROLEUR... <p>Vue éclatée 24 pour TGB LANDMAX 1000 – retrouvez la liste complète des composants d'origine et identifiez rapidement la pièce compatible.</p> 24 - ECLAIRAGE INT MONITEUR... <p>Vue éclatée 24 pour TGB LANDMAX 1000 CAB – retrouvez la liste complète des composants d'origine et identifiez rapidement la pièce compatible.</p> 24 - SUPPORTS MOTEUR <p>Vue éclatée 24 pour TGB BLADE 550 FLX – retrouvez la liste complète des composants d'origine et identifiez rapidement la pièce compatible.</p> 24 - SUPPORTS MOTEUR <p>Vue éclatée 24 pour TGB BLADE 600 FLX – retrouvez la liste complète des composants d'origine et identifiez rapidement la pièce compatible.</p> 24 - SUPPORTS MOTEUR <p>Vue éclatée 24 pour TGB BLADE 600 LTX ABS – retrouvez la liste complète des composants d'origine et identifiez rapidement la pièce compatible.</p> 25 - COMPTEUR <p>Vue éclatée 25 pour TGB LANDMAX 1000 – retrouvez la liste complète des composants d'origine et identifiez rapidement la pièce compatible.</p> 25 - CONTROLEUR... <p>Vue éclatée 25 pour TGB LANDMAX 1000 CAB – retrouvez la liste complète des composants d'origine et identifiez rapidement la pièce compatible.</p> 25 - MOTEUR DE DIFFERENTIEL <p>Vue éclatée 25 pour TGB BLADE 550 FLX – retrouvez la liste complète des composants d'origine et identifiez rapidement la pièce compatible.</p> 25 - MOTEUR DE DIFFERENTIEL <p>Vue éclatée 25 pour TGB BLADE 600 FLX – retrouvez la liste complète des composants d'origine et identifiez rapidement la pièce compatible.</p> 25 - MOTEUR DE DIFFERENTIEL <p>Vue éclatée 25 pour TGB BLADE 600 LTX ABS – retrouvez la liste complète des composants d'origine et identifiez rapidement la pièce compatible.</p> 26 - COMPTEUR <p>Vue éclatée 26 pour TGB LANDMAX 1000 CAB – retrouvez la liste complète des composants d'origine et identifiez rapidement la pièce compatible.</p> 26 - DIRECTION ASSISTEE... <p>Vue éclatée 26 pour TGB BLADE 550 FLX – retrouvez la liste complète des composants d'origine et identifiez rapidement la pièce compatible.</p> 26 - DIRECTION ASSISTEE... <p>Vue éclatée 26 pour TGB BLADE 600 LTX ABS – retrouvez la liste complète des composants d'origine et identifiez rapidement la pièce compatible.</p> 26 - ECLAIRAGE AVANT <p>Vue éclatée 26 pour TGB LANDMAX 1000 – retrouvez la liste complète des composants d'origine et identifiez rapidement la pièce compatible.</p> 26 - SUPPORTS DIFFERENTIEL... <p>Vue éclatée 26 pour TGB BLADE 600 FLX – retrouvez la liste complète des composants d'origine et identifiez rapidement la pièce compatible.</p> 27 - COMPTEUR <p>Vue éclatée 27 pour TGB BLADE 550 FLX – retrouvez la liste complète des composants d'origine et identifiez rapidement la pièce compatible.</p> 27 - COMPTEUR <p>Vue éclatée 27 pour TGB BLADE 600 LTX ABS – retrouvez la liste complète des composants d'origine et identifiez rapidement la pièce compatible.</p> 27 - DIRECTION ASSISTEE... <p>Vue éclatée 27 pour TGB BLADE 600 FLX – retrouvez la liste complète des composants d'origine et identifiez rapidement la pièce compatible.</p> 27 - ECLAIRAGE ARRIERE <p>Vue éclatée 27 pour TGB LANDMAX 1000 – retrouvez la liste complète des composants d'origine et identifiez rapidement la pièce compatible.</p> 27 - ECLAIRAGE AVANT <p>Vue éclatée 27 pour TGB LANDMAX 1000 CAB – retrouvez la liste complète des composants d'origine et identifiez rapidement la pièce compatible.</p> Affichage 1-100 de 539 article(s) 1 2 3 … 6 Suivant Retour en haut
1 - MOTEUR <p>Vue éclatée 1 pour TGB BLADE 600 LTX ABS – retrouvez la liste complète des composants d'origine et identifiez rapidement la pièce compatible.</p> 1 - MOTEUR <p>Vue éclatée 1 pour TGB LANDMAX 1000 – retrouvez la liste complète des composants d'origine et identifiez rapidement la pièce compatible.</p> 1 - MOTEUR <p>Vue éclatée 1 pour TGB LANDMAX 1000 CAB – retrouvez la liste complète des composants d'origine et identifiez rapidement la pièce compatible.</p> 10 - CARTER MOTEUR DROIT <p>Vue éclatée 10 pour TGB LANDMAX 1000 – retrouvez la liste complète des composants d'origine et identifiez rapidement la pièce compatible.</p> 10 - CARTER MOTEUR DROIT <p>Vue éclatée 10 pour TGB LANDMAX 1000 CAB – retrouvez la liste complète des composants d'origine et identifiez rapidement la pièce compatible.</p> 10 - DEBITMETRE <p>Vue éclatée 10 pour TGB BLADE 550 FLX – retrouvez la liste complète des composants d'origine et identifiez rapidement la pièce compatible.</p> 10 - DEBITMETRE <p>Vue éclatée 10 pour TGB BLADE 600 FLX – retrouvez la liste complète des composants d'origine et identifiez rapidement la pièce compatible.</p> 10 - DEBITMETRE <p>Vue éclatée 10 pour TGB BLADE 600 LTX ABS – retrouvez la liste complète des composants d'origine et identifiez rapidement la pièce compatible.</p> 11 - SYSTEME ELECTRIQUE 1 <p>Vue éclatée 11 pour TGB LANDMAX 1000 – retrouvez la liste complète des composants d'origine et identifiez rapidement la pièce compatible.</p> 11 - SYSTEME ELECTRIQUE 1 <p>Vue éclatée 11 pour TGB LANDMAX 1000 CAB – retrouvez la liste complète des composants d'origine et identifiez rapidement la pièce compatible.</p> 11 - VILEBREQUIN <p>Vue éclatée 11 pour TGB BLADE 550 FLX – retrouvez la liste complète des composants d'origine et identifiez rapidement la pièce compatible.</p> 11 - VILEBREQUIN <p>Vue éclatée 11 pour TGB BLADE 600 FLX – retrouvez la liste complète des composants d'origine et identifiez rapidement la pièce compatible.</p> 11 - VILEBREQUIN <p>Vue éclatée 11 pour TGB BLADE 600 LTX ABS – retrouvez la liste complète des composants d'origine et identifiez rapidement la pièce compatible.</p> 12 - SYSTEME ELECTRIQUE 1 <p>Vue éclatée 12 pour TGB BLADE 550 FLX – retrouvez la liste complète des composants d'origine et identifiez rapidement la pièce compatible.</p> 12 - SYSTEME ELECTRIQUE 1 <p>Vue éclatée 12 pour TGB BLADE 600 FLX – retrouvez la liste complète des composants d'origine et identifiez rapidement la pièce compatible.</p> 12 - SYSTEME ELECTRIQUE 1 <p>Vue éclatée 12 pour TGB BLADE 600 LTX ABS – retrouvez la liste complète des composants d'origine et identifiez rapidement la pièce compatible.</p> 12 - TRANSMISSION 1 <p>Vue éclatée 12 pour TGB LANDMAX 1000 – retrouvez la liste complète des composants d'origine et identifiez rapidement la pièce compatible.</p> 12 - TRANSMISSION 1 <p>Vue éclatée 12 pour TGB LANDMAX 1000 CAB – retrouvez la liste complète des composants d'origine et identifiez rapidement la pièce compatible.</p> 13 - CARTER MOTEUR GAUCHE 1 <p>Vue éclatée 13 pour TGB BLADE 550 FLX – retrouvez la liste complète des composants d'origine et identifiez rapidement la pièce compatible.</p> 13 - CARTER MOTEUR GAUCHE 1 <p>Vue éclatée 13 pour TGB BLADE 600 FLX – retrouvez la liste complète des composants d'origine et identifiez rapidement la pièce compatible.</p> 13 - CARTER MOTEUR GAUCHE 1 <p>Vue éclatée 13 pour TGB BLADE 600 LTX ABS – retrouvez la liste complète des composants d'origine et identifiez rapidement la pièce compatible.</p> 13 - TRANSMISSION 2 <p>Vue éclatée 13 pour TGB LANDMAX 1000 – retrouvez la liste complète des composants d'origine et identifiez rapidement la pièce compatible.</p> 13 - TRANSMISSION 2 <p>Vue éclatée 13 pour TGB LANDMAX 1000 CAB – retrouvez la liste complète des composants d'origine et identifiez rapidement la pièce compatible.</p> 14 - CARTER MOTEUR GAUCHE 2 <p>Vue éclatée 14 pour TGB BLADE 550 FLX – retrouvez la liste complète des composants d'origine et identifiez rapidement la pièce compatible.</p> 14 - CARTER MOTEUR GAUCHE 2 <p>Vue éclatée 14 pour TGB BLADE 600 FLX – retrouvez la liste complète des composants d'origine et identifiez rapidement la pièce compatible.</p> 14 - CARTER MOTEUR GAUCHE 2 <p>Vue éclatée 14 pour TGB BLADE 600 LTX ABS – retrouvez la liste complète des composants d'origine et identifiez rapidement la pièce compatible.</p> 14 - VARIATEUR <p>Vue éclatée 14 pour TGB LANDMAX 1000 – retrouvez la liste complète des composants d'origine et identifiez rapidement la pièce compatible.</p> 14 - VARIATEUR <p>Vue éclatée 14 pour TGB LANDMAX 1000 CAB – retrouvez la liste complète des composants d'origine et identifiez rapidement la pièce compatible.</p> 15 - BLOCAGE DIFFERENTIEL... <p>Vue éclatée 15 pour TGB BLADE 550 FLX – retrouvez la liste complète des composants d'origine et identifiez rapidement la pièce compatible.</p> 15 - BLOCAGE DIFFERENTIEL... <p>Vue éclatée 15 pour TGB BLADE 600 FLX – retrouvez la liste complète des composants d'origine et identifiez rapidement la pièce compatible.</p> 15 - BLOCAGE DIFFERENTIEL... <p>Vue éclatée 15 pour TGB BLADE 600 LTX ABS – retrouvez la liste complète des composants d'origine et identifiez rapidement la pièce compatible.</p> 15 - ENSEMBLE ECHAPPEMENT <p>Vue éclatée 15 pour TGB LANDMAX 1000 – retrouvez la liste complète des composants d'origine et identifiez rapidement la pièce compatible.</p> 15 - ENSEMBLE ECHAPPEMENT <p>Vue éclatée 15 pour TGB LANDMAX 1000 CAB – retrouvez la liste complète des composants d'origine et identifiez rapidement la pièce compatible.</p> 16 - ENSEMBLE DIFFERENTIEL... <p>Vue éclatée 16 pour TGB BLADE 550 FLX – retrouvez la liste complète des composants d'origine et identifiez rapidement la pièce compatible.</p> 16 - ENSEMBLE DIFFERENTIEL... <p>Vue éclatée 16 pour TGB BLADE 600 FLX – retrouvez la liste complète des composants d'origine et identifiez rapidement la pièce compatible.</p> 16 - ENSEMBLE DIFFERENTIEL... <p>Vue éclatée 16 pour TGB BLADE 600 LTX ABS – retrouvez la liste complète des composants d'origine et identifiez rapidement la pièce compatible.</p> 16 - ENSEMBLE FILTRE A AIR <p>Vue éclatée 16 pour TGB LANDMAX 1000 – retrouvez la liste complète des composants d'origine et identifiez rapidement la pièce compatible.</p> 16 - ENSEMBLE FILTRE A AIR <p>Vue éclatée 16 pour TGB LANDMAX 1000 CAB – retrouvez la liste complète des composants d'origine et identifiez rapidement la pièce compatible.</p> 17 - BLOCAGE DIFFERENTIEL... <p>Vue éclatée 17 pour TGB LANDMAX 1000 – retrouvez la liste complète des composants d'origine et identifiez rapidement la pièce compatible.</p> 17 - BLOCAGE DIFFERENTIEL... <p>Vue éclatée 17 pour TGB LANDMAX 1000 CAB – retrouvez la liste complète des composants d'origine et identifiez rapidement la pièce compatible.</p> 17 - VARIATEUR <p>Vue éclatée 17 pour TGB BLADE 550 FLX – retrouvez la liste complète des composants d'origine et identifiez rapidement la pièce compatible.</p> 17 - VARIATEUR <p>Vue éclatée 17 pour TGB BLADE 600 FLX – retrouvez la liste complète des composants d'origine et identifiez rapidement la pièce compatible.</p> 17 - VARIATEUR <p>Vue éclatée 17 pour TGB BLADE 600 LTX ABS – retrouvez la liste complète des composants d'origine et identifiez rapidement la pièce compatible.</p> 18 - ENSEMBLE DIFFERENTIEL... <p>Vue éclatée 18 pour TGB LANDMAX 1000 – retrouvez la liste complète des composants d'origine et identifiez rapidement la pièce compatible.</p> 18 - ENSEMBLE DIFFERENTIEL... <p>Vue éclatée 18 pour TGB LANDMAX 1000 CAB – retrouvez la liste complète des composants d'origine et identifiez rapidement la pièce compatible.</p> 18 - ENSEMBLE ECHAPPEMENT <p>Vue éclatée 18 pour TGB BLADE 550 FLX – retrouvez la liste complète des composants d'origine et identifiez rapidement la pièce compatible.</p> 18 - ENSEMBLE ECHAPPEMENT <p>Vue éclatée 18 pour TGB BLADE 600 FLX – retrouvez la liste complète des composants d'origine et identifiez rapidement la pièce compatible.</p> 18 - ENSEMBLE ECHAPPEMENT <p>Vue éclatée 18 pour TGB BLADE 600 LTX ABS – retrouvez la liste complète des composants d'origine et identifiez rapidement la pièce compatible.</p> 19 - DIRECTION ASSISTEE <p>Vue éclatée 19 pour TGB LANDMAX 1000 – retrouvez la liste complète des composants d'origine et identifiez rapidement la pièce compatible.</p> 19 - DIRECTION ASSISTEE <p>Vue éclatée 19 pour TGB LANDMAX 1000 CAB – retrouvez la liste complète des composants d'origine et identifiez rapidement la pièce compatible.</p> 19 - ENSEMBLE FILTRE A AIR <p>Vue éclatée 19 pour TGB BLADE 550 FLX – retrouvez la liste complète des composants d'origine et identifiez rapidement la pièce compatible.</p> 19 - ENSEMBLE FILTRE A AIR <p>Vue éclatée 19 pour TGB BLADE 600 FLX – retrouvez la liste complète des composants d'origine et identifiez rapidement la pièce compatible.</p> 19 - ENSEMBLE FILTRE A AIR <p>Vue éclatée 19 pour TGB BLADE 600 LTX ABS – retrouvez la liste complète des composants d'origine et identifiez rapidement la pièce compatible.</p> 2 - SYSTEME ADMISSION <p>Vue éclatée 2 pour TGB BLADE 550 FLX – retrouvez la liste complète des composants d'origine et identifiez rapidement la pièce compatible.</p> 2 - SYSTEME ADMISSION <p>Vue éclatée 2 pour TGB BLADE 600 FLX – retrouvez la liste complète des composants d'origine et identifiez rapidement la pièce compatible.</p> 2 - SYSTEME ADMISSION <p>Vue éclatée 2 pour TGB BLADE 600 LTX ABS – retrouvez la liste complète des composants d'origine et identifiez rapidement la pièce compatible.</p> 2 - SYSTEME ADMISSION <p>Vue éclatée 2 pour TGB LANDMAX 1000 – retrouvez la liste complète des composants d'origine et identifiez rapidement la pièce compatible.</p> 2 - SYSTEME ADMISSION <p>Vue éclatée 2 pour TGB LANDMAX 1000 CAB – retrouvez la liste complète des composants d'origine et identifiez rapidement la pièce compatible.</p> 20 - ENSEMBLE REFROIDISSEMENT <p>Vue éclatée 20 pour TGB BLADE 550 FLX – retrouvez la liste complète des composants d'origine et identifiez rapidement la pièce compatible.</p> 20 - ENSEMBLE REFROIDISSEMENT <p>Vue éclatée 20 pour TGB BLADE 600 FLX – retrouvez la liste complète des composants d'origine et identifiez rapidement la pièce compatible.</p> 20 - ENSEMBLE REFROIDISSEMENT <p>Vue éclatée 20 pour TGB BLADE 600 LTX ABS – retrouvez la liste complète des composants d'origine et identifiez rapidement la pièce compatible.</p> 20 - ENSEMBLE REFROIDISSEMENT <p>Vue éclatée 20 pour TGB LANDMAX 1000 – retrouvez la liste complète des composants d'origine et identifiez rapidement la pièce compatible.</p> 20 - ENSEMBLE REFROIDISSEMENT <p>Vue éclatée 20 pour TGB LANDMAX 1000 CAB – retrouvez la liste complète des composants d'origine et identifiez rapidement la pièce compatible.</p> 21 - SYSTEME ELECTRIQUE 2 <p>Vue éclatée 21 pour TGB BLADE 550 FLX – retrouvez la liste complète des composants d'origine et identifiez rapidement la pièce compatible.</p> 21 - SYSTEME ELECTRIQUE 2 <p>Vue éclatée 21 pour TGB BLADE 600 FLX – retrouvez la liste complète des composants d'origine et identifiez rapidement la pièce compatible.</p> 21 - SYSTEME ELECTRIQUE 2 <p>Vue éclatée 21 pour TGB BLADE 600 LTX ABS – retrouvez la liste complète des composants d'origine et identifiez rapidement la pièce compatible.</p> 21 - SYSTEME ELECTRIQUE 2 <p>Vue éclatée 21 pour TGB LANDMAX 1000 – retrouvez la liste complète des composants d'origine et identifiez rapidement la pièce compatible.</p> 21 - SYSTEME ELECTRIQUE 2 <p>Vue éclatée 21 pour TGB LANDMAX 1000 CAB – retrouvez la liste complète des composants d'origine et identifiez rapidement la pièce compatible.</p> 22 - SYSTEME ELECTRIQUE 3 <p>Vue éclatée 22 pour TGB BLADE 550 FLX – retrouvez la liste complète des composants d'origine et identifiez rapidement la pièce compatible.</p> 22 - SYSTEME ELECTRIQUE 3 <p>Vue éclatée 22 pour TGB BLADE 600 FLX – retrouvez la liste complète des composants d'origine et identifiez rapidement la pièce compatible.</p> 22 - SYSTEME ELECTRIQUE 3 <p>Vue éclatée 22 pour TGB BLADE 600 LTX ABS – retrouvez la liste complète des composants d'origine et identifiez rapidement la pièce compatible.</p> 22 - SYSTEME ELECTRIQUE 3 <p>Vue éclatée 22 pour TGB LANDMAX 1000 – retrouvez la liste complète des composants d'origine et identifiez rapidement la pièce compatible.</p> 22 - SYSTEME ELECTRIQUE 3 <p>Vue éclatée 22 pour TGB LANDMAX 1000 CAB – retrouvez la liste complète des composants d'origine et identifiez rapidement la pièce compatible.</p> 23 - RELAIS SUPPORTS <p>Vue éclatée 23 pour TGB LANDMAX 1000 – retrouvez la liste complète des composants d'origine et identifiez rapidement la pièce compatible.</p> 23 - RELAIS SUPPORTS <p>Vue éclatée 23 pour TGB LANDMAX 1000 CAB – retrouvez la liste complète des composants d'origine et identifiez rapidement la pièce compatible.</p> 23 - SUPPORTS <p>Vue éclatée 23 pour TGB BLADE 550 FLX – retrouvez la liste complète des composants d'origine et identifiez rapidement la pièce compatible.</p> 23 - SUPPORTS <p>Vue éclatée 23 pour TGB BLADE 600 FLX – retrouvez la liste complète des composants d'origine et identifiez rapidement la pièce compatible.</p> 23 - SUPPORTS <p>Vue éclatée 23 pour TGB BLADE 600 LTX ABS – retrouvez la liste complète des composants d'origine et identifiez rapidement la pièce compatible.</p> 24 - CONTROLEUR... <p>Vue éclatée 24 pour TGB LANDMAX 1000 – retrouvez la liste complète des composants d'origine et identifiez rapidement la pièce compatible.</p> 24 - ECLAIRAGE INT MONITEUR... <p>Vue éclatée 24 pour TGB LANDMAX 1000 CAB – retrouvez la liste complète des composants d'origine et identifiez rapidement la pièce compatible.</p> 24 - SUPPORTS MOTEUR <p>Vue éclatée 24 pour TGB BLADE 550 FLX – retrouvez la liste complète des composants d'origine et identifiez rapidement la pièce compatible.</p> 24 - SUPPORTS MOTEUR <p>Vue éclatée 24 pour TGB BLADE 600 FLX – retrouvez la liste complète des composants d'origine et identifiez rapidement la pièce compatible.</p> 24 - SUPPORTS MOTEUR <p>Vue éclatée 24 pour TGB BLADE 600 LTX ABS – retrouvez la liste complète des composants d'origine et identifiez rapidement la pièce compatible.</p> 25 - COMPTEUR <p>Vue éclatée 25 pour TGB LANDMAX 1000 – retrouvez la liste complète des composants d'origine et identifiez rapidement la pièce compatible.</p> 25 - CONTROLEUR... <p>Vue éclatée 25 pour TGB LANDMAX 1000 CAB – retrouvez la liste complète des composants d'origine et identifiez rapidement la pièce compatible.</p> 25 - MOTEUR DE DIFFERENTIEL <p>Vue éclatée 25 pour TGB BLADE 550 FLX – retrouvez la liste complète des composants d'origine et identifiez rapidement la pièce compatible.</p> 25 - MOTEUR DE DIFFERENTIEL <p>Vue éclatée 25 pour TGB BLADE 600 FLX – retrouvez la liste complète des composants d'origine et identifiez rapidement la pièce compatible.</p> 25 - MOTEUR DE DIFFERENTIEL <p>Vue éclatée 25 pour TGB BLADE 600 LTX ABS – retrouvez la liste complète des composants d'origine et identifiez rapidement la pièce compatible.</p> 26 - COMPTEUR <p>Vue éclatée 26 pour TGB LANDMAX 1000 CAB – retrouvez la liste complète des composants d'origine et identifiez rapidement la pièce compatible.</p> 26 - DIRECTION ASSISTEE... <p>Vue éclatée 26 pour TGB BLADE 550 FLX – retrouvez la liste complète des composants d'origine et identifiez rapidement la pièce compatible.</p> 26 - DIRECTION ASSISTEE... <p>Vue éclatée 26 pour TGB BLADE 600 LTX ABS – retrouvez la liste complète des composants d'origine et identifiez rapidement la pièce compatible.</p> 26 - ECLAIRAGE AVANT <p>Vue éclatée 26 pour TGB LANDMAX 1000 – retrouvez la liste complète des composants d'origine et identifiez rapidement la pièce compatible.</p> 26 - SUPPORTS DIFFERENTIEL... <p>Vue éclatée 26 pour TGB BLADE 600 FLX – retrouvez la liste complète des composants d'origine et identifiez rapidement la pièce compatible.</p> 27 - COMPTEUR <p>Vue éclatée 27 pour TGB BLADE 550 FLX – retrouvez la liste complète des composants d'origine et identifiez rapidement la pièce compatible.</p> 27 - COMPTEUR <p>Vue éclatée 27 pour TGB BLADE 600 LTX ABS – retrouvez la liste complète des composants d'origine et identifiez rapidement la pièce compatible.</p> 27 - DIRECTION ASSISTEE... <p>Vue éclatée 27 pour TGB BLADE 600 FLX – retrouvez la liste complète des composants d'origine et identifiez rapidement la pièce compatible.</p> 27 - ECLAIRAGE ARRIERE <p>Vue éclatée 27 pour TGB LANDMAX 1000 – retrouvez la liste complète des composants d'origine et identifiez rapidement la pièce compatible.</p> 27 - ECLAIRAGE AVANT <p>Vue éclatée 27 pour TGB LANDMAX 1000 CAB – retrouvez la liste complète des composants d'origine et identifiez rapidement la pièce compatible.</p> Affichage 1-100 de 539 article(s) 1 2 3 … 6 Suivant Retour en haut
1 - MOTEUR <p>Vue éclatée 1 pour TGB LANDMAX 1000 – retrouvez la liste complète des composants d'origine et identifiez rapidement la pièce compatible.</p> 1 - MOTEUR <p>Vue éclatée 1 pour TGB LANDMAX 1000 CAB – retrouvez la liste complète des composants d'origine et identifiez rapidement la pièce compatible.</p> 10 - CARTER MOTEUR DROIT <p>Vue éclatée 10 pour TGB LANDMAX 1000 – retrouvez la liste complète des composants d'origine et identifiez rapidement la pièce compatible.</p> 10 - CARTER MOTEUR DROIT <p>Vue éclatée 10 pour TGB LANDMAX 1000 CAB – retrouvez la liste complète des composants d'origine et identifiez rapidement la pièce compatible.</p> 10 - DEBITMETRE <p>Vue éclatée 10 pour TGB BLADE 550 FLX – retrouvez la liste complète des composants d'origine et identifiez rapidement la pièce compatible.</p> 10 - DEBITMETRE <p>Vue éclatée 10 pour TGB BLADE 600 FLX – retrouvez la liste complète des composants d'origine et identifiez rapidement la pièce compatible.</p> 10 - DEBITMETRE <p>Vue éclatée 10 pour TGB BLADE 600 LTX ABS – retrouvez la liste complète des composants d'origine et identifiez rapidement la pièce compatible.</p> 11 - SYSTEME ELECTRIQUE 1 <p>Vue éclatée 11 pour TGB LANDMAX 1000 – retrouvez la liste complète des composants d'origine et identifiez rapidement la pièce compatible.</p> 11 - SYSTEME ELECTRIQUE 1 <p>Vue éclatée 11 pour TGB LANDMAX 1000 CAB – retrouvez la liste complète des composants d'origine et identifiez rapidement la pièce compatible.</p> 11 - VILEBREQUIN <p>Vue éclatée 11 pour TGB BLADE 550 FLX – retrouvez la liste complète des composants d'origine et identifiez rapidement la pièce compatible.</p> 11 - VILEBREQUIN <p>Vue éclatée 11 pour TGB BLADE 600 FLX – retrouvez la liste complète des composants d'origine et identifiez rapidement la pièce compatible.</p> 11 - VILEBREQUIN <p>Vue éclatée 11 pour TGB BLADE 600 LTX ABS – retrouvez la liste complète des composants d'origine et identifiez rapidement la pièce compatible.</p> 12 - SYSTEME ELECTRIQUE 1 <p>Vue éclatée 12 pour TGB BLADE 550 FLX – retrouvez la liste complète des composants d'origine et identifiez rapidement la pièce compatible.</p> 12 - SYSTEME ELECTRIQUE 1 <p>Vue éclatée 12 pour TGB BLADE 600 FLX – retrouvez la liste complète des composants d'origine et identifiez rapidement la pièce compatible.</p> 12 - SYSTEME ELECTRIQUE 1 <p>Vue éclatée 12 pour TGB BLADE 600 LTX ABS – retrouvez la liste complète des composants d'origine et identifiez rapidement la pièce compatible.</p> 12 - TRANSMISSION 1 <p>Vue éclatée 12 pour TGB LANDMAX 1000 – retrouvez la liste complète des composants d'origine et identifiez rapidement la pièce compatible.</p> 12 - TRANSMISSION 1 <p>Vue éclatée 12 pour TGB LANDMAX 1000 CAB – retrouvez la liste complète des composants d'origine et identifiez rapidement la pièce compatible.</p> 13 - CARTER MOTEUR GAUCHE 1 <p>Vue éclatée 13 pour TGB BLADE 550 FLX – retrouvez la liste complète des composants d'origine et identifiez rapidement la pièce compatible.</p> 13 - CARTER MOTEUR GAUCHE 1 <p>Vue éclatée 13 pour TGB BLADE 600 FLX – retrouvez la liste complète des composants d'origine et identifiez rapidement la pièce compatible.</p> 13 - CARTER MOTEUR GAUCHE 1 <p>Vue éclatée 13 pour TGB BLADE 600 LTX ABS – retrouvez la liste complète des composants d'origine et identifiez rapidement la pièce compatible.</p> 13 - TRANSMISSION 2 <p>Vue éclatée 13 pour TGB LANDMAX 1000 – retrouvez la liste complète des composants d'origine et identifiez rapidement la pièce compatible.</p> 13 - TRANSMISSION 2 <p>Vue éclatée 13 pour TGB LANDMAX 1000 CAB – retrouvez la liste complète des composants d'origine et identifiez rapidement la pièce compatible.</p> 14 - CARTER MOTEUR GAUCHE 2 <p>Vue éclatée 14 pour TGB BLADE 550 FLX – retrouvez la liste complète des composants d'origine et identifiez rapidement la pièce compatible.</p> 14 - CARTER MOTEUR GAUCHE 2 <p>Vue éclatée 14 pour TGB BLADE 600 FLX – retrouvez la liste complète des composants d'origine et identifiez rapidement la pièce compatible.</p> 14 - CARTER MOTEUR GAUCHE 2 <p>Vue éclatée 14 pour TGB BLADE 600 LTX ABS – retrouvez la liste complète des composants d'origine et identifiez rapidement la pièce compatible.</p> 14 - VARIATEUR <p>Vue éclatée 14 pour TGB LANDMAX 1000 – retrouvez la liste complète des composants d'origine et identifiez rapidement la pièce compatible.</p> 14 - VARIATEUR <p>Vue éclatée 14 pour TGB LANDMAX 1000 CAB – retrouvez la liste complète des composants d'origine et identifiez rapidement la pièce compatible.</p> 15 - BLOCAGE DIFFERENTIEL... <p>Vue éclatée 15 pour TGB BLADE 550 FLX – retrouvez la liste complète des composants d'origine et identifiez rapidement la pièce compatible.</p> 15 - BLOCAGE DIFFERENTIEL... <p>Vue éclatée 15 pour TGB BLADE 600 FLX – retrouvez la liste complète des composants d'origine et identifiez rapidement la pièce compatible.</p> 15 - BLOCAGE DIFFERENTIEL... <p>Vue éclatée 15 pour TGB BLADE 600 LTX ABS – retrouvez la liste complète des composants d'origine et identifiez rapidement la pièce compatible.</p> 15 - ENSEMBLE ECHAPPEMENT <p>Vue éclatée 15 pour TGB LANDMAX 1000 – retrouvez la liste complète des composants d'origine et identifiez rapidement la pièce compatible.</p> 15 - ENSEMBLE ECHAPPEMENT <p>Vue éclatée 15 pour TGB LANDMAX 1000 CAB – retrouvez la liste complète des composants d'origine et identifiez rapidement la pièce compatible.</p> 16 - ENSEMBLE DIFFERENTIEL... <p>Vue éclatée 16 pour TGB BLADE 550 FLX – retrouvez la liste complète des composants d'origine et identifiez rapidement la pièce compatible.</p> 16 - ENSEMBLE DIFFERENTIEL... <p>Vue éclatée 16 pour TGB BLADE 600 FLX – retrouvez la liste complète des composants d'origine et identifiez rapidement la pièce compatible.</p> 16 - ENSEMBLE DIFFERENTIEL... <p>Vue éclatée 16 pour TGB BLADE 600 LTX ABS – retrouvez la liste complète des composants d'origine et identifiez rapidement la pièce compatible.</p> 16 - ENSEMBLE FILTRE A AIR <p>Vue éclatée 16 pour TGB LANDMAX 1000 – retrouvez la liste complète des composants d'origine et identifiez rapidement la pièce compatible.</p> 16 - ENSEMBLE FILTRE A AIR <p>Vue éclatée 16 pour TGB LANDMAX 1000 CAB – retrouvez la liste complète des composants d'origine et identifiez rapidement la pièce compatible.</p> 17 - BLOCAGE DIFFERENTIEL... <p>Vue éclatée 17 pour TGB LANDMAX 1000 – retrouvez la liste complète des composants d'origine et identifiez rapidement la pièce compatible.</p> 17 - BLOCAGE DIFFERENTIEL... <p>Vue éclatée 17 pour TGB LANDMAX 1000 CAB – retrouvez la liste complète des composants d'origine et identifiez rapidement la pièce compatible.</p> 17 - VARIATEUR <p>Vue éclatée 17 pour TGB BLADE 550 FLX – retrouvez la liste complète des composants d'origine et identifiez rapidement la pièce compatible.</p> 17 - VARIATEUR <p>Vue éclatée 17 pour TGB BLADE 600 FLX – retrouvez la liste complète des composants d'origine et identifiez rapidement la pièce compatible.</p> 17 - VARIATEUR <p>Vue éclatée 17 pour TGB BLADE 600 LTX ABS – retrouvez la liste complète des composants d'origine et identifiez rapidement la pièce compatible.</p> 18 - ENSEMBLE DIFFERENTIEL... <p>Vue éclatée 18 pour TGB LANDMAX 1000 – retrouvez la liste complète des composants d'origine et identifiez rapidement la pièce compatible.</p> 18 - ENSEMBLE DIFFERENTIEL... <p>Vue éclatée 18 pour TGB LANDMAX 1000 CAB – retrouvez la liste complète des composants d'origine et identifiez rapidement la pièce compatible.</p> 18 - ENSEMBLE ECHAPPEMENT <p>Vue éclatée 18 pour TGB BLADE 550 FLX – retrouvez la liste complète des composants d'origine et identifiez rapidement la pièce compatible.</p> 18 - ENSEMBLE ECHAPPEMENT <p>Vue éclatée 18 pour TGB BLADE 600 FLX – retrouvez la liste complète des composants d'origine et identifiez rapidement la pièce compatible.</p> 18 - ENSEMBLE ECHAPPEMENT <p>Vue éclatée 18 pour TGB BLADE 600 LTX ABS – retrouvez la liste complète des composants d'origine et identifiez rapidement la pièce compatible.</p> 19 - DIRECTION ASSISTEE <p>Vue éclatée 19 pour TGB LANDMAX 1000 – retrouvez la liste complète des composants d'origine et identifiez rapidement la pièce compatible.</p> 19 - DIRECTION ASSISTEE <p>Vue éclatée 19 pour TGB LANDMAX 1000 CAB – retrouvez la liste complète des composants d'origine et identifiez rapidement la pièce compatible.</p> 19 - ENSEMBLE FILTRE A AIR <p>Vue éclatée 19 pour TGB BLADE 550 FLX – retrouvez la liste complète des composants d'origine et identifiez rapidement la pièce compatible.</p> 19 - ENSEMBLE FILTRE A AIR <p>Vue éclatée 19 pour TGB BLADE 600 FLX – retrouvez la liste complète des composants d'origine et identifiez rapidement la pièce compatible.</p> 19 - ENSEMBLE FILTRE A AIR <p>Vue éclatée 19 pour TGB BLADE 600 LTX ABS – retrouvez la liste complète des composants d'origine et identifiez rapidement la pièce compatible.</p> 2 - SYSTEME ADMISSION <p>Vue éclatée 2 pour TGB BLADE 550 FLX – retrouvez la liste complète des composants d'origine et identifiez rapidement la pièce compatible.</p> 2 - SYSTEME ADMISSION <p>Vue éclatée 2 pour TGB BLADE 600 FLX – retrouvez la liste complète des composants d'origine et identifiez rapidement la pièce compatible.</p> 2 - SYSTEME ADMISSION <p>Vue éclatée 2 pour TGB BLADE 600 LTX ABS – retrouvez la liste complète des composants d'origine et identifiez rapidement la pièce compatible.</p> 2 - SYSTEME ADMISSION <p>Vue éclatée 2 pour TGB LANDMAX 1000 – retrouvez la liste complète des composants d'origine et identifiez rapidement la pièce compatible.</p> 2 - SYSTEME ADMISSION <p>Vue éclatée 2 pour TGB LANDMAX 1000 CAB – retrouvez la liste complète des composants d'origine et identifiez rapidement la pièce compatible.</p> 20 - ENSEMBLE REFROIDISSEMENT <p>Vue éclatée 20 pour TGB BLADE 550 FLX – retrouvez la liste complète des composants d'origine et identifiez rapidement la pièce compatible.</p> 20 - ENSEMBLE REFROIDISSEMENT <p>Vue éclatée 20 pour TGB BLADE 600 FLX – retrouvez la liste complète des composants d'origine et identifiez rapidement la pièce compatible.</p> 20 - ENSEMBLE REFROIDISSEMENT <p>Vue éclatée 20 pour TGB BLADE 600 LTX ABS – retrouvez la liste complète des composants d'origine et identifiez rapidement la pièce compatible.</p> 20 - ENSEMBLE REFROIDISSEMENT <p>Vue éclatée 20 pour TGB LANDMAX 1000 – retrouvez la liste complète des composants d'origine et identifiez rapidement la pièce compatible.</p> 20 - ENSEMBLE REFROIDISSEMENT <p>Vue éclatée 20 pour TGB LANDMAX 1000 CAB – retrouvez la liste complète des composants d'origine et identifiez rapidement la pièce compatible.</p> 21 - SYSTEME ELECTRIQUE 2 <p>Vue éclatée 21 pour TGB BLADE 550 FLX – retrouvez la liste complète des composants d'origine et identifiez rapidement la pièce compatible.</p> 21 - SYSTEME ELECTRIQUE 2 <p>Vue éclatée 21 pour TGB BLADE 600 FLX – retrouvez la liste complète des composants d'origine et identifiez rapidement la pièce compatible.</p> 21 - SYSTEME ELECTRIQUE 2 <p>Vue éclatée 21 pour TGB BLADE 600 LTX ABS – retrouvez la liste complète des composants d'origine et identifiez rapidement la pièce compatible.</p> 21 - SYSTEME ELECTRIQUE 2 <p>Vue éclatée 21 pour TGB LANDMAX 1000 – retrouvez la liste complète des composants d'origine et identifiez rapidement la pièce compatible.</p> 21 - SYSTEME ELECTRIQUE 2 <p>Vue éclatée 21 pour TGB LANDMAX 1000 CAB – retrouvez la liste complète des composants d'origine et identifiez rapidement la pièce compatible.</p> 22 - SYSTEME ELECTRIQUE 3 <p>Vue éclatée 22 pour TGB BLADE 550 FLX – retrouvez la liste complète des composants d'origine et identifiez rapidement la pièce compatible.</p> 22 - SYSTEME ELECTRIQUE 3 <p>Vue éclatée 22 pour TGB BLADE 600 FLX – retrouvez la liste complète des composants d'origine et identifiez rapidement la pièce compatible.</p> 22 - SYSTEME ELECTRIQUE 3 <p>Vue éclatée 22 pour TGB BLADE 600 LTX ABS – retrouvez la liste complète des composants d'origine et identifiez rapidement la pièce compatible.</p> 22 - SYSTEME ELECTRIQUE 3 <p>Vue éclatée 22 pour TGB LANDMAX 1000 – retrouvez la liste complète des composants d'origine et identifiez rapidement la pièce compatible.</p> 22 - SYSTEME ELECTRIQUE 3 <p>Vue éclatée 22 pour TGB LANDMAX 1000 CAB – retrouvez la liste complète des composants d'origine et identifiez rapidement la pièce compatible.</p> 23 - RELAIS SUPPORTS <p>Vue éclatée 23 pour TGB LANDMAX 1000 – retrouvez la liste complète des composants d'origine et identifiez rapidement la pièce compatible.</p> 23 - RELAIS SUPPORTS <p>Vue éclatée 23 pour TGB LANDMAX 1000 CAB – retrouvez la liste complète des composants d'origine et identifiez rapidement la pièce compatible.</p> 23 - SUPPORTS <p>Vue éclatée 23 pour TGB BLADE 550 FLX – retrouvez la liste complète des composants d'origine et identifiez rapidement la pièce compatible.</p> 23 - SUPPORTS <p>Vue éclatée 23 pour TGB BLADE 600 FLX – retrouvez la liste complète des composants d'origine et identifiez rapidement la pièce compatible.</p> 23 - SUPPORTS <p>Vue éclatée 23 pour TGB BLADE 600 LTX ABS – retrouvez la liste complète des composants d'origine et identifiez rapidement la pièce compatible.</p> 24 - CONTROLEUR... <p>Vue éclatée 24 pour TGB LANDMAX 1000 – retrouvez la liste complète des composants d'origine et identifiez rapidement la pièce compatible.</p> 24 - ECLAIRAGE INT MONITEUR... <p>Vue éclatée 24 pour TGB LANDMAX 1000 CAB – retrouvez la liste complète des composants d'origine et identifiez rapidement la pièce compatible.</p> 24 - SUPPORTS MOTEUR <p>Vue éclatée 24 pour TGB BLADE 550 FLX – retrouvez la liste complète des composants d'origine et identifiez rapidement la pièce compatible.</p> 24 - SUPPORTS MOTEUR <p>Vue éclatée 24 pour TGB BLADE 600 FLX – retrouvez la liste complète des composants d'origine et identifiez rapidement la pièce compatible.</p> 24 - SUPPORTS MOTEUR <p>Vue éclatée 24 pour TGB BLADE 600 LTX ABS – retrouvez la liste complète des composants d'origine et identifiez rapidement la pièce compatible.</p> 25 - COMPTEUR <p>Vue éclatée 25 pour TGB LANDMAX 1000 – retrouvez la liste complète des composants d'origine et identifiez rapidement la pièce compatible.</p> 25 - CONTROLEUR... <p>Vue éclatée 25 pour TGB LANDMAX 1000 CAB – retrouvez la liste complète des composants d'origine et identifiez rapidement la pièce compatible.</p> 25 - MOTEUR DE DIFFERENTIEL <p>Vue éclatée 25 pour TGB BLADE 550 FLX – retrouvez la liste complète des composants d'origine et identifiez rapidement la pièce compatible.</p> 25 - MOTEUR DE DIFFERENTIEL <p>Vue éclatée 25 pour TGB BLADE 600 FLX – retrouvez la liste complète des composants d'origine et identifiez rapidement la pièce compatible.</p> 25 - MOTEUR DE DIFFERENTIEL <p>Vue éclatée 25 pour TGB BLADE 600 LTX ABS – retrouvez la liste complète des composants d'origine et identifiez rapidement la pièce compatible.</p> 26 - COMPTEUR <p>Vue éclatée 26 pour TGB LANDMAX 1000 CAB – retrouvez la liste complète des composants d'origine et identifiez rapidement la pièce compatible.</p> 26 - DIRECTION ASSISTEE... <p>Vue éclatée 26 pour TGB BLADE 550 FLX – retrouvez la liste complète des composants d'origine et identifiez rapidement la pièce compatible.</p> 26 - DIRECTION ASSISTEE... <p>Vue éclatée 26 pour TGB BLADE 600 LTX ABS – retrouvez la liste complète des composants d'origine et identifiez rapidement la pièce compatible.</p> 26 - ECLAIRAGE AVANT <p>Vue éclatée 26 pour TGB LANDMAX 1000 – retrouvez la liste complète des composants d'origine et identifiez rapidement la pièce compatible.</p> 26 - SUPPORTS DIFFERENTIEL... <p>Vue éclatée 26 pour TGB BLADE 600 FLX – retrouvez la liste complète des composants d'origine et identifiez rapidement la pièce compatible.</p> 27 - COMPTEUR <p>Vue éclatée 27 pour TGB BLADE 550 FLX – retrouvez la liste complète des composants d'origine et identifiez rapidement la pièce compatible.</p> 27 - COMPTEUR <p>Vue éclatée 27 pour TGB BLADE 600 LTX ABS – retrouvez la liste complète des composants d'origine et identifiez rapidement la pièce compatible.</p> 27 - DIRECTION ASSISTEE... <p>Vue éclatée 27 pour TGB BLADE 600 FLX – retrouvez la liste complète des composants d'origine et identifiez rapidement la pièce compatible.</p> 27 - ECLAIRAGE ARRIERE <p>Vue éclatée 27 pour TGB LANDMAX 1000 – retrouvez la liste complète des composants d'origine et identifiez rapidement la pièce compatible.</p> 27 - ECLAIRAGE AVANT <p>Vue éclatée 27 pour TGB LANDMAX 1000 CAB – retrouvez la liste complète des composants d'origine et identifiez rapidement la pièce compatible.</p> Affichage 1-100 de 539 article(s) 1 2 3 … 6 Suivant Retour en haut
1 - MOTEUR <p>Vue éclatée 1 pour TGB LANDMAX 1000 CAB – retrouvez la liste complète des composants d'origine et identifiez rapidement la pièce compatible.</p> 10 - CARTER MOTEUR DROIT <p>Vue éclatée 10 pour TGB LANDMAX 1000 – retrouvez la liste complète des composants d'origine et identifiez rapidement la pièce compatible.</p> 10 - CARTER MOTEUR DROIT <p>Vue éclatée 10 pour TGB LANDMAX 1000 CAB – retrouvez la liste complète des composants d'origine et identifiez rapidement la pièce compatible.</p> 10 - DEBITMETRE <p>Vue éclatée 10 pour TGB BLADE 550 FLX – retrouvez la liste complète des composants d'origine et identifiez rapidement la pièce compatible.</p> 10 - DEBITMETRE <p>Vue éclatée 10 pour TGB BLADE 600 FLX – retrouvez la liste complète des composants d'origine et identifiez rapidement la pièce compatible.</p> 10 - DEBITMETRE <p>Vue éclatée 10 pour TGB BLADE 600 LTX ABS – retrouvez la liste complète des composants d'origine et identifiez rapidement la pièce compatible.</p> 11 - SYSTEME ELECTRIQUE 1 <p>Vue éclatée 11 pour TGB LANDMAX 1000 – retrouvez la liste complète des composants d'origine et identifiez rapidement la pièce compatible.</p> 11 - SYSTEME ELECTRIQUE 1 <p>Vue éclatée 11 pour TGB LANDMAX 1000 CAB – retrouvez la liste complète des composants d'origine et identifiez rapidement la pièce compatible.</p> 11 - VILEBREQUIN <p>Vue éclatée 11 pour TGB BLADE 550 FLX – retrouvez la liste complète des composants d'origine et identifiez rapidement la pièce compatible.</p> 11 - VILEBREQUIN <p>Vue éclatée 11 pour TGB BLADE 600 FLX – retrouvez la liste complète des composants d'origine et identifiez rapidement la pièce compatible.</p> 11 - VILEBREQUIN <p>Vue éclatée 11 pour TGB BLADE 600 LTX ABS – retrouvez la liste complète des composants d'origine et identifiez rapidement la pièce compatible.</p> 12 - SYSTEME ELECTRIQUE 1 <p>Vue éclatée 12 pour TGB BLADE 550 FLX – retrouvez la liste complète des composants d'origine et identifiez rapidement la pièce compatible.</p> 12 - SYSTEME ELECTRIQUE 1 <p>Vue éclatée 12 pour TGB BLADE 600 FLX – retrouvez la liste complète des composants d'origine et identifiez rapidement la pièce compatible.</p> 12 - SYSTEME ELECTRIQUE 1 <p>Vue éclatée 12 pour TGB BLADE 600 LTX ABS – retrouvez la liste complète des composants d'origine et identifiez rapidement la pièce compatible.</p> 12 - TRANSMISSION 1 <p>Vue éclatée 12 pour TGB LANDMAX 1000 – retrouvez la liste complète des composants d'origine et identifiez rapidement la pièce compatible.</p> 12 - TRANSMISSION 1 <p>Vue éclatée 12 pour TGB LANDMAX 1000 CAB – retrouvez la liste complète des composants d'origine et identifiez rapidement la pièce compatible.</p> 13 - CARTER MOTEUR GAUCHE 1 <p>Vue éclatée 13 pour TGB BLADE 550 FLX – retrouvez la liste complète des composants d'origine et identifiez rapidement la pièce compatible.</p> 13 - CARTER MOTEUR GAUCHE 1 <p>Vue éclatée 13 pour TGB BLADE 600 FLX – retrouvez la liste complète des composants d'origine et identifiez rapidement la pièce compatible.</p> 13 - CARTER MOTEUR GAUCHE 1 <p>Vue éclatée 13 pour TGB BLADE 600 LTX ABS – retrouvez la liste complète des composants d'origine et identifiez rapidement la pièce compatible.</p> 13 - TRANSMISSION 2 <p>Vue éclatée 13 pour TGB LANDMAX 1000 – retrouvez la liste complète des composants d'origine et identifiez rapidement la pièce compatible.</p> 13 - TRANSMISSION 2 <p>Vue éclatée 13 pour TGB LANDMAX 1000 CAB – retrouvez la liste complète des composants d'origine et identifiez rapidement la pièce compatible.</p> 14 - CARTER MOTEUR GAUCHE 2 <p>Vue éclatée 14 pour TGB BLADE 550 FLX – retrouvez la liste complète des composants d'origine et identifiez rapidement la pièce compatible.</p> 14 - CARTER MOTEUR GAUCHE 2 <p>Vue éclatée 14 pour TGB BLADE 600 FLX – retrouvez la liste complète des composants d'origine et identifiez rapidement la pièce compatible.</p> 14 - CARTER MOTEUR GAUCHE 2 <p>Vue éclatée 14 pour TGB BLADE 600 LTX ABS – retrouvez la liste complète des composants d'origine et identifiez rapidement la pièce compatible.</p> 14 - VARIATEUR <p>Vue éclatée 14 pour TGB LANDMAX 1000 – retrouvez la liste complète des composants d'origine et identifiez rapidement la pièce compatible.</p> 14 - VARIATEUR <p>Vue éclatée 14 pour TGB LANDMAX 1000 CAB – retrouvez la liste complète des composants d'origine et identifiez rapidement la pièce compatible.</p> 15 - BLOCAGE DIFFERENTIEL... <p>Vue éclatée 15 pour TGB BLADE 550 FLX – retrouvez la liste complète des composants d'origine et identifiez rapidement la pièce compatible.</p> 15 - BLOCAGE DIFFERENTIEL... <p>Vue éclatée 15 pour TGB BLADE 600 FLX – retrouvez la liste complète des composants d'origine et identifiez rapidement la pièce compatible.</p> 15 - BLOCAGE DIFFERENTIEL... <p>Vue éclatée 15 pour TGB BLADE 600 LTX ABS – retrouvez la liste complète des composants d'origine et identifiez rapidement la pièce compatible.</p> 15 - ENSEMBLE ECHAPPEMENT <p>Vue éclatée 15 pour TGB LANDMAX 1000 – retrouvez la liste complète des composants d'origine et identifiez rapidement la pièce compatible.</p> 15 - ENSEMBLE ECHAPPEMENT <p>Vue éclatée 15 pour TGB LANDMAX 1000 CAB – retrouvez la liste complète des composants d'origine et identifiez rapidement la pièce compatible.</p> 16 - ENSEMBLE DIFFERENTIEL... <p>Vue éclatée 16 pour TGB BLADE 550 FLX – retrouvez la liste complète des composants d'origine et identifiez rapidement la pièce compatible.</p> 16 - ENSEMBLE DIFFERENTIEL... <p>Vue éclatée 16 pour TGB BLADE 600 FLX – retrouvez la liste complète des composants d'origine et identifiez rapidement la pièce compatible.</p> 16 - ENSEMBLE DIFFERENTIEL... <p>Vue éclatée 16 pour TGB BLADE 600 LTX ABS – retrouvez la liste complète des composants d'origine et identifiez rapidement la pièce compatible.</p> 16 - ENSEMBLE FILTRE A AIR <p>Vue éclatée 16 pour TGB LANDMAX 1000 – retrouvez la liste complète des composants d'origine et identifiez rapidement la pièce compatible.</p> 16 - ENSEMBLE FILTRE A AIR <p>Vue éclatée 16 pour TGB LANDMAX 1000 CAB – retrouvez la liste complète des composants d'origine et identifiez rapidement la pièce compatible.</p> 17 - BLOCAGE DIFFERENTIEL... <p>Vue éclatée 17 pour TGB LANDMAX 1000 – retrouvez la liste complète des composants d'origine et identifiez rapidement la pièce compatible.</p> 17 - BLOCAGE DIFFERENTIEL... <p>Vue éclatée 17 pour TGB LANDMAX 1000 CAB – retrouvez la liste complète des composants d'origine et identifiez rapidement la pièce compatible.</p> 17 - VARIATEUR <p>Vue éclatée 17 pour TGB BLADE 550 FLX – retrouvez la liste complète des composants d'origine et identifiez rapidement la pièce compatible.</p> 17 - VARIATEUR <p>Vue éclatée 17 pour TGB BLADE 600 FLX – retrouvez la liste complète des composants d'origine et identifiez rapidement la pièce compatible.</p> 17 - VARIATEUR <p>Vue éclatée 17 pour TGB BLADE 600 LTX ABS – retrouvez la liste complète des composants d'origine et identifiez rapidement la pièce compatible.</p> 18 - ENSEMBLE DIFFERENTIEL... <p>Vue éclatée 18 pour TGB LANDMAX 1000 – retrouvez la liste complète des composants d'origine et identifiez rapidement la pièce compatible.</p> 18 - ENSEMBLE DIFFERENTIEL... <p>Vue éclatée 18 pour TGB LANDMAX 1000 CAB – retrouvez la liste complète des composants d'origine et identifiez rapidement la pièce compatible.</p> 18 - ENSEMBLE ECHAPPEMENT <p>Vue éclatée 18 pour TGB BLADE 550 FLX – retrouvez la liste complète des composants d'origine et identifiez rapidement la pièce compatible.</p> 18 - ENSEMBLE ECHAPPEMENT <p>Vue éclatée 18 pour TGB BLADE 600 FLX – retrouvez la liste complète des composants d'origine et identifiez rapidement la pièce compatible.</p> 18 - ENSEMBLE ECHAPPEMENT <p>Vue éclatée 18 pour TGB BLADE 600 LTX ABS – retrouvez la liste complète des composants d'origine et identifiez rapidement la pièce compatible.</p> 19 - DIRECTION ASSISTEE <p>Vue éclatée 19 pour TGB LANDMAX 1000 – retrouvez la liste complète des composants d'origine et identifiez rapidement la pièce compatible.</p> 19 - DIRECTION ASSISTEE <p>Vue éclatée 19 pour TGB LANDMAX 1000 CAB – retrouvez la liste complète des composants d'origine et identifiez rapidement la pièce compatible.</p> 19 - ENSEMBLE FILTRE A AIR <p>Vue éclatée 19 pour TGB BLADE 550 FLX – retrouvez la liste complète des composants d'origine et identifiez rapidement la pièce compatible.</p> 19 - ENSEMBLE FILTRE A AIR <p>Vue éclatée 19 pour TGB BLADE 600 FLX – retrouvez la liste complète des composants d'origine et identifiez rapidement la pièce compatible.</p> 19 - ENSEMBLE FILTRE A AIR <p>Vue éclatée 19 pour TGB BLADE 600 LTX ABS – retrouvez la liste complète des composants d'origine et identifiez rapidement la pièce compatible.</p> 2 - SYSTEME ADMISSION <p>Vue éclatée 2 pour TGB BLADE 550 FLX – retrouvez la liste complète des composants d'origine et identifiez rapidement la pièce compatible.</p> 2 - SYSTEME ADMISSION <p>Vue éclatée 2 pour TGB BLADE 600 FLX – retrouvez la liste complète des composants d'origine et identifiez rapidement la pièce compatible.</p> 2 - SYSTEME ADMISSION <p>Vue éclatée 2 pour TGB BLADE 600 LTX ABS – retrouvez la liste complète des composants d'origine et identifiez rapidement la pièce compatible.</p> 2 - SYSTEME ADMISSION <p>Vue éclatée 2 pour TGB LANDMAX 1000 – retrouvez la liste complète des composants d'origine et identifiez rapidement la pièce compatible.</p> 2 - SYSTEME ADMISSION <p>Vue éclatée 2 pour TGB LANDMAX 1000 CAB – retrouvez la liste complète des composants d'origine et identifiez rapidement la pièce compatible.</p> 20 - ENSEMBLE REFROIDISSEMENT <p>Vue éclatée 20 pour TGB BLADE 550 FLX – retrouvez la liste complète des composants d'origine et identifiez rapidement la pièce compatible.</p> 20 - ENSEMBLE REFROIDISSEMENT <p>Vue éclatée 20 pour TGB BLADE 600 FLX – retrouvez la liste complète des composants d'origine et identifiez rapidement la pièce compatible.</p> 20 - ENSEMBLE REFROIDISSEMENT <p>Vue éclatée 20 pour TGB BLADE 600 LTX ABS – retrouvez la liste complète des composants d'origine et identifiez rapidement la pièce compatible.</p> 20 - ENSEMBLE REFROIDISSEMENT <p>Vue éclatée 20 pour TGB LANDMAX 1000 – retrouvez la liste complète des composants d'origine et identifiez rapidement la pièce compatible.</p> 20 - ENSEMBLE REFROIDISSEMENT <p>Vue éclatée 20 pour TGB LANDMAX 1000 CAB – retrouvez la liste complète des composants d'origine et identifiez rapidement la pièce compatible.</p> 21 - SYSTEME ELECTRIQUE 2 <p>Vue éclatée 21 pour TGB BLADE 550 FLX – retrouvez la liste complète des composants d'origine et identifiez rapidement la pièce compatible.</p> 21 - SYSTEME ELECTRIQUE 2 <p>Vue éclatée 21 pour TGB BLADE 600 FLX – retrouvez la liste complète des composants d'origine et identifiez rapidement la pièce compatible.</p> 21 - SYSTEME ELECTRIQUE 2 <p>Vue éclatée 21 pour TGB BLADE 600 LTX ABS – retrouvez la liste complète des composants d'origine et identifiez rapidement la pièce compatible.</p> 21 - SYSTEME ELECTRIQUE 2 <p>Vue éclatée 21 pour TGB LANDMAX 1000 – retrouvez la liste complète des composants d'origine et identifiez rapidement la pièce compatible.</p> 21 - SYSTEME ELECTRIQUE 2 <p>Vue éclatée 21 pour TGB LANDMAX 1000 CAB – retrouvez la liste complète des composants d'origine et identifiez rapidement la pièce compatible.</p> 22 - SYSTEME ELECTRIQUE 3 <p>Vue éclatée 22 pour TGB BLADE 550 FLX – retrouvez la liste complète des composants d'origine et identifiez rapidement la pièce compatible.</p> 22 - SYSTEME ELECTRIQUE 3 <p>Vue éclatée 22 pour TGB BLADE 600 FLX – retrouvez la liste complète des composants d'origine et identifiez rapidement la pièce compatible.</p> 22 - SYSTEME ELECTRIQUE 3 <p>Vue éclatée 22 pour TGB BLADE 600 LTX ABS – retrouvez la liste complète des composants d'origine et identifiez rapidement la pièce compatible.</p> 22 - SYSTEME ELECTRIQUE 3 <p>Vue éclatée 22 pour TGB LANDMAX 1000 – retrouvez la liste complète des composants d'origine et identifiez rapidement la pièce compatible.</p> 22 - SYSTEME ELECTRIQUE 3 <p>Vue éclatée 22 pour TGB LANDMAX 1000 CAB – retrouvez la liste complète des composants d'origine et identifiez rapidement la pièce compatible.</p> 23 - RELAIS SUPPORTS <p>Vue éclatée 23 pour TGB LANDMAX 1000 – retrouvez la liste complète des composants d'origine et identifiez rapidement la pièce compatible.</p> 23 - RELAIS SUPPORTS <p>Vue éclatée 23 pour TGB LANDMAX 1000 CAB – retrouvez la liste complète des composants d'origine et identifiez rapidement la pièce compatible.</p> 23 - SUPPORTS <p>Vue éclatée 23 pour TGB BLADE 550 FLX – retrouvez la liste complète des composants d'origine et identifiez rapidement la pièce compatible.</p> 23 - SUPPORTS <p>Vue éclatée 23 pour TGB BLADE 600 FLX – retrouvez la liste complète des composants d'origine et identifiez rapidement la pièce compatible.</p> 23 - SUPPORTS <p>Vue éclatée 23 pour TGB BLADE 600 LTX ABS – retrouvez la liste complète des composants d'origine et identifiez rapidement la pièce compatible.</p> 24 - CONTROLEUR... <p>Vue éclatée 24 pour TGB LANDMAX 1000 – retrouvez la liste complète des composants d'origine et identifiez rapidement la pièce compatible.</p> 24 - ECLAIRAGE INT MONITEUR... <p>Vue éclatée 24 pour TGB LANDMAX 1000 CAB – retrouvez la liste complète des composants d'origine et identifiez rapidement la pièce compatible.</p> 24 - SUPPORTS MOTEUR <p>Vue éclatée 24 pour TGB BLADE 550 FLX – retrouvez la liste complète des composants d'origine et identifiez rapidement la pièce compatible.</p> 24 - SUPPORTS MOTEUR <p>Vue éclatée 24 pour TGB BLADE 600 FLX – retrouvez la liste complète des composants d'origine et identifiez rapidement la pièce compatible.</p> 24 - SUPPORTS MOTEUR <p>Vue éclatée 24 pour TGB BLADE 600 LTX ABS – retrouvez la liste complète des composants d'origine et identifiez rapidement la pièce compatible.</p> 25 - COMPTEUR <p>Vue éclatée 25 pour TGB LANDMAX 1000 – retrouvez la liste complète des composants d'origine et identifiez rapidement la pièce compatible.</p> 25 - CONTROLEUR... <p>Vue éclatée 25 pour TGB LANDMAX 1000 CAB – retrouvez la liste complète des composants d'origine et identifiez rapidement la pièce compatible.</p> 25 - MOTEUR DE DIFFERENTIEL <p>Vue éclatée 25 pour TGB BLADE 550 FLX – retrouvez la liste complète des composants d'origine et identifiez rapidement la pièce compatible.</p> 25 - MOTEUR DE DIFFERENTIEL <p>Vue éclatée 25 pour TGB BLADE 600 FLX – retrouvez la liste complète des composants d'origine et identifiez rapidement la pièce compatible.</p> 25 - MOTEUR DE DIFFERENTIEL <p>Vue éclatée 25 pour TGB BLADE 600 LTX ABS – retrouvez la liste complète des composants d'origine et identifiez rapidement la pièce compatible.</p> 26 - COMPTEUR <p>Vue éclatée 26 pour TGB LANDMAX 1000 CAB – retrouvez la liste complète des composants d'origine et identifiez rapidement la pièce compatible.</p> 26 - DIRECTION ASSISTEE... <p>Vue éclatée 26 pour TGB BLADE 550 FLX – retrouvez la liste complète des composants d'origine et identifiez rapidement la pièce compatible.</p> 26 - DIRECTION ASSISTEE... <p>Vue éclatée 26 pour TGB BLADE 600 LTX ABS – retrouvez la liste complète des composants d'origine et identifiez rapidement la pièce compatible.</p> 26 - ECLAIRAGE AVANT <p>Vue éclatée 26 pour TGB LANDMAX 1000 – retrouvez la liste complète des composants d'origine et identifiez rapidement la pièce compatible.</p> 26 - SUPPORTS DIFFERENTIEL... <p>Vue éclatée 26 pour TGB BLADE 600 FLX – retrouvez la liste complète des composants d'origine et identifiez rapidement la pièce compatible.</p> 27 - COMPTEUR <p>Vue éclatée 27 pour TGB BLADE 550 FLX – retrouvez la liste complète des composants d'origine et identifiez rapidement la pièce compatible.</p> 27 - COMPTEUR <p>Vue éclatée 27 pour TGB BLADE 600 LTX ABS – retrouvez la liste complète des composants d'origine et identifiez rapidement la pièce compatible.</p> 27 - DIRECTION ASSISTEE... <p>Vue éclatée 27 pour TGB BLADE 600 FLX – retrouvez la liste complète des composants d'origine et identifiez rapidement la pièce compatible.</p> 27 - ECLAIRAGE ARRIERE <p>Vue éclatée 27 pour TGB LANDMAX 1000 – retrouvez la liste complète des composants d'origine et identifiez rapidement la pièce compatible.</p> 27 - ECLAIRAGE AVANT <p>Vue éclatée 27 pour TGB LANDMAX 1000 CAB – retrouvez la liste complète des composants d'origine et identifiez rapidement la pièce compatible.</p> Affichage 1-100 de 539 article(s) 1 2 3 … 6 Suivant Retour en haut
10 - CARTER MOTEUR DROIT <p>Vue éclatée 10 pour TGB LANDMAX 1000 – retrouvez la liste complète des composants d'origine et identifiez rapidement la pièce compatible.</p> 10 - CARTER MOTEUR DROIT <p>Vue éclatée 10 pour TGB LANDMAX 1000 CAB – retrouvez la liste complète des composants d'origine et identifiez rapidement la pièce compatible.</p> 10 - DEBITMETRE <p>Vue éclatée 10 pour TGB BLADE 550 FLX – retrouvez la liste complète des composants d'origine et identifiez rapidement la pièce compatible.</p> 10 - DEBITMETRE <p>Vue éclatée 10 pour TGB BLADE 600 FLX – retrouvez la liste complète des composants d'origine et identifiez rapidement la pièce compatible.</p> 10 - DEBITMETRE <p>Vue éclatée 10 pour TGB BLADE 600 LTX ABS – retrouvez la liste complète des composants d'origine et identifiez rapidement la pièce compatible.</p> 11 - SYSTEME ELECTRIQUE 1 <p>Vue éclatée 11 pour TGB LANDMAX 1000 – retrouvez la liste complète des composants d'origine et identifiez rapidement la pièce compatible.</p> 11 - SYSTEME ELECTRIQUE 1 <p>Vue éclatée 11 pour TGB LANDMAX 1000 CAB – retrouvez la liste complète des composants d'origine et identifiez rapidement la pièce compatible.</p> 11 - VILEBREQUIN <p>Vue éclatée 11 pour TGB BLADE 550 FLX – retrouvez la liste complète des composants d'origine et identifiez rapidement la pièce compatible.</p> 11 - VILEBREQUIN <p>Vue éclatée 11 pour TGB BLADE 600 FLX – retrouvez la liste complète des composants d'origine et identifiez rapidement la pièce compatible.</p> 11 - VILEBREQUIN <p>Vue éclatée 11 pour TGB BLADE 600 LTX ABS – retrouvez la liste complète des composants d'origine et identifiez rapidement la pièce compatible.</p> 12 - SYSTEME ELECTRIQUE 1 <p>Vue éclatée 12 pour TGB BLADE 550 FLX – retrouvez la liste complète des composants d'origine et identifiez rapidement la pièce compatible.</p> 12 - SYSTEME ELECTRIQUE 1 <p>Vue éclatée 12 pour TGB BLADE 600 FLX – retrouvez la liste complète des composants d'origine et identifiez rapidement la pièce compatible.</p> 12 - SYSTEME ELECTRIQUE 1 <p>Vue éclatée 12 pour TGB BLADE 600 LTX ABS – retrouvez la liste complète des composants d'origine et identifiez rapidement la pièce compatible.</p> 12 - TRANSMISSION 1 <p>Vue éclatée 12 pour TGB LANDMAX 1000 – retrouvez la liste complète des composants d'origine et identifiez rapidement la pièce compatible.</p> 12 - TRANSMISSION 1 <p>Vue éclatée 12 pour TGB LANDMAX 1000 CAB – retrouvez la liste complète des composants d'origine et identifiez rapidement la pièce compatible.</p> 13 - CARTER MOTEUR GAUCHE 1 <p>Vue éclatée 13 pour TGB BLADE 550 FLX – retrouvez la liste complète des composants d'origine et identifiez rapidement la pièce compatible.</p> 13 - CARTER MOTEUR GAUCHE 1 <p>Vue éclatée 13 pour TGB BLADE 600 FLX – retrouvez la liste complète des composants d'origine et identifiez rapidement la pièce compatible.</p> 13 - CARTER MOTEUR GAUCHE 1 <p>Vue éclatée 13 pour TGB BLADE 600 LTX ABS – retrouvez la liste complète des composants d'origine et identifiez rapidement la pièce compatible.</p> 13 - TRANSMISSION 2 <p>Vue éclatée 13 pour TGB LANDMAX 1000 – retrouvez la liste complète des composants d'origine et identifiez rapidement la pièce compatible.</p> 13 - TRANSMISSION 2 <p>Vue éclatée 13 pour TGB LANDMAX 1000 CAB – retrouvez la liste complète des composants d'origine et identifiez rapidement la pièce compatible.</p> 14 - CARTER MOTEUR GAUCHE 2 <p>Vue éclatée 14 pour TGB BLADE 550 FLX – retrouvez la liste complète des composants d'origine et identifiez rapidement la pièce compatible.</p> 14 - CARTER MOTEUR GAUCHE 2 <p>Vue éclatée 14 pour TGB BLADE 600 FLX – retrouvez la liste complète des composants d'origine et identifiez rapidement la pièce compatible.</p> 14 - CARTER MOTEUR GAUCHE 2 <p>Vue éclatée 14 pour TGB BLADE 600 LTX ABS – retrouvez la liste complète des composants d'origine et identifiez rapidement la pièce compatible.</p> 14 - VARIATEUR <p>Vue éclatée 14 pour TGB LANDMAX 1000 – retrouvez la liste complète des composants d'origine et identifiez rapidement la pièce compatible.</p> 14 - VARIATEUR <p>Vue éclatée 14 pour TGB LANDMAX 1000 CAB – retrouvez la liste complète des composants d'origine et identifiez rapidement la pièce compatible.</p> 15 - BLOCAGE DIFFERENTIEL... <p>Vue éclatée 15 pour TGB BLADE 550 FLX – retrouvez la liste complète des composants d'origine et identifiez rapidement la pièce compatible.</p> 15 - BLOCAGE DIFFERENTIEL... <p>Vue éclatée 15 pour TGB BLADE 600 FLX – retrouvez la liste complète des composants d'origine et identifiez rapidement la pièce compatible.</p> 15 - BLOCAGE DIFFERENTIEL... <p>Vue éclatée 15 pour TGB BLADE 600 LTX ABS – retrouvez la liste complète des composants d'origine et identifiez rapidement la pièce compatible.</p> 15 - ENSEMBLE ECHAPPEMENT <p>Vue éclatée 15 pour TGB LANDMAX 1000 – retrouvez la liste complète des composants d'origine et identifiez rapidement la pièce compatible.</p> 15 - ENSEMBLE ECHAPPEMENT <p>Vue éclatée 15 pour TGB LANDMAX 1000 CAB – retrouvez la liste complète des composants d'origine et identifiez rapidement la pièce compatible.</p> 16 - ENSEMBLE DIFFERENTIEL... <p>Vue éclatée 16 pour TGB BLADE 550 FLX – retrouvez la liste complète des composants d'origine et identifiez rapidement la pièce compatible.</p> 16 - ENSEMBLE DIFFERENTIEL... <p>Vue éclatée 16 pour TGB BLADE 600 FLX – retrouvez la liste complète des composants d'origine et identifiez rapidement la pièce compatible.</p> 16 - ENSEMBLE DIFFERENTIEL... <p>Vue éclatée 16 pour TGB BLADE 600 LTX ABS – retrouvez la liste complète des composants d'origine et identifiez rapidement la pièce compatible.</p> 16 - ENSEMBLE FILTRE A AIR <p>Vue éclatée 16 pour TGB LANDMAX 1000 – retrouvez la liste complète des composants d'origine et identifiez rapidement la pièce compatible.</p> 16 - ENSEMBLE FILTRE A AIR <p>Vue éclatée 16 pour TGB LANDMAX 1000 CAB – retrouvez la liste complète des composants d'origine et identifiez rapidement la pièce compatible.</p> 17 - BLOCAGE DIFFERENTIEL... <p>Vue éclatée 17 pour TGB LANDMAX 1000 – retrouvez la liste complète des composants d'origine et identifiez rapidement la pièce compatible.</p> 17 - BLOCAGE DIFFERENTIEL... <p>Vue éclatée 17 pour TGB LANDMAX 1000 CAB – retrouvez la liste complète des composants d'origine et identifiez rapidement la pièce compatible.</p> 17 - VARIATEUR <p>Vue éclatée 17 pour TGB BLADE 550 FLX – retrouvez la liste complète des composants d'origine et identifiez rapidement la pièce compatible.</p> 17 - VARIATEUR <p>Vue éclatée 17 pour TGB BLADE 600 FLX – retrouvez la liste complète des composants d'origine et identifiez rapidement la pièce compatible.</p> 17 - VARIATEUR <p>Vue éclatée 17 pour TGB BLADE 600 LTX ABS – retrouvez la liste complète des composants d'origine et identifiez rapidement la pièce compatible.</p> 18 - ENSEMBLE DIFFERENTIEL... <p>Vue éclatée 18 pour TGB LANDMAX 1000 – retrouvez la liste complète des composants d'origine et identifiez rapidement la pièce compatible.</p> 18 - ENSEMBLE DIFFERENTIEL... <p>Vue éclatée 18 pour TGB LANDMAX 1000 CAB – retrouvez la liste complète des composants d'origine et identifiez rapidement la pièce compatible.</p> 18 - ENSEMBLE ECHAPPEMENT <p>Vue éclatée 18 pour TGB BLADE 550 FLX – retrouvez la liste complète des composants d'origine et identifiez rapidement la pièce compatible.</p> 18 - ENSEMBLE ECHAPPEMENT <p>Vue éclatée 18 pour TGB BLADE 600 FLX – retrouvez la liste complète des composants d'origine et identifiez rapidement la pièce compatible.</p> 18 - ENSEMBLE ECHAPPEMENT <p>Vue éclatée 18 pour TGB BLADE 600 LTX ABS – retrouvez la liste complète des composants d'origine et identifiez rapidement la pièce compatible.</p> 19 - DIRECTION ASSISTEE <p>Vue éclatée 19 pour TGB LANDMAX 1000 – retrouvez la liste complète des composants d'origine et identifiez rapidement la pièce compatible.</p> 19 - DIRECTION ASSISTEE <p>Vue éclatée 19 pour TGB LANDMAX 1000 CAB – retrouvez la liste complète des composants d'origine et identifiez rapidement la pièce compatible.</p> 19 - ENSEMBLE FILTRE A AIR <p>Vue éclatée 19 pour TGB BLADE 550 FLX – retrouvez la liste complète des composants d'origine et identifiez rapidement la pièce compatible.</p> 19 - ENSEMBLE FILTRE A AIR <p>Vue éclatée 19 pour TGB BLADE 600 FLX – retrouvez la liste complète des composants d'origine et identifiez rapidement la pièce compatible.</p> 19 - ENSEMBLE FILTRE A AIR <p>Vue éclatée 19 pour TGB BLADE 600 LTX ABS – retrouvez la liste complète des composants d'origine et identifiez rapidement la pièce compatible.</p> 2 - SYSTEME ADMISSION <p>Vue éclatée 2 pour TGB BLADE 550 FLX – retrouvez la liste complète des composants d'origine et identifiez rapidement la pièce compatible.</p> 2 - SYSTEME ADMISSION <p>Vue éclatée 2 pour TGB BLADE 600 FLX – retrouvez la liste complète des composants d'origine et identifiez rapidement la pièce compatible.</p> 2 - SYSTEME ADMISSION <p>Vue éclatée 2 pour TGB BLADE 600 LTX ABS – retrouvez la liste complète des composants d'origine et identifiez rapidement la pièce compatible.</p> 2 - SYSTEME ADMISSION <p>Vue éclatée 2 pour TGB LANDMAX 1000 – retrouvez la liste complète des composants d'origine et identifiez rapidement la pièce compatible.</p> 2 - SYSTEME ADMISSION <p>Vue éclatée 2 pour TGB LANDMAX 1000 CAB – retrouvez la liste complète des composants d'origine et identifiez rapidement la pièce compatible.</p> 20 - ENSEMBLE REFROIDISSEMENT <p>Vue éclatée 20 pour TGB BLADE 550 FLX – retrouvez la liste complète des composants d'origine et identifiez rapidement la pièce compatible.</p> 20 - ENSEMBLE REFROIDISSEMENT <p>Vue éclatée 20 pour TGB BLADE 600 FLX – retrouvez la liste complète des composants d'origine et identifiez rapidement la pièce compatible.</p> 20 - ENSEMBLE REFROIDISSEMENT <p>Vue éclatée 20 pour TGB BLADE 600 LTX ABS – retrouvez la liste complète des composants d'origine et identifiez rapidement la pièce compatible.</p> 20 - ENSEMBLE REFROIDISSEMENT <p>Vue éclatée 20 pour TGB LANDMAX 1000 – retrouvez la liste complète des composants d'origine et identifiez rapidement la pièce compatible.</p> 20 - ENSEMBLE REFROIDISSEMENT <p>Vue éclatée 20 pour TGB LANDMAX 1000 CAB – retrouvez la liste complète des composants d'origine et identifiez rapidement la pièce compatible.</p> 21 - SYSTEME ELECTRIQUE 2 <p>Vue éclatée 21 pour TGB BLADE 550 FLX – retrouvez la liste complète des composants d'origine et identifiez rapidement la pièce compatible.</p> 21 - SYSTEME ELECTRIQUE 2 <p>Vue éclatée 21 pour TGB BLADE 600 FLX – retrouvez la liste complète des composants d'origine et identifiez rapidement la pièce compatible.</p> 21 - SYSTEME ELECTRIQUE 2 <p>Vue éclatée 21 pour TGB BLADE 600 LTX ABS – retrouvez la liste complète des composants d'origine et identifiez rapidement la pièce compatible.</p> 21 - SYSTEME ELECTRIQUE 2 <p>Vue éclatée 21 pour TGB LANDMAX 1000 – retrouvez la liste complète des composants d'origine et identifiez rapidement la pièce compatible.</p> 21 - SYSTEME ELECTRIQUE 2 <p>Vue éclatée 21 pour TGB LANDMAX 1000 CAB – retrouvez la liste complète des composants d'origine et identifiez rapidement la pièce compatible.</p> 22 - SYSTEME ELECTRIQUE 3 <p>Vue éclatée 22 pour TGB BLADE 550 FLX – retrouvez la liste complète des composants d'origine et identifiez rapidement la pièce compatible.</p> 22 - SYSTEME ELECTRIQUE 3 <p>Vue éclatée 22 pour TGB BLADE 600 FLX – retrouvez la liste complète des composants d'origine et identifiez rapidement la pièce compatible.</p> 22 - SYSTEME ELECTRIQUE 3 <p>Vue éclatée 22 pour TGB BLADE 600 LTX ABS – retrouvez la liste complète des composants d'origine et identifiez rapidement la pièce compatible.</p> 22 - SYSTEME ELECTRIQUE 3 <p>Vue éclatée 22 pour TGB LANDMAX 1000 – retrouvez la liste complète des composants d'origine et identifiez rapidement la pièce compatible.</p> 22 - SYSTEME ELECTRIQUE 3 <p>Vue éclatée 22 pour TGB LANDMAX 1000 CAB – retrouvez la liste complète des composants d'origine et identifiez rapidement la pièce compatible.</p> 23 - RELAIS SUPPORTS <p>Vue éclatée 23 pour TGB LANDMAX 1000 – retrouvez la liste complète des composants d'origine et identifiez rapidement la pièce compatible.</p> 23 - RELAIS SUPPORTS <p>Vue éclatée 23 pour TGB LANDMAX 1000 CAB – retrouvez la liste complète des composants d'origine et identifiez rapidement la pièce compatible.</p> 23 - SUPPORTS <p>Vue éclatée 23 pour TGB BLADE 550 FLX – retrouvez la liste complète des composants d'origine et identifiez rapidement la pièce compatible.</p> 23 - SUPPORTS <p>Vue éclatée 23 pour TGB BLADE 600 FLX – retrouvez la liste complète des composants d'origine et identifiez rapidement la pièce compatible.</p> 23 - SUPPORTS <p>Vue éclatée 23 pour TGB BLADE 600 LTX ABS – retrouvez la liste complète des composants d'origine et identifiez rapidement la pièce compatible.</p> 24 - CONTROLEUR... <p>Vue éclatée 24 pour TGB LANDMAX 1000 – retrouvez la liste complète des composants d'origine et identifiez rapidement la pièce compatible.</p> 24 - ECLAIRAGE INT MONITEUR... <p>Vue éclatée 24 pour TGB LANDMAX 1000 CAB – retrouvez la liste complète des composants d'origine et identifiez rapidement la pièce compatible.</p> 24 - SUPPORTS MOTEUR <p>Vue éclatée 24 pour TGB BLADE 550 FLX – retrouvez la liste complète des composants d'origine et identifiez rapidement la pièce compatible.</p> 24 - SUPPORTS MOTEUR <p>Vue éclatée 24 pour TGB BLADE 600 FLX – retrouvez la liste complète des composants d'origine et identifiez rapidement la pièce compatible.</p> 24 - SUPPORTS MOTEUR <p>Vue éclatée 24 pour TGB BLADE 600 LTX ABS – retrouvez la liste complète des composants d'origine et identifiez rapidement la pièce compatible.</p> 25 - COMPTEUR <p>Vue éclatée 25 pour TGB LANDMAX 1000 – retrouvez la liste complète des composants d'origine et identifiez rapidement la pièce compatible.</p> 25 - CONTROLEUR... <p>Vue éclatée 25 pour TGB LANDMAX 1000 CAB – retrouvez la liste complète des composants d'origine et identifiez rapidement la pièce compatible.</p> 25 - MOTEUR DE DIFFERENTIEL <p>Vue éclatée 25 pour TGB BLADE 550 FLX – retrouvez la liste complète des composants d'origine et identifiez rapidement la pièce compatible.</p> 25 - MOTEUR DE DIFFERENTIEL <p>Vue éclatée 25 pour TGB BLADE 600 FLX – retrouvez la liste complète des composants d'origine et identifiez rapidement la pièce compatible.</p> 25 - MOTEUR DE DIFFERENTIEL <p>Vue éclatée 25 pour TGB BLADE 600 LTX ABS – retrouvez la liste complète des composants d'origine et identifiez rapidement la pièce compatible.</p> 26 - COMPTEUR <p>Vue éclatée 26 pour TGB LANDMAX 1000 CAB – retrouvez la liste complète des composants d'origine et identifiez rapidement la pièce compatible.</p> 26 - DIRECTION ASSISTEE... <p>Vue éclatée 26 pour TGB BLADE 550 FLX – retrouvez la liste complète des composants d'origine et identifiez rapidement la pièce compatible.</p> 26 - DIRECTION ASSISTEE... <p>Vue éclatée 26 pour TGB BLADE 600 LTX ABS – retrouvez la liste complète des composants d'origine et identifiez rapidement la pièce compatible.</p> 26 - ECLAIRAGE AVANT <p>Vue éclatée 26 pour TGB LANDMAX 1000 – retrouvez la liste complète des composants d'origine et identifiez rapidement la pièce compatible.</p> 26 - SUPPORTS DIFFERENTIEL... <p>Vue éclatée 26 pour TGB BLADE 600 FLX – retrouvez la liste complète des composants d'origine et identifiez rapidement la pièce compatible.</p> 27 - COMPTEUR <p>Vue éclatée 27 pour TGB BLADE 550 FLX – retrouvez la liste complète des composants d'origine et identifiez rapidement la pièce compatible.</p> 27 - COMPTEUR <p>Vue éclatée 27 pour TGB BLADE 600 LTX ABS – retrouvez la liste complète des composants d'origine et identifiez rapidement la pièce compatible.</p> 27 - DIRECTION ASSISTEE... <p>Vue éclatée 27 pour TGB BLADE 600 FLX – retrouvez la liste complète des composants d'origine et identifiez rapidement la pièce compatible.</p> 27 - ECLAIRAGE ARRIERE <p>Vue éclatée 27 pour TGB LANDMAX 1000 – retrouvez la liste complète des composants d'origine et identifiez rapidement la pièce compatible.</p> 27 - ECLAIRAGE AVANT <p>Vue éclatée 27 pour TGB LANDMAX 1000 CAB – retrouvez la liste complète des composants d'origine et identifiez rapidement la pièce compatible.</p> Affichage 1-100 de 539 article(s) 1 2 3 … 6 Suivant Retour en haut
10 - CARTER MOTEUR DROIT <p>Vue éclatée 10 pour TGB LANDMAX 1000 CAB – retrouvez la liste complète des composants d'origine et identifiez rapidement la pièce compatible.</p> 10 - DEBITMETRE <p>Vue éclatée 10 pour TGB BLADE 550 FLX – retrouvez la liste complète des composants d'origine et identifiez rapidement la pièce compatible.</p> 10 - DEBITMETRE <p>Vue éclatée 10 pour TGB BLADE 600 FLX – retrouvez la liste complète des composants d'origine et identifiez rapidement la pièce compatible.</p> 10 - DEBITMETRE <p>Vue éclatée 10 pour TGB BLADE 600 LTX ABS – retrouvez la liste complète des composants d'origine et identifiez rapidement la pièce compatible.</p> 11 - SYSTEME ELECTRIQUE 1 <p>Vue éclatée 11 pour TGB LANDMAX 1000 – retrouvez la liste complète des composants d'origine et identifiez rapidement la pièce compatible.</p> 11 - SYSTEME ELECTRIQUE 1 <p>Vue éclatée 11 pour TGB LANDMAX 1000 CAB – retrouvez la liste complète des composants d'origine et identifiez rapidement la pièce compatible.</p> 11 - VILEBREQUIN <p>Vue éclatée 11 pour TGB BLADE 550 FLX – retrouvez la liste complète des composants d'origine et identifiez rapidement la pièce compatible.</p> 11 - VILEBREQUIN <p>Vue éclatée 11 pour TGB BLADE 600 FLX – retrouvez la liste complète des composants d'origine et identifiez rapidement la pièce compatible.</p> 11 - VILEBREQUIN <p>Vue éclatée 11 pour TGB BLADE 600 LTX ABS – retrouvez la liste complète des composants d'origine et identifiez rapidement la pièce compatible.</p> 12 - SYSTEME ELECTRIQUE 1 <p>Vue éclatée 12 pour TGB BLADE 550 FLX – retrouvez la liste complète des composants d'origine et identifiez rapidement la pièce compatible.</p> 12 - SYSTEME ELECTRIQUE 1 <p>Vue éclatée 12 pour TGB BLADE 600 FLX – retrouvez la liste complète des composants d'origine et identifiez rapidement la pièce compatible.</p> 12 - SYSTEME ELECTRIQUE 1 <p>Vue éclatée 12 pour TGB BLADE 600 LTX ABS – retrouvez la liste complète des composants d'origine et identifiez rapidement la pièce compatible.</p> 12 - TRANSMISSION 1 <p>Vue éclatée 12 pour TGB LANDMAX 1000 – retrouvez la liste complète des composants d'origine et identifiez rapidement la pièce compatible.</p> 12 - TRANSMISSION 1 <p>Vue éclatée 12 pour TGB LANDMAX 1000 CAB – retrouvez la liste complète des composants d'origine et identifiez rapidement la pièce compatible.</p> 13 - CARTER MOTEUR GAUCHE 1 <p>Vue éclatée 13 pour TGB BLADE 550 FLX – retrouvez la liste complète des composants d'origine et identifiez rapidement la pièce compatible.</p> 13 - CARTER MOTEUR GAUCHE 1 <p>Vue éclatée 13 pour TGB BLADE 600 FLX – retrouvez la liste complète des composants d'origine et identifiez rapidement la pièce compatible.</p> 13 - CARTER MOTEUR GAUCHE 1 <p>Vue éclatée 13 pour TGB BLADE 600 LTX ABS – retrouvez la liste complète des composants d'origine et identifiez rapidement la pièce compatible.</p> 13 - TRANSMISSION 2 <p>Vue éclatée 13 pour TGB LANDMAX 1000 – retrouvez la liste complète des composants d'origine et identifiez rapidement la pièce compatible.</p> 13 - TRANSMISSION 2 <p>Vue éclatée 13 pour TGB LANDMAX 1000 CAB – retrouvez la liste complète des composants d'origine et identifiez rapidement la pièce compatible.</p> 14 - CARTER MOTEUR GAUCHE 2 <p>Vue éclatée 14 pour TGB BLADE 550 FLX – retrouvez la liste complète des composants d'origine et identifiez rapidement la pièce compatible.</p> 14 - CARTER MOTEUR GAUCHE 2 <p>Vue éclatée 14 pour TGB BLADE 600 FLX – retrouvez la liste complète des composants d'origine et identifiez rapidement la pièce compatible.</p> 14 - CARTER MOTEUR GAUCHE 2 <p>Vue éclatée 14 pour TGB BLADE 600 LTX ABS – retrouvez la liste complète des composants d'origine et identifiez rapidement la pièce compatible.</p> 14 - VARIATEUR <p>Vue éclatée 14 pour TGB LANDMAX 1000 – retrouvez la liste complète des composants d'origine et identifiez rapidement la pièce compatible.</p> 14 - VARIATEUR <p>Vue éclatée 14 pour TGB LANDMAX 1000 CAB – retrouvez la liste complète des composants d'origine et identifiez rapidement la pièce compatible.</p> 15 - BLOCAGE DIFFERENTIEL... <p>Vue éclatée 15 pour TGB BLADE 550 FLX – retrouvez la liste complète des composants d'origine et identifiez rapidement la pièce compatible.</p> 15 - BLOCAGE DIFFERENTIEL... <p>Vue éclatée 15 pour TGB BLADE 600 FLX – retrouvez la liste complète des composants d'origine et identifiez rapidement la pièce compatible.</p> 15 - BLOCAGE DIFFERENTIEL... <p>Vue éclatée 15 pour TGB BLADE 600 LTX ABS – retrouvez la liste complète des composants d'origine et identifiez rapidement la pièce compatible.</p> 15 - ENSEMBLE ECHAPPEMENT <p>Vue éclatée 15 pour TGB LANDMAX 1000 – retrouvez la liste complète des composants d'origine et identifiez rapidement la pièce compatible.</p> 15 - ENSEMBLE ECHAPPEMENT <p>Vue éclatée 15 pour TGB LANDMAX 1000 CAB – retrouvez la liste complète des composants d'origine et identifiez rapidement la pièce compatible.</p> 16 - ENSEMBLE DIFFERENTIEL... <p>Vue éclatée 16 pour TGB BLADE 550 FLX – retrouvez la liste complète des composants d'origine et identifiez rapidement la pièce compatible.</p> 16 - ENSEMBLE DIFFERENTIEL... <p>Vue éclatée 16 pour TGB BLADE 600 FLX – retrouvez la liste complète des composants d'origine et identifiez rapidement la pièce compatible.</p> 16 - ENSEMBLE DIFFERENTIEL... <p>Vue éclatée 16 pour TGB BLADE 600 LTX ABS – retrouvez la liste complète des composants d'origine et identifiez rapidement la pièce compatible.</p> 16 - ENSEMBLE FILTRE A AIR <p>Vue éclatée 16 pour TGB LANDMAX 1000 – retrouvez la liste complète des composants d'origine et identifiez rapidement la pièce compatible.</p> 16 - ENSEMBLE FILTRE A AIR <p>Vue éclatée 16 pour TGB LANDMAX 1000 CAB – retrouvez la liste complète des composants d'origine et identifiez rapidement la pièce compatible.</p> 17 - BLOCAGE DIFFERENTIEL... <p>Vue éclatée 17 pour TGB LANDMAX 1000 – retrouvez la liste complète des composants d'origine et identifiez rapidement la pièce compatible.</p> 17 - BLOCAGE DIFFERENTIEL... <p>Vue éclatée 17 pour TGB LANDMAX 1000 CAB – retrouvez la liste complète des composants d'origine et identifiez rapidement la pièce compatible.</p> 17 - VARIATEUR <p>Vue éclatée 17 pour TGB BLADE 550 FLX – retrouvez la liste complète des composants d'origine et identifiez rapidement la pièce compatible.</p> 17 - VARIATEUR <p>Vue éclatée 17 pour TGB BLADE 600 FLX – retrouvez la liste complète des composants d'origine et identifiez rapidement la pièce compatible.</p> 17 - VARIATEUR <p>Vue éclatée 17 pour TGB BLADE 600 LTX ABS – retrouvez la liste complète des composants d'origine et identifiez rapidement la pièce compatible.</p> 18 - ENSEMBLE DIFFERENTIEL... <p>Vue éclatée 18 pour TGB LANDMAX 1000 – retrouvez la liste complète des composants d'origine et identifiez rapidement la pièce compatible.</p> 18 - ENSEMBLE DIFFERENTIEL... <p>Vue éclatée 18 pour TGB LANDMAX 1000 CAB – retrouvez la liste complète des composants d'origine et identifiez rapidement la pièce compatible.</p> 18 - ENSEMBLE ECHAPPEMENT <p>Vue éclatée 18 pour TGB BLADE 550 FLX – retrouvez la liste complète des composants d'origine et identifiez rapidement la pièce compatible.</p> 18 - ENSEMBLE ECHAPPEMENT <p>Vue éclatée 18 pour TGB BLADE 600 FLX – retrouvez la liste complète des composants d'origine et identifiez rapidement la pièce compatible.</p> 18 - ENSEMBLE ECHAPPEMENT <p>Vue éclatée 18 pour TGB BLADE 600 LTX ABS – retrouvez la liste complète des composants d'origine et identifiez rapidement la pièce compatible.</p> 19 - DIRECTION ASSISTEE <p>Vue éclatée 19 pour TGB LANDMAX 1000 – retrouvez la liste complète des composants d'origine et identifiez rapidement la pièce compatible.</p> 19 - DIRECTION ASSISTEE <p>Vue éclatée 19 pour TGB LANDMAX 1000 CAB – retrouvez la liste complète des composants d'origine et identifiez rapidement la pièce compatible.</p> 19 - ENSEMBLE FILTRE A AIR <p>Vue éclatée 19 pour TGB BLADE 550 FLX – retrouvez la liste complète des composants d'origine et identifiez rapidement la pièce compatible.</p> 19 - ENSEMBLE FILTRE A AIR <p>Vue éclatée 19 pour TGB BLADE 600 FLX – retrouvez la liste complète des composants d'origine et identifiez rapidement la pièce compatible.</p> 19 - ENSEMBLE FILTRE A AIR <p>Vue éclatée 19 pour TGB BLADE 600 LTX ABS – retrouvez la liste complète des composants d'origine et identifiez rapidement la pièce compatible.</p> 2 - SYSTEME ADMISSION <p>Vue éclatée 2 pour TGB BLADE 550 FLX – retrouvez la liste complète des composants d'origine et identifiez rapidement la pièce compatible.</p> 2 - SYSTEME ADMISSION <p>Vue éclatée 2 pour TGB BLADE 600 FLX – retrouvez la liste complète des composants d'origine et identifiez rapidement la pièce compatible.</p> 2 - SYSTEME ADMISSION <p>Vue éclatée 2 pour TGB BLADE 600 LTX ABS – retrouvez la liste complète des composants d'origine et identifiez rapidement la pièce compatible.</p> 2 - SYSTEME ADMISSION <p>Vue éclatée 2 pour TGB LANDMAX 1000 – retrouvez la liste complète des composants d'origine et identifiez rapidement la pièce compatible.</p> 2 - SYSTEME ADMISSION <p>Vue éclatée 2 pour TGB LANDMAX 1000 CAB – retrouvez la liste complète des composants d'origine et identifiez rapidement la pièce compatible.</p> 20 - ENSEMBLE REFROIDISSEMENT <p>Vue éclatée 20 pour TGB BLADE 550 FLX – retrouvez la liste complète des composants d'origine et identifiez rapidement la pièce compatible.</p> 20 - ENSEMBLE REFROIDISSEMENT <p>Vue éclatée 20 pour TGB BLADE 600 FLX – retrouvez la liste complète des composants d'origine et identifiez rapidement la pièce compatible.</p> 20 - ENSEMBLE REFROIDISSEMENT <p>Vue éclatée 20 pour TGB BLADE 600 LTX ABS – retrouvez la liste complète des composants d'origine et identifiez rapidement la pièce compatible.</p> 20 - ENSEMBLE REFROIDISSEMENT <p>Vue éclatée 20 pour TGB LANDMAX 1000 – retrouvez la liste complète des composants d'origine et identifiez rapidement la pièce compatible.</p> 20 - ENSEMBLE REFROIDISSEMENT <p>Vue éclatée 20 pour TGB LANDMAX 1000 CAB – retrouvez la liste complète des composants d'origine et identifiez rapidement la pièce compatible.</p> 21 - SYSTEME ELECTRIQUE 2 <p>Vue éclatée 21 pour TGB BLADE 550 FLX – retrouvez la liste complète des composants d'origine et identifiez rapidement la pièce compatible.</p> 21 - SYSTEME ELECTRIQUE 2 <p>Vue éclatée 21 pour TGB BLADE 600 FLX – retrouvez la liste complète des composants d'origine et identifiez rapidement la pièce compatible.</p> 21 - SYSTEME ELECTRIQUE 2 <p>Vue éclatée 21 pour TGB BLADE 600 LTX ABS – retrouvez la liste complète des composants d'origine et identifiez rapidement la pièce compatible.</p> 21 - SYSTEME ELECTRIQUE 2 <p>Vue éclatée 21 pour TGB LANDMAX 1000 – retrouvez la liste complète des composants d'origine et identifiez rapidement la pièce compatible.</p> 21 - SYSTEME ELECTRIQUE 2 <p>Vue éclatée 21 pour TGB LANDMAX 1000 CAB – retrouvez la liste complète des composants d'origine et identifiez rapidement la pièce compatible.</p> 22 - SYSTEME ELECTRIQUE 3 <p>Vue éclatée 22 pour TGB BLADE 550 FLX – retrouvez la liste complète des composants d'origine et identifiez rapidement la pièce compatible.</p> 22 - SYSTEME ELECTRIQUE 3 <p>Vue éclatée 22 pour TGB BLADE 600 FLX – retrouvez la liste complète des composants d'origine et identifiez rapidement la pièce compatible.</p> 22 - SYSTEME ELECTRIQUE 3 <p>Vue éclatée 22 pour TGB BLADE 600 LTX ABS – retrouvez la liste complète des composants d'origine et identifiez rapidement la pièce compatible.</p> 22 - SYSTEME ELECTRIQUE 3 <p>Vue éclatée 22 pour TGB LANDMAX 1000 – retrouvez la liste complète des composants d'origine et identifiez rapidement la pièce compatible.</p> 22 - SYSTEME ELECTRIQUE 3 <p>Vue éclatée 22 pour TGB LANDMAX 1000 CAB – retrouvez la liste complète des composants d'origine et identifiez rapidement la pièce compatible.</p> 23 - RELAIS SUPPORTS <p>Vue éclatée 23 pour TGB LANDMAX 1000 – retrouvez la liste complète des composants d'origine et identifiez rapidement la pièce compatible.</p> 23 - RELAIS SUPPORTS <p>Vue éclatée 23 pour TGB LANDMAX 1000 CAB – retrouvez la liste complète des composants d'origine et identifiez rapidement la pièce compatible.</p> 23 - SUPPORTS <p>Vue éclatée 23 pour TGB BLADE 550 FLX – retrouvez la liste complète des composants d'origine et identifiez rapidement la pièce compatible.</p> 23 - SUPPORTS <p>Vue éclatée 23 pour TGB BLADE 600 FLX – retrouvez la liste complète des composants d'origine et identifiez rapidement la pièce compatible.</p> 23 - SUPPORTS <p>Vue éclatée 23 pour TGB BLADE 600 LTX ABS – retrouvez la liste complète des composants d'origine et identifiez rapidement la pièce compatible.</p> 24 - CONTROLEUR... <p>Vue éclatée 24 pour TGB LANDMAX 1000 – retrouvez la liste complète des composants d'origine et identifiez rapidement la pièce compatible.</p> 24 - ECLAIRAGE INT MONITEUR... <p>Vue éclatée 24 pour TGB LANDMAX 1000 CAB – retrouvez la liste complète des composants d'origine et identifiez rapidement la pièce compatible.</p> 24 - SUPPORTS MOTEUR <p>Vue éclatée 24 pour TGB BLADE 550 FLX – retrouvez la liste complète des composants d'origine et identifiez rapidement la pièce compatible.</p> 24 - SUPPORTS MOTEUR <p>Vue éclatée 24 pour TGB BLADE 600 FLX – retrouvez la liste complète des composants d'origine et identifiez rapidement la pièce compatible.</p> 24 - SUPPORTS MOTEUR <p>Vue éclatée 24 pour TGB BLADE 600 LTX ABS – retrouvez la liste complète des composants d'origine et identifiez rapidement la pièce compatible.</p> 25 - COMPTEUR <p>Vue éclatée 25 pour TGB LANDMAX 1000 – retrouvez la liste complète des composants d'origine et identifiez rapidement la pièce compatible.</p> 25 - CONTROLEUR... <p>Vue éclatée 25 pour TGB LANDMAX 1000 CAB – retrouvez la liste complète des composants d'origine et identifiez rapidement la pièce compatible.</p> 25 - MOTEUR DE DIFFERENTIEL <p>Vue éclatée 25 pour TGB BLADE 550 FLX – retrouvez la liste complète des composants d'origine et identifiez rapidement la pièce compatible.</p> 25 - MOTEUR DE DIFFERENTIEL <p>Vue éclatée 25 pour TGB BLADE 600 FLX – retrouvez la liste complète des composants d'origine et identifiez rapidement la pièce compatible.</p> 25 - MOTEUR DE DIFFERENTIEL <p>Vue éclatée 25 pour TGB BLADE 600 LTX ABS – retrouvez la liste complète des composants d'origine et identifiez rapidement la pièce compatible.</p> 26 - COMPTEUR <p>Vue éclatée 26 pour TGB LANDMAX 1000 CAB – retrouvez la liste complète des composants d'origine et identifiez rapidement la pièce compatible.</p> 26 - DIRECTION ASSISTEE... <p>Vue éclatée 26 pour TGB BLADE 550 FLX – retrouvez la liste complète des composants d'origine et identifiez rapidement la pièce compatible.</p> 26 - DIRECTION ASSISTEE... <p>Vue éclatée 26 pour TGB BLADE 600 LTX ABS – retrouvez la liste complète des composants d'origine et identifiez rapidement la pièce compatible.</p> 26 - ECLAIRAGE AVANT <p>Vue éclatée 26 pour TGB LANDMAX 1000 – retrouvez la liste complète des composants d'origine et identifiez rapidement la pièce compatible.</p> 26 - SUPPORTS DIFFERENTIEL... <p>Vue éclatée 26 pour TGB BLADE 600 FLX – retrouvez la liste complète des composants d'origine et identifiez rapidement la pièce compatible.</p> 27 - COMPTEUR <p>Vue éclatée 27 pour TGB BLADE 550 FLX – retrouvez la liste complète des composants d'origine et identifiez rapidement la pièce compatible.</p> 27 - COMPTEUR <p>Vue éclatée 27 pour TGB BLADE 600 LTX ABS – retrouvez la liste complète des composants d'origine et identifiez rapidement la pièce compatible.</p> 27 - DIRECTION ASSISTEE... <p>Vue éclatée 27 pour TGB BLADE 600 FLX – retrouvez la liste complète des composants d'origine et identifiez rapidement la pièce compatible.</p> 27 - ECLAIRAGE ARRIERE <p>Vue éclatée 27 pour TGB LANDMAX 1000 – retrouvez la liste complète des composants d'origine et identifiez rapidement la pièce compatible.</p> 27 - ECLAIRAGE AVANT <p>Vue éclatée 27 pour TGB LANDMAX 1000 CAB – retrouvez la liste complète des composants d'origine et identifiez rapidement la pièce compatible.</p> Affichage 1-100 de 539 article(s) 1 2 3 … 6 Suivant Retour en haut
10 - DEBITMETRE <p>Vue éclatée 10 pour TGB BLADE 550 FLX – retrouvez la liste complète des composants d'origine et identifiez rapidement la pièce compatible.</p> 10 - DEBITMETRE <p>Vue éclatée 10 pour TGB BLADE 600 FLX – retrouvez la liste complète des composants d'origine et identifiez rapidement la pièce compatible.</p> 10 - DEBITMETRE <p>Vue éclatée 10 pour TGB BLADE 600 LTX ABS – retrouvez la liste complète des composants d'origine et identifiez rapidement la pièce compatible.</p> 11 - SYSTEME ELECTRIQUE 1 <p>Vue éclatée 11 pour TGB LANDMAX 1000 – retrouvez la liste complète des composants d'origine et identifiez rapidement la pièce compatible.</p> 11 - SYSTEME ELECTRIQUE 1 <p>Vue éclatée 11 pour TGB LANDMAX 1000 CAB – retrouvez la liste complète des composants d'origine et identifiez rapidement la pièce compatible.</p> 11 - VILEBREQUIN <p>Vue éclatée 11 pour TGB BLADE 550 FLX – retrouvez la liste complète des composants d'origine et identifiez rapidement la pièce compatible.</p> 11 - VILEBREQUIN <p>Vue éclatée 11 pour TGB BLADE 600 FLX – retrouvez la liste complète des composants d'origine et identifiez rapidement la pièce compatible.</p> 11 - VILEBREQUIN <p>Vue éclatée 11 pour TGB BLADE 600 LTX ABS – retrouvez la liste complète des composants d'origine et identifiez rapidement la pièce compatible.</p> 12 - SYSTEME ELECTRIQUE 1 <p>Vue éclatée 12 pour TGB BLADE 550 FLX – retrouvez la liste complète des composants d'origine et identifiez rapidement la pièce compatible.</p> 12 - SYSTEME ELECTRIQUE 1 <p>Vue éclatée 12 pour TGB BLADE 600 FLX – retrouvez la liste complète des composants d'origine et identifiez rapidement la pièce compatible.</p> 12 - SYSTEME ELECTRIQUE 1 <p>Vue éclatée 12 pour TGB BLADE 600 LTX ABS – retrouvez la liste complète des composants d'origine et identifiez rapidement la pièce compatible.</p> 12 - TRANSMISSION 1 <p>Vue éclatée 12 pour TGB LANDMAX 1000 – retrouvez la liste complète des composants d'origine et identifiez rapidement la pièce compatible.</p> 12 - TRANSMISSION 1 <p>Vue éclatée 12 pour TGB LANDMAX 1000 CAB – retrouvez la liste complète des composants d'origine et identifiez rapidement la pièce compatible.</p> 13 - CARTER MOTEUR GAUCHE 1 <p>Vue éclatée 13 pour TGB BLADE 550 FLX – retrouvez la liste complète des composants d'origine et identifiez rapidement la pièce compatible.</p> 13 - CARTER MOTEUR GAUCHE 1 <p>Vue éclatée 13 pour TGB BLADE 600 FLX – retrouvez la liste complète des composants d'origine et identifiez rapidement la pièce compatible.</p> 13 - CARTER MOTEUR GAUCHE 1 <p>Vue éclatée 13 pour TGB BLADE 600 LTX ABS – retrouvez la liste complète des composants d'origine et identifiez rapidement la pièce compatible.</p> 13 - TRANSMISSION 2 <p>Vue éclatée 13 pour TGB LANDMAX 1000 – retrouvez la liste complète des composants d'origine et identifiez rapidement la pièce compatible.</p> 13 - TRANSMISSION 2 <p>Vue éclatée 13 pour TGB LANDMAX 1000 CAB – retrouvez la liste complète des composants d'origine et identifiez rapidement la pièce compatible.</p> 14 - CARTER MOTEUR GAUCHE 2 <p>Vue éclatée 14 pour TGB BLADE 550 FLX – retrouvez la liste complète des composants d'origine et identifiez rapidement la pièce compatible.</p> 14 - CARTER MOTEUR GAUCHE 2 <p>Vue éclatée 14 pour TGB BLADE 600 FLX – retrouvez la liste complète des composants d'origine et identifiez rapidement la pièce compatible.</p> 14 - CARTER MOTEUR GAUCHE 2 <p>Vue éclatée 14 pour TGB BLADE 600 LTX ABS – retrouvez la liste complète des composants d'origine et identifiez rapidement la pièce compatible.</p> 14 - VARIATEUR <p>Vue éclatée 14 pour TGB LANDMAX 1000 – retrouvez la liste complète des composants d'origine et identifiez rapidement la pièce compatible.</p> 14 - VARIATEUR <p>Vue éclatée 14 pour TGB LANDMAX 1000 CAB – retrouvez la liste complète des composants d'origine et identifiez rapidement la pièce compatible.</p> 15 - BLOCAGE DIFFERENTIEL... <p>Vue éclatée 15 pour TGB BLADE 550 FLX – retrouvez la liste complète des composants d'origine et identifiez rapidement la pièce compatible.</p> 15 - BLOCAGE DIFFERENTIEL... <p>Vue éclatée 15 pour TGB BLADE 600 FLX – retrouvez la liste complète des composants d'origine et identifiez rapidement la pièce compatible.</p> 15 - BLOCAGE DIFFERENTIEL... <p>Vue éclatée 15 pour TGB BLADE 600 LTX ABS – retrouvez la liste complète des composants d'origine et identifiez rapidement la pièce compatible.</p> 15 - ENSEMBLE ECHAPPEMENT <p>Vue éclatée 15 pour TGB LANDMAX 1000 – retrouvez la liste complète des composants d'origine et identifiez rapidement la pièce compatible.</p> 15 - ENSEMBLE ECHAPPEMENT <p>Vue éclatée 15 pour TGB LANDMAX 1000 CAB – retrouvez la liste complète des composants d'origine et identifiez rapidement la pièce compatible.</p> 16 - ENSEMBLE DIFFERENTIEL... <p>Vue éclatée 16 pour TGB BLADE 550 FLX – retrouvez la liste complète des composants d'origine et identifiez rapidement la pièce compatible.</p> 16 - ENSEMBLE DIFFERENTIEL... <p>Vue éclatée 16 pour TGB BLADE 600 FLX – retrouvez la liste complète des composants d'origine et identifiez rapidement la pièce compatible.</p> 16 - ENSEMBLE DIFFERENTIEL... <p>Vue éclatée 16 pour TGB BLADE 600 LTX ABS – retrouvez la liste complète des composants d'origine et identifiez rapidement la pièce compatible.</p> 16 - ENSEMBLE FILTRE A AIR <p>Vue éclatée 16 pour TGB LANDMAX 1000 – retrouvez la liste complète des composants d'origine et identifiez rapidement la pièce compatible.</p> 16 - ENSEMBLE FILTRE A AIR <p>Vue éclatée 16 pour TGB LANDMAX 1000 CAB – retrouvez la liste complète des composants d'origine et identifiez rapidement la pièce compatible.</p> 17 - BLOCAGE DIFFERENTIEL... <p>Vue éclatée 17 pour TGB LANDMAX 1000 – retrouvez la liste complète des composants d'origine et identifiez rapidement la pièce compatible.</p> 17 - BLOCAGE DIFFERENTIEL... <p>Vue éclatée 17 pour TGB LANDMAX 1000 CAB – retrouvez la liste complète des composants d'origine et identifiez rapidement la pièce compatible.</p> 17 - VARIATEUR <p>Vue éclatée 17 pour TGB BLADE 550 FLX – retrouvez la liste complète des composants d'origine et identifiez rapidement la pièce compatible.</p> 17 - VARIATEUR <p>Vue éclatée 17 pour TGB BLADE 600 FLX – retrouvez la liste complète des composants d'origine et identifiez rapidement la pièce compatible.</p> 17 - VARIATEUR <p>Vue éclatée 17 pour TGB BLADE 600 LTX ABS – retrouvez la liste complète des composants d'origine et identifiez rapidement la pièce compatible.</p> 18 - ENSEMBLE DIFFERENTIEL... <p>Vue éclatée 18 pour TGB LANDMAX 1000 – retrouvez la liste complète des composants d'origine et identifiez rapidement la pièce compatible.</p> 18 - ENSEMBLE DIFFERENTIEL... <p>Vue éclatée 18 pour TGB LANDMAX 1000 CAB – retrouvez la liste complète des composants d'origine et identifiez rapidement la pièce compatible.</p> 18 - ENSEMBLE ECHAPPEMENT <p>Vue éclatée 18 pour TGB BLADE 550 FLX – retrouvez la liste complète des composants d'origine et identifiez rapidement la pièce compatible.</p> 18 - ENSEMBLE ECHAPPEMENT <p>Vue éclatée 18 pour TGB BLADE 600 FLX – retrouvez la liste complète des composants d'origine et identifiez rapidement la pièce compatible.</p> 18 - ENSEMBLE ECHAPPEMENT <p>Vue éclatée 18 pour TGB BLADE 600 LTX ABS – retrouvez la liste complète des composants d'origine et identifiez rapidement la pièce compatible.</p> 19 - DIRECTION ASSISTEE <p>Vue éclatée 19 pour TGB LANDMAX 1000 – retrouvez la liste complète des composants d'origine et identifiez rapidement la pièce compatible.</p> 19 - DIRECTION ASSISTEE <p>Vue éclatée 19 pour TGB LANDMAX 1000 CAB – retrouvez la liste complète des composants d'origine et identifiez rapidement la pièce compatible.</p> 19 - ENSEMBLE FILTRE A AIR <p>Vue éclatée 19 pour TGB BLADE 550 FLX – retrouvez la liste complète des composants d'origine et identifiez rapidement la pièce compatible.</p> 19 - ENSEMBLE FILTRE A AIR <p>Vue éclatée 19 pour TGB BLADE 600 FLX – retrouvez la liste complète des composants d'origine et identifiez rapidement la pièce compatible.</p> 19 - ENSEMBLE FILTRE A AIR <p>Vue éclatée 19 pour TGB BLADE 600 LTX ABS – retrouvez la liste complète des composants d'origine et identifiez rapidement la pièce compatible.</p> 2 - SYSTEME ADMISSION <p>Vue éclatée 2 pour TGB BLADE 550 FLX – retrouvez la liste complète des composants d'origine et identifiez rapidement la pièce compatible.</p> 2 - SYSTEME ADMISSION <p>Vue éclatée 2 pour TGB BLADE 600 FLX – retrouvez la liste complète des composants d'origine et identifiez rapidement la pièce compatible.</p> 2 - SYSTEME ADMISSION <p>Vue éclatée 2 pour TGB BLADE 600 LTX ABS – retrouvez la liste complète des composants d'origine et identifiez rapidement la pièce compatible.</p> 2 - SYSTEME ADMISSION <p>Vue éclatée 2 pour TGB LANDMAX 1000 – retrouvez la liste complète des composants d'origine et identifiez rapidement la pièce compatible.</p> 2 - SYSTEME ADMISSION <p>Vue éclatée 2 pour TGB LANDMAX 1000 CAB – retrouvez la liste complète des composants d'origine et identifiez rapidement la pièce compatible.</p> 20 - ENSEMBLE REFROIDISSEMENT <p>Vue éclatée 20 pour TGB BLADE 550 FLX – retrouvez la liste complète des composants d'origine et identifiez rapidement la pièce compatible.</p> 20 - ENSEMBLE REFROIDISSEMENT <p>Vue éclatée 20 pour TGB BLADE 600 FLX – retrouvez la liste complète des composants d'origine et identifiez rapidement la pièce compatible.</p> 20 - ENSEMBLE REFROIDISSEMENT <p>Vue éclatée 20 pour TGB BLADE 600 LTX ABS – retrouvez la liste complète des composants d'origine et identifiez rapidement la pièce compatible.</p> 20 - ENSEMBLE REFROIDISSEMENT <p>Vue éclatée 20 pour TGB LANDMAX 1000 – retrouvez la liste complète des composants d'origine et identifiez rapidement la pièce compatible.</p> 20 - ENSEMBLE REFROIDISSEMENT <p>Vue éclatée 20 pour TGB LANDMAX 1000 CAB – retrouvez la liste complète des composants d'origine et identifiez rapidement la pièce compatible.</p> 21 - SYSTEME ELECTRIQUE 2 <p>Vue éclatée 21 pour TGB BLADE 550 FLX – retrouvez la liste complète des composants d'origine et identifiez rapidement la pièce compatible.</p> 21 - SYSTEME ELECTRIQUE 2 <p>Vue éclatée 21 pour TGB BLADE 600 FLX – retrouvez la liste complète des composants d'origine et identifiez rapidement la pièce compatible.</p> 21 - SYSTEME ELECTRIQUE 2 <p>Vue éclatée 21 pour TGB BLADE 600 LTX ABS – retrouvez la liste complète des composants d'origine et identifiez rapidement la pièce compatible.</p> 21 - SYSTEME ELECTRIQUE 2 <p>Vue éclatée 21 pour TGB LANDMAX 1000 – retrouvez la liste complète des composants d'origine et identifiez rapidement la pièce compatible.</p> 21 - SYSTEME ELECTRIQUE 2 <p>Vue éclatée 21 pour TGB LANDMAX 1000 CAB – retrouvez la liste complète des composants d'origine et identifiez rapidement la pièce compatible.</p> 22 - SYSTEME ELECTRIQUE 3 <p>Vue éclatée 22 pour TGB BLADE 550 FLX – retrouvez la liste complète des composants d'origine et identifiez rapidement la pièce compatible.</p> 22 - SYSTEME ELECTRIQUE 3 <p>Vue éclatée 22 pour TGB BLADE 600 FLX – retrouvez la liste complète des composants d'origine et identifiez rapidement la pièce compatible.</p> 22 - SYSTEME ELECTRIQUE 3 <p>Vue éclatée 22 pour TGB BLADE 600 LTX ABS – retrouvez la liste complète des composants d'origine et identifiez rapidement la pièce compatible.</p> 22 - SYSTEME ELECTRIQUE 3 <p>Vue éclatée 22 pour TGB LANDMAX 1000 – retrouvez la liste complète des composants d'origine et identifiez rapidement la pièce compatible.</p> 22 - SYSTEME ELECTRIQUE 3 <p>Vue éclatée 22 pour TGB LANDMAX 1000 CAB – retrouvez la liste complète des composants d'origine et identifiez rapidement la pièce compatible.</p> 23 - RELAIS SUPPORTS <p>Vue éclatée 23 pour TGB LANDMAX 1000 – retrouvez la liste complète des composants d'origine et identifiez rapidement la pièce compatible.</p> 23 - RELAIS SUPPORTS <p>Vue éclatée 23 pour TGB LANDMAX 1000 CAB – retrouvez la liste complète des composants d'origine et identifiez rapidement la pièce compatible.</p> 23 - SUPPORTS <p>Vue éclatée 23 pour TGB BLADE 550 FLX – retrouvez la liste complète des composants d'origine et identifiez rapidement la pièce compatible.</p> 23 - SUPPORTS <p>Vue éclatée 23 pour TGB BLADE 600 FLX – retrouvez la liste complète des composants d'origine et identifiez rapidement la pièce compatible.</p> 23 - SUPPORTS <p>Vue éclatée 23 pour TGB BLADE 600 LTX ABS – retrouvez la liste complète des composants d'origine et identifiez rapidement la pièce compatible.</p> 24 - CONTROLEUR... <p>Vue éclatée 24 pour TGB LANDMAX 1000 – retrouvez la liste complète des composants d'origine et identifiez rapidement la pièce compatible.</p> 24 - ECLAIRAGE INT MONITEUR... <p>Vue éclatée 24 pour TGB LANDMAX 1000 CAB – retrouvez la liste complète des composants d'origine et identifiez rapidement la pièce compatible.</p> 24 - SUPPORTS MOTEUR <p>Vue éclatée 24 pour TGB BLADE 550 FLX – retrouvez la liste complète des composants d'origine et identifiez rapidement la pièce compatible.</p> 24 - SUPPORTS MOTEUR <p>Vue éclatée 24 pour TGB BLADE 600 FLX – retrouvez la liste complète des composants d'origine et identifiez rapidement la pièce compatible.</p> 24 - SUPPORTS MOTEUR <p>Vue éclatée 24 pour TGB BLADE 600 LTX ABS – retrouvez la liste complète des composants d'origine et identifiez rapidement la pièce compatible.</p> 25 - COMPTEUR <p>Vue éclatée 25 pour TGB LANDMAX 1000 – retrouvez la liste complète des composants d'origine et identifiez rapidement la pièce compatible.</p> 25 - CONTROLEUR... <p>Vue éclatée 25 pour TGB LANDMAX 1000 CAB – retrouvez la liste complète des composants d'origine et identifiez rapidement la pièce compatible.</p> 25 - MOTEUR DE DIFFERENTIEL <p>Vue éclatée 25 pour TGB BLADE 550 FLX – retrouvez la liste complète des composants d'origine et identifiez rapidement la pièce compatible.</p> 25 - MOTEUR DE DIFFERENTIEL <p>Vue éclatée 25 pour TGB BLADE 600 FLX – retrouvez la liste complète des composants d'origine et identifiez rapidement la pièce compatible.</p> 25 - MOTEUR DE DIFFERENTIEL <p>Vue éclatée 25 pour TGB BLADE 600 LTX ABS – retrouvez la liste complète des composants d'origine et identifiez rapidement la pièce compatible.</p> 26 - COMPTEUR <p>Vue éclatée 26 pour TGB LANDMAX 1000 CAB – retrouvez la liste complète des composants d'origine et identifiez rapidement la pièce compatible.</p> 26 - DIRECTION ASSISTEE... <p>Vue éclatée 26 pour TGB BLADE 550 FLX – retrouvez la liste complète des composants d'origine et identifiez rapidement la pièce compatible.</p> 26 - DIRECTION ASSISTEE... <p>Vue éclatée 26 pour TGB BLADE 600 LTX ABS – retrouvez la liste complète des composants d'origine et identifiez rapidement la pièce compatible.</p> 26 - ECLAIRAGE AVANT <p>Vue éclatée 26 pour TGB LANDMAX 1000 – retrouvez la liste complète des composants d'origine et identifiez rapidement la pièce compatible.</p> 26 - SUPPORTS DIFFERENTIEL... <p>Vue éclatée 26 pour TGB BLADE 600 FLX – retrouvez la liste complète des composants d'origine et identifiez rapidement la pièce compatible.</p> 27 - COMPTEUR <p>Vue éclatée 27 pour TGB BLADE 550 FLX – retrouvez la liste complète des composants d'origine et identifiez rapidement la pièce compatible.</p> 27 - COMPTEUR <p>Vue éclatée 27 pour TGB BLADE 600 LTX ABS – retrouvez la liste complète des composants d'origine et identifiez rapidement la pièce compatible.</p> 27 - DIRECTION ASSISTEE... <p>Vue éclatée 27 pour TGB BLADE 600 FLX – retrouvez la liste complète des composants d'origine et identifiez rapidement la pièce compatible.</p> 27 - ECLAIRAGE ARRIERE <p>Vue éclatée 27 pour TGB LANDMAX 1000 – retrouvez la liste complète des composants d'origine et identifiez rapidement la pièce compatible.</p> 27 - ECLAIRAGE AVANT <p>Vue éclatée 27 pour TGB LANDMAX 1000 CAB – retrouvez la liste complète des composants d'origine et identifiez rapidement la pièce compatible.</p> Affichage 1-100 de 539 article(s) 1 2 3 … 6 Suivant Retour en haut
10 - DEBITMETRE <p>Vue éclatée 10 pour TGB BLADE 600 FLX – retrouvez la liste complète des composants d'origine et identifiez rapidement la pièce compatible.</p> 10 - DEBITMETRE <p>Vue éclatée 10 pour TGB BLADE 600 LTX ABS – retrouvez la liste complète des composants d'origine et identifiez rapidement la pièce compatible.</p> 11 - SYSTEME ELECTRIQUE 1 <p>Vue éclatée 11 pour TGB LANDMAX 1000 – retrouvez la liste complète des composants d'origine et identifiez rapidement la pièce compatible.</p> 11 - SYSTEME ELECTRIQUE 1 <p>Vue éclatée 11 pour TGB LANDMAX 1000 CAB – retrouvez la liste complète des composants d'origine et identifiez rapidement la pièce compatible.</p> 11 - VILEBREQUIN <p>Vue éclatée 11 pour TGB BLADE 550 FLX – retrouvez la liste complète des composants d'origine et identifiez rapidement la pièce compatible.</p> 11 - VILEBREQUIN <p>Vue éclatée 11 pour TGB BLADE 600 FLX – retrouvez la liste complète des composants d'origine et identifiez rapidement la pièce compatible.</p> 11 - VILEBREQUIN <p>Vue éclatée 11 pour TGB BLADE 600 LTX ABS – retrouvez la liste complète des composants d'origine et identifiez rapidement la pièce compatible.</p> 12 - SYSTEME ELECTRIQUE 1 <p>Vue éclatée 12 pour TGB BLADE 550 FLX – retrouvez la liste complète des composants d'origine et identifiez rapidement la pièce compatible.</p> 12 - SYSTEME ELECTRIQUE 1 <p>Vue éclatée 12 pour TGB BLADE 600 FLX – retrouvez la liste complète des composants d'origine et identifiez rapidement la pièce compatible.</p> 12 - SYSTEME ELECTRIQUE 1 <p>Vue éclatée 12 pour TGB BLADE 600 LTX ABS – retrouvez la liste complète des composants d'origine et identifiez rapidement la pièce compatible.</p> 12 - TRANSMISSION 1 <p>Vue éclatée 12 pour TGB LANDMAX 1000 – retrouvez la liste complète des composants d'origine et identifiez rapidement la pièce compatible.</p> 12 - TRANSMISSION 1 <p>Vue éclatée 12 pour TGB LANDMAX 1000 CAB – retrouvez la liste complète des composants d'origine et identifiez rapidement la pièce compatible.</p> 13 - CARTER MOTEUR GAUCHE 1 <p>Vue éclatée 13 pour TGB BLADE 550 FLX – retrouvez la liste complète des composants d'origine et identifiez rapidement la pièce compatible.</p> 13 - CARTER MOTEUR GAUCHE 1 <p>Vue éclatée 13 pour TGB BLADE 600 FLX – retrouvez la liste complète des composants d'origine et identifiez rapidement la pièce compatible.</p> 13 - CARTER MOTEUR GAUCHE 1 <p>Vue éclatée 13 pour TGB BLADE 600 LTX ABS – retrouvez la liste complète des composants d'origine et identifiez rapidement la pièce compatible.</p> 13 - TRANSMISSION 2 <p>Vue éclatée 13 pour TGB LANDMAX 1000 – retrouvez la liste complète des composants d'origine et identifiez rapidement la pièce compatible.</p> 13 - TRANSMISSION 2 <p>Vue éclatée 13 pour TGB LANDMAX 1000 CAB – retrouvez la liste complète des composants d'origine et identifiez rapidement la pièce compatible.</p> 14 - CARTER MOTEUR GAUCHE 2 <p>Vue éclatée 14 pour TGB BLADE 550 FLX – retrouvez la liste complète des composants d'origine et identifiez rapidement la pièce compatible.</p> 14 - CARTER MOTEUR GAUCHE 2 <p>Vue éclatée 14 pour TGB BLADE 600 FLX – retrouvez la liste complète des composants d'origine et identifiez rapidement la pièce compatible.</p> 14 - CARTER MOTEUR GAUCHE 2 <p>Vue éclatée 14 pour TGB BLADE 600 LTX ABS – retrouvez la liste complète des composants d'origine et identifiez rapidement la pièce compatible.</p> 14 - VARIATEUR <p>Vue éclatée 14 pour TGB LANDMAX 1000 – retrouvez la liste complète des composants d'origine et identifiez rapidement la pièce compatible.</p> 14 - VARIATEUR <p>Vue éclatée 14 pour TGB LANDMAX 1000 CAB – retrouvez la liste complète des composants d'origine et identifiez rapidement la pièce compatible.</p> 15 - BLOCAGE DIFFERENTIEL... <p>Vue éclatée 15 pour TGB BLADE 550 FLX – retrouvez la liste complète des composants d'origine et identifiez rapidement la pièce compatible.</p> 15 - BLOCAGE DIFFERENTIEL... <p>Vue éclatée 15 pour TGB BLADE 600 FLX – retrouvez la liste complète des composants d'origine et identifiez rapidement la pièce compatible.</p> 15 - BLOCAGE DIFFERENTIEL... <p>Vue éclatée 15 pour TGB BLADE 600 LTX ABS – retrouvez la liste complète des composants d'origine et identifiez rapidement la pièce compatible.</p> 15 - ENSEMBLE ECHAPPEMENT <p>Vue éclatée 15 pour TGB LANDMAX 1000 – retrouvez la liste complète des composants d'origine et identifiez rapidement la pièce compatible.</p> 15 - ENSEMBLE ECHAPPEMENT <p>Vue éclatée 15 pour TGB LANDMAX 1000 CAB – retrouvez la liste complète des composants d'origine et identifiez rapidement la pièce compatible.</p> 16 - ENSEMBLE DIFFERENTIEL... <p>Vue éclatée 16 pour TGB BLADE 550 FLX – retrouvez la liste complète des composants d'origine et identifiez rapidement la pièce compatible.</p> 16 - ENSEMBLE DIFFERENTIEL... <p>Vue éclatée 16 pour TGB BLADE 600 FLX – retrouvez la liste complète des composants d'origine et identifiez rapidement la pièce compatible.</p> 16 - ENSEMBLE DIFFERENTIEL... <p>Vue éclatée 16 pour TGB BLADE 600 LTX ABS – retrouvez la liste complète des composants d'origine et identifiez rapidement la pièce compatible.</p> 16 - ENSEMBLE FILTRE A AIR <p>Vue éclatée 16 pour TGB LANDMAX 1000 – retrouvez la liste complète des composants d'origine et identifiez rapidement la pièce compatible.</p> 16 - ENSEMBLE FILTRE A AIR <p>Vue éclatée 16 pour TGB LANDMAX 1000 CAB – retrouvez la liste complète des composants d'origine et identifiez rapidement la pièce compatible.</p> 17 - BLOCAGE DIFFERENTIEL... <p>Vue éclatée 17 pour TGB LANDMAX 1000 – retrouvez la liste complète des composants d'origine et identifiez rapidement la pièce compatible.</p> 17 - BLOCAGE DIFFERENTIEL... <p>Vue éclatée 17 pour TGB LANDMAX 1000 CAB – retrouvez la liste complète des composants d'origine et identifiez rapidement la pièce compatible.</p> 17 - VARIATEUR <p>Vue éclatée 17 pour TGB BLADE 550 FLX – retrouvez la liste complète des composants d'origine et identifiez rapidement la pièce compatible.</p> 17 - VARIATEUR <p>Vue éclatée 17 pour TGB BLADE 600 FLX – retrouvez la liste complète des composants d'origine et identifiez rapidement la pièce compatible.</p> 17 - VARIATEUR <p>Vue éclatée 17 pour TGB BLADE 600 LTX ABS – retrouvez la liste complète des composants d'origine et identifiez rapidement la pièce compatible.</p> 18 - ENSEMBLE DIFFERENTIEL... <p>Vue éclatée 18 pour TGB LANDMAX 1000 – retrouvez la liste complète des composants d'origine et identifiez rapidement la pièce compatible.</p> 18 - ENSEMBLE DIFFERENTIEL... <p>Vue éclatée 18 pour TGB LANDMAX 1000 CAB – retrouvez la liste complète des composants d'origine et identifiez rapidement la pièce compatible.</p> 18 - ENSEMBLE ECHAPPEMENT <p>Vue éclatée 18 pour TGB BLADE 550 FLX – retrouvez la liste complète des composants d'origine et identifiez rapidement la pièce compatible.</p> 18 - ENSEMBLE ECHAPPEMENT <p>Vue éclatée 18 pour TGB BLADE 600 FLX – retrouvez la liste complète des composants d'origine et identifiez rapidement la pièce compatible.</p> 18 - ENSEMBLE ECHAPPEMENT <p>Vue éclatée 18 pour TGB BLADE 600 LTX ABS – retrouvez la liste complète des composants d'origine et identifiez rapidement la pièce compatible.</p> 19 - DIRECTION ASSISTEE <p>Vue éclatée 19 pour TGB LANDMAX 1000 – retrouvez la liste complète des composants d'origine et identifiez rapidement la pièce compatible.</p> 19 - DIRECTION ASSISTEE <p>Vue éclatée 19 pour TGB LANDMAX 1000 CAB – retrouvez la liste complète des composants d'origine et identifiez rapidement la pièce compatible.</p> 19 - ENSEMBLE FILTRE A AIR <p>Vue éclatée 19 pour TGB BLADE 550 FLX – retrouvez la liste complète des composants d'origine et identifiez rapidement la pièce compatible.</p> 19 - ENSEMBLE FILTRE A AIR <p>Vue éclatée 19 pour TGB BLADE 600 FLX – retrouvez la liste complète des composants d'origine et identifiez rapidement la pièce compatible.</p> 19 - ENSEMBLE FILTRE A AIR <p>Vue éclatée 19 pour TGB BLADE 600 LTX ABS – retrouvez la liste complète des composants d'origine et identifiez rapidement la pièce compatible.</p> 2 - SYSTEME ADMISSION <p>Vue éclatée 2 pour TGB BLADE 550 FLX – retrouvez la liste complète des composants d'origine et identifiez rapidement la pièce compatible.</p> 2 - SYSTEME ADMISSION <p>Vue éclatée 2 pour TGB BLADE 600 FLX – retrouvez la liste complète des composants d'origine et identifiez rapidement la pièce compatible.</p> 2 - SYSTEME ADMISSION <p>Vue éclatée 2 pour TGB BLADE 600 LTX ABS – retrouvez la liste complète des composants d'origine et identifiez rapidement la pièce compatible.</p> 2 - SYSTEME ADMISSION <p>Vue éclatée 2 pour TGB LANDMAX 1000 – retrouvez la liste complète des composants d'origine et identifiez rapidement la pièce compatible.</p> 2 - SYSTEME ADMISSION <p>Vue éclatée 2 pour TGB LANDMAX 1000 CAB – retrouvez la liste complète des composants d'origine et identifiez rapidement la pièce compatible.</p> 20 - ENSEMBLE REFROIDISSEMENT <p>Vue éclatée 20 pour TGB BLADE 550 FLX – retrouvez la liste complète des composants d'origine et identifiez rapidement la pièce compatible.</p> 20 - ENSEMBLE REFROIDISSEMENT <p>Vue éclatée 20 pour TGB BLADE 600 FLX – retrouvez la liste complète des composants d'origine et identifiez rapidement la pièce compatible.</p> 20 - ENSEMBLE REFROIDISSEMENT <p>Vue éclatée 20 pour TGB BLADE 600 LTX ABS – retrouvez la liste complète des composants d'origine et identifiez rapidement la pièce compatible.</p> 20 - ENSEMBLE REFROIDISSEMENT <p>Vue éclatée 20 pour TGB LANDMAX 1000 – retrouvez la liste complète des composants d'origine et identifiez rapidement la pièce compatible.</p> 20 - ENSEMBLE REFROIDISSEMENT <p>Vue éclatée 20 pour TGB LANDMAX 1000 CAB – retrouvez la liste complète des composants d'origine et identifiez rapidement la pièce compatible.</p> 21 - SYSTEME ELECTRIQUE 2 <p>Vue éclatée 21 pour TGB BLADE 550 FLX – retrouvez la liste complète des composants d'origine et identifiez rapidement la pièce compatible.</p> 21 - SYSTEME ELECTRIQUE 2 <p>Vue éclatée 21 pour TGB BLADE 600 FLX – retrouvez la liste complète des composants d'origine et identifiez rapidement la pièce compatible.</p> 21 - SYSTEME ELECTRIQUE 2 <p>Vue éclatée 21 pour TGB BLADE 600 LTX ABS – retrouvez la liste complète des composants d'origine et identifiez rapidement la pièce compatible.</p> 21 - SYSTEME ELECTRIQUE 2 <p>Vue éclatée 21 pour TGB LANDMAX 1000 – retrouvez la liste complète des composants d'origine et identifiez rapidement la pièce compatible.</p> 21 - SYSTEME ELECTRIQUE 2 <p>Vue éclatée 21 pour TGB LANDMAX 1000 CAB – retrouvez la liste complète des composants d'origine et identifiez rapidement la pièce compatible.</p> 22 - SYSTEME ELECTRIQUE 3 <p>Vue éclatée 22 pour TGB BLADE 550 FLX – retrouvez la liste complète des composants d'origine et identifiez rapidement la pièce compatible.</p> 22 - SYSTEME ELECTRIQUE 3 <p>Vue éclatée 22 pour TGB BLADE 600 FLX – retrouvez la liste complète des composants d'origine et identifiez rapidement la pièce compatible.</p> 22 - SYSTEME ELECTRIQUE 3 <p>Vue éclatée 22 pour TGB BLADE 600 LTX ABS – retrouvez la liste complète des composants d'origine et identifiez rapidement la pièce compatible.</p> 22 - SYSTEME ELECTRIQUE 3 <p>Vue éclatée 22 pour TGB LANDMAX 1000 – retrouvez la liste complète des composants d'origine et identifiez rapidement la pièce compatible.</p> 22 - SYSTEME ELECTRIQUE 3 <p>Vue éclatée 22 pour TGB LANDMAX 1000 CAB – retrouvez la liste complète des composants d'origine et identifiez rapidement la pièce compatible.</p> 23 - RELAIS SUPPORTS <p>Vue éclatée 23 pour TGB LANDMAX 1000 – retrouvez la liste complète des composants d'origine et identifiez rapidement la pièce compatible.</p> 23 - RELAIS SUPPORTS <p>Vue éclatée 23 pour TGB LANDMAX 1000 CAB – retrouvez la liste complète des composants d'origine et identifiez rapidement la pièce compatible.</p> 23 - SUPPORTS <p>Vue éclatée 23 pour TGB BLADE 550 FLX – retrouvez la liste complète des composants d'origine et identifiez rapidement la pièce compatible.</p> 23 - SUPPORTS <p>Vue éclatée 23 pour TGB BLADE 600 FLX – retrouvez la liste complète des composants d'origine et identifiez rapidement la pièce compatible.</p> 23 - SUPPORTS <p>Vue éclatée 23 pour TGB BLADE 600 LTX ABS – retrouvez la liste complète des composants d'origine et identifiez rapidement la pièce compatible.</p> 24 - CONTROLEUR... <p>Vue éclatée 24 pour TGB LANDMAX 1000 – retrouvez la liste complète des composants d'origine et identifiez rapidement la pièce compatible.</p> 24 - ECLAIRAGE INT MONITEUR... <p>Vue éclatée 24 pour TGB LANDMAX 1000 CAB – retrouvez la liste complète des composants d'origine et identifiez rapidement la pièce compatible.</p> 24 - SUPPORTS MOTEUR <p>Vue éclatée 24 pour TGB BLADE 550 FLX – retrouvez la liste complète des composants d'origine et identifiez rapidement la pièce compatible.</p> 24 - SUPPORTS MOTEUR <p>Vue éclatée 24 pour TGB BLADE 600 FLX – retrouvez la liste complète des composants d'origine et identifiez rapidement la pièce compatible.</p> 24 - SUPPORTS MOTEUR <p>Vue éclatée 24 pour TGB BLADE 600 LTX ABS – retrouvez la liste complète des composants d'origine et identifiez rapidement la pièce compatible.</p> 25 - COMPTEUR <p>Vue éclatée 25 pour TGB LANDMAX 1000 – retrouvez la liste complète des composants d'origine et identifiez rapidement la pièce compatible.</p> 25 - CONTROLEUR... <p>Vue éclatée 25 pour TGB LANDMAX 1000 CAB – retrouvez la liste complète des composants d'origine et identifiez rapidement la pièce compatible.</p> 25 - MOTEUR DE DIFFERENTIEL <p>Vue éclatée 25 pour TGB BLADE 550 FLX – retrouvez la liste complète des composants d'origine et identifiez rapidement la pièce compatible.</p> 25 - MOTEUR DE DIFFERENTIEL <p>Vue éclatée 25 pour TGB BLADE 600 FLX – retrouvez la liste complète des composants d'origine et identifiez rapidement la pièce compatible.</p> 25 - MOTEUR DE DIFFERENTIEL <p>Vue éclatée 25 pour TGB BLADE 600 LTX ABS – retrouvez la liste complète des composants d'origine et identifiez rapidement la pièce compatible.</p> 26 - COMPTEUR <p>Vue éclatée 26 pour TGB LANDMAX 1000 CAB – retrouvez la liste complète des composants d'origine et identifiez rapidement la pièce compatible.</p> 26 - DIRECTION ASSISTEE... <p>Vue éclatée 26 pour TGB BLADE 550 FLX – retrouvez la liste complète des composants d'origine et identifiez rapidement la pièce compatible.</p> 26 - DIRECTION ASSISTEE... <p>Vue éclatée 26 pour TGB BLADE 600 LTX ABS – retrouvez la liste complète des composants d'origine et identifiez rapidement la pièce compatible.</p> 26 - ECLAIRAGE AVANT <p>Vue éclatée 26 pour TGB LANDMAX 1000 – retrouvez la liste complète des composants d'origine et identifiez rapidement la pièce compatible.</p> 26 - SUPPORTS DIFFERENTIEL... <p>Vue éclatée 26 pour TGB BLADE 600 FLX – retrouvez la liste complète des composants d'origine et identifiez rapidement la pièce compatible.</p> 27 - COMPTEUR <p>Vue éclatée 27 pour TGB BLADE 550 FLX – retrouvez la liste complète des composants d'origine et identifiez rapidement la pièce compatible.</p> 27 - COMPTEUR <p>Vue éclatée 27 pour TGB BLADE 600 LTX ABS – retrouvez la liste complète des composants d'origine et identifiez rapidement la pièce compatible.</p> 27 - DIRECTION ASSISTEE... <p>Vue éclatée 27 pour TGB BLADE 600 FLX – retrouvez la liste complète des composants d'origine et identifiez rapidement la pièce compatible.</p> 27 - ECLAIRAGE ARRIERE <p>Vue éclatée 27 pour TGB LANDMAX 1000 – retrouvez la liste complète des composants d'origine et identifiez rapidement la pièce compatible.</p> 27 - ECLAIRAGE AVANT <p>Vue éclatée 27 pour TGB LANDMAX 1000 CAB – retrouvez la liste complète des composants d'origine et identifiez rapidement la pièce compatible.</p> Affichage 1-100 de 539 article(s) 1 2 3 … 6 Suivant Retour en haut
10 - DEBITMETRE <p>Vue éclatée 10 pour TGB BLADE 600 LTX ABS – retrouvez la liste complète des composants d'origine et identifiez rapidement la pièce compatible.</p> 11 - SYSTEME ELECTRIQUE 1 <p>Vue éclatée 11 pour TGB LANDMAX 1000 – retrouvez la liste complète des composants d'origine et identifiez rapidement la pièce compatible.</p> 11 - SYSTEME ELECTRIQUE 1 <p>Vue éclatée 11 pour TGB LANDMAX 1000 CAB – retrouvez la liste complète des composants d'origine et identifiez rapidement la pièce compatible.</p> 11 - VILEBREQUIN <p>Vue éclatée 11 pour TGB BLADE 550 FLX – retrouvez la liste complète des composants d'origine et identifiez rapidement la pièce compatible.</p> 11 - VILEBREQUIN <p>Vue éclatée 11 pour TGB BLADE 600 FLX – retrouvez la liste complète des composants d'origine et identifiez rapidement la pièce compatible.</p> 11 - VILEBREQUIN <p>Vue éclatée 11 pour TGB BLADE 600 LTX ABS – retrouvez la liste complète des composants d'origine et identifiez rapidement la pièce compatible.</p> 12 - SYSTEME ELECTRIQUE 1 <p>Vue éclatée 12 pour TGB BLADE 550 FLX – retrouvez la liste complète des composants d'origine et identifiez rapidement la pièce compatible.</p> 12 - SYSTEME ELECTRIQUE 1 <p>Vue éclatée 12 pour TGB BLADE 600 FLX – retrouvez la liste complète des composants d'origine et identifiez rapidement la pièce compatible.</p> 12 - SYSTEME ELECTRIQUE 1 <p>Vue éclatée 12 pour TGB BLADE 600 LTX ABS – retrouvez la liste complète des composants d'origine et identifiez rapidement la pièce compatible.</p> 12 - TRANSMISSION 1 <p>Vue éclatée 12 pour TGB LANDMAX 1000 – retrouvez la liste complète des composants d'origine et identifiez rapidement la pièce compatible.</p> 12 - TRANSMISSION 1 <p>Vue éclatée 12 pour TGB LANDMAX 1000 CAB – retrouvez la liste complète des composants d'origine et identifiez rapidement la pièce compatible.</p> 13 - CARTER MOTEUR GAUCHE 1 <p>Vue éclatée 13 pour TGB BLADE 550 FLX – retrouvez la liste complète des composants d'origine et identifiez rapidement la pièce compatible.</p> 13 - CARTER MOTEUR GAUCHE 1 <p>Vue éclatée 13 pour TGB BLADE 600 FLX – retrouvez la liste complète des composants d'origine et identifiez rapidement la pièce compatible.</p> 13 - CARTER MOTEUR GAUCHE 1 <p>Vue éclatée 13 pour TGB BLADE 600 LTX ABS – retrouvez la liste complète des composants d'origine et identifiez rapidement la pièce compatible.</p> 13 - TRANSMISSION 2 <p>Vue éclatée 13 pour TGB LANDMAX 1000 – retrouvez la liste complète des composants d'origine et identifiez rapidement la pièce compatible.</p> 13 - TRANSMISSION 2 <p>Vue éclatée 13 pour TGB LANDMAX 1000 CAB – retrouvez la liste complète des composants d'origine et identifiez rapidement la pièce compatible.</p> 14 - CARTER MOTEUR GAUCHE 2 <p>Vue éclatée 14 pour TGB BLADE 550 FLX – retrouvez la liste complète des composants d'origine et identifiez rapidement la pièce compatible.</p> 14 - CARTER MOTEUR GAUCHE 2 <p>Vue éclatée 14 pour TGB BLADE 600 FLX – retrouvez la liste complète des composants d'origine et identifiez rapidement la pièce compatible.</p> 14 - CARTER MOTEUR GAUCHE 2 <p>Vue éclatée 14 pour TGB BLADE 600 LTX ABS – retrouvez la liste complète des composants d'origine et identifiez rapidement la pièce compatible.</p> 14 - VARIATEUR <p>Vue éclatée 14 pour TGB LANDMAX 1000 – retrouvez la liste complète des composants d'origine et identifiez rapidement la pièce compatible.</p> 14 - VARIATEUR <p>Vue éclatée 14 pour TGB LANDMAX 1000 CAB – retrouvez la liste complète des composants d'origine et identifiez rapidement la pièce compatible.</p> 15 - BLOCAGE DIFFERENTIEL... <p>Vue éclatée 15 pour TGB BLADE 550 FLX – retrouvez la liste complète des composants d'origine et identifiez rapidement la pièce compatible.</p> 15 - BLOCAGE DIFFERENTIEL... <p>Vue éclatée 15 pour TGB BLADE 600 FLX – retrouvez la liste complète des composants d'origine et identifiez rapidement la pièce compatible.</p> 15 - BLOCAGE DIFFERENTIEL... <p>Vue éclatée 15 pour TGB BLADE 600 LTX ABS – retrouvez la liste complète des composants d'origine et identifiez rapidement la pièce compatible.</p> 15 - ENSEMBLE ECHAPPEMENT <p>Vue éclatée 15 pour TGB LANDMAX 1000 – retrouvez la liste complète des composants d'origine et identifiez rapidement la pièce compatible.</p> 15 - ENSEMBLE ECHAPPEMENT <p>Vue éclatée 15 pour TGB LANDMAX 1000 CAB – retrouvez la liste complète des composants d'origine et identifiez rapidement la pièce compatible.</p> 16 - ENSEMBLE DIFFERENTIEL... <p>Vue éclatée 16 pour TGB BLADE 550 FLX – retrouvez la liste complète des composants d'origine et identifiez rapidement la pièce compatible.</p> 16 - ENSEMBLE DIFFERENTIEL... <p>Vue éclatée 16 pour TGB BLADE 600 FLX – retrouvez la liste complète des composants d'origine et identifiez rapidement la pièce compatible.</p> 16 - ENSEMBLE DIFFERENTIEL... <p>Vue éclatée 16 pour TGB BLADE 600 LTX ABS – retrouvez la liste complète des composants d'origine et identifiez rapidement la pièce compatible.</p> 16 - ENSEMBLE FILTRE A AIR <p>Vue éclatée 16 pour TGB LANDMAX 1000 – retrouvez la liste complète des composants d'origine et identifiez rapidement la pièce compatible.</p> 16 - ENSEMBLE FILTRE A AIR <p>Vue éclatée 16 pour TGB LANDMAX 1000 CAB – retrouvez la liste complète des composants d'origine et identifiez rapidement la pièce compatible.</p> 17 - BLOCAGE DIFFERENTIEL... <p>Vue éclatée 17 pour TGB LANDMAX 1000 – retrouvez la liste complète des composants d'origine et identifiez rapidement la pièce compatible.</p> 17 - BLOCAGE DIFFERENTIEL... <p>Vue éclatée 17 pour TGB LANDMAX 1000 CAB – retrouvez la liste complète des composants d'origine et identifiez rapidement la pièce compatible.</p> 17 - VARIATEUR <p>Vue éclatée 17 pour TGB BLADE 550 FLX – retrouvez la liste complète des composants d'origine et identifiez rapidement la pièce compatible.</p> 17 - VARIATEUR <p>Vue éclatée 17 pour TGB BLADE 600 FLX – retrouvez la liste complète des composants d'origine et identifiez rapidement la pièce compatible.</p> 17 - VARIATEUR <p>Vue éclatée 17 pour TGB BLADE 600 LTX ABS – retrouvez la liste complète des composants d'origine et identifiez rapidement la pièce compatible.</p> 18 - ENSEMBLE DIFFERENTIEL... <p>Vue éclatée 18 pour TGB LANDMAX 1000 – retrouvez la liste complète des composants d'origine et identifiez rapidement la pièce compatible.</p> 18 - ENSEMBLE DIFFERENTIEL... <p>Vue éclatée 18 pour TGB LANDMAX 1000 CAB – retrouvez la liste complète des composants d'origine et identifiez rapidement la pièce compatible.</p> 18 - ENSEMBLE ECHAPPEMENT <p>Vue éclatée 18 pour TGB BLADE 550 FLX – retrouvez la liste complète des composants d'origine et identifiez rapidement la pièce compatible.</p> 18 - ENSEMBLE ECHAPPEMENT <p>Vue éclatée 18 pour TGB BLADE 600 FLX – retrouvez la liste complète des composants d'origine et identifiez rapidement la pièce compatible.</p> 18 - ENSEMBLE ECHAPPEMENT <p>Vue éclatée 18 pour TGB BLADE 600 LTX ABS – retrouvez la liste complète des composants d'origine et identifiez rapidement la pièce compatible.</p> 19 - DIRECTION ASSISTEE <p>Vue éclatée 19 pour TGB LANDMAX 1000 – retrouvez la liste complète des composants d'origine et identifiez rapidement la pièce compatible.</p> 19 - DIRECTION ASSISTEE <p>Vue éclatée 19 pour TGB LANDMAX 1000 CAB – retrouvez la liste complète des composants d'origine et identifiez rapidement la pièce compatible.</p> 19 - ENSEMBLE FILTRE A AIR <p>Vue éclatée 19 pour TGB BLADE 550 FLX – retrouvez la liste complète des composants d'origine et identifiez rapidement la pièce compatible.</p> 19 - ENSEMBLE FILTRE A AIR <p>Vue éclatée 19 pour TGB BLADE 600 FLX – retrouvez la liste complète des composants d'origine et identifiez rapidement la pièce compatible.</p> 19 - ENSEMBLE FILTRE A AIR <p>Vue éclatée 19 pour TGB BLADE 600 LTX ABS – retrouvez la liste complète des composants d'origine et identifiez rapidement la pièce compatible.</p> 2 - SYSTEME ADMISSION <p>Vue éclatée 2 pour TGB BLADE 550 FLX – retrouvez la liste complète des composants d'origine et identifiez rapidement la pièce compatible.</p> 2 - SYSTEME ADMISSION <p>Vue éclatée 2 pour TGB BLADE 600 FLX – retrouvez la liste complète des composants d'origine et identifiez rapidement la pièce compatible.</p> 2 - SYSTEME ADMISSION <p>Vue éclatée 2 pour TGB BLADE 600 LTX ABS – retrouvez la liste complète des composants d'origine et identifiez rapidement la pièce compatible.</p> 2 - SYSTEME ADMISSION <p>Vue éclatée 2 pour TGB LANDMAX 1000 – retrouvez la liste complète des composants d'origine et identifiez rapidement la pièce compatible.</p> 2 - SYSTEME ADMISSION <p>Vue éclatée 2 pour TGB LANDMAX 1000 CAB – retrouvez la liste complète des composants d'origine et identifiez rapidement la pièce compatible.</p> 20 - ENSEMBLE REFROIDISSEMENT <p>Vue éclatée 20 pour TGB BLADE 550 FLX – retrouvez la liste complète des composants d'origine et identifiez rapidement la pièce compatible.</p> 20 - ENSEMBLE REFROIDISSEMENT <p>Vue éclatée 20 pour TGB BLADE 600 FLX – retrouvez la liste complète des composants d'origine et identifiez rapidement la pièce compatible.</p> 20 - ENSEMBLE REFROIDISSEMENT <p>Vue éclatée 20 pour TGB BLADE 600 LTX ABS – retrouvez la liste complète des composants d'origine et identifiez rapidement la pièce compatible.</p> 20 - ENSEMBLE REFROIDISSEMENT <p>Vue éclatée 20 pour TGB LANDMAX 1000 – retrouvez la liste complète des composants d'origine et identifiez rapidement la pièce compatible.</p> 20 - ENSEMBLE REFROIDISSEMENT <p>Vue éclatée 20 pour TGB LANDMAX 1000 CAB – retrouvez la liste complète des composants d'origine et identifiez rapidement la pièce compatible.</p> 21 - SYSTEME ELECTRIQUE 2 <p>Vue éclatée 21 pour TGB BLADE 550 FLX – retrouvez la liste complète des composants d'origine et identifiez rapidement la pièce compatible.</p> 21 - SYSTEME ELECTRIQUE 2 <p>Vue éclatée 21 pour TGB BLADE 600 FLX – retrouvez la liste complète des composants d'origine et identifiez rapidement la pièce compatible.</p> 21 - SYSTEME ELECTRIQUE 2 <p>Vue éclatée 21 pour TGB BLADE 600 LTX ABS – retrouvez la liste complète des composants d'origine et identifiez rapidement la pièce compatible.</p> 21 - SYSTEME ELECTRIQUE 2 <p>Vue éclatée 21 pour TGB LANDMAX 1000 – retrouvez la liste complète des composants d'origine et identifiez rapidement la pièce compatible.</p> 21 - SYSTEME ELECTRIQUE 2 <p>Vue éclatée 21 pour TGB LANDMAX 1000 CAB – retrouvez la liste complète des composants d'origine et identifiez rapidement la pièce compatible.</p> 22 - SYSTEME ELECTRIQUE 3 <p>Vue éclatée 22 pour TGB BLADE 550 FLX – retrouvez la liste complète des composants d'origine et identifiez rapidement la pièce compatible.</p> 22 - SYSTEME ELECTRIQUE 3 <p>Vue éclatée 22 pour TGB BLADE 600 FLX – retrouvez la liste complète des composants d'origine et identifiez rapidement la pièce compatible.</p> 22 - SYSTEME ELECTRIQUE 3 <p>Vue éclatée 22 pour TGB BLADE 600 LTX ABS – retrouvez la liste complète des composants d'origine et identifiez rapidement la pièce compatible.</p> 22 - SYSTEME ELECTRIQUE 3 <p>Vue éclatée 22 pour TGB LANDMAX 1000 – retrouvez la liste complète des composants d'origine et identifiez rapidement la pièce compatible.</p> 22 - SYSTEME ELECTRIQUE 3 <p>Vue éclatée 22 pour TGB LANDMAX 1000 CAB – retrouvez la liste complète des composants d'origine et identifiez rapidement la pièce compatible.</p> 23 - RELAIS SUPPORTS <p>Vue éclatée 23 pour TGB LANDMAX 1000 – retrouvez la liste complète des composants d'origine et identifiez rapidement la pièce compatible.</p> 23 - RELAIS SUPPORTS <p>Vue éclatée 23 pour TGB LANDMAX 1000 CAB – retrouvez la liste complète des composants d'origine et identifiez rapidement la pièce compatible.</p> 23 - SUPPORTS <p>Vue éclatée 23 pour TGB BLADE 550 FLX – retrouvez la liste complète des composants d'origine et identifiez rapidement la pièce compatible.</p> 23 - SUPPORTS <p>Vue éclatée 23 pour TGB BLADE 600 FLX – retrouvez la liste complète des composants d'origine et identifiez rapidement la pièce compatible.</p> 23 - SUPPORTS <p>Vue éclatée 23 pour TGB BLADE 600 LTX ABS – retrouvez la liste complète des composants d'origine et identifiez rapidement la pièce compatible.</p> 24 - CONTROLEUR... <p>Vue éclatée 24 pour TGB LANDMAX 1000 – retrouvez la liste complète des composants d'origine et identifiez rapidement la pièce compatible.</p> 24 - ECLAIRAGE INT MONITEUR... <p>Vue éclatée 24 pour TGB LANDMAX 1000 CAB – retrouvez la liste complète des composants d'origine et identifiez rapidement la pièce compatible.</p> 24 - SUPPORTS MOTEUR <p>Vue éclatée 24 pour TGB BLADE 550 FLX – retrouvez la liste complète des composants d'origine et identifiez rapidement la pièce compatible.</p> 24 - SUPPORTS MOTEUR <p>Vue éclatée 24 pour TGB BLADE 600 FLX – retrouvez la liste complète des composants d'origine et identifiez rapidement la pièce compatible.</p> 24 - SUPPORTS MOTEUR <p>Vue éclatée 24 pour TGB BLADE 600 LTX ABS – retrouvez la liste complète des composants d'origine et identifiez rapidement la pièce compatible.</p> 25 - COMPTEUR <p>Vue éclatée 25 pour TGB LANDMAX 1000 – retrouvez la liste complète des composants d'origine et identifiez rapidement la pièce compatible.</p> 25 - CONTROLEUR... <p>Vue éclatée 25 pour TGB LANDMAX 1000 CAB – retrouvez la liste complète des composants d'origine et identifiez rapidement la pièce compatible.</p> 25 - MOTEUR DE DIFFERENTIEL <p>Vue éclatée 25 pour TGB BLADE 550 FLX – retrouvez la liste complète des composants d'origine et identifiez rapidement la pièce compatible.</p> 25 - MOTEUR DE DIFFERENTIEL <p>Vue éclatée 25 pour TGB BLADE 600 FLX – retrouvez la liste complète des composants d'origine et identifiez rapidement la pièce compatible.</p> 25 - MOTEUR DE DIFFERENTIEL <p>Vue éclatée 25 pour TGB BLADE 600 LTX ABS – retrouvez la liste complète des composants d'origine et identifiez rapidement la pièce compatible.</p> 26 - COMPTEUR <p>Vue éclatée 26 pour TGB LANDMAX 1000 CAB – retrouvez la liste complète des composants d'origine et identifiez rapidement la pièce compatible.</p> 26 - DIRECTION ASSISTEE... <p>Vue éclatée 26 pour TGB BLADE 550 FLX – retrouvez la liste complète des composants d'origine et identifiez rapidement la pièce compatible.</p> 26 - DIRECTION ASSISTEE... <p>Vue éclatée 26 pour TGB BLADE 600 LTX ABS – retrouvez la liste complète des composants d'origine et identifiez rapidement la pièce compatible.</p> 26 - ECLAIRAGE AVANT <p>Vue éclatée 26 pour TGB LANDMAX 1000 – retrouvez la liste complète des composants d'origine et identifiez rapidement la pièce compatible.</p> 26 - SUPPORTS DIFFERENTIEL... <p>Vue éclatée 26 pour TGB BLADE 600 FLX – retrouvez la liste complète des composants d'origine et identifiez rapidement la pièce compatible.</p> 27 - COMPTEUR <p>Vue éclatée 27 pour TGB BLADE 550 FLX – retrouvez la liste complète des composants d'origine et identifiez rapidement la pièce compatible.</p> 27 - COMPTEUR <p>Vue éclatée 27 pour TGB BLADE 600 LTX ABS – retrouvez la liste complète des composants d'origine et identifiez rapidement la pièce compatible.</p> 27 - DIRECTION ASSISTEE... <p>Vue éclatée 27 pour TGB BLADE 600 FLX – retrouvez la liste complète des composants d'origine et identifiez rapidement la pièce compatible.</p> 27 - ECLAIRAGE ARRIERE <p>Vue éclatée 27 pour TGB LANDMAX 1000 – retrouvez la liste complète des composants d'origine et identifiez rapidement la pièce compatible.</p> 27 - ECLAIRAGE AVANT <p>Vue éclatée 27 pour TGB LANDMAX 1000 CAB – retrouvez la liste complète des composants d'origine et identifiez rapidement la pièce compatible.</p> Affichage 1-100 de 539 article(s) 1 2 3 … 6 Suivant Retour en haut
11 - SYSTEME ELECTRIQUE 1 <p>Vue éclatée 11 pour TGB LANDMAX 1000 – retrouvez la liste complète des composants d'origine et identifiez rapidement la pièce compatible.</p> 11 - SYSTEME ELECTRIQUE 1 <p>Vue éclatée 11 pour TGB LANDMAX 1000 CAB – retrouvez la liste complète des composants d'origine et identifiez rapidement la pièce compatible.</p> 11 - VILEBREQUIN <p>Vue éclatée 11 pour TGB BLADE 550 FLX – retrouvez la liste complète des composants d'origine et identifiez rapidement la pièce compatible.</p> 11 - VILEBREQUIN <p>Vue éclatée 11 pour TGB BLADE 600 FLX – retrouvez la liste complète des composants d'origine et identifiez rapidement la pièce compatible.</p> 11 - VILEBREQUIN <p>Vue éclatée 11 pour TGB BLADE 600 LTX ABS – retrouvez la liste complète des composants d'origine et identifiez rapidement la pièce compatible.</p> 12 - SYSTEME ELECTRIQUE 1 <p>Vue éclatée 12 pour TGB BLADE 550 FLX – retrouvez la liste complète des composants d'origine et identifiez rapidement la pièce compatible.</p> 12 - SYSTEME ELECTRIQUE 1 <p>Vue éclatée 12 pour TGB BLADE 600 FLX – retrouvez la liste complète des composants d'origine et identifiez rapidement la pièce compatible.</p> 12 - SYSTEME ELECTRIQUE 1 <p>Vue éclatée 12 pour TGB BLADE 600 LTX ABS – retrouvez la liste complète des composants d'origine et identifiez rapidement la pièce compatible.</p> 12 - TRANSMISSION 1 <p>Vue éclatée 12 pour TGB LANDMAX 1000 – retrouvez la liste complète des composants d'origine et identifiez rapidement la pièce compatible.</p> 12 - TRANSMISSION 1 <p>Vue éclatée 12 pour TGB LANDMAX 1000 CAB – retrouvez la liste complète des composants d'origine et identifiez rapidement la pièce compatible.</p> 13 - CARTER MOTEUR GAUCHE 1 <p>Vue éclatée 13 pour TGB BLADE 550 FLX – retrouvez la liste complète des composants d'origine et identifiez rapidement la pièce compatible.</p> 13 - CARTER MOTEUR GAUCHE 1 <p>Vue éclatée 13 pour TGB BLADE 600 FLX – retrouvez la liste complète des composants d'origine et identifiez rapidement la pièce compatible.</p> 13 - CARTER MOTEUR GAUCHE 1 <p>Vue éclatée 13 pour TGB BLADE 600 LTX ABS – retrouvez la liste complète des composants d'origine et identifiez rapidement la pièce compatible.</p> 13 - TRANSMISSION 2 <p>Vue éclatée 13 pour TGB LANDMAX 1000 – retrouvez la liste complète des composants d'origine et identifiez rapidement la pièce compatible.</p> 13 - TRANSMISSION 2 <p>Vue éclatée 13 pour TGB LANDMAX 1000 CAB – retrouvez la liste complète des composants d'origine et identifiez rapidement la pièce compatible.</p> 14 - CARTER MOTEUR GAUCHE 2 <p>Vue éclatée 14 pour TGB BLADE 550 FLX – retrouvez la liste complète des composants d'origine et identifiez rapidement la pièce compatible.</p> 14 - CARTER MOTEUR GAUCHE 2 <p>Vue éclatée 14 pour TGB BLADE 600 FLX – retrouvez la liste complète des composants d'origine et identifiez rapidement la pièce compatible.</p> 14 - CARTER MOTEUR GAUCHE 2 <p>Vue éclatée 14 pour TGB BLADE 600 LTX ABS – retrouvez la liste complète des composants d'origine et identifiez rapidement la pièce compatible.</p> 14 - VARIATEUR <p>Vue éclatée 14 pour TGB LANDMAX 1000 – retrouvez la liste complète des composants d'origine et identifiez rapidement la pièce compatible.</p> 14 - VARIATEUR <p>Vue éclatée 14 pour TGB LANDMAX 1000 CAB – retrouvez la liste complète des composants d'origine et identifiez rapidement la pièce compatible.</p> 15 - BLOCAGE DIFFERENTIEL... <p>Vue éclatée 15 pour TGB BLADE 550 FLX – retrouvez la liste complète des composants d'origine et identifiez rapidement la pièce compatible.</p> 15 - BLOCAGE DIFFERENTIEL... <p>Vue éclatée 15 pour TGB BLADE 600 FLX – retrouvez la liste complète des composants d'origine et identifiez rapidement la pièce compatible.</p> 15 - BLOCAGE DIFFERENTIEL... <p>Vue éclatée 15 pour TGB BLADE 600 LTX ABS – retrouvez la liste complète des composants d'origine et identifiez rapidement la pièce compatible.</p> 15 - ENSEMBLE ECHAPPEMENT <p>Vue éclatée 15 pour TGB LANDMAX 1000 – retrouvez la liste complète des composants d'origine et identifiez rapidement la pièce compatible.</p> 15 - ENSEMBLE ECHAPPEMENT <p>Vue éclatée 15 pour TGB LANDMAX 1000 CAB – retrouvez la liste complète des composants d'origine et identifiez rapidement la pièce compatible.</p> 16 - ENSEMBLE DIFFERENTIEL... <p>Vue éclatée 16 pour TGB BLADE 550 FLX – retrouvez la liste complète des composants d'origine et identifiez rapidement la pièce compatible.</p> 16 - ENSEMBLE DIFFERENTIEL... <p>Vue éclatée 16 pour TGB BLADE 600 FLX – retrouvez la liste complète des composants d'origine et identifiez rapidement la pièce compatible.</p> 16 - ENSEMBLE DIFFERENTIEL... <p>Vue éclatée 16 pour TGB BLADE 600 LTX ABS – retrouvez la liste complète des composants d'origine et identifiez rapidement la pièce compatible.</p> 16 - ENSEMBLE FILTRE A AIR <p>Vue éclatée 16 pour TGB LANDMAX 1000 – retrouvez la liste complète des composants d'origine et identifiez rapidement la pièce compatible.</p> 16 - ENSEMBLE FILTRE A AIR <p>Vue éclatée 16 pour TGB LANDMAX 1000 CAB – retrouvez la liste complète des composants d'origine et identifiez rapidement la pièce compatible.</p> 17 - BLOCAGE DIFFERENTIEL... <p>Vue éclatée 17 pour TGB LANDMAX 1000 – retrouvez la liste complète des composants d'origine et identifiez rapidement la pièce compatible.</p> 17 - BLOCAGE DIFFERENTIEL... <p>Vue éclatée 17 pour TGB LANDMAX 1000 CAB – retrouvez la liste complète des composants d'origine et identifiez rapidement la pièce compatible.</p> 17 - VARIATEUR <p>Vue éclatée 17 pour TGB BLADE 550 FLX – retrouvez la liste complète des composants d'origine et identifiez rapidement la pièce compatible.</p> 17 - VARIATEUR <p>Vue éclatée 17 pour TGB BLADE 600 FLX – retrouvez la liste complète des composants d'origine et identifiez rapidement la pièce compatible.</p> 17 - VARIATEUR <p>Vue éclatée 17 pour TGB BLADE 600 LTX ABS – retrouvez la liste complète des composants d'origine et identifiez rapidement la pièce compatible.</p> 18 - ENSEMBLE DIFFERENTIEL... <p>Vue éclatée 18 pour TGB LANDMAX 1000 – retrouvez la liste complète des composants d'origine et identifiez rapidement la pièce compatible.</p> 18 - ENSEMBLE DIFFERENTIEL... <p>Vue éclatée 18 pour TGB LANDMAX 1000 CAB – retrouvez la liste complète des composants d'origine et identifiez rapidement la pièce compatible.</p> 18 - ENSEMBLE ECHAPPEMENT <p>Vue éclatée 18 pour TGB BLADE 550 FLX – retrouvez la liste complète des composants d'origine et identifiez rapidement la pièce compatible.</p> 18 - ENSEMBLE ECHAPPEMENT <p>Vue éclatée 18 pour TGB BLADE 600 FLX – retrouvez la liste complète des composants d'origine et identifiez rapidement la pièce compatible.</p> 18 - ENSEMBLE ECHAPPEMENT <p>Vue éclatée 18 pour TGB BLADE 600 LTX ABS – retrouvez la liste complète des composants d'origine et identifiez rapidement la pièce compatible.</p> 19 - DIRECTION ASSISTEE <p>Vue éclatée 19 pour TGB LANDMAX 1000 – retrouvez la liste complète des composants d'origine et identifiez rapidement la pièce compatible.</p> 19 - DIRECTION ASSISTEE <p>Vue éclatée 19 pour TGB LANDMAX 1000 CAB – retrouvez la liste complète des composants d'origine et identifiez rapidement la pièce compatible.</p> 19 - ENSEMBLE FILTRE A AIR <p>Vue éclatée 19 pour TGB BLADE 550 FLX – retrouvez la liste complète des composants d'origine et identifiez rapidement la pièce compatible.</p> 19 - ENSEMBLE FILTRE A AIR <p>Vue éclatée 19 pour TGB BLADE 600 FLX – retrouvez la liste complète des composants d'origine et identifiez rapidement la pièce compatible.</p> 19 - ENSEMBLE FILTRE A AIR <p>Vue éclatée 19 pour TGB BLADE 600 LTX ABS – retrouvez la liste complète des composants d'origine et identifiez rapidement la pièce compatible.</p> 2 - SYSTEME ADMISSION <p>Vue éclatée 2 pour TGB BLADE 550 FLX – retrouvez la liste complète des composants d'origine et identifiez rapidement la pièce compatible.</p> 2 - SYSTEME ADMISSION <p>Vue éclatée 2 pour TGB BLADE 600 FLX – retrouvez la liste complète des composants d'origine et identifiez rapidement la pièce compatible.</p> 2 - SYSTEME ADMISSION <p>Vue éclatée 2 pour TGB BLADE 600 LTX ABS – retrouvez la liste complète des composants d'origine et identifiez rapidement la pièce compatible.</p> 2 - SYSTEME ADMISSION <p>Vue éclatée 2 pour TGB LANDMAX 1000 – retrouvez la liste complète des composants d'origine et identifiez rapidement la pièce compatible.</p> 2 - SYSTEME ADMISSION <p>Vue éclatée 2 pour TGB LANDMAX 1000 CAB – retrouvez la liste complète des composants d'origine et identifiez rapidement la pièce compatible.</p> 20 - ENSEMBLE REFROIDISSEMENT <p>Vue éclatée 20 pour TGB BLADE 550 FLX – retrouvez la liste complète des composants d'origine et identifiez rapidement la pièce compatible.</p> 20 - ENSEMBLE REFROIDISSEMENT <p>Vue éclatée 20 pour TGB BLADE 600 FLX – retrouvez la liste complète des composants d'origine et identifiez rapidement la pièce compatible.</p> 20 - ENSEMBLE REFROIDISSEMENT <p>Vue éclatée 20 pour TGB BLADE 600 LTX ABS – retrouvez la liste complète des composants d'origine et identifiez rapidement la pièce compatible.</p> 20 - ENSEMBLE REFROIDISSEMENT <p>Vue éclatée 20 pour TGB LANDMAX 1000 – retrouvez la liste complète des composants d'origine et identifiez rapidement la pièce compatible.</p> 20 - ENSEMBLE REFROIDISSEMENT <p>Vue éclatée 20 pour TGB LANDMAX 1000 CAB – retrouvez la liste complète des composants d'origine et identifiez rapidement la pièce compatible.</p> 21 - SYSTEME ELECTRIQUE 2 <p>Vue éclatée 21 pour TGB BLADE 550 FLX – retrouvez la liste complète des composants d'origine et identifiez rapidement la pièce compatible.</p> 21 - SYSTEME ELECTRIQUE 2 <p>Vue éclatée 21 pour TGB BLADE 600 FLX – retrouvez la liste complète des composants d'origine et identifiez rapidement la pièce compatible.</p> 21 - SYSTEME ELECTRIQUE 2 <p>Vue éclatée 21 pour TGB BLADE 600 LTX ABS – retrouvez la liste complète des composants d'origine et identifiez rapidement la pièce compatible.</p> 21 - SYSTEME ELECTRIQUE 2 <p>Vue éclatée 21 pour TGB LANDMAX 1000 – retrouvez la liste complète des composants d'origine et identifiez rapidement la pièce compatible.</p> 21 - SYSTEME ELECTRIQUE 2 <p>Vue éclatée 21 pour TGB LANDMAX 1000 CAB – retrouvez la liste complète des composants d'origine et identifiez rapidement la pièce compatible.</p> 22 - SYSTEME ELECTRIQUE 3 <p>Vue éclatée 22 pour TGB BLADE 550 FLX – retrouvez la liste complète des composants d'origine et identifiez rapidement la pièce compatible.</p> 22 - SYSTEME ELECTRIQUE 3 <p>Vue éclatée 22 pour TGB BLADE 600 FLX – retrouvez la liste complète des composants d'origine et identifiez rapidement la pièce compatible.</p> 22 - SYSTEME ELECTRIQUE 3 <p>Vue éclatée 22 pour TGB BLADE 600 LTX ABS – retrouvez la liste complète des composants d'origine et identifiez rapidement la pièce compatible.</p> 22 - SYSTEME ELECTRIQUE 3 <p>Vue éclatée 22 pour TGB LANDMAX 1000 – retrouvez la liste complète des composants d'origine et identifiez rapidement la pièce compatible.</p> 22 - SYSTEME ELECTRIQUE 3 <p>Vue éclatée 22 pour TGB LANDMAX 1000 CAB – retrouvez la liste complète des composants d'origine et identifiez rapidement la pièce compatible.</p> 23 - RELAIS SUPPORTS <p>Vue éclatée 23 pour TGB LANDMAX 1000 – retrouvez la liste complète des composants d'origine et identifiez rapidement la pièce compatible.</p> 23 - RELAIS SUPPORTS <p>Vue éclatée 23 pour TGB LANDMAX 1000 CAB – retrouvez la liste complète des composants d'origine et identifiez rapidement la pièce compatible.</p> 23 - SUPPORTS <p>Vue éclatée 23 pour TGB BLADE 550 FLX – retrouvez la liste complète des composants d'origine et identifiez rapidement la pièce compatible.</p> 23 - SUPPORTS <p>Vue éclatée 23 pour TGB BLADE 600 FLX – retrouvez la liste complète des composants d'origine et identifiez rapidement la pièce compatible.</p> 23 - SUPPORTS <p>Vue éclatée 23 pour TGB BLADE 600 LTX ABS – retrouvez la liste complète des composants d'origine et identifiez rapidement la pièce compatible.</p> 24 - CONTROLEUR... <p>Vue éclatée 24 pour TGB LANDMAX 1000 – retrouvez la liste complète des composants d'origine et identifiez rapidement la pièce compatible.</p> 24 - ECLAIRAGE INT MONITEUR... <p>Vue éclatée 24 pour TGB LANDMAX 1000 CAB – retrouvez la liste complète des composants d'origine et identifiez rapidement la pièce compatible.</p> 24 - SUPPORTS MOTEUR <p>Vue éclatée 24 pour TGB BLADE 550 FLX – retrouvez la liste complète des composants d'origine et identifiez rapidement la pièce compatible.</p> 24 - SUPPORTS MOTEUR <p>Vue éclatée 24 pour TGB BLADE 600 FLX – retrouvez la liste complète des composants d'origine et identifiez rapidement la pièce compatible.</p> 24 - SUPPORTS MOTEUR <p>Vue éclatée 24 pour TGB BLADE 600 LTX ABS – retrouvez la liste complète des composants d'origine et identifiez rapidement la pièce compatible.</p> 25 - COMPTEUR <p>Vue éclatée 25 pour TGB LANDMAX 1000 – retrouvez la liste complète des composants d'origine et identifiez rapidement la pièce compatible.</p> 25 - CONTROLEUR... <p>Vue éclatée 25 pour TGB LANDMAX 1000 CAB – retrouvez la liste complète des composants d'origine et identifiez rapidement la pièce compatible.</p> 25 - MOTEUR DE DIFFERENTIEL <p>Vue éclatée 25 pour TGB BLADE 550 FLX – retrouvez la liste complète des composants d'origine et identifiez rapidement la pièce compatible.</p> 25 - MOTEUR DE DIFFERENTIEL <p>Vue éclatée 25 pour TGB BLADE 600 FLX – retrouvez la liste complète des composants d'origine et identifiez rapidement la pièce compatible.</p> 25 - MOTEUR DE DIFFERENTIEL <p>Vue éclatée 25 pour TGB BLADE 600 LTX ABS – retrouvez la liste complète des composants d'origine et identifiez rapidement la pièce compatible.</p> 26 - COMPTEUR <p>Vue éclatée 26 pour TGB LANDMAX 1000 CAB – retrouvez la liste complète des composants d'origine et identifiez rapidement la pièce compatible.</p> 26 - DIRECTION ASSISTEE... <p>Vue éclatée 26 pour TGB BLADE 550 FLX – retrouvez la liste complète des composants d'origine et identifiez rapidement la pièce compatible.</p> 26 - DIRECTION ASSISTEE... <p>Vue éclatée 26 pour TGB BLADE 600 LTX ABS – retrouvez la liste complète des composants d'origine et identifiez rapidement la pièce compatible.</p> 26 - ECLAIRAGE AVANT <p>Vue éclatée 26 pour TGB LANDMAX 1000 – retrouvez la liste complète des composants d'origine et identifiez rapidement la pièce compatible.</p> 26 - SUPPORTS DIFFERENTIEL... <p>Vue éclatée 26 pour TGB BLADE 600 FLX – retrouvez la liste complète des composants d'origine et identifiez rapidement la pièce compatible.</p> 27 - COMPTEUR <p>Vue éclatée 27 pour TGB BLADE 550 FLX – retrouvez la liste complète des composants d'origine et identifiez rapidement la pièce compatible.</p> 27 - COMPTEUR <p>Vue éclatée 27 pour TGB BLADE 600 LTX ABS – retrouvez la liste complète des composants d'origine et identifiez rapidement la pièce compatible.</p> 27 - DIRECTION ASSISTEE... <p>Vue éclatée 27 pour TGB BLADE 600 FLX – retrouvez la liste complète des composants d'origine et identifiez rapidement la pièce compatible.</p> 27 - ECLAIRAGE ARRIERE <p>Vue éclatée 27 pour TGB LANDMAX 1000 – retrouvez la liste complète des composants d'origine et identifiez rapidement la pièce compatible.</p> 27 - ECLAIRAGE AVANT <p>Vue éclatée 27 pour TGB LANDMAX 1000 CAB – retrouvez la liste complète des composants d'origine et identifiez rapidement la pièce compatible.</p> Affichage 1-100 de 539 article(s) 1 2 3 … 6 Suivant Retour en haut
11 - SYSTEME ELECTRIQUE 1 <p>Vue éclatée 11 pour TGB LANDMAX 1000 CAB – retrouvez la liste complète des composants d'origine et identifiez rapidement la pièce compatible.</p> 11 - VILEBREQUIN <p>Vue éclatée 11 pour TGB BLADE 550 FLX – retrouvez la liste complète des composants d'origine et identifiez rapidement la pièce compatible.</p> 11 - VILEBREQUIN <p>Vue éclatée 11 pour TGB BLADE 600 FLX – retrouvez la liste complète des composants d'origine et identifiez rapidement la pièce compatible.</p> 11 - VILEBREQUIN <p>Vue éclatée 11 pour TGB BLADE 600 LTX ABS – retrouvez la liste complète des composants d'origine et identifiez rapidement la pièce compatible.</p> 12 - SYSTEME ELECTRIQUE 1 <p>Vue éclatée 12 pour TGB BLADE 550 FLX – retrouvez la liste complète des composants d'origine et identifiez rapidement la pièce compatible.</p> 12 - SYSTEME ELECTRIQUE 1 <p>Vue éclatée 12 pour TGB BLADE 600 FLX – retrouvez la liste complète des composants d'origine et identifiez rapidement la pièce compatible.</p> 12 - SYSTEME ELECTRIQUE 1 <p>Vue éclatée 12 pour TGB BLADE 600 LTX ABS – retrouvez la liste complète des composants d'origine et identifiez rapidement la pièce compatible.</p> 12 - TRANSMISSION 1 <p>Vue éclatée 12 pour TGB LANDMAX 1000 – retrouvez la liste complète des composants d'origine et identifiez rapidement la pièce compatible.</p> 12 - TRANSMISSION 1 <p>Vue éclatée 12 pour TGB LANDMAX 1000 CAB – retrouvez la liste complète des composants d'origine et identifiez rapidement la pièce compatible.</p> 13 - CARTER MOTEUR GAUCHE 1 <p>Vue éclatée 13 pour TGB BLADE 550 FLX – retrouvez la liste complète des composants d'origine et identifiez rapidement la pièce compatible.</p> 13 - CARTER MOTEUR GAUCHE 1 <p>Vue éclatée 13 pour TGB BLADE 600 FLX – retrouvez la liste complète des composants d'origine et identifiez rapidement la pièce compatible.</p> 13 - CARTER MOTEUR GAUCHE 1 <p>Vue éclatée 13 pour TGB BLADE 600 LTX ABS – retrouvez la liste complète des composants d'origine et identifiez rapidement la pièce compatible.</p> 13 - TRANSMISSION 2 <p>Vue éclatée 13 pour TGB LANDMAX 1000 – retrouvez la liste complète des composants d'origine et identifiez rapidement la pièce compatible.</p> 13 - TRANSMISSION 2 <p>Vue éclatée 13 pour TGB LANDMAX 1000 CAB – retrouvez la liste complète des composants d'origine et identifiez rapidement la pièce compatible.</p> 14 - CARTER MOTEUR GAUCHE 2 <p>Vue éclatée 14 pour TGB BLADE 550 FLX – retrouvez la liste complète des composants d'origine et identifiez rapidement la pièce compatible.</p> 14 - CARTER MOTEUR GAUCHE 2 <p>Vue éclatée 14 pour TGB BLADE 600 FLX – retrouvez la liste complète des composants d'origine et identifiez rapidement la pièce compatible.</p> 14 - CARTER MOTEUR GAUCHE 2 <p>Vue éclatée 14 pour TGB BLADE 600 LTX ABS – retrouvez la liste complète des composants d'origine et identifiez rapidement la pièce compatible.</p> 14 - VARIATEUR <p>Vue éclatée 14 pour TGB LANDMAX 1000 – retrouvez la liste complète des composants d'origine et identifiez rapidement la pièce compatible.</p> 14 - VARIATEUR <p>Vue éclatée 14 pour TGB LANDMAX 1000 CAB – retrouvez la liste complète des composants d'origine et identifiez rapidement la pièce compatible.</p> 15 - BLOCAGE DIFFERENTIEL... <p>Vue éclatée 15 pour TGB BLADE 550 FLX – retrouvez la liste complète des composants d'origine et identifiez rapidement la pièce compatible.</p> 15 - BLOCAGE DIFFERENTIEL... <p>Vue éclatée 15 pour TGB BLADE 600 FLX – retrouvez la liste complète des composants d'origine et identifiez rapidement la pièce compatible.</p> 15 - BLOCAGE DIFFERENTIEL... <p>Vue éclatée 15 pour TGB BLADE 600 LTX ABS – retrouvez la liste complète des composants d'origine et identifiez rapidement la pièce compatible.</p> 15 - ENSEMBLE ECHAPPEMENT <p>Vue éclatée 15 pour TGB LANDMAX 1000 – retrouvez la liste complète des composants d'origine et identifiez rapidement la pièce compatible.</p> 15 - ENSEMBLE ECHAPPEMENT <p>Vue éclatée 15 pour TGB LANDMAX 1000 CAB – retrouvez la liste complète des composants d'origine et identifiez rapidement la pièce compatible.</p> 16 - ENSEMBLE DIFFERENTIEL... <p>Vue éclatée 16 pour TGB BLADE 550 FLX – retrouvez la liste complète des composants d'origine et identifiez rapidement la pièce compatible.</p> 16 - ENSEMBLE DIFFERENTIEL... <p>Vue éclatée 16 pour TGB BLADE 600 FLX – retrouvez la liste complète des composants d'origine et identifiez rapidement la pièce compatible.</p> 16 - ENSEMBLE DIFFERENTIEL... <p>Vue éclatée 16 pour TGB BLADE 600 LTX ABS – retrouvez la liste complète des composants d'origine et identifiez rapidement la pièce compatible.</p> 16 - ENSEMBLE FILTRE A AIR <p>Vue éclatée 16 pour TGB LANDMAX 1000 – retrouvez la liste complète des composants d'origine et identifiez rapidement la pièce compatible.</p> 16 - ENSEMBLE FILTRE A AIR <p>Vue éclatée 16 pour TGB LANDMAX 1000 CAB – retrouvez la liste complète des composants d'origine et identifiez rapidement la pièce compatible.</p> 17 - BLOCAGE DIFFERENTIEL... <p>Vue éclatée 17 pour TGB LANDMAX 1000 – retrouvez la liste complète des composants d'origine et identifiez rapidement la pièce compatible.</p> 17 - BLOCAGE DIFFERENTIEL... <p>Vue éclatée 17 pour TGB LANDMAX 1000 CAB – retrouvez la liste complète des composants d'origine et identifiez rapidement la pièce compatible.</p> 17 - VARIATEUR <p>Vue éclatée 17 pour TGB BLADE 550 FLX – retrouvez la liste complète des composants d'origine et identifiez rapidement la pièce compatible.</p> 17 - VARIATEUR <p>Vue éclatée 17 pour TGB BLADE 600 FLX – retrouvez la liste complète des composants d'origine et identifiez rapidement la pièce compatible.</p> 17 - VARIATEUR <p>Vue éclatée 17 pour TGB BLADE 600 LTX ABS – retrouvez la liste complète des composants d'origine et identifiez rapidement la pièce compatible.</p> 18 - ENSEMBLE DIFFERENTIEL... <p>Vue éclatée 18 pour TGB LANDMAX 1000 – retrouvez la liste complète des composants d'origine et identifiez rapidement la pièce compatible.</p> 18 - ENSEMBLE DIFFERENTIEL... <p>Vue éclatée 18 pour TGB LANDMAX 1000 CAB – retrouvez la liste complète des composants d'origine et identifiez rapidement la pièce compatible.</p> 18 - ENSEMBLE ECHAPPEMENT <p>Vue éclatée 18 pour TGB BLADE 550 FLX – retrouvez la liste complète des composants d'origine et identifiez rapidement la pièce compatible.</p> 18 - ENSEMBLE ECHAPPEMENT <p>Vue éclatée 18 pour TGB BLADE 600 FLX – retrouvez la liste complète des composants d'origine et identifiez rapidement la pièce compatible.</p> 18 - ENSEMBLE ECHAPPEMENT <p>Vue éclatée 18 pour TGB BLADE 600 LTX ABS – retrouvez la liste complète des composants d'origine et identifiez rapidement la pièce compatible.</p> 19 - DIRECTION ASSISTEE <p>Vue éclatée 19 pour TGB LANDMAX 1000 – retrouvez la liste complète des composants d'origine et identifiez rapidement la pièce compatible.</p> 19 - DIRECTION ASSISTEE <p>Vue éclatée 19 pour TGB LANDMAX 1000 CAB – retrouvez la liste complète des composants d'origine et identifiez rapidement la pièce compatible.</p> 19 - ENSEMBLE FILTRE A AIR <p>Vue éclatée 19 pour TGB BLADE 550 FLX – retrouvez la liste complète des composants d'origine et identifiez rapidement la pièce compatible.</p> 19 - ENSEMBLE FILTRE A AIR <p>Vue éclatée 19 pour TGB BLADE 600 FLX – retrouvez la liste complète des composants d'origine et identifiez rapidement la pièce compatible.</p> 19 - ENSEMBLE FILTRE A AIR <p>Vue éclatée 19 pour TGB BLADE 600 LTX ABS – retrouvez la liste complète des composants d'origine et identifiez rapidement la pièce compatible.</p> 2 - SYSTEME ADMISSION <p>Vue éclatée 2 pour TGB BLADE 550 FLX – retrouvez la liste complète des composants d'origine et identifiez rapidement la pièce compatible.</p> 2 - SYSTEME ADMISSION <p>Vue éclatée 2 pour TGB BLADE 600 FLX – retrouvez la liste complète des composants d'origine et identifiez rapidement la pièce compatible.</p> 2 - SYSTEME ADMISSION <p>Vue éclatée 2 pour TGB BLADE 600 LTX ABS – retrouvez la liste complète des composants d'origine et identifiez rapidement la pièce compatible.</p> 2 - SYSTEME ADMISSION <p>Vue éclatée 2 pour TGB LANDMAX 1000 – retrouvez la liste complète des composants d'origine et identifiez rapidement la pièce compatible.</p> 2 - SYSTEME ADMISSION <p>Vue éclatée 2 pour TGB LANDMAX 1000 CAB – retrouvez la liste complète des composants d'origine et identifiez rapidement la pièce compatible.</p> 20 - ENSEMBLE REFROIDISSEMENT <p>Vue éclatée 20 pour TGB BLADE 550 FLX – retrouvez la liste complète des composants d'origine et identifiez rapidement la pièce compatible.</p> 20 - ENSEMBLE REFROIDISSEMENT <p>Vue éclatée 20 pour TGB BLADE 600 FLX – retrouvez la liste complète des composants d'origine et identifiez rapidement la pièce compatible.</p> 20 - ENSEMBLE REFROIDISSEMENT <p>Vue éclatée 20 pour TGB BLADE 600 LTX ABS – retrouvez la liste complète des composants d'origine et identifiez rapidement la pièce compatible.</p> 20 - ENSEMBLE REFROIDISSEMENT <p>Vue éclatée 20 pour TGB LANDMAX 1000 – retrouvez la liste complète des composants d'origine et identifiez rapidement la pièce compatible.</p> 20 - ENSEMBLE REFROIDISSEMENT <p>Vue éclatée 20 pour TGB LANDMAX 1000 CAB – retrouvez la liste complète des composants d'origine et identifiez rapidement la pièce compatible.</p> 21 - SYSTEME ELECTRIQUE 2 <p>Vue éclatée 21 pour TGB BLADE 550 FLX – retrouvez la liste complète des composants d'origine et identifiez rapidement la pièce compatible.</p> 21 - SYSTEME ELECTRIQUE 2 <p>Vue éclatée 21 pour TGB BLADE 600 FLX – retrouvez la liste complète des composants d'origine et identifiez rapidement la pièce compatible.</p> 21 - SYSTEME ELECTRIQUE 2 <p>Vue éclatée 21 pour TGB BLADE 600 LTX ABS – retrouvez la liste complète des composants d'origine et identifiez rapidement la pièce compatible.</p> 21 - SYSTEME ELECTRIQUE 2 <p>Vue éclatée 21 pour TGB LANDMAX 1000 – retrouvez la liste complète des composants d'origine et identifiez rapidement la pièce compatible.</p> 21 - SYSTEME ELECTRIQUE 2 <p>Vue éclatée 21 pour TGB LANDMAX 1000 CAB – retrouvez la liste complète des composants d'origine et identifiez rapidement la pièce compatible.</p> 22 - SYSTEME ELECTRIQUE 3 <p>Vue éclatée 22 pour TGB BLADE 550 FLX – retrouvez la liste complète des composants d'origine et identifiez rapidement la pièce compatible.</p> 22 - SYSTEME ELECTRIQUE 3 <p>Vue éclatée 22 pour TGB BLADE 600 FLX – retrouvez la liste complète des composants d'origine et identifiez rapidement la pièce compatible.</p> 22 - SYSTEME ELECTRIQUE 3 <p>Vue éclatée 22 pour TGB BLADE 600 LTX ABS – retrouvez la liste complète des composants d'origine et identifiez rapidement la pièce compatible.</p> 22 - SYSTEME ELECTRIQUE 3 <p>Vue éclatée 22 pour TGB LANDMAX 1000 – retrouvez la liste complète des composants d'origine et identifiez rapidement la pièce compatible.</p> 22 - SYSTEME ELECTRIQUE 3 <p>Vue éclatée 22 pour TGB LANDMAX 1000 CAB – retrouvez la liste complète des composants d'origine et identifiez rapidement la pièce compatible.</p> 23 - RELAIS SUPPORTS <p>Vue éclatée 23 pour TGB LANDMAX 1000 – retrouvez la liste complète des composants d'origine et identifiez rapidement la pièce compatible.</p> 23 - RELAIS SUPPORTS <p>Vue éclatée 23 pour TGB LANDMAX 1000 CAB – retrouvez la liste complète des composants d'origine et identifiez rapidement la pièce compatible.</p> 23 - SUPPORTS <p>Vue éclatée 23 pour TGB BLADE 550 FLX – retrouvez la liste complète des composants d'origine et identifiez rapidement la pièce compatible.</p> 23 - SUPPORTS <p>Vue éclatée 23 pour TGB BLADE 600 FLX – retrouvez la liste complète des composants d'origine et identifiez rapidement la pièce compatible.</p> 23 - SUPPORTS <p>Vue éclatée 23 pour TGB BLADE 600 LTX ABS – retrouvez la liste complète des composants d'origine et identifiez rapidement la pièce compatible.</p> 24 - CONTROLEUR... <p>Vue éclatée 24 pour TGB LANDMAX 1000 – retrouvez la liste complète des composants d'origine et identifiez rapidement la pièce compatible.</p> 24 - ECLAIRAGE INT MONITEUR... <p>Vue éclatée 24 pour TGB LANDMAX 1000 CAB – retrouvez la liste complète des composants d'origine et identifiez rapidement la pièce compatible.</p> 24 - SUPPORTS MOTEUR <p>Vue éclatée 24 pour TGB BLADE 550 FLX – retrouvez la liste complète des composants d'origine et identifiez rapidement la pièce compatible.</p> 24 - SUPPORTS MOTEUR <p>Vue éclatée 24 pour TGB BLADE 600 FLX – retrouvez la liste complète des composants d'origine et identifiez rapidement la pièce compatible.</p> 24 - SUPPORTS MOTEUR <p>Vue éclatée 24 pour TGB BLADE 600 LTX ABS – retrouvez la liste complète des composants d'origine et identifiez rapidement la pièce compatible.</p> 25 - COMPTEUR <p>Vue éclatée 25 pour TGB LANDMAX 1000 – retrouvez la liste complète des composants d'origine et identifiez rapidement la pièce compatible.</p> 25 - CONTROLEUR... <p>Vue éclatée 25 pour TGB LANDMAX 1000 CAB – retrouvez la liste complète des composants d'origine et identifiez rapidement la pièce compatible.</p> 25 - MOTEUR DE DIFFERENTIEL <p>Vue éclatée 25 pour TGB BLADE 550 FLX – retrouvez la liste complète des composants d'origine et identifiez rapidement la pièce compatible.</p> 25 - MOTEUR DE DIFFERENTIEL <p>Vue éclatée 25 pour TGB BLADE 600 FLX – retrouvez la liste complète des composants d'origine et identifiez rapidement la pièce compatible.</p> 25 - MOTEUR DE DIFFERENTIEL <p>Vue éclatée 25 pour TGB BLADE 600 LTX ABS – retrouvez la liste complète des composants d'origine et identifiez rapidement la pièce compatible.</p> 26 - COMPTEUR <p>Vue éclatée 26 pour TGB LANDMAX 1000 CAB – retrouvez la liste complète des composants d'origine et identifiez rapidement la pièce compatible.</p> 26 - DIRECTION ASSISTEE... <p>Vue éclatée 26 pour TGB BLADE 550 FLX – retrouvez la liste complète des composants d'origine et identifiez rapidement la pièce compatible.</p> 26 - DIRECTION ASSISTEE... <p>Vue éclatée 26 pour TGB BLADE 600 LTX ABS – retrouvez la liste complète des composants d'origine et identifiez rapidement la pièce compatible.</p> 26 - ECLAIRAGE AVANT <p>Vue éclatée 26 pour TGB LANDMAX 1000 – retrouvez la liste complète des composants d'origine et identifiez rapidement la pièce compatible.</p> 26 - SUPPORTS DIFFERENTIEL... <p>Vue éclatée 26 pour TGB BLADE 600 FLX – retrouvez la liste complète des composants d'origine et identifiez rapidement la pièce compatible.</p> 27 - COMPTEUR <p>Vue éclatée 27 pour TGB BLADE 550 FLX – retrouvez la liste complète des composants d'origine et identifiez rapidement la pièce compatible.</p> 27 - COMPTEUR <p>Vue éclatée 27 pour TGB BLADE 600 LTX ABS – retrouvez la liste complète des composants d'origine et identifiez rapidement la pièce compatible.</p> 27 - DIRECTION ASSISTEE... <p>Vue éclatée 27 pour TGB BLADE 600 FLX – retrouvez la liste complète des composants d'origine et identifiez rapidement la pièce compatible.</p> 27 - ECLAIRAGE ARRIERE <p>Vue éclatée 27 pour TGB LANDMAX 1000 – retrouvez la liste complète des composants d'origine et identifiez rapidement la pièce compatible.</p> 27 - ECLAIRAGE AVANT <p>Vue éclatée 27 pour TGB LANDMAX 1000 CAB – retrouvez la liste complète des composants d'origine et identifiez rapidement la pièce compatible.</p> Affichage 1-100 de 539 article(s) 1 2 3 … 6 Suivant Retour en haut
11 - VILEBREQUIN <p>Vue éclatée 11 pour TGB BLADE 550 FLX – retrouvez la liste complète des composants d'origine et identifiez rapidement la pièce compatible.</p> 11 - VILEBREQUIN <p>Vue éclatée 11 pour TGB BLADE 600 FLX – retrouvez la liste complète des composants d'origine et identifiez rapidement la pièce compatible.</p> 11 - VILEBREQUIN <p>Vue éclatée 11 pour TGB BLADE 600 LTX ABS – retrouvez la liste complète des composants d'origine et identifiez rapidement la pièce compatible.</p> 12 - SYSTEME ELECTRIQUE 1 <p>Vue éclatée 12 pour TGB BLADE 550 FLX – retrouvez la liste complète des composants d'origine et identifiez rapidement la pièce compatible.</p> 12 - SYSTEME ELECTRIQUE 1 <p>Vue éclatée 12 pour TGB BLADE 600 FLX – retrouvez la liste complète des composants d'origine et identifiez rapidement la pièce compatible.</p> 12 - SYSTEME ELECTRIQUE 1 <p>Vue éclatée 12 pour TGB BLADE 600 LTX ABS – retrouvez la liste complète des composants d'origine et identifiez rapidement la pièce compatible.</p> 12 - TRANSMISSION 1 <p>Vue éclatée 12 pour TGB LANDMAX 1000 – retrouvez la liste complète des composants d'origine et identifiez rapidement la pièce compatible.</p> 12 - TRANSMISSION 1 <p>Vue éclatée 12 pour TGB LANDMAX 1000 CAB – retrouvez la liste complète des composants d'origine et identifiez rapidement la pièce compatible.</p> 13 - CARTER MOTEUR GAUCHE 1 <p>Vue éclatée 13 pour TGB BLADE 550 FLX – retrouvez la liste complète des composants d'origine et identifiez rapidement la pièce compatible.</p> 13 - CARTER MOTEUR GAUCHE 1 <p>Vue éclatée 13 pour TGB BLADE 600 FLX – retrouvez la liste complète des composants d'origine et identifiez rapidement la pièce compatible.</p> 13 - CARTER MOTEUR GAUCHE 1 <p>Vue éclatée 13 pour TGB BLADE 600 LTX ABS – retrouvez la liste complète des composants d'origine et identifiez rapidement la pièce compatible.</p> 13 - TRANSMISSION 2 <p>Vue éclatée 13 pour TGB LANDMAX 1000 – retrouvez la liste complète des composants d'origine et identifiez rapidement la pièce compatible.</p> 13 - TRANSMISSION 2 <p>Vue éclatée 13 pour TGB LANDMAX 1000 CAB – retrouvez la liste complète des composants d'origine et identifiez rapidement la pièce compatible.</p> 14 - CARTER MOTEUR GAUCHE 2 <p>Vue éclatée 14 pour TGB BLADE 550 FLX – retrouvez la liste complète des composants d'origine et identifiez rapidement la pièce compatible.</p> 14 - CARTER MOTEUR GAUCHE 2 <p>Vue éclatée 14 pour TGB BLADE 600 FLX – retrouvez la liste complète des composants d'origine et identifiez rapidement la pièce compatible.</p> 14 - CARTER MOTEUR GAUCHE 2 <p>Vue éclatée 14 pour TGB BLADE 600 LTX ABS – retrouvez la liste complète des composants d'origine et identifiez rapidement la pièce compatible.</p> 14 - VARIATEUR <p>Vue éclatée 14 pour TGB LANDMAX 1000 – retrouvez la liste complète des composants d'origine et identifiez rapidement la pièce compatible.</p> 14 - VARIATEUR <p>Vue éclatée 14 pour TGB LANDMAX 1000 CAB – retrouvez la liste complète des composants d'origine et identifiez rapidement la pièce compatible.</p> 15 - BLOCAGE DIFFERENTIEL... <p>Vue éclatée 15 pour TGB BLADE 550 FLX – retrouvez la liste complète des composants d'origine et identifiez rapidement la pièce compatible.</p> 15 - BLOCAGE DIFFERENTIEL... <p>Vue éclatée 15 pour TGB BLADE 600 FLX – retrouvez la liste complète des composants d'origine et identifiez rapidement la pièce compatible.</p> 15 - BLOCAGE DIFFERENTIEL... <p>Vue éclatée 15 pour TGB BLADE 600 LTX ABS – retrouvez la liste complète des composants d'origine et identifiez rapidement la pièce compatible.</p> 15 - ENSEMBLE ECHAPPEMENT <p>Vue éclatée 15 pour TGB LANDMAX 1000 – retrouvez la liste complète des composants d'origine et identifiez rapidement la pièce compatible.</p> 15 - ENSEMBLE ECHAPPEMENT <p>Vue éclatée 15 pour TGB LANDMAX 1000 CAB – retrouvez la liste complète des composants d'origine et identifiez rapidement la pièce compatible.</p> 16 - ENSEMBLE DIFFERENTIEL... <p>Vue éclatée 16 pour TGB BLADE 550 FLX – retrouvez la liste complète des composants d'origine et identifiez rapidement la pièce compatible.</p> 16 - ENSEMBLE DIFFERENTIEL... <p>Vue éclatée 16 pour TGB BLADE 600 FLX – retrouvez la liste complète des composants d'origine et identifiez rapidement la pièce compatible.</p> 16 - ENSEMBLE DIFFERENTIEL... <p>Vue éclatée 16 pour TGB BLADE 600 LTX ABS – retrouvez la liste complète des composants d'origine et identifiez rapidement la pièce compatible.</p> 16 - ENSEMBLE FILTRE A AIR <p>Vue éclatée 16 pour TGB LANDMAX 1000 – retrouvez la liste complète des composants d'origine et identifiez rapidement la pièce compatible.</p> 16 - ENSEMBLE FILTRE A AIR <p>Vue éclatée 16 pour TGB LANDMAX 1000 CAB – retrouvez la liste complète des composants d'origine et identifiez rapidement la pièce compatible.</p> 17 - BLOCAGE DIFFERENTIEL... <p>Vue éclatée 17 pour TGB LANDMAX 1000 – retrouvez la liste complète des composants d'origine et identifiez rapidement la pièce compatible.</p> 17 - BLOCAGE DIFFERENTIEL... <p>Vue éclatée 17 pour TGB LANDMAX 1000 CAB – retrouvez la liste complète des composants d'origine et identifiez rapidement la pièce compatible.</p> 17 - VARIATEUR <p>Vue éclatée 17 pour TGB BLADE 550 FLX – retrouvez la liste complète des composants d'origine et identifiez rapidement la pièce compatible.</p> 17 - VARIATEUR <p>Vue éclatée 17 pour TGB BLADE 600 FLX – retrouvez la liste complète des composants d'origine et identifiez rapidement la pièce compatible.</p> 17 - VARIATEUR <p>Vue éclatée 17 pour TGB BLADE 600 LTX ABS – retrouvez la liste complète des composants d'origine et identifiez rapidement la pièce compatible.</p> 18 - ENSEMBLE DIFFERENTIEL... <p>Vue éclatée 18 pour TGB LANDMAX 1000 – retrouvez la liste complète des composants d'origine et identifiez rapidement la pièce compatible.</p> 18 - ENSEMBLE DIFFERENTIEL... <p>Vue éclatée 18 pour TGB LANDMAX 1000 CAB – retrouvez la liste complète des composants d'origine et identifiez rapidement la pièce compatible.</p> 18 - ENSEMBLE ECHAPPEMENT <p>Vue éclatée 18 pour TGB BLADE 550 FLX – retrouvez la liste complète des composants d'origine et identifiez rapidement la pièce compatible.</p> 18 - ENSEMBLE ECHAPPEMENT <p>Vue éclatée 18 pour TGB BLADE 600 FLX – retrouvez la liste complète des composants d'origine et identifiez rapidement la pièce compatible.</p> 18 - ENSEMBLE ECHAPPEMENT <p>Vue éclatée 18 pour TGB BLADE 600 LTX ABS – retrouvez la liste complète des composants d'origine et identifiez rapidement la pièce compatible.</p> 19 - DIRECTION ASSISTEE <p>Vue éclatée 19 pour TGB LANDMAX 1000 – retrouvez la liste complète des composants d'origine et identifiez rapidement la pièce compatible.</p> 19 - DIRECTION ASSISTEE <p>Vue éclatée 19 pour TGB LANDMAX 1000 CAB – retrouvez la liste complète des composants d'origine et identifiez rapidement la pièce compatible.</p> 19 - ENSEMBLE FILTRE A AIR <p>Vue éclatée 19 pour TGB BLADE 550 FLX – retrouvez la liste complète des composants d'origine et identifiez rapidement la pièce compatible.</p> 19 - ENSEMBLE FILTRE A AIR <p>Vue éclatée 19 pour TGB BLADE 600 FLX – retrouvez la liste complète des composants d'origine et identifiez rapidement la pièce compatible.</p> 19 - ENSEMBLE FILTRE A AIR <p>Vue éclatée 19 pour TGB BLADE 600 LTX ABS – retrouvez la liste complète des composants d'origine et identifiez rapidement la pièce compatible.</p> 2 - SYSTEME ADMISSION <p>Vue éclatée 2 pour TGB BLADE 550 FLX – retrouvez la liste complète des composants d'origine et identifiez rapidement la pièce compatible.</p> 2 - SYSTEME ADMISSION <p>Vue éclatée 2 pour TGB BLADE 600 FLX – retrouvez la liste complète des composants d'origine et identifiez rapidement la pièce compatible.</p> 2 - SYSTEME ADMISSION <p>Vue éclatée 2 pour TGB BLADE 600 LTX ABS – retrouvez la liste complète des composants d'origine et identifiez rapidement la pièce compatible.</p> 2 - SYSTEME ADMISSION <p>Vue éclatée 2 pour TGB LANDMAX 1000 – retrouvez la liste complète des composants d'origine et identifiez rapidement la pièce compatible.</p> 2 - SYSTEME ADMISSION <p>Vue éclatée 2 pour TGB LANDMAX 1000 CAB – retrouvez la liste complète des composants d'origine et identifiez rapidement la pièce compatible.</p> 20 - ENSEMBLE REFROIDISSEMENT <p>Vue éclatée 20 pour TGB BLADE 550 FLX – retrouvez la liste complète des composants d'origine et identifiez rapidement la pièce compatible.</p> 20 - ENSEMBLE REFROIDISSEMENT <p>Vue éclatée 20 pour TGB BLADE 600 FLX – retrouvez la liste complète des composants d'origine et identifiez rapidement la pièce compatible.</p> 20 - ENSEMBLE REFROIDISSEMENT <p>Vue éclatée 20 pour TGB BLADE 600 LTX ABS – retrouvez la liste complète des composants d'origine et identifiez rapidement la pièce compatible.</p> 20 - ENSEMBLE REFROIDISSEMENT <p>Vue éclatée 20 pour TGB LANDMAX 1000 – retrouvez la liste complète des composants d'origine et identifiez rapidement la pièce compatible.</p> 20 - ENSEMBLE REFROIDISSEMENT <p>Vue éclatée 20 pour TGB LANDMAX 1000 CAB – retrouvez la liste complète des composants d'origine et identifiez rapidement la pièce compatible.</p> 21 - SYSTEME ELECTRIQUE 2 <p>Vue éclatée 21 pour TGB BLADE 550 FLX – retrouvez la liste complète des composants d'origine et identifiez rapidement la pièce compatible.</p> 21 - SYSTEME ELECTRIQUE 2 <p>Vue éclatée 21 pour TGB BLADE 600 FLX – retrouvez la liste complète des composants d'origine et identifiez rapidement la pièce compatible.</p> 21 - SYSTEME ELECTRIQUE 2 <p>Vue éclatée 21 pour TGB BLADE 600 LTX ABS – retrouvez la liste complète des composants d'origine et identifiez rapidement la pièce compatible.</p> 21 - SYSTEME ELECTRIQUE 2 <p>Vue éclatée 21 pour TGB LANDMAX 1000 – retrouvez la liste complète des composants d'origine et identifiez rapidement la pièce compatible.</p> 21 - SYSTEME ELECTRIQUE 2 <p>Vue éclatée 21 pour TGB LANDMAX 1000 CAB – retrouvez la liste complète des composants d'origine et identifiez rapidement la pièce compatible.</p> 22 - SYSTEME ELECTRIQUE 3 <p>Vue éclatée 22 pour TGB BLADE 550 FLX – retrouvez la liste complète des composants d'origine et identifiez rapidement la pièce compatible.</p> 22 - SYSTEME ELECTRIQUE 3 <p>Vue éclatée 22 pour TGB BLADE 600 FLX – retrouvez la liste complète des composants d'origine et identifiez rapidement la pièce compatible.</p> 22 - SYSTEME ELECTRIQUE 3 <p>Vue éclatée 22 pour TGB BLADE 600 LTX ABS – retrouvez la liste complète des composants d'origine et identifiez rapidement la pièce compatible.</p> 22 - SYSTEME ELECTRIQUE 3 <p>Vue éclatée 22 pour TGB LANDMAX 1000 – retrouvez la liste complète des composants d'origine et identifiez rapidement la pièce compatible.</p> 22 - SYSTEME ELECTRIQUE 3 <p>Vue éclatée 22 pour TGB LANDMAX 1000 CAB – retrouvez la liste complète des composants d'origine et identifiez rapidement la pièce compatible.</p> 23 - RELAIS SUPPORTS <p>Vue éclatée 23 pour TGB LANDMAX 1000 – retrouvez la liste complète des composants d'origine et identifiez rapidement la pièce compatible.</p> 23 - RELAIS SUPPORTS <p>Vue éclatée 23 pour TGB LANDMAX 1000 CAB – retrouvez la liste complète des composants d'origine et identifiez rapidement la pièce compatible.</p> 23 - SUPPORTS <p>Vue éclatée 23 pour TGB BLADE 550 FLX – retrouvez la liste complète des composants d'origine et identifiez rapidement la pièce compatible.</p> 23 - SUPPORTS <p>Vue éclatée 23 pour TGB BLADE 600 FLX – retrouvez la liste complète des composants d'origine et identifiez rapidement la pièce compatible.</p> 23 - SUPPORTS <p>Vue éclatée 23 pour TGB BLADE 600 LTX ABS – retrouvez la liste complète des composants d'origine et identifiez rapidement la pièce compatible.</p> 24 - CONTROLEUR... <p>Vue éclatée 24 pour TGB LANDMAX 1000 – retrouvez la liste complète des composants d'origine et identifiez rapidement la pièce compatible.</p> 24 - ECLAIRAGE INT MONITEUR... <p>Vue éclatée 24 pour TGB LANDMAX 1000 CAB – retrouvez la liste complète des composants d'origine et identifiez rapidement la pièce compatible.</p> 24 - SUPPORTS MOTEUR <p>Vue éclatée 24 pour TGB BLADE 550 FLX – retrouvez la liste complète des composants d'origine et identifiez rapidement la pièce compatible.</p> 24 - SUPPORTS MOTEUR <p>Vue éclatée 24 pour TGB BLADE 600 FLX – retrouvez la liste complète des composants d'origine et identifiez rapidement la pièce compatible.</p> 24 - SUPPORTS MOTEUR <p>Vue éclatée 24 pour TGB BLADE 600 LTX ABS – retrouvez la liste complète des composants d'origine et identifiez rapidement la pièce compatible.</p> 25 - COMPTEUR <p>Vue éclatée 25 pour TGB LANDMAX 1000 – retrouvez la liste complète des composants d'origine et identifiez rapidement la pièce compatible.</p> 25 - CONTROLEUR... <p>Vue éclatée 25 pour TGB LANDMAX 1000 CAB – retrouvez la liste complète des composants d'origine et identifiez rapidement la pièce compatible.</p> 25 - MOTEUR DE DIFFERENTIEL <p>Vue éclatée 25 pour TGB BLADE 550 FLX – retrouvez la liste complète des composants d'origine et identifiez rapidement la pièce compatible.</p> 25 - MOTEUR DE DIFFERENTIEL <p>Vue éclatée 25 pour TGB BLADE 600 FLX – retrouvez la liste complète des composants d'origine et identifiez rapidement la pièce compatible.</p> 25 - MOTEUR DE DIFFERENTIEL <p>Vue éclatée 25 pour TGB BLADE 600 LTX ABS – retrouvez la liste complète des composants d'origine et identifiez rapidement la pièce compatible.</p> 26 - COMPTEUR <p>Vue éclatée 26 pour TGB LANDMAX 1000 CAB – retrouvez la liste complète des composants d'origine et identifiez rapidement la pièce compatible.</p> 26 - DIRECTION ASSISTEE... <p>Vue éclatée 26 pour TGB BLADE 550 FLX – retrouvez la liste complète des composants d'origine et identifiez rapidement la pièce compatible.</p> 26 - DIRECTION ASSISTEE... <p>Vue éclatée 26 pour TGB BLADE 600 LTX ABS – retrouvez la liste complète des composants d'origine et identifiez rapidement la pièce compatible.</p> 26 - ECLAIRAGE AVANT <p>Vue éclatée 26 pour TGB LANDMAX 1000 – retrouvez la liste complète des composants d'origine et identifiez rapidement la pièce compatible.</p> 26 - SUPPORTS DIFFERENTIEL... <p>Vue éclatée 26 pour TGB BLADE 600 FLX – retrouvez la liste complète des composants d'origine et identifiez rapidement la pièce compatible.</p> 27 - COMPTEUR <p>Vue éclatée 27 pour TGB BLADE 550 FLX – retrouvez la liste complète des composants d'origine et identifiez rapidement la pièce compatible.</p> 27 - COMPTEUR <p>Vue éclatée 27 pour TGB BLADE 600 LTX ABS – retrouvez la liste complète des composants d'origine et identifiez rapidement la pièce compatible.</p> 27 - DIRECTION ASSISTEE... <p>Vue éclatée 27 pour TGB BLADE 600 FLX – retrouvez la liste complète des composants d'origine et identifiez rapidement la pièce compatible.</p> 27 - ECLAIRAGE ARRIERE <p>Vue éclatée 27 pour TGB LANDMAX 1000 – retrouvez la liste complète des composants d'origine et identifiez rapidement la pièce compatible.</p> 27 - ECLAIRAGE AVANT <p>Vue éclatée 27 pour TGB LANDMAX 1000 CAB – retrouvez la liste complète des composants d'origine et identifiez rapidement la pièce compatible.</p> Affichage 1-100 de 539 article(s) 1 2 3 … 6 Suivant Retour en haut
11 - VILEBREQUIN <p>Vue éclatée 11 pour TGB BLADE 600 FLX – retrouvez la liste complète des composants d'origine et identifiez rapidement la pièce compatible.</p> 11 - VILEBREQUIN <p>Vue éclatée 11 pour TGB BLADE 600 LTX ABS – retrouvez la liste complète des composants d'origine et identifiez rapidement la pièce compatible.</p> 12 - SYSTEME ELECTRIQUE 1 <p>Vue éclatée 12 pour TGB BLADE 550 FLX – retrouvez la liste complète des composants d'origine et identifiez rapidement la pièce compatible.</p> 12 - SYSTEME ELECTRIQUE 1 <p>Vue éclatée 12 pour TGB BLADE 600 FLX – retrouvez la liste complète des composants d'origine et identifiez rapidement la pièce compatible.</p> 12 - SYSTEME ELECTRIQUE 1 <p>Vue éclatée 12 pour TGB BLADE 600 LTX ABS – retrouvez la liste complète des composants d'origine et identifiez rapidement la pièce compatible.</p> 12 - TRANSMISSION 1 <p>Vue éclatée 12 pour TGB LANDMAX 1000 – retrouvez la liste complète des composants d'origine et identifiez rapidement la pièce compatible.</p> 12 - TRANSMISSION 1 <p>Vue éclatée 12 pour TGB LANDMAX 1000 CAB – retrouvez la liste complète des composants d'origine et identifiez rapidement la pièce compatible.</p> 13 - CARTER MOTEUR GAUCHE 1 <p>Vue éclatée 13 pour TGB BLADE 550 FLX – retrouvez la liste complète des composants d'origine et identifiez rapidement la pièce compatible.</p> 13 - CARTER MOTEUR GAUCHE 1 <p>Vue éclatée 13 pour TGB BLADE 600 FLX – retrouvez la liste complète des composants d'origine et identifiez rapidement la pièce compatible.</p> 13 - CARTER MOTEUR GAUCHE 1 <p>Vue éclatée 13 pour TGB BLADE 600 LTX ABS – retrouvez la liste complète des composants d'origine et identifiez rapidement la pièce compatible.</p> 13 - TRANSMISSION 2 <p>Vue éclatée 13 pour TGB LANDMAX 1000 – retrouvez la liste complète des composants d'origine et identifiez rapidement la pièce compatible.</p> 13 - TRANSMISSION 2 <p>Vue éclatée 13 pour TGB LANDMAX 1000 CAB – retrouvez la liste complète des composants d'origine et identifiez rapidement la pièce compatible.</p> 14 - CARTER MOTEUR GAUCHE 2 <p>Vue éclatée 14 pour TGB BLADE 550 FLX – retrouvez la liste complète des composants d'origine et identifiez rapidement la pièce compatible.</p> 14 - CARTER MOTEUR GAUCHE 2 <p>Vue éclatée 14 pour TGB BLADE 600 FLX – retrouvez la liste complète des composants d'origine et identifiez rapidement la pièce compatible.</p> 14 - CARTER MOTEUR GAUCHE 2 <p>Vue éclatée 14 pour TGB BLADE 600 LTX ABS – retrouvez la liste complète des composants d'origine et identifiez rapidement la pièce compatible.</p> 14 - VARIATEUR <p>Vue éclatée 14 pour TGB LANDMAX 1000 – retrouvez la liste complète des composants d'origine et identifiez rapidement la pièce compatible.</p> 14 - VARIATEUR <p>Vue éclatée 14 pour TGB LANDMAX 1000 CAB – retrouvez la liste complète des composants d'origine et identifiez rapidement la pièce compatible.</p> 15 - BLOCAGE DIFFERENTIEL... <p>Vue éclatée 15 pour TGB BLADE 550 FLX – retrouvez la liste complète des composants d'origine et identifiez rapidement la pièce compatible.</p> 15 - BLOCAGE DIFFERENTIEL... <p>Vue éclatée 15 pour TGB BLADE 600 FLX – retrouvez la liste complète des composants d'origine et identifiez rapidement la pièce compatible.</p> 15 - BLOCAGE DIFFERENTIEL... <p>Vue éclatée 15 pour TGB BLADE 600 LTX ABS – retrouvez la liste complète des composants d'origine et identifiez rapidement la pièce compatible.</p> 15 - ENSEMBLE ECHAPPEMENT <p>Vue éclatée 15 pour TGB LANDMAX 1000 – retrouvez la liste complète des composants d'origine et identifiez rapidement la pièce compatible.</p> 15 - ENSEMBLE ECHAPPEMENT <p>Vue éclatée 15 pour TGB LANDMAX 1000 CAB – retrouvez la liste complète des composants d'origine et identifiez rapidement la pièce compatible.</p> 16 - ENSEMBLE DIFFERENTIEL... <p>Vue éclatée 16 pour TGB BLADE 550 FLX – retrouvez la liste complète des composants d'origine et identifiez rapidement la pièce compatible.</p> 16 - ENSEMBLE DIFFERENTIEL... <p>Vue éclatée 16 pour TGB BLADE 600 FLX – retrouvez la liste complète des composants d'origine et identifiez rapidement la pièce compatible.</p> 16 - ENSEMBLE DIFFERENTIEL... <p>Vue éclatée 16 pour TGB BLADE 600 LTX ABS – retrouvez la liste complète des composants d'origine et identifiez rapidement la pièce compatible.</p> 16 - ENSEMBLE FILTRE A AIR <p>Vue éclatée 16 pour TGB LANDMAX 1000 – retrouvez la liste complète des composants d'origine et identifiez rapidement la pièce compatible.</p> 16 - ENSEMBLE FILTRE A AIR <p>Vue éclatée 16 pour TGB LANDMAX 1000 CAB – retrouvez la liste complète des composants d'origine et identifiez rapidement la pièce compatible.</p> 17 - BLOCAGE DIFFERENTIEL... <p>Vue éclatée 17 pour TGB LANDMAX 1000 – retrouvez la liste complète des composants d'origine et identifiez rapidement la pièce compatible.</p> 17 - BLOCAGE DIFFERENTIEL... <p>Vue éclatée 17 pour TGB LANDMAX 1000 CAB – retrouvez la liste complète des composants d'origine et identifiez rapidement la pièce compatible.</p> 17 - VARIATEUR <p>Vue éclatée 17 pour TGB BLADE 550 FLX – retrouvez la liste complète des composants d'origine et identifiez rapidement la pièce compatible.</p> 17 - VARIATEUR <p>Vue éclatée 17 pour TGB BLADE 600 FLX – retrouvez la liste complète des composants d'origine et identifiez rapidement la pièce compatible.</p> 17 - VARIATEUR <p>Vue éclatée 17 pour TGB BLADE 600 LTX ABS – retrouvez la liste complète des composants d'origine et identifiez rapidement la pièce compatible.</p> 18 - ENSEMBLE DIFFERENTIEL... <p>Vue éclatée 18 pour TGB LANDMAX 1000 – retrouvez la liste complète des composants d'origine et identifiez rapidement la pièce compatible.</p> 18 - ENSEMBLE DIFFERENTIEL... <p>Vue éclatée 18 pour TGB LANDMAX 1000 CAB – retrouvez la liste complète des composants d'origine et identifiez rapidement la pièce compatible.</p> 18 - ENSEMBLE ECHAPPEMENT <p>Vue éclatée 18 pour TGB BLADE 550 FLX – retrouvez la liste complète des composants d'origine et identifiez rapidement la pièce compatible.</p> 18 - ENSEMBLE ECHAPPEMENT <p>Vue éclatée 18 pour TGB BLADE 600 FLX – retrouvez la liste complète des composants d'origine et identifiez rapidement la pièce compatible.</p> 18 - ENSEMBLE ECHAPPEMENT <p>Vue éclatée 18 pour TGB BLADE 600 LTX ABS – retrouvez la liste complète des composants d'origine et identifiez rapidement la pièce compatible.</p> 19 - DIRECTION ASSISTEE <p>Vue éclatée 19 pour TGB LANDMAX 1000 – retrouvez la liste complète des composants d'origine et identifiez rapidement la pièce compatible.</p> 19 - DIRECTION ASSISTEE <p>Vue éclatée 19 pour TGB LANDMAX 1000 CAB – retrouvez la liste complète des composants d'origine et identifiez rapidement la pièce compatible.</p> 19 - ENSEMBLE FILTRE A AIR <p>Vue éclatée 19 pour TGB BLADE 550 FLX – retrouvez la liste complète des composants d'origine et identifiez rapidement la pièce compatible.</p> 19 - ENSEMBLE FILTRE A AIR <p>Vue éclatée 19 pour TGB BLADE 600 FLX – retrouvez la liste complète des composants d'origine et identifiez rapidement la pièce compatible.</p> 19 - ENSEMBLE FILTRE A AIR <p>Vue éclatée 19 pour TGB BLADE 600 LTX ABS – retrouvez la liste complète des composants d'origine et identifiez rapidement la pièce compatible.</p> 2 - SYSTEME ADMISSION <p>Vue éclatée 2 pour TGB BLADE 550 FLX – retrouvez la liste complète des composants d'origine et identifiez rapidement la pièce compatible.</p> 2 - SYSTEME ADMISSION <p>Vue éclatée 2 pour TGB BLADE 600 FLX – retrouvez la liste complète des composants d'origine et identifiez rapidement la pièce compatible.</p> 2 - SYSTEME ADMISSION <p>Vue éclatée 2 pour TGB BLADE 600 LTX ABS – retrouvez la liste complète des composants d'origine et identifiez rapidement la pièce compatible.</p> 2 - SYSTEME ADMISSION <p>Vue éclatée 2 pour TGB LANDMAX 1000 – retrouvez la liste complète des composants d'origine et identifiez rapidement la pièce compatible.</p> 2 - SYSTEME ADMISSION <p>Vue éclatée 2 pour TGB LANDMAX 1000 CAB – retrouvez la liste complète des composants d'origine et identifiez rapidement la pièce compatible.</p> 20 - ENSEMBLE REFROIDISSEMENT <p>Vue éclatée 20 pour TGB BLADE 550 FLX – retrouvez la liste complète des composants d'origine et identifiez rapidement la pièce compatible.</p> 20 - ENSEMBLE REFROIDISSEMENT <p>Vue éclatée 20 pour TGB BLADE 600 FLX – retrouvez la liste complète des composants d'origine et identifiez rapidement la pièce compatible.</p> 20 - ENSEMBLE REFROIDISSEMENT <p>Vue éclatée 20 pour TGB BLADE 600 LTX ABS – retrouvez la liste complète des composants d'origine et identifiez rapidement la pièce compatible.</p> 20 - ENSEMBLE REFROIDISSEMENT <p>Vue éclatée 20 pour TGB LANDMAX 1000 – retrouvez la liste complète des composants d'origine et identifiez rapidement la pièce compatible.</p> 20 - ENSEMBLE REFROIDISSEMENT <p>Vue éclatée 20 pour TGB LANDMAX 1000 CAB – retrouvez la liste complète des composants d'origine et identifiez rapidement la pièce compatible.</p> 21 - SYSTEME ELECTRIQUE 2 <p>Vue éclatée 21 pour TGB BLADE 550 FLX – retrouvez la liste complète des composants d'origine et identifiez rapidement la pièce compatible.</p> 21 - SYSTEME ELECTRIQUE 2 <p>Vue éclatée 21 pour TGB BLADE 600 FLX – retrouvez la liste complète des composants d'origine et identifiez rapidement la pièce compatible.</p> 21 - SYSTEME ELECTRIQUE 2 <p>Vue éclatée 21 pour TGB BLADE 600 LTX ABS – retrouvez la liste complète des composants d'origine et identifiez rapidement la pièce compatible.</p> 21 - SYSTEME ELECTRIQUE 2 <p>Vue éclatée 21 pour TGB LANDMAX 1000 – retrouvez la liste complète des composants d'origine et identifiez rapidement la pièce compatible.</p> 21 - SYSTEME ELECTRIQUE 2 <p>Vue éclatée 21 pour TGB LANDMAX 1000 CAB – retrouvez la liste complète des composants d'origine et identifiez rapidement la pièce compatible.</p> 22 - SYSTEME ELECTRIQUE 3 <p>Vue éclatée 22 pour TGB BLADE 550 FLX – retrouvez la liste complète des composants d'origine et identifiez rapidement la pièce compatible.</p> 22 - SYSTEME ELECTRIQUE 3 <p>Vue éclatée 22 pour TGB BLADE 600 FLX – retrouvez la liste complète des composants d'origine et identifiez rapidement la pièce compatible.</p> 22 - SYSTEME ELECTRIQUE 3 <p>Vue éclatée 22 pour TGB BLADE 600 LTX ABS – retrouvez la liste complète des composants d'origine et identifiez rapidement la pièce compatible.</p> 22 - SYSTEME ELECTRIQUE 3 <p>Vue éclatée 22 pour TGB LANDMAX 1000 – retrouvez la liste complète des composants d'origine et identifiez rapidement la pièce compatible.</p> 22 - SYSTEME ELECTRIQUE 3 <p>Vue éclatée 22 pour TGB LANDMAX 1000 CAB – retrouvez la liste complète des composants d'origine et identifiez rapidement la pièce compatible.</p> 23 - RELAIS SUPPORTS <p>Vue éclatée 23 pour TGB LANDMAX 1000 – retrouvez la liste complète des composants d'origine et identifiez rapidement la pièce compatible.</p> 23 - RELAIS SUPPORTS <p>Vue éclatée 23 pour TGB LANDMAX 1000 CAB – retrouvez la liste complète des composants d'origine et identifiez rapidement la pièce compatible.</p> 23 - SUPPORTS <p>Vue éclatée 23 pour TGB BLADE 550 FLX – retrouvez la liste complète des composants d'origine et identifiez rapidement la pièce compatible.</p> 23 - SUPPORTS <p>Vue éclatée 23 pour TGB BLADE 600 FLX – retrouvez la liste complète des composants d'origine et identifiez rapidement la pièce compatible.</p> 23 - SUPPORTS <p>Vue éclatée 23 pour TGB BLADE 600 LTX ABS – retrouvez la liste complète des composants d'origine et identifiez rapidement la pièce compatible.</p> 24 - CONTROLEUR... <p>Vue éclatée 24 pour TGB LANDMAX 1000 – retrouvez la liste complète des composants d'origine et identifiez rapidement la pièce compatible.</p> 24 - ECLAIRAGE INT MONITEUR... <p>Vue éclatée 24 pour TGB LANDMAX 1000 CAB – retrouvez la liste complète des composants d'origine et identifiez rapidement la pièce compatible.</p> 24 - SUPPORTS MOTEUR <p>Vue éclatée 24 pour TGB BLADE 550 FLX – retrouvez la liste complète des composants d'origine et identifiez rapidement la pièce compatible.</p> 24 - SUPPORTS MOTEUR <p>Vue éclatée 24 pour TGB BLADE 600 FLX – retrouvez la liste complète des composants d'origine et identifiez rapidement la pièce compatible.</p> 24 - SUPPORTS MOTEUR <p>Vue éclatée 24 pour TGB BLADE 600 LTX ABS – retrouvez la liste complète des composants d'origine et identifiez rapidement la pièce compatible.</p> 25 - COMPTEUR <p>Vue éclatée 25 pour TGB LANDMAX 1000 – retrouvez la liste complète des composants d'origine et identifiez rapidement la pièce compatible.</p> 25 - CONTROLEUR... <p>Vue éclatée 25 pour TGB LANDMAX 1000 CAB – retrouvez la liste complète des composants d'origine et identifiez rapidement la pièce compatible.</p> 25 - MOTEUR DE DIFFERENTIEL <p>Vue éclatée 25 pour TGB BLADE 550 FLX – retrouvez la liste complète des composants d'origine et identifiez rapidement la pièce compatible.</p> 25 - MOTEUR DE DIFFERENTIEL <p>Vue éclatée 25 pour TGB BLADE 600 FLX – retrouvez la liste complète des composants d'origine et identifiez rapidement la pièce compatible.</p> 25 - MOTEUR DE DIFFERENTIEL <p>Vue éclatée 25 pour TGB BLADE 600 LTX ABS – retrouvez la liste complète des composants d'origine et identifiez rapidement la pièce compatible.</p> 26 - COMPTEUR <p>Vue éclatée 26 pour TGB LANDMAX 1000 CAB – retrouvez la liste complète des composants d'origine et identifiez rapidement la pièce compatible.</p> 26 - DIRECTION ASSISTEE... <p>Vue éclatée 26 pour TGB BLADE 550 FLX – retrouvez la liste complète des composants d'origine et identifiez rapidement la pièce compatible.</p> 26 - DIRECTION ASSISTEE... <p>Vue éclatée 26 pour TGB BLADE 600 LTX ABS – retrouvez la liste complète des composants d'origine et identifiez rapidement la pièce compatible.</p> 26 - ECLAIRAGE AVANT <p>Vue éclatée 26 pour TGB LANDMAX 1000 – retrouvez la liste complète des composants d'origine et identifiez rapidement la pièce compatible.</p> 26 - SUPPORTS DIFFERENTIEL... <p>Vue éclatée 26 pour TGB BLADE 600 FLX – retrouvez la liste complète des composants d'origine et identifiez rapidement la pièce compatible.</p> 27 - COMPTEUR <p>Vue éclatée 27 pour TGB BLADE 550 FLX – retrouvez la liste complète des composants d'origine et identifiez rapidement la pièce compatible.</p> 27 - COMPTEUR <p>Vue éclatée 27 pour TGB BLADE 600 LTX ABS – retrouvez la liste complète des composants d'origine et identifiez rapidement la pièce compatible.</p> 27 - DIRECTION ASSISTEE... <p>Vue éclatée 27 pour TGB BLADE 600 FLX – retrouvez la liste complète des composants d'origine et identifiez rapidement la pièce compatible.</p> 27 - ECLAIRAGE ARRIERE <p>Vue éclatée 27 pour TGB LANDMAX 1000 – retrouvez la liste complète des composants d'origine et identifiez rapidement la pièce compatible.</p> 27 - ECLAIRAGE AVANT <p>Vue éclatée 27 pour TGB LANDMAX 1000 CAB – retrouvez la liste complète des composants d'origine et identifiez rapidement la pièce compatible.</p> Affichage 1-100 de 539 article(s) 1 2 3 … 6 Suivant Retour en haut
11 - VILEBREQUIN <p>Vue éclatée 11 pour TGB BLADE 600 LTX ABS – retrouvez la liste complète des composants d'origine et identifiez rapidement la pièce compatible.</p> 12 - SYSTEME ELECTRIQUE 1 <p>Vue éclatée 12 pour TGB BLADE 550 FLX – retrouvez la liste complète des composants d'origine et identifiez rapidement la pièce compatible.</p> 12 - SYSTEME ELECTRIQUE 1 <p>Vue éclatée 12 pour TGB BLADE 600 FLX – retrouvez la liste complète des composants d'origine et identifiez rapidement la pièce compatible.</p> 12 - SYSTEME ELECTRIQUE 1 <p>Vue éclatée 12 pour TGB BLADE 600 LTX ABS – retrouvez la liste complète des composants d'origine et identifiez rapidement la pièce compatible.</p> 12 - TRANSMISSION 1 <p>Vue éclatée 12 pour TGB LANDMAX 1000 – retrouvez la liste complète des composants d'origine et identifiez rapidement la pièce compatible.</p> 12 - TRANSMISSION 1 <p>Vue éclatée 12 pour TGB LANDMAX 1000 CAB – retrouvez la liste complète des composants d'origine et identifiez rapidement la pièce compatible.</p> 13 - CARTER MOTEUR GAUCHE 1 <p>Vue éclatée 13 pour TGB BLADE 550 FLX – retrouvez la liste complète des composants d'origine et identifiez rapidement la pièce compatible.</p> 13 - CARTER MOTEUR GAUCHE 1 <p>Vue éclatée 13 pour TGB BLADE 600 FLX – retrouvez la liste complète des composants d'origine et identifiez rapidement la pièce compatible.</p> 13 - CARTER MOTEUR GAUCHE 1 <p>Vue éclatée 13 pour TGB BLADE 600 LTX ABS – retrouvez la liste complète des composants d'origine et identifiez rapidement la pièce compatible.</p> 13 - TRANSMISSION 2 <p>Vue éclatée 13 pour TGB LANDMAX 1000 – retrouvez la liste complète des composants d'origine et identifiez rapidement la pièce compatible.</p> 13 - TRANSMISSION 2 <p>Vue éclatée 13 pour TGB LANDMAX 1000 CAB – retrouvez la liste complète des composants d'origine et identifiez rapidement la pièce compatible.</p> 14 - CARTER MOTEUR GAUCHE 2 <p>Vue éclatée 14 pour TGB BLADE 550 FLX – retrouvez la liste complète des composants d'origine et identifiez rapidement la pièce compatible.</p> 14 - CARTER MOTEUR GAUCHE 2 <p>Vue éclatée 14 pour TGB BLADE 600 FLX – retrouvez la liste complète des composants d'origine et identifiez rapidement la pièce compatible.</p> 14 - CARTER MOTEUR GAUCHE 2 <p>Vue éclatée 14 pour TGB BLADE 600 LTX ABS – retrouvez la liste complète des composants d'origine et identifiez rapidement la pièce compatible.</p> 14 - VARIATEUR <p>Vue éclatée 14 pour TGB LANDMAX 1000 – retrouvez la liste complète des composants d'origine et identifiez rapidement la pièce compatible.</p> 14 - VARIATEUR <p>Vue éclatée 14 pour TGB LANDMAX 1000 CAB – retrouvez la liste complète des composants d'origine et identifiez rapidement la pièce compatible.</p> 15 - BLOCAGE DIFFERENTIEL... <p>Vue éclatée 15 pour TGB BLADE 550 FLX – retrouvez la liste complète des composants d'origine et identifiez rapidement la pièce compatible.</p> 15 - BLOCAGE DIFFERENTIEL... <p>Vue éclatée 15 pour TGB BLADE 600 FLX – retrouvez la liste complète des composants d'origine et identifiez rapidement la pièce compatible.</p> 15 - BLOCAGE DIFFERENTIEL... <p>Vue éclatée 15 pour TGB BLADE 600 LTX ABS – retrouvez la liste complète des composants d'origine et identifiez rapidement la pièce compatible.</p> 15 - ENSEMBLE ECHAPPEMENT <p>Vue éclatée 15 pour TGB LANDMAX 1000 – retrouvez la liste complète des composants d'origine et identifiez rapidement la pièce compatible.</p> 15 - ENSEMBLE ECHAPPEMENT <p>Vue éclatée 15 pour TGB LANDMAX 1000 CAB – retrouvez la liste complète des composants d'origine et identifiez rapidement la pièce compatible.</p> 16 - ENSEMBLE DIFFERENTIEL... <p>Vue éclatée 16 pour TGB BLADE 550 FLX – retrouvez la liste complète des composants d'origine et identifiez rapidement la pièce compatible.</p> 16 - ENSEMBLE DIFFERENTIEL... <p>Vue éclatée 16 pour TGB BLADE 600 FLX – retrouvez la liste complète des composants d'origine et identifiez rapidement la pièce compatible.</p> 16 - ENSEMBLE DIFFERENTIEL... <p>Vue éclatée 16 pour TGB BLADE 600 LTX ABS – retrouvez la liste complète des composants d'origine et identifiez rapidement la pièce compatible.</p> 16 - ENSEMBLE FILTRE A AIR <p>Vue éclatée 16 pour TGB LANDMAX 1000 – retrouvez la liste complète des composants d'origine et identifiez rapidement la pièce compatible.</p> 16 - ENSEMBLE FILTRE A AIR <p>Vue éclatée 16 pour TGB LANDMAX 1000 CAB – retrouvez la liste complète des composants d'origine et identifiez rapidement la pièce compatible.</p> 17 - BLOCAGE DIFFERENTIEL... <p>Vue éclatée 17 pour TGB LANDMAX 1000 – retrouvez la liste complète des composants d'origine et identifiez rapidement la pièce compatible.</p> 17 - BLOCAGE DIFFERENTIEL... <p>Vue éclatée 17 pour TGB LANDMAX 1000 CAB – retrouvez la liste complète des composants d'origine et identifiez rapidement la pièce compatible.</p> 17 - VARIATEUR <p>Vue éclatée 17 pour TGB BLADE 550 FLX – retrouvez la liste complète des composants d'origine et identifiez rapidement la pièce compatible.</p> 17 - VARIATEUR <p>Vue éclatée 17 pour TGB BLADE 600 FLX – retrouvez la liste complète des composants d'origine et identifiez rapidement la pièce compatible.</p> 17 - VARIATEUR <p>Vue éclatée 17 pour TGB BLADE 600 LTX ABS – retrouvez la liste complète des composants d'origine et identifiez rapidement la pièce compatible.</p> 18 - ENSEMBLE DIFFERENTIEL... <p>Vue éclatée 18 pour TGB LANDMAX 1000 – retrouvez la liste complète des composants d'origine et identifiez rapidement la pièce compatible.</p> 18 - ENSEMBLE DIFFERENTIEL... <p>Vue éclatée 18 pour TGB LANDMAX 1000 CAB – retrouvez la liste complète des composants d'origine et identifiez rapidement la pièce compatible.</p> 18 - ENSEMBLE ECHAPPEMENT <p>Vue éclatée 18 pour TGB BLADE 550 FLX – retrouvez la liste complète des composants d'origine et identifiez rapidement la pièce compatible.</p> 18 - ENSEMBLE ECHAPPEMENT <p>Vue éclatée 18 pour TGB BLADE 600 FLX – retrouvez la liste complète des composants d'origine et identifiez rapidement la pièce compatible.</p> 18 - ENSEMBLE ECHAPPEMENT <p>Vue éclatée 18 pour TGB BLADE 600 LTX ABS – retrouvez la liste complète des composants d'origine et identifiez rapidement la pièce compatible.</p> 19 - DIRECTION ASSISTEE <p>Vue éclatée 19 pour TGB LANDMAX 1000 – retrouvez la liste complète des composants d'origine et identifiez rapidement la pièce compatible.</p> 19 - DIRECTION ASSISTEE <p>Vue éclatée 19 pour TGB LANDMAX 1000 CAB – retrouvez la liste complète des composants d'origine et identifiez rapidement la pièce compatible.</p> 19 - ENSEMBLE FILTRE A AIR <p>Vue éclatée 19 pour TGB BLADE 550 FLX – retrouvez la liste complète des composants d'origine et identifiez rapidement la pièce compatible.</p> 19 - ENSEMBLE FILTRE A AIR <p>Vue éclatée 19 pour TGB BLADE 600 FLX – retrouvez la liste complète des composants d'origine et identifiez rapidement la pièce compatible.</p> 19 - ENSEMBLE FILTRE A AIR <p>Vue éclatée 19 pour TGB BLADE 600 LTX ABS – retrouvez la liste complète des composants d'origine et identifiez rapidement la pièce compatible.</p> 2 - SYSTEME ADMISSION <p>Vue éclatée 2 pour TGB BLADE 550 FLX – retrouvez la liste complète des composants d'origine et identifiez rapidement la pièce compatible.</p> 2 - SYSTEME ADMISSION <p>Vue éclatée 2 pour TGB BLADE 600 FLX – retrouvez la liste complète des composants d'origine et identifiez rapidement la pièce compatible.</p> 2 - SYSTEME ADMISSION <p>Vue éclatée 2 pour TGB BLADE 600 LTX ABS – retrouvez la liste complète des composants d'origine et identifiez rapidement la pièce compatible.</p> 2 - SYSTEME ADMISSION <p>Vue éclatée 2 pour TGB LANDMAX 1000 – retrouvez la liste complète des composants d'origine et identifiez rapidement la pièce compatible.</p> 2 - SYSTEME ADMISSION <p>Vue éclatée 2 pour TGB LANDMAX 1000 CAB – retrouvez la liste complète des composants d'origine et identifiez rapidement la pièce compatible.</p> 20 - ENSEMBLE REFROIDISSEMENT <p>Vue éclatée 20 pour TGB BLADE 550 FLX – retrouvez la liste complète des composants d'origine et identifiez rapidement la pièce compatible.</p> 20 - ENSEMBLE REFROIDISSEMENT <p>Vue éclatée 20 pour TGB BLADE 600 FLX – retrouvez la liste complète des composants d'origine et identifiez rapidement la pièce compatible.</p> 20 - ENSEMBLE REFROIDISSEMENT <p>Vue éclatée 20 pour TGB BLADE 600 LTX ABS – retrouvez la liste complète des composants d'origine et identifiez rapidement la pièce compatible.</p> 20 - ENSEMBLE REFROIDISSEMENT <p>Vue éclatée 20 pour TGB LANDMAX 1000 – retrouvez la liste complète des composants d'origine et identifiez rapidement la pièce compatible.</p> 20 - ENSEMBLE REFROIDISSEMENT <p>Vue éclatée 20 pour TGB LANDMAX 1000 CAB – retrouvez la liste complète des composants d'origine et identifiez rapidement la pièce compatible.</p> 21 - SYSTEME ELECTRIQUE 2 <p>Vue éclatée 21 pour TGB BLADE 550 FLX – retrouvez la liste complète des composants d'origine et identifiez rapidement la pièce compatible.</p> 21 - SYSTEME ELECTRIQUE 2 <p>Vue éclatée 21 pour TGB BLADE 600 FLX – retrouvez la liste complète des composants d'origine et identifiez rapidement la pièce compatible.</p> 21 - SYSTEME ELECTRIQUE 2 <p>Vue éclatée 21 pour TGB BLADE 600 LTX ABS – retrouvez la liste complète des composants d'origine et identifiez rapidement la pièce compatible.</p> 21 - SYSTEME ELECTRIQUE 2 <p>Vue éclatée 21 pour TGB LANDMAX 1000 – retrouvez la liste complète des composants d'origine et identifiez rapidement la pièce compatible.</p> 21 - SYSTEME ELECTRIQUE 2 <p>Vue éclatée 21 pour TGB LANDMAX 1000 CAB – retrouvez la liste complète des composants d'origine et identifiez rapidement la pièce compatible.</p> 22 - SYSTEME ELECTRIQUE 3 <p>Vue éclatée 22 pour TGB BLADE 550 FLX – retrouvez la liste complète des composants d'origine et identifiez rapidement la pièce compatible.</p> 22 - SYSTEME ELECTRIQUE 3 <p>Vue éclatée 22 pour TGB BLADE 600 FLX – retrouvez la liste complète des composants d'origine et identifiez rapidement la pièce compatible.</p> 22 - SYSTEME ELECTRIQUE 3 <p>Vue éclatée 22 pour TGB BLADE 600 LTX ABS – retrouvez la liste complète des composants d'origine et identifiez rapidement la pièce compatible.</p> 22 - SYSTEME ELECTRIQUE 3 <p>Vue éclatée 22 pour TGB LANDMAX 1000 – retrouvez la liste complète des composants d'origine et identifiez rapidement la pièce compatible.</p> 22 - SYSTEME ELECTRIQUE 3 <p>Vue éclatée 22 pour TGB LANDMAX 1000 CAB – retrouvez la liste complète des composants d'origine et identifiez rapidement la pièce compatible.</p> 23 - RELAIS SUPPORTS <p>Vue éclatée 23 pour TGB LANDMAX 1000 – retrouvez la liste complète des composants d'origine et identifiez rapidement la pièce compatible.</p> 23 - RELAIS SUPPORTS <p>Vue éclatée 23 pour TGB LANDMAX 1000 CAB – retrouvez la liste complète des composants d'origine et identifiez rapidement la pièce compatible.</p> 23 - SUPPORTS <p>Vue éclatée 23 pour TGB BLADE 550 FLX – retrouvez la liste complète des composants d'origine et identifiez rapidement la pièce compatible.</p> 23 - SUPPORTS <p>Vue éclatée 23 pour TGB BLADE 600 FLX – retrouvez la liste complète des composants d'origine et identifiez rapidement la pièce compatible.</p> 23 - SUPPORTS <p>Vue éclatée 23 pour TGB BLADE 600 LTX ABS – retrouvez la liste complète des composants d'origine et identifiez rapidement la pièce compatible.</p> 24 - CONTROLEUR... <p>Vue éclatée 24 pour TGB LANDMAX 1000 – retrouvez la liste complète des composants d'origine et identifiez rapidement la pièce compatible.</p> 24 - ECLAIRAGE INT MONITEUR... <p>Vue éclatée 24 pour TGB LANDMAX 1000 CAB – retrouvez la liste complète des composants d'origine et identifiez rapidement la pièce compatible.</p> 24 - SUPPORTS MOTEUR <p>Vue éclatée 24 pour TGB BLADE 550 FLX – retrouvez la liste complète des composants d'origine et identifiez rapidement la pièce compatible.</p> 24 - SUPPORTS MOTEUR <p>Vue éclatée 24 pour TGB BLADE 600 FLX – retrouvez la liste complète des composants d'origine et identifiez rapidement la pièce compatible.</p> 24 - SUPPORTS MOTEUR <p>Vue éclatée 24 pour TGB BLADE 600 LTX ABS – retrouvez la liste complète des composants d'origine et identifiez rapidement la pièce compatible.</p> 25 - COMPTEUR <p>Vue éclatée 25 pour TGB LANDMAX 1000 – retrouvez la liste complète des composants d'origine et identifiez rapidement la pièce compatible.</p> 25 - CONTROLEUR... <p>Vue éclatée 25 pour TGB LANDMAX 1000 CAB – retrouvez la liste complète des composants d'origine et identifiez rapidement la pièce compatible.</p> 25 - MOTEUR DE DIFFERENTIEL <p>Vue éclatée 25 pour TGB BLADE 550 FLX – retrouvez la liste complète des composants d'origine et identifiez rapidement la pièce compatible.</p> 25 - MOTEUR DE DIFFERENTIEL <p>Vue éclatée 25 pour TGB BLADE 600 FLX – retrouvez la liste complète des composants d'origine et identifiez rapidement la pièce compatible.</p> 25 - MOTEUR DE DIFFERENTIEL <p>Vue éclatée 25 pour TGB BLADE 600 LTX ABS – retrouvez la liste complète des composants d'origine et identifiez rapidement la pièce compatible.</p> 26 - COMPTEUR <p>Vue éclatée 26 pour TGB LANDMAX 1000 CAB – retrouvez la liste complète des composants d'origine et identifiez rapidement la pièce compatible.</p> 26 - DIRECTION ASSISTEE... <p>Vue éclatée 26 pour TGB BLADE 550 FLX – retrouvez la liste complète des composants d'origine et identifiez rapidement la pièce compatible.</p> 26 - DIRECTION ASSISTEE... <p>Vue éclatée 26 pour TGB BLADE 600 LTX ABS – retrouvez la liste complète des composants d'origine et identifiez rapidement la pièce compatible.</p> 26 - ECLAIRAGE AVANT <p>Vue éclatée 26 pour TGB LANDMAX 1000 – retrouvez la liste complète des composants d'origine et identifiez rapidement la pièce compatible.</p> 26 - SUPPORTS DIFFERENTIEL... <p>Vue éclatée 26 pour TGB BLADE 600 FLX – retrouvez la liste complète des composants d'origine et identifiez rapidement la pièce compatible.</p> 27 - COMPTEUR <p>Vue éclatée 27 pour TGB BLADE 550 FLX – retrouvez la liste complète des composants d'origine et identifiez rapidement la pièce compatible.</p> 27 - COMPTEUR <p>Vue éclatée 27 pour TGB BLADE 600 LTX ABS – retrouvez la liste complète des composants d'origine et identifiez rapidement la pièce compatible.</p> 27 - DIRECTION ASSISTEE... <p>Vue éclatée 27 pour TGB BLADE 600 FLX – retrouvez la liste complète des composants d'origine et identifiez rapidement la pièce compatible.</p> 27 - ECLAIRAGE ARRIERE <p>Vue éclatée 27 pour TGB LANDMAX 1000 – retrouvez la liste complète des composants d'origine et identifiez rapidement la pièce compatible.</p> 27 - ECLAIRAGE AVANT <p>Vue éclatée 27 pour TGB LANDMAX 1000 CAB – retrouvez la liste complète des composants d'origine et identifiez rapidement la pièce compatible.</p> Affichage 1-100 de 539 article(s) 1 2 3 … 6 Suivant Retour en haut
12 - SYSTEME ELECTRIQUE 1 <p>Vue éclatée 12 pour TGB BLADE 550 FLX – retrouvez la liste complète des composants d'origine et identifiez rapidement la pièce compatible.</p> 12 - SYSTEME ELECTRIQUE 1 <p>Vue éclatée 12 pour TGB BLADE 600 FLX – retrouvez la liste complète des composants d'origine et identifiez rapidement la pièce compatible.</p> 12 - SYSTEME ELECTRIQUE 1 <p>Vue éclatée 12 pour TGB BLADE 600 LTX ABS – retrouvez la liste complète des composants d'origine et identifiez rapidement la pièce compatible.</p> 12 - TRANSMISSION 1 <p>Vue éclatée 12 pour TGB LANDMAX 1000 – retrouvez la liste complète des composants d'origine et identifiez rapidement la pièce compatible.</p> 12 - TRANSMISSION 1 <p>Vue éclatée 12 pour TGB LANDMAX 1000 CAB – retrouvez la liste complète des composants d'origine et identifiez rapidement la pièce compatible.</p> 13 - CARTER MOTEUR GAUCHE 1 <p>Vue éclatée 13 pour TGB BLADE 550 FLX – retrouvez la liste complète des composants d'origine et identifiez rapidement la pièce compatible.</p> 13 - CARTER MOTEUR GAUCHE 1 <p>Vue éclatée 13 pour TGB BLADE 600 FLX – retrouvez la liste complète des composants d'origine et identifiez rapidement la pièce compatible.</p> 13 - CARTER MOTEUR GAUCHE 1 <p>Vue éclatée 13 pour TGB BLADE 600 LTX ABS – retrouvez la liste complète des composants d'origine et identifiez rapidement la pièce compatible.</p> 13 - TRANSMISSION 2 <p>Vue éclatée 13 pour TGB LANDMAX 1000 – retrouvez la liste complète des composants d'origine et identifiez rapidement la pièce compatible.</p> 13 - TRANSMISSION 2 <p>Vue éclatée 13 pour TGB LANDMAX 1000 CAB – retrouvez la liste complète des composants d'origine et identifiez rapidement la pièce compatible.</p> 14 - CARTER MOTEUR GAUCHE 2 <p>Vue éclatée 14 pour TGB BLADE 550 FLX – retrouvez la liste complète des composants d'origine et identifiez rapidement la pièce compatible.</p> 14 - CARTER MOTEUR GAUCHE 2 <p>Vue éclatée 14 pour TGB BLADE 600 FLX – retrouvez la liste complète des composants d'origine et identifiez rapidement la pièce compatible.</p> 14 - CARTER MOTEUR GAUCHE 2 <p>Vue éclatée 14 pour TGB BLADE 600 LTX ABS – retrouvez la liste complète des composants d'origine et identifiez rapidement la pièce compatible.</p> 14 - VARIATEUR <p>Vue éclatée 14 pour TGB LANDMAX 1000 – retrouvez la liste complète des composants d'origine et identifiez rapidement la pièce compatible.</p> 14 - VARIATEUR <p>Vue éclatée 14 pour TGB LANDMAX 1000 CAB – retrouvez la liste complète des composants d'origine et identifiez rapidement la pièce compatible.</p> 15 - BLOCAGE DIFFERENTIEL... <p>Vue éclatée 15 pour TGB BLADE 550 FLX – retrouvez la liste complète des composants d'origine et identifiez rapidement la pièce compatible.</p> 15 - BLOCAGE DIFFERENTIEL... <p>Vue éclatée 15 pour TGB BLADE 600 FLX – retrouvez la liste complète des composants d'origine et identifiez rapidement la pièce compatible.</p> 15 - BLOCAGE DIFFERENTIEL... <p>Vue éclatée 15 pour TGB BLADE 600 LTX ABS – retrouvez la liste complète des composants d'origine et identifiez rapidement la pièce compatible.</p> 15 - ENSEMBLE ECHAPPEMENT <p>Vue éclatée 15 pour TGB LANDMAX 1000 – retrouvez la liste complète des composants d'origine et identifiez rapidement la pièce compatible.</p> 15 - ENSEMBLE ECHAPPEMENT <p>Vue éclatée 15 pour TGB LANDMAX 1000 CAB – retrouvez la liste complète des composants d'origine et identifiez rapidement la pièce compatible.</p> 16 - ENSEMBLE DIFFERENTIEL... <p>Vue éclatée 16 pour TGB BLADE 550 FLX – retrouvez la liste complète des composants d'origine et identifiez rapidement la pièce compatible.</p> 16 - ENSEMBLE DIFFERENTIEL... <p>Vue éclatée 16 pour TGB BLADE 600 FLX – retrouvez la liste complète des composants d'origine et identifiez rapidement la pièce compatible.</p> 16 - ENSEMBLE DIFFERENTIEL... <p>Vue éclatée 16 pour TGB BLADE 600 LTX ABS – retrouvez la liste complète des composants d'origine et identifiez rapidement la pièce compatible.</p> 16 - ENSEMBLE FILTRE A AIR <p>Vue éclatée 16 pour TGB LANDMAX 1000 – retrouvez la liste complète des composants d'origine et identifiez rapidement la pièce compatible.</p> 16 - ENSEMBLE FILTRE A AIR <p>Vue éclatée 16 pour TGB LANDMAX 1000 CAB – retrouvez la liste complète des composants d'origine et identifiez rapidement la pièce compatible.</p> 17 - BLOCAGE DIFFERENTIEL... <p>Vue éclatée 17 pour TGB LANDMAX 1000 – retrouvez la liste complète des composants d'origine et identifiez rapidement la pièce compatible.</p> 17 - BLOCAGE DIFFERENTIEL... <p>Vue éclatée 17 pour TGB LANDMAX 1000 CAB – retrouvez la liste complète des composants d'origine et identifiez rapidement la pièce compatible.</p> 17 - VARIATEUR <p>Vue éclatée 17 pour TGB BLADE 550 FLX – retrouvez la liste complète des composants d'origine et identifiez rapidement la pièce compatible.</p> 17 - VARIATEUR <p>Vue éclatée 17 pour TGB BLADE 600 FLX – retrouvez la liste complète des composants d'origine et identifiez rapidement la pièce compatible.</p> 17 - VARIATEUR <p>Vue éclatée 17 pour TGB BLADE 600 LTX ABS – retrouvez la liste complète des composants d'origine et identifiez rapidement la pièce compatible.</p> 18 - ENSEMBLE DIFFERENTIEL... <p>Vue éclatée 18 pour TGB LANDMAX 1000 – retrouvez la liste complète des composants d'origine et identifiez rapidement la pièce compatible.</p> 18 - ENSEMBLE DIFFERENTIEL... <p>Vue éclatée 18 pour TGB LANDMAX 1000 CAB – retrouvez la liste complète des composants d'origine et identifiez rapidement la pièce compatible.</p> 18 - ENSEMBLE ECHAPPEMENT <p>Vue éclatée 18 pour TGB BLADE 550 FLX – retrouvez la liste complète des composants d'origine et identifiez rapidement la pièce compatible.</p> 18 - ENSEMBLE ECHAPPEMENT <p>Vue éclatée 18 pour TGB BLADE 600 FLX – retrouvez la liste complète des composants d'origine et identifiez rapidement la pièce compatible.</p> 18 - ENSEMBLE ECHAPPEMENT <p>Vue éclatée 18 pour TGB BLADE 600 LTX ABS – retrouvez la liste complète des composants d'origine et identifiez rapidement la pièce compatible.</p> 19 - DIRECTION ASSISTEE <p>Vue éclatée 19 pour TGB LANDMAX 1000 – retrouvez la liste complète des composants d'origine et identifiez rapidement la pièce compatible.</p> 19 - DIRECTION ASSISTEE <p>Vue éclatée 19 pour TGB LANDMAX 1000 CAB – retrouvez la liste complète des composants d'origine et identifiez rapidement la pièce compatible.</p> 19 - ENSEMBLE FILTRE A AIR <p>Vue éclatée 19 pour TGB BLADE 550 FLX – retrouvez la liste complète des composants d'origine et identifiez rapidement la pièce compatible.</p> 19 - ENSEMBLE FILTRE A AIR <p>Vue éclatée 19 pour TGB BLADE 600 FLX – retrouvez la liste complète des composants d'origine et identifiez rapidement la pièce compatible.</p> 19 - ENSEMBLE FILTRE A AIR <p>Vue éclatée 19 pour TGB BLADE 600 LTX ABS – retrouvez la liste complète des composants d'origine et identifiez rapidement la pièce compatible.</p> 2 - SYSTEME ADMISSION <p>Vue éclatée 2 pour TGB BLADE 550 FLX – retrouvez la liste complète des composants d'origine et identifiez rapidement la pièce compatible.</p> 2 - SYSTEME ADMISSION <p>Vue éclatée 2 pour TGB BLADE 600 FLX – retrouvez la liste complète des composants d'origine et identifiez rapidement la pièce compatible.</p> 2 - SYSTEME ADMISSION <p>Vue éclatée 2 pour TGB BLADE 600 LTX ABS – retrouvez la liste complète des composants d'origine et identifiez rapidement la pièce compatible.</p> 2 - SYSTEME ADMISSION <p>Vue éclatée 2 pour TGB LANDMAX 1000 – retrouvez la liste complète des composants d'origine et identifiez rapidement la pièce compatible.</p> 2 - SYSTEME ADMISSION <p>Vue éclatée 2 pour TGB LANDMAX 1000 CAB – retrouvez la liste complète des composants d'origine et identifiez rapidement la pièce compatible.</p> 20 - ENSEMBLE REFROIDISSEMENT <p>Vue éclatée 20 pour TGB BLADE 550 FLX – retrouvez la liste complète des composants d'origine et identifiez rapidement la pièce compatible.</p> 20 - ENSEMBLE REFROIDISSEMENT <p>Vue éclatée 20 pour TGB BLADE 600 FLX – retrouvez la liste complète des composants d'origine et identifiez rapidement la pièce compatible.</p> 20 - ENSEMBLE REFROIDISSEMENT <p>Vue éclatée 20 pour TGB BLADE 600 LTX ABS – retrouvez la liste complète des composants d'origine et identifiez rapidement la pièce compatible.</p> 20 - ENSEMBLE REFROIDISSEMENT <p>Vue éclatée 20 pour TGB LANDMAX 1000 – retrouvez la liste complète des composants d'origine et identifiez rapidement la pièce compatible.</p> 20 - ENSEMBLE REFROIDISSEMENT <p>Vue éclatée 20 pour TGB LANDMAX 1000 CAB – retrouvez la liste complète des composants d'origine et identifiez rapidement la pièce compatible.</p> 21 - SYSTEME ELECTRIQUE 2 <p>Vue éclatée 21 pour TGB BLADE 550 FLX – retrouvez la liste complète des composants d'origine et identifiez rapidement la pièce compatible.</p> 21 - SYSTEME ELECTRIQUE 2 <p>Vue éclatée 21 pour TGB BLADE 600 FLX – retrouvez la liste complète des composants d'origine et identifiez rapidement la pièce compatible.</p> 21 - SYSTEME ELECTRIQUE 2 <p>Vue éclatée 21 pour TGB BLADE 600 LTX ABS – retrouvez la liste complète des composants d'origine et identifiez rapidement la pièce compatible.</p> 21 - SYSTEME ELECTRIQUE 2 <p>Vue éclatée 21 pour TGB LANDMAX 1000 – retrouvez la liste complète des composants d'origine et identifiez rapidement la pièce compatible.</p> 21 - SYSTEME ELECTRIQUE 2 <p>Vue éclatée 21 pour TGB LANDMAX 1000 CAB – retrouvez la liste complète des composants d'origine et identifiez rapidement la pièce compatible.</p> 22 - SYSTEME ELECTRIQUE 3 <p>Vue éclatée 22 pour TGB BLADE 550 FLX – retrouvez la liste complète des composants d'origine et identifiez rapidement la pièce compatible.</p> 22 - SYSTEME ELECTRIQUE 3 <p>Vue éclatée 22 pour TGB BLADE 600 FLX – retrouvez la liste complète des composants d'origine et identifiez rapidement la pièce compatible.</p> 22 - SYSTEME ELECTRIQUE 3 <p>Vue éclatée 22 pour TGB BLADE 600 LTX ABS – retrouvez la liste complète des composants d'origine et identifiez rapidement la pièce compatible.</p> 22 - SYSTEME ELECTRIQUE 3 <p>Vue éclatée 22 pour TGB LANDMAX 1000 – retrouvez la liste complète des composants d'origine et identifiez rapidement la pièce compatible.</p> 22 - SYSTEME ELECTRIQUE 3 <p>Vue éclatée 22 pour TGB LANDMAX 1000 CAB – retrouvez la liste complète des composants d'origine et identifiez rapidement la pièce compatible.</p> 23 - RELAIS SUPPORTS <p>Vue éclatée 23 pour TGB LANDMAX 1000 – retrouvez la liste complète des composants d'origine et identifiez rapidement la pièce compatible.</p> 23 - RELAIS SUPPORTS <p>Vue éclatée 23 pour TGB LANDMAX 1000 CAB – retrouvez la liste complète des composants d'origine et identifiez rapidement la pièce compatible.</p> 23 - SUPPORTS <p>Vue éclatée 23 pour TGB BLADE 550 FLX – retrouvez la liste complète des composants d'origine et identifiez rapidement la pièce compatible.</p> 23 - SUPPORTS <p>Vue éclatée 23 pour TGB BLADE 600 FLX – retrouvez la liste complète des composants d'origine et identifiez rapidement la pièce compatible.</p> 23 - SUPPORTS <p>Vue éclatée 23 pour TGB BLADE 600 LTX ABS – retrouvez la liste complète des composants d'origine et identifiez rapidement la pièce compatible.</p> 24 - CONTROLEUR... <p>Vue éclatée 24 pour TGB LANDMAX 1000 – retrouvez la liste complète des composants d'origine et identifiez rapidement la pièce compatible.</p> 24 - ECLAIRAGE INT MONITEUR... <p>Vue éclatée 24 pour TGB LANDMAX 1000 CAB – retrouvez la liste complète des composants d'origine et identifiez rapidement la pièce compatible.</p> 24 - SUPPORTS MOTEUR <p>Vue éclatée 24 pour TGB BLADE 550 FLX – retrouvez la liste complète des composants d'origine et identifiez rapidement la pièce compatible.</p> 24 - SUPPORTS MOTEUR <p>Vue éclatée 24 pour TGB BLADE 600 FLX – retrouvez la liste complète des composants d'origine et identifiez rapidement la pièce compatible.</p> 24 - SUPPORTS MOTEUR <p>Vue éclatée 24 pour TGB BLADE 600 LTX ABS – retrouvez la liste complète des composants d'origine et identifiez rapidement la pièce compatible.</p> 25 - COMPTEUR <p>Vue éclatée 25 pour TGB LANDMAX 1000 – retrouvez la liste complète des composants d'origine et identifiez rapidement la pièce compatible.</p> 25 - CONTROLEUR... <p>Vue éclatée 25 pour TGB LANDMAX 1000 CAB – retrouvez la liste complète des composants d'origine et identifiez rapidement la pièce compatible.</p> 25 - MOTEUR DE DIFFERENTIEL <p>Vue éclatée 25 pour TGB BLADE 550 FLX – retrouvez la liste complète des composants d'origine et identifiez rapidement la pièce compatible.</p> 25 - MOTEUR DE DIFFERENTIEL <p>Vue éclatée 25 pour TGB BLADE 600 FLX – retrouvez la liste complète des composants d'origine et identifiez rapidement la pièce compatible.</p> 25 - MOTEUR DE DIFFERENTIEL <p>Vue éclatée 25 pour TGB BLADE 600 LTX ABS – retrouvez la liste complète des composants d'origine et identifiez rapidement la pièce compatible.</p> 26 - COMPTEUR <p>Vue éclatée 26 pour TGB LANDMAX 1000 CAB – retrouvez la liste complète des composants d'origine et identifiez rapidement la pièce compatible.</p> 26 - DIRECTION ASSISTEE... <p>Vue éclatée 26 pour TGB BLADE 550 FLX – retrouvez la liste complète des composants d'origine et identifiez rapidement la pièce compatible.</p> 26 - DIRECTION ASSISTEE... <p>Vue éclatée 26 pour TGB BLADE 600 LTX ABS – retrouvez la liste complète des composants d'origine et identifiez rapidement la pièce compatible.</p> 26 - ECLAIRAGE AVANT <p>Vue éclatée 26 pour TGB LANDMAX 1000 – retrouvez la liste complète des composants d'origine et identifiez rapidement la pièce compatible.</p> 26 - SUPPORTS DIFFERENTIEL... <p>Vue éclatée 26 pour TGB BLADE 600 FLX – retrouvez la liste complète des composants d'origine et identifiez rapidement la pièce compatible.</p> 27 - COMPTEUR <p>Vue éclatée 27 pour TGB BLADE 550 FLX – retrouvez la liste complète des composants d'origine et identifiez rapidement la pièce compatible.</p> 27 - COMPTEUR <p>Vue éclatée 27 pour TGB BLADE 600 LTX ABS – retrouvez la liste complète des composants d'origine et identifiez rapidement la pièce compatible.</p> 27 - DIRECTION ASSISTEE... <p>Vue éclatée 27 pour TGB BLADE 600 FLX – retrouvez la liste complète des composants d'origine et identifiez rapidement la pièce compatible.</p> 27 - ECLAIRAGE ARRIERE <p>Vue éclatée 27 pour TGB LANDMAX 1000 – retrouvez la liste complète des composants d'origine et identifiez rapidement la pièce compatible.</p> 27 - ECLAIRAGE AVANT <p>Vue éclatée 27 pour TGB LANDMAX 1000 CAB – retrouvez la liste complète des composants d'origine et identifiez rapidement la pièce compatible.</p> Affichage 1-100 de 539 article(s) 1 2 3 … 6 Suivant Retour en haut
12 - SYSTEME ELECTRIQUE 1 <p>Vue éclatée 12 pour TGB BLADE 600 FLX – retrouvez la liste complète des composants d'origine et identifiez rapidement la pièce compatible.</p> 12 - SYSTEME ELECTRIQUE 1 <p>Vue éclatée 12 pour TGB BLADE 600 LTX ABS – retrouvez la liste complète des composants d'origine et identifiez rapidement la pièce compatible.</p> 12 - TRANSMISSION 1 <p>Vue éclatée 12 pour TGB LANDMAX 1000 – retrouvez la liste complète des composants d'origine et identifiez rapidement la pièce compatible.</p> 12 - TRANSMISSION 1 <p>Vue éclatée 12 pour TGB LANDMAX 1000 CAB – retrouvez la liste complète des composants d'origine et identifiez rapidement la pièce compatible.</p> 13 - CARTER MOTEUR GAUCHE 1 <p>Vue éclatée 13 pour TGB BLADE 550 FLX – retrouvez la liste complète des composants d'origine et identifiez rapidement la pièce compatible.</p> 13 - CARTER MOTEUR GAUCHE 1 <p>Vue éclatée 13 pour TGB BLADE 600 FLX – retrouvez la liste complète des composants d'origine et identifiez rapidement la pièce compatible.</p> 13 - CARTER MOTEUR GAUCHE 1 <p>Vue éclatée 13 pour TGB BLADE 600 LTX ABS – retrouvez la liste complète des composants d'origine et identifiez rapidement la pièce compatible.</p> 13 - TRANSMISSION 2 <p>Vue éclatée 13 pour TGB LANDMAX 1000 – retrouvez la liste complète des composants d'origine et identifiez rapidement la pièce compatible.</p> 13 - TRANSMISSION 2 <p>Vue éclatée 13 pour TGB LANDMAX 1000 CAB – retrouvez la liste complète des composants d'origine et identifiez rapidement la pièce compatible.</p> 14 - CARTER MOTEUR GAUCHE 2 <p>Vue éclatée 14 pour TGB BLADE 550 FLX – retrouvez la liste complète des composants d'origine et identifiez rapidement la pièce compatible.</p> 14 - CARTER MOTEUR GAUCHE 2 <p>Vue éclatée 14 pour TGB BLADE 600 FLX – retrouvez la liste complète des composants d'origine et identifiez rapidement la pièce compatible.</p> 14 - CARTER MOTEUR GAUCHE 2 <p>Vue éclatée 14 pour TGB BLADE 600 LTX ABS – retrouvez la liste complète des composants d'origine et identifiez rapidement la pièce compatible.</p> 14 - VARIATEUR <p>Vue éclatée 14 pour TGB LANDMAX 1000 – retrouvez la liste complète des composants d'origine et identifiez rapidement la pièce compatible.</p> 14 - VARIATEUR <p>Vue éclatée 14 pour TGB LANDMAX 1000 CAB – retrouvez la liste complète des composants d'origine et identifiez rapidement la pièce compatible.</p> 15 - BLOCAGE DIFFERENTIEL... <p>Vue éclatée 15 pour TGB BLADE 550 FLX – retrouvez la liste complète des composants d'origine et identifiez rapidement la pièce compatible.</p> 15 - BLOCAGE DIFFERENTIEL... <p>Vue éclatée 15 pour TGB BLADE 600 FLX – retrouvez la liste complète des composants d'origine et identifiez rapidement la pièce compatible.</p> 15 - BLOCAGE DIFFERENTIEL... <p>Vue éclatée 15 pour TGB BLADE 600 LTX ABS – retrouvez la liste complète des composants d'origine et identifiez rapidement la pièce compatible.</p> 15 - ENSEMBLE ECHAPPEMENT <p>Vue éclatée 15 pour TGB LANDMAX 1000 – retrouvez la liste complète des composants d'origine et identifiez rapidement la pièce compatible.</p> 15 - ENSEMBLE ECHAPPEMENT <p>Vue éclatée 15 pour TGB LANDMAX 1000 CAB – retrouvez la liste complète des composants d'origine et identifiez rapidement la pièce compatible.</p> 16 - ENSEMBLE DIFFERENTIEL... <p>Vue éclatée 16 pour TGB BLADE 550 FLX – retrouvez la liste complète des composants d'origine et identifiez rapidement la pièce compatible.</p> 16 - ENSEMBLE DIFFERENTIEL... <p>Vue éclatée 16 pour TGB BLADE 600 FLX – retrouvez la liste complète des composants d'origine et identifiez rapidement la pièce compatible.</p> 16 - ENSEMBLE DIFFERENTIEL... <p>Vue éclatée 16 pour TGB BLADE 600 LTX ABS – retrouvez la liste complète des composants d'origine et identifiez rapidement la pièce compatible.</p> 16 - ENSEMBLE FILTRE A AIR <p>Vue éclatée 16 pour TGB LANDMAX 1000 – retrouvez la liste complète des composants d'origine et identifiez rapidement la pièce compatible.</p> 16 - ENSEMBLE FILTRE A AIR <p>Vue éclatée 16 pour TGB LANDMAX 1000 CAB – retrouvez la liste complète des composants d'origine et identifiez rapidement la pièce compatible.</p> 17 - BLOCAGE DIFFERENTIEL... <p>Vue éclatée 17 pour TGB LANDMAX 1000 – retrouvez la liste complète des composants d'origine et identifiez rapidement la pièce compatible.</p> 17 - BLOCAGE DIFFERENTIEL... <p>Vue éclatée 17 pour TGB LANDMAX 1000 CAB – retrouvez la liste complète des composants d'origine et identifiez rapidement la pièce compatible.</p> 17 - VARIATEUR <p>Vue éclatée 17 pour TGB BLADE 550 FLX – retrouvez la liste complète des composants d'origine et identifiez rapidement la pièce compatible.</p> 17 - VARIATEUR <p>Vue éclatée 17 pour TGB BLADE 600 FLX – retrouvez la liste complète des composants d'origine et identifiez rapidement la pièce compatible.</p> 17 - VARIATEUR <p>Vue éclatée 17 pour TGB BLADE 600 LTX ABS – retrouvez la liste complète des composants d'origine et identifiez rapidement la pièce compatible.</p> 18 - ENSEMBLE DIFFERENTIEL... <p>Vue éclatée 18 pour TGB LANDMAX 1000 – retrouvez la liste complète des composants d'origine et identifiez rapidement la pièce compatible.</p> 18 - ENSEMBLE DIFFERENTIEL... <p>Vue éclatée 18 pour TGB LANDMAX 1000 CAB – retrouvez la liste complète des composants d'origine et identifiez rapidement la pièce compatible.</p> 18 - ENSEMBLE ECHAPPEMENT <p>Vue éclatée 18 pour TGB BLADE 550 FLX – retrouvez la liste complète des composants d'origine et identifiez rapidement la pièce compatible.</p> 18 - ENSEMBLE ECHAPPEMENT <p>Vue éclatée 18 pour TGB BLADE 600 FLX – retrouvez la liste complète des composants d'origine et identifiez rapidement la pièce compatible.</p> 18 - ENSEMBLE ECHAPPEMENT <p>Vue éclatée 18 pour TGB BLADE 600 LTX ABS – retrouvez la liste complète des composants d'origine et identifiez rapidement la pièce compatible.</p> 19 - DIRECTION ASSISTEE <p>Vue éclatée 19 pour TGB LANDMAX 1000 – retrouvez la liste complète des composants d'origine et identifiez rapidement la pièce compatible.</p> 19 - DIRECTION ASSISTEE <p>Vue éclatée 19 pour TGB LANDMAX 1000 CAB – retrouvez la liste complète des composants d'origine et identifiez rapidement la pièce compatible.</p> 19 - ENSEMBLE FILTRE A AIR <p>Vue éclatée 19 pour TGB BLADE 550 FLX – retrouvez la liste complète des composants d'origine et identifiez rapidement la pièce compatible.</p> 19 - ENSEMBLE FILTRE A AIR <p>Vue éclatée 19 pour TGB BLADE 600 FLX – retrouvez la liste complète des composants d'origine et identifiez rapidement la pièce compatible.</p> 19 - ENSEMBLE FILTRE A AIR <p>Vue éclatée 19 pour TGB BLADE 600 LTX ABS – retrouvez la liste complète des composants d'origine et identifiez rapidement la pièce compatible.</p> 2 - SYSTEME ADMISSION <p>Vue éclatée 2 pour TGB BLADE 550 FLX – retrouvez la liste complète des composants d'origine et identifiez rapidement la pièce compatible.</p> 2 - SYSTEME ADMISSION <p>Vue éclatée 2 pour TGB BLADE 600 FLX – retrouvez la liste complète des composants d'origine et identifiez rapidement la pièce compatible.</p> 2 - SYSTEME ADMISSION <p>Vue éclatée 2 pour TGB BLADE 600 LTX ABS – retrouvez la liste complète des composants d'origine et identifiez rapidement la pièce compatible.</p> 2 - SYSTEME ADMISSION <p>Vue éclatée 2 pour TGB LANDMAX 1000 – retrouvez la liste complète des composants d'origine et identifiez rapidement la pièce compatible.</p> 2 - SYSTEME ADMISSION <p>Vue éclatée 2 pour TGB LANDMAX 1000 CAB – retrouvez la liste complète des composants d'origine et identifiez rapidement la pièce compatible.</p> 20 - ENSEMBLE REFROIDISSEMENT <p>Vue éclatée 20 pour TGB BLADE 550 FLX – retrouvez la liste complète des composants d'origine et identifiez rapidement la pièce compatible.</p> 20 - ENSEMBLE REFROIDISSEMENT <p>Vue éclatée 20 pour TGB BLADE 600 FLX – retrouvez la liste complète des composants d'origine et identifiez rapidement la pièce compatible.</p> 20 - ENSEMBLE REFROIDISSEMENT <p>Vue éclatée 20 pour TGB BLADE 600 LTX ABS – retrouvez la liste complète des composants d'origine et identifiez rapidement la pièce compatible.</p> 20 - ENSEMBLE REFROIDISSEMENT <p>Vue éclatée 20 pour TGB LANDMAX 1000 – retrouvez la liste complète des composants d'origine et identifiez rapidement la pièce compatible.</p> 20 - ENSEMBLE REFROIDISSEMENT <p>Vue éclatée 20 pour TGB LANDMAX 1000 CAB – retrouvez la liste complète des composants d'origine et identifiez rapidement la pièce compatible.</p> 21 - SYSTEME ELECTRIQUE 2 <p>Vue éclatée 21 pour TGB BLADE 550 FLX – retrouvez la liste complète des composants d'origine et identifiez rapidement la pièce compatible.</p> 21 - SYSTEME ELECTRIQUE 2 <p>Vue éclatée 21 pour TGB BLADE 600 FLX – retrouvez la liste complète des composants d'origine et identifiez rapidement la pièce compatible.</p> 21 - SYSTEME ELECTRIQUE 2 <p>Vue éclatée 21 pour TGB BLADE 600 LTX ABS – retrouvez la liste complète des composants d'origine et identifiez rapidement la pièce compatible.</p> 21 - SYSTEME ELECTRIQUE 2 <p>Vue éclatée 21 pour TGB LANDMAX 1000 – retrouvez la liste complète des composants d'origine et identifiez rapidement la pièce compatible.</p> 21 - SYSTEME ELECTRIQUE 2 <p>Vue éclatée 21 pour TGB LANDMAX 1000 CAB – retrouvez la liste complète des composants d'origine et identifiez rapidement la pièce compatible.</p> 22 - SYSTEME ELECTRIQUE 3 <p>Vue éclatée 22 pour TGB BLADE 550 FLX – retrouvez la liste complète des composants d'origine et identifiez rapidement la pièce compatible.</p> 22 - SYSTEME ELECTRIQUE 3 <p>Vue éclatée 22 pour TGB BLADE 600 FLX – retrouvez la liste complète des composants d'origine et identifiez rapidement la pièce compatible.</p> 22 - SYSTEME ELECTRIQUE 3 <p>Vue éclatée 22 pour TGB BLADE 600 LTX ABS – retrouvez la liste complète des composants d'origine et identifiez rapidement la pièce compatible.</p> 22 - SYSTEME ELECTRIQUE 3 <p>Vue éclatée 22 pour TGB LANDMAX 1000 – retrouvez la liste complète des composants d'origine et identifiez rapidement la pièce compatible.</p> 22 - SYSTEME ELECTRIQUE 3 <p>Vue éclatée 22 pour TGB LANDMAX 1000 CAB – retrouvez la liste complète des composants d'origine et identifiez rapidement la pièce compatible.</p> 23 - RELAIS SUPPORTS <p>Vue éclatée 23 pour TGB LANDMAX 1000 – retrouvez la liste complète des composants d'origine et identifiez rapidement la pièce compatible.</p> 23 - RELAIS SUPPORTS <p>Vue éclatée 23 pour TGB LANDMAX 1000 CAB – retrouvez la liste complète des composants d'origine et identifiez rapidement la pièce compatible.</p> 23 - SUPPORTS <p>Vue éclatée 23 pour TGB BLADE 550 FLX – retrouvez la liste complète des composants d'origine et identifiez rapidement la pièce compatible.</p> 23 - SUPPORTS <p>Vue éclatée 23 pour TGB BLADE 600 FLX – retrouvez la liste complète des composants d'origine et identifiez rapidement la pièce compatible.</p> 23 - SUPPORTS <p>Vue éclatée 23 pour TGB BLADE 600 LTX ABS – retrouvez la liste complète des composants d'origine et identifiez rapidement la pièce compatible.</p> 24 - CONTROLEUR... <p>Vue éclatée 24 pour TGB LANDMAX 1000 – retrouvez la liste complète des composants d'origine et identifiez rapidement la pièce compatible.</p> 24 - ECLAIRAGE INT MONITEUR... <p>Vue éclatée 24 pour TGB LANDMAX 1000 CAB – retrouvez la liste complète des composants d'origine et identifiez rapidement la pièce compatible.</p> 24 - SUPPORTS MOTEUR <p>Vue éclatée 24 pour TGB BLADE 550 FLX – retrouvez la liste complète des composants d'origine et identifiez rapidement la pièce compatible.</p> 24 - SUPPORTS MOTEUR <p>Vue éclatée 24 pour TGB BLADE 600 FLX – retrouvez la liste complète des composants d'origine et identifiez rapidement la pièce compatible.</p> 24 - SUPPORTS MOTEUR <p>Vue éclatée 24 pour TGB BLADE 600 LTX ABS – retrouvez la liste complète des composants d'origine et identifiez rapidement la pièce compatible.</p> 25 - COMPTEUR <p>Vue éclatée 25 pour TGB LANDMAX 1000 – retrouvez la liste complète des composants d'origine et identifiez rapidement la pièce compatible.</p> 25 - CONTROLEUR... <p>Vue éclatée 25 pour TGB LANDMAX 1000 CAB – retrouvez la liste complète des composants d'origine et identifiez rapidement la pièce compatible.</p> 25 - MOTEUR DE DIFFERENTIEL <p>Vue éclatée 25 pour TGB BLADE 550 FLX – retrouvez la liste complète des composants d'origine et identifiez rapidement la pièce compatible.</p> 25 - MOTEUR DE DIFFERENTIEL <p>Vue éclatée 25 pour TGB BLADE 600 FLX – retrouvez la liste complète des composants d'origine et identifiez rapidement la pièce compatible.</p> 25 - MOTEUR DE DIFFERENTIEL <p>Vue éclatée 25 pour TGB BLADE 600 LTX ABS – retrouvez la liste complète des composants d'origine et identifiez rapidement la pièce compatible.</p> 26 - COMPTEUR <p>Vue éclatée 26 pour TGB LANDMAX 1000 CAB – retrouvez la liste complète des composants d'origine et identifiez rapidement la pièce compatible.</p> 26 - DIRECTION ASSISTEE... <p>Vue éclatée 26 pour TGB BLADE 550 FLX – retrouvez la liste complète des composants d'origine et identifiez rapidement la pièce compatible.</p> 26 - DIRECTION ASSISTEE... <p>Vue éclatée 26 pour TGB BLADE 600 LTX ABS – retrouvez la liste complète des composants d'origine et identifiez rapidement la pièce compatible.</p> 26 - ECLAIRAGE AVANT <p>Vue éclatée 26 pour TGB LANDMAX 1000 – retrouvez la liste complète des composants d'origine et identifiez rapidement la pièce compatible.</p> 26 - SUPPORTS DIFFERENTIEL... <p>Vue éclatée 26 pour TGB BLADE 600 FLX – retrouvez la liste complète des composants d'origine et identifiez rapidement la pièce compatible.</p> 27 - COMPTEUR <p>Vue éclatée 27 pour TGB BLADE 550 FLX – retrouvez la liste complète des composants d'origine et identifiez rapidement la pièce compatible.</p> 27 - COMPTEUR <p>Vue éclatée 27 pour TGB BLADE 600 LTX ABS – retrouvez la liste complète des composants d'origine et identifiez rapidement la pièce compatible.</p> 27 - DIRECTION ASSISTEE... <p>Vue éclatée 27 pour TGB BLADE 600 FLX – retrouvez la liste complète des composants d'origine et identifiez rapidement la pièce compatible.</p> 27 - ECLAIRAGE ARRIERE <p>Vue éclatée 27 pour TGB LANDMAX 1000 – retrouvez la liste complète des composants d'origine et identifiez rapidement la pièce compatible.</p> 27 - ECLAIRAGE AVANT <p>Vue éclatée 27 pour TGB LANDMAX 1000 CAB – retrouvez la liste complète des composants d'origine et identifiez rapidement la pièce compatible.</p> Affichage 1-100 de 539 article(s) 1 2 3 … 6 Suivant Retour en haut
12 - SYSTEME ELECTRIQUE 1 <p>Vue éclatée 12 pour TGB BLADE 600 LTX ABS – retrouvez la liste complète des composants d'origine et identifiez rapidement la pièce compatible.</p> 12 - TRANSMISSION 1 <p>Vue éclatée 12 pour TGB LANDMAX 1000 – retrouvez la liste complète des composants d'origine et identifiez rapidement la pièce compatible.</p> 12 - TRANSMISSION 1 <p>Vue éclatée 12 pour TGB LANDMAX 1000 CAB – retrouvez la liste complète des composants d'origine et identifiez rapidement la pièce compatible.</p> 13 - CARTER MOTEUR GAUCHE 1 <p>Vue éclatée 13 pour TGB BLADE 550 FLX – retrouvez la liste complète des composants d'origine et identifiez rapidement la pièce compatible.</p> 13 - CARTER MOTEUR GAUCHE 1 <p>Vue éclatée 13 pour TGB BLADE 600 FLX – retrouvez la liste complète des composants d'origine et identifiez rapidement la pièce compatible.</p> 13 - CARTER MOTEUR GAUCHE 1 <p>Vue éclatée 13 pour TGB BLADE 600 LTX ABS – retrouvez la liste complète des composants d'origine et identifiez rapidement la pièce compatible.</p> 13 - TRANSMISSION 2 <p>Vue éclatée 13 pour TGB LANDMAX 1000 – retrouvez la liste complète des composants d'origine et identifiez rapidement la pièce compatible.</p> 13 - TRANSMISSION 2 <p>Vue éclatée 13 pour TGB LANDMAX 1000 CAB – retrouvez la liste complète des composants d'origine et identifiez rapidement la pièce compatible.</p> 14 - CARTER MOTEUR GAUCHE 2 <p>Vue éclatée 14 pour TGB BLADE 550 FLX – retrouvez la liste complète des composants d'origine et identifiez rapidement la pièce compatible.</p> 14 - CARTER MOTEUR GAUCHE 2 <p>Vue éclatée 14 pour TGB BLADE 600 FLX – retrouvez la liste complète des composants d'origine et identifiez rapidement la pièce compatible.</p> 14 - CARTER MOTEUR GAUCHE 2 <p>Vue éclatée 14 pour TGB BLADE 600 LTX ABS – retrouvez la liste complète des composants d'origine et identifiez rapidement la pièce compatible.</p> 14 - VARIATEUR <p>Vue éclatée 14 pour TGB LANDMAX 1000 – retrouvez la liste complète des composants d'origine et identifiez rapidement la pièce compatible.</p> 14 - VARIATEUR <p>Vue éclatée 14 pour TGB LANDMAX 1000 CAB – retrouvez la liste complète des composants d'origine et identifiez rapidement la pièce compatible.</p> 15 - BLOCAGE DIFFERENTIEL... <p>Vue éclatée 15 pour TGB BLADE 550 FLX – retrouvez la liste complète des composants d'origine et identifiez rapidement la pièce compatible.</p> 15 - BLOCAGE DIFFERENTIEL... <p>Vue éclatée 15 pour TGB BLADE 600 FLX – retrouvez la liste complète des composants d'origine et identifiez rapidement la pièce compatible.</p> 15 - BLOCAGE DIFFERENTIEL... <p>Vue éclatée 15 pour TGB BLADE 600 LTX ABS – retrouvez la liste complète des composants d'origine et identifiez rapidement la pièce compatible.</p> 15 - ENSEMBLE ECHAPPEMENT <p>Vue éclatée 15 pour TGB LANDMAX 1000 – retrouvez la liste complète des composants d'origine et identifiez rapidement la pièce compatible.</p> 15 - ENSEMBLE ECHAPPEMENT <p>Vue éclatée 15 pour TGB LANDMAX 1000 CAB – retrouvez la liste complète des composants d'origine et identifiez rapidement la pièce compatible.</p> 16 - ENSEMBLE DIFFERENTIEL... <p>Vue éclatée 16 pour TGB BLADE 550 FLX – retrouvez la liste complète des composants d'origine et identifiez rapidement la pièce compatible.</p> 16 - ENSEMBLE DIFFERENTIEL... <p>Vue éclatée 16 pour TGB BLADE 600 FLX – retrouvez la liste complète des composants d'origine et identifiez rapidement la pièce compatible.</p> 16 - ENSEMBLE DIFFERENTIEL... <p>Vue éclatée 16 pour TGB BLADE 600 LTX ABS – retrouvez la liste complète des composants d'origine et identifiez rapidement la pièce compatible.</p> 16 - ENSEMBLE FILTRE A AIR <p>Vue éclatée 16 pour TGB LANDMAX 1000 – retrouvez la liste complète des composants d'origine et identifiez rapidement la pièce compatible.</p> 16 - ENSEMBLE FILTRE A AIR <p>Vue éclatée 16 pour TGB LANDMAX 1000 CAB – retrouvez la liste complète des composants d'origine et identifiez rapidement la pièce compatible.</p> 17 - BLOCAGE DIFFERENTIEL... <p>Vue éclatée 17 pour TGB LANDMAX 1000 – retrouvez la liste complète des composants d'origine et identifiez rapidement la pièce compatible.</p> 17 - BLOCAGE DIFFERENTIEL... <p>Vue éclatée 17 pour TGB LANDMAX 1000 CAB – retrouvez la liste complète des composants d'origine et identifiez rapidement la pièce compatible.</p> 17 - VARIATEUR <p>Vue éclatée 17 pour TGB BLADE 550 FLX – retrouvez la liste complète des composants d'origine et identifiez rapidement la pièce compatible.</p> 17 - VARIATEUR <p>Vue éclatée 17 pour TGB BLADE 600 FLX – retrouvez la liste complète des composants d'origine et identifiez rapidement la pièce compatible.</p> 17 - VARIATEUR <p>Vue éclatée 17 pour TGB BLADE 600 LTX ABS – retrouvez la liste complète des composants d'origine et identifiez rapidement la pièce compatible.</p> 18 - ENSEMBLE DIFFERENTIEL... <p>Vue éclatée 18 pour TGB LANDMAX 1000 – retrouvez la liste complète des composants d'origine et identifiez rapidement la pièce compatible.</p> 18 - ENSEMBLE DIFFERENTIEL... <p>Vue éclatée 18 pour TGB LANDMAX 1000 CAB – retrouvez la liste complète des composants d'origine et identifiez rapidement la pièce compatible.</p> 18 - ENSEMBLE ECHAPPEMENT <p>Vue éclatée 18 pour TGB BLADE 550 FLX – retrouvez la liste complète des composants d'origine et identifiez rapidement la pièce compatible.</p> 18 - ENSEMBLE ECHAPPEMENT <p>Vue éclatée 18 pour TGB BLADE 600 FLX – retrouvez la liste complète des composants d'origine et identifiez rapidement la pièce compatible.</p> 18 - ENSEMBLE ECHAPPEMENT <p>Vue éclatée 18 pour TGB BLADE 600 LTX ABS – retrouvez la liste complète des composants d'origine et identifiez rapidement la pièce compatible.</p> 19 - DIRECTION ASSISTEE <p>Vue éclatée 19 pour TGB LANDMAX 1000 – retrouvez la liste complète des composants d'origine et identifiez rapidement la pièce compatible.</p> 19 - DIRECTION ASSISTEE <p>Vue éclatée 19 pour TGB LANDMAX 1000 CAB – retrouvez la liste complète des composants d'origine et identifiez rapidement la pièce compatible.</p> 19 - ENSEMBLE FILTRE A AIR <p>Vue éclatée 19 pour TGB BLADE 550 FLX – retrouvez la liste complète des composants d'origine et identifiez rapidement la pièce compatible.</p> 19 - ENSEMBLE FILTRE A AIR <p>Vue éclatée 19 pour TGB BLADE 600 FLX – retrouvez la liste complète des composants d'origine et identifiez rapidement la pièce compatible.</p> 19 - ENSEMBLE FILTRE A AIR <p>Vue éclatée 19 pour TGB BLADE 600 LTX ABS – retrouvez la liste complète des composants d'origine et identifiez rapidement la pièce compatible.</p> 2 - SYSTEME ADMISSION <p>Vue éclatée 2 pour TGB BLADE 550 FLX – retrouvez la liste complète des composants d'origine et identifiez rapidement la pièce compatible.</p> 2 - SYSTEME ADMISSION <p>Vue éclatée 2 pour TGB BLADE 600 FLX – retrouvez la liste complète des composants d'origine et identifiez rapidement la pièce compatible.</p> 2 - SYSTEME ADMISSION <p>Vue éclatée 2 pour TGB BLADE 600 LTX ABS – retrouvez la liste complète des composants d'origine et identifiez rapidement la pièce compatible.</p> 2 - SYSTEME ADMISSION <p>Vue éclatée 2 pour TGB LANDMAX 1000 – retrouvez la liste complète des composants d'origine et identifiez rapidement la pièce compatible.</p> 2 - SYSTEME ADMISSION <p>Vue éclatée 2 pour TGB LANDMAX 1000 CAB – retrouvez la liste complète des composants d'origine et identifiez rapidement la pièce compatible.</p> 20 - ENSEMBLE REFROIDISSEMENT <p>Vue éclatée 20 pour TGB BLADE 550 FLX – retrouvez la liste complète des composants d'origine et identifiez rapidement la pièce compatible.</p> 20 - ENSEMBLE REFROIDISSEMENT <p>Vue éclatée 20 pour TGB BLADE 600 FLX – retrouvez la liste complète des composants d'origine et identifiez rapidement la pièce compatible.</p> 20 - ENSEMBLE REFROIDISSEMENT <p>Vue éclatée 20 pour TGB BLADE 600 LTX ABS – retrouvez la liste complète des composants d'origine et identifiez rapidement la pièce compatible.</p> 20 - ENSEMBLE REFROIDISSEMENT <p>Vue éclatée 20 pour TGB LANDMAX 1000 – retrouvez la liste complète des composants d'origine et identifiez rapidement la pièce compatible.</p> 20 - ENSEMBLE REFROIDISSEMENT <p>Vue éclatée 20 pour TGB LANDMAX 1000 CAB – retrouvez la liste complète des composants d'origine et identifiez rapidement la pièce compatible.</p> 21 - SYSTEME ELECTRIQUE 2 <p>Vue éclatée 21 pour TGB BLADE 550 FLX – retrouvez la liste complète des composants d'origine et identifiez rapidement la pièce compatible.</p> 21 - SYSTEME ELECTRIQUE 2 <p>Vue éclatée 21 pour TGB BLADE 600 FLX – retrouvez la liste complète des composants d'origine et identifiez rapidement la pièce compatible.</p> 21 - SYSTEME ELECTRIQUE 2 <p>Vue éclatée 21 pour TGB BLADE 600 LTX ABS – retrouvez la liste complète des composants d'origine et identifiez rapidement la pièce compatible.</p> 21 - SYSTEME ELECTRIQUE 2 <p>Vue éclatée 21 pour TGB LANDMAX 1000 – retrouvez la liste complète des composants d'origine et identifiez rapidement la pièce compatible.</p> 21 - SYSTEME ELECTRIQUE 2 <p>Vue éclatée 21 pour TGB LANDMAX 1000 CAB – retrouvez la liste complète des composants d'origine et identifiez rapidement la pièce compatible.</p> 22 - SYSTEME ELECTRIQUE 3 <p>Vue éclatée 22 pour TGB BLADE 550 FLX – retrouvez la liste complète des composants d'origine et identifiez rapidement la pièce compatible.</p> 22 - SYSTEME ELECTRIQUE 3 <p>Vue éclatée 22 pour TGB BLADE 600 FLX – retrouvez la liste complète des composants d'origine et identifiez rapidement la pièce compatible.</p> 22 - SYSTEME ELECTRIQUE 3 <p>Vue éclatée 22 pour TGB BLADE 600 LTX ABS – retrouvez la liste complète des composants d'origine et identifiez rapidement la pièce compatible.</p> 22 - SYSTEME ELECTRIQUE 3 <p>Vue éclatée 22 pour TGB LANDMAX 1000 – retrouvez la liste complète des composants d'origine et identifiez rapidement la pièce compatible.</p> 22 - SYSTEME ELECTRIQUE 3 <p>Vue éclatée 22 pour TGB LANDMAX 1000 CAB – retrouvez la liste complète des composants d'origine et identifiez rapidement la pièce compatible.</p> 23 - RELAIS SUPPORTS <p>Vue éclatée 23 pour TGB LANDMAX 1000 – retrouvez la liste complète des composants d'origine et identifiez rapidement la pièce compatible.</p> 23 - RELAIS SUPPORTS <p>Vue éclatée 23 pour TGB LANDMAX 1000 CAB – retrouvez la liste complète des composants d'origine et identifiez rapidement la pièce compatible.</p> 23 - SUPPORTS <p>Vue éclatée 23 pour TGB BLADE 550 FLX – retrouvez la liste complète des composants d'origine et identifiez rapidement la pièce compatible.</p> 23 - SUPPORTS <p>Vue éclatée 23 pour TGB BLADE 600 FLX – retrouvez la liste complète des composants d'origine et identifiez rapidement la pièce compatible.</p> 23 - SUPPORTS <p>Vue éclatée 23 pour TGB BLADE 600 LTX ABS – retrouvez la liste complète des composants d'origine et identifiez rapidement la pièce compatible.</p> 24 - CONTROLEUR... <p>Vue éclatée 24 pour TGB LANDMAX 1000 – retrouvez la liste complète des composants d'origine et identifiez rapidement la pièce compatible.</p> 24 - ECLAIRAGE INT MONITEUR... <p>Vue éclatée 24 pour TGB LANDMAX 1000 CAB – retrouvez la liste complète des composants d'origine et identifiez rapidement la pièce compatible.</p> 24 - SUPPORTS MOTEUR <p>Vue éclatée 24 pour TGB BLADE 550 FLX – retrouvez la liste complète des composants d'origine et identifiez rapidement la pièce compatible.</p> 24 - SUPPORTS MOTEUR <p>Vue éclatée 24 pour TGB BLADE 600 FLX – retrouvez la liste complète des composants d'origine et identifiez rapidement la pièce compatible.</p> 24 - SUPPORTS MOTEUR <p>Vue éclatée 24 pour TGB BLADE 600 LTX ABS – retrouvez la liste complète des composants d'origine et identifiez rapidement la pièce compatible.</p> 25 - COMPTEUR <p>Vue éclatée 25 pour TGB LANDMAX 1000 – retrouvez la liste complète des composants d'origine et identifiez rapidement la pièce compatible.</p> 25 - CONTROLEUR... <p>Vue éclatée 25 pour TGB LANDMAX 1000 CAB – retrouvez la liste complète des composants d'origine et identifiez rapidement la pièce compatible.</p> 25 - MOTEUR DE DIFFERENTIEL <p>Vue éclatée 25 pour TGB BLADE 550 FLX – retrouvez la liste complète des composants d'origine et identifiez rapidement la pièce compatible.</p> 25 - MOTEUR DE DIFFERENTIEL <p>Vue éclatée 25 pour TGB BLADE 600 FLX – retrouvez la liste complète des composants d'origine et identifiez rapidement la pièce compatible.</p> 25 - MOTEUR DE DIFFERENTIEL <p>Vue éclatée 25 pour TGB BLADE 600 LTX ABS – retrouvez la liste complète des composants d'origine et identifiez rapidement la pièce compatible.</p> 26 - COMPTEUR <p>Vue éclatée 26 pour TGB LANDMAX 1000 CAB – retrouvez la liste complète des composants d'origine et identifiez rapidement la pièce compatible.</p> 26 - DIRECTION ASSISTEE... <p>Vue éclatée 26 pour TGB BLADE 550 FLX – retrouvez la liste complète des composants d'origine et identifiez rapidement la pièce compatible.</p> 26 - DIRECTION ASSISTEE... <p>Vue éclatée 26 pour TGB BLADE 600 LTX ABS – retrouvez la liste complète des composants d'origine et identifiez rapidement la pièce compatible.</p> 26 - ECLAIRAGE AVANT <p>Vue éclatée 26 pour TGB LANDMAX 1000 – retrouvez la liste complète des composants d'origine et identifiez rapidement la pièce compatible.</p> 26 - SUPPORTS DIFFERENTIEL... <p>Vue éclatée 26 pour TGB BLADE 600 FLX – retrouvez la liste complète des composants d'origine et identifiez rapidement la pièce compatible.</p> 27 - COMPTEUR <p>Vue éclatée 27 pour TGB BLADE 550 FLX – retrouvez la liste complète des composants d'origine et identifiez rapidement la pièce compatible.</p> 27 - COMPTEUR <p>Vue éclatée 27 pour TGB BLADE 600 LTX ABS – retrouvez la liste complète des composants d'origine et identifiez rapidement la pièce compatible.</p> 27 - DIRECTION ASSISTEE... <p>Vue éclatée 27 pour TGB BLADE 600 FLX – retrouvez la liste complète des composants d'origine et identifiez rapidement la pièce compatible.</p> 27 - ECLAIRAGE ARRIERE <p>Vue éclatée 27 pour TGB LANDMAX 1000 – retrouvez la liste complète des composants d'origine et identifiez rapidement la pièce compatible.</p> 27 - ECLAIRAGE AVANT <p>Vue éclatée 27 pour TGB LANDMAX 1000 CAB – retrouvez la liste complète des composants d'origine et identifiez rapidement la pièce compatible.</p> Affichage 1-100 de 539 article(s) 1 2 3 … 6 Suivant Retour en haut
12 - TRANSMISSION 1 <p>Vue éclatée 12 pour TGB LANDMAX 1000 – retrouvez la liste complète des composants d'origine et identifiez rapidement la pièce compatible.</p> 12 - TRANSMISSION 1 <p>Vue éclatée 12 pour TGB LANDMAX 1000 CAB – retrouvez la liste complète des composants d'origine et identifiez rapidement la pièce compatible.</p> 13 - CARTER MOTEUR GAUCHE 1 <p>Vue éclatée 13 pour TGB BLADE 550 FLX – retrouvez la liste complète des composants d'origine et identifiez rapidement la pièce compatible.</p> 13 - CARTER MOTEUR GAUCHE 1 <p>Vue éclatée 13 pour TGB BLADE 600 FLX – retrouvez la liste complète des composants d'origine et identifiez rapidement la pièce compatible.</p> 13 - CARTER MOTEUR GAUCHE 1 <p>Vue éclatée 13 pour TGB BLADE 600 LTX ABS – retrouvez la liste complète des composants d'origine et identifiez rapidement la pièce compatible.</p> 13 - TRANSMISSION 2 <p>Vue éclatée 13 pour TGB LANDMAX 1000 – retrouvez la liste complète des composants d'origine et identifiez rapidement la pièce compatible.</p> 13 - TRANSMISSION 2 <p>Vue éclatée 13 pour TGB LANDMAX 1000 CAB – retrouvez la liste complète des composants d'origine et identifiez rapidement la pièce compatible.</p> 14 - CARTER MOTEUR GAUCHE 2 <p>Vue éclatée 14 pour TGB BLADE 550 FLX – retrouvez la liste complète des composants d'origine et identifiez rapidement la pièce compatible.</p> 14 - CARTER MOTEUR GAUCHE 2 <p>Vue éclatée 14 pour TGB BLADE 600 FLX – retrouvez la liste complète des composants d'origine et identifiez rapidement la pièce compatible.</p> 14 - CARTER MOTEUR GAUCHE 2 <p>Vue éclatée 14 pour TGB BLADE 600 LTX ABS – retrouvez la liste complète des composants d'origine et identifiez rapidement la pièce compatible.</p> 14 - VARIATEUR <p>Vue éclatée 14 pour TGB LANDMAX 1000 – retrouvez la liste complète des composants d'origine et identifiez rapidement la pièce compatible.</p> 14 - VARIATEUR <p>Vue éclatée 14 pour TGB LANDMAX 1000 CAB – retrouvez la liste complète des composants d'origine et identifiez rapidement la pièce compatible.</p> 15 - BLOCAGE DIFFERENTIEL... <p>Vue éclatée 15 pour TGB BLADE 550 FLX – retrouvez la liste complète des composants d'origine et identifiez rapidement la pièce compatible.</p> 15 - BLOCAGE DIFFERENTIEL... <p>Vue éclatée 15 pour TGB BLADE 600 FLX – retrouvez la liste complète des composants d'origine et identifiez rapidement la pièce compatible.</p> 15 - BLOCAGE DIFFERENTIEL... <p>Vue éclatée 15 pour TGB BLADE 600 LTX ABS – retrouvez la liste complète des composants d'origine et identifiez rapidement la pièce compatible.</p> 15 - ENSEMBLE ECHAPPEMENT <p>Vue éclatée 15 pour TGB LANDMAX 1000 – retrouvez la liste complète des composants d'origine et identifiez rapidement la pièce compatible.</p> 15 - ENSEMBLE ECHAPPEMENT <p>Vue éclatée 15 pour TGB LANDMAX 1000 CAB – retrouvez la liste complète des composants d'origine et identifiez rapidement la pièce compatible.</p> 16 - ENSEMBLE DIFFERENTIEL... <p>Vue éclatée 16 pour TGB BLADE 550 FLX – retrouvez la liste complète des composants d'origine et identifiez rapidement la pièce compatible.</p> 16 - ENSEMBLE DIFFERENTIEL... <p>Vue éclatée 16 pour TGB BLADE 600 FLX – retrouvez la liste complète des composants d'origine et identifiez rapidement la pièce compatible.</p> 16 - ENSEMBLE DIFFERENTIEL... <p>Vue éclatée 16 pour TGB BLADE 600 LTX ABS – retrouvez la liste complète des composants d'origine et identifiez rapidement la pièce compatible.</p> 16 - ENSEMBLE FILTRE A AIR <p>Vue éclatée 16 pour TGB LANDMAX 1000 – retrouvez la liste complète des composants d'origine et identifiez rapidement la pièce compatible.</p> 16 - ENSEMBLE FILTRE A AIR <p>Vue éclatée 16 pour TGB LANDMAX 1000 CAB – retrouvez la liste complète des composants d'origine et identifiez rapidement la pièce compatible.</p> 17 - BLOCAGE DIFFERENTIEL... <p>Vue éclatée 17 pour TGB LANDMAX 1000 – retrouvez la liste complète des composants d'origine et identifiez rapidement la pièce compatible.</p> 17 - BLOCAGE DIFFERENTIEL... <p>Vue éclatée 17 pour TGB LANDMAX 1000 CAB – retrouvez la liste complète des composants d'origine et identifiez rapidement la pièce compatible.</p> 17 - VARIATEUR <p>Vue éclatée 17 pour TGB BLADE 550 FLX – retrouvez la liste complète des composants d'origine et identifiez rapidement la pièce compatible.</p> 17 - VARIATEUR <p>Vue éclatée 17 pour TGB BLADE 600 FLX – retrouvez la liste complète des composants d'origine et identifiez rapidement la pièce compatible.</p> 17 - VARIATEUR <p>Vue éclatée 17 pour TGB BLADE 600 LTX ABS – retrouvez la liste complète des composants d'origine et identifiez rapidement la pièce compatible.</p> 18 - ENSEMBLE DIFFERENTIEL... <p>Vue éclatée 18 pour TGB LANDMAX 1000 – retrouvez la liste complète des composants d'origine et identifiez rapidement la pièce compatible.</p> 18 - ENSEMBLE DIFFERENTIEL... <p>Vue éclatée 18 pour TGB LANDMAX 1000 CAB – retrouvez la liste complète des composants d'origine et identifiez rapidement la pièce compatible.</p> 18 - ENSEMBLE ECHAPPEMENT <p>Vue éclatée 18 pour TGB BLADE 550 FLX – retrouvez la liste complète des composants d'origine et identifiez rapidement la pièce compatible.</p> 18 - ENSEMBLE ECHAPPEMENT <p>Vue éclatée 18 pour TGB BLADE 600 FLX – retrouvez la liste complète des composants d'origine et identifiez rapidement la pièce compatible.</p> 18 - ENSEMBLE ECHAPPEMENT <p>Vue éclatée 18 pour TGB BLADE 600 LTX ABS – retrouvez la liste complète des composants d'origine et identifiez rapidement la pièce compatible.</p> 19 - DIRECTION ASSISTEE <p>Vue éclatée 19 pour TGB LANDMAX 1000 – retrouvez la liste complète des composants d'origine et identifiez rapidement la pièce compatible.</p> 19 - DIRECTION ASSISTEE <p>Vue éclatée 19 pour TGB LANDMAX 1000 CAB – retrouvez la liste complète des composants d'origine et identifiez rapidement la pièce compatible.</p> 19 - ENSEMBLE FILTRE A AIR <p>Vue éclatée 19 pour TGB BLADE 550 FLX – retrouvez la liste complète des composants d'origine et identifiez rapidement la pièce compatible.</p> 19 - ENSEMBLE FILTRE A AIR <p>Vue éclatée 19 pour TGB BLADE 600 FLX – retrouvez la liste complète des composants d'origine et identifiez rapidement la pièce compatible.</p> 19 - ENSEMBLE FILTRE A AIR <p>Vue éclatée 19 pour TGB BLADE 600 LTX ABS – retrouvez la liste complète des composants d'origine et identifiez rapidement la pièce compatible.</p> 2 - SYSTEME ADMISSION <p>Vue éclatée 2 pour TGB BLADE 550 FLX – retrouvez la liste complète des composants d'origine et identifiez rapidement la pièce compatible.</p> 2 - SYSTEME ADMISSION <p>Vue éclatée 2 pour TGB BLADE 600 FLX – retrouvez la liste complète des composants d'origine et identifiez rapidement la pièce compatible.</p> 2 - SYSTEME ADMISSION <p>Vue éclatée 2 pour TGB BLADE 600 LTX ABS – retrouvez la liste complète des composants d'origine et identifiez rapidement la pièce compatible.</p> 2 - SYSTEME ADMISSION <p>Vue éclatée 2 pour TGB LANDMAX 1000 – retrouvez la liste complète des composants d'origine et identifiez rapidement la pièce compatible.</p> 2 - SYSTEME ADMISSION <p>Vue éclatée 2 pour TGB LANDMAX 1000 CAB – retrouvez la liste complète des composants d'origine et identifiez rapidement la pièce compatible.</p> 20 - ENSEMBLE REFROIDISSEMENT <p>Vue éclatée 20 pour TGB BLADE 550 FLX – retrouvez la liste complète des composants d'origine et identifiez rapidement la pièce compatible.</p> 20 - ENSEMBLE REFROIDISSEMENT <p>Vue éclatée 20 pour TGB BLADE 600 FLX – retrouvez la liste complète des composants d'origine et identifiez rapidement la pièce compatible.</p> 20 - ENSEMBLE REFROIDISSEMENT <p>Vue éclatée 20 pour TGB BLADE 600 LTX ABS – retrouvez la liste complète des composants d'origine et identifiez rapidement la pièce compatible.</p> 20 - ENSEMBLE REFROIDISSEMENT <p>Vue éclatée 20 pour TGB LANDMAX 1000 – retrouvez la liste complète des composants d'origine et identifiez rapidement la pièce compatible.</p> 20 - ENSEMBLE REFROIDISSEMENT <p>Vue éclatée 20 pour TGB LANDMAX 1000 CAB – retrouvez la liste complète des composants d'origine et identifiez rapidement la pièce compatible.</p> 21 - SYSTEME ELECTRIQUE 2 <p>Vue éclatée 21 pour TGB BLADE 550 FLX – retrouvez la liste complète des composants d'origine et identifiez rapidement la pièce compatible.</p> 21 - SYSTEME ELECTRIQUE 2 <p>Vue éclatée 21 pour TGB BLADE 600 FLX – retrouvez la liste complète des composants d'origine et identifiez rapidement la pièce compatible.</p> 21 - SYSTEME ELECTRIQUE 2 <p>Vue éclatée 21 pour TGB BLADE 600 LTX ABS – retrouvez la liste complète des composants d'origine et identifiez rapidement la pièce compatible.</p> 21 - SYSTEME ELECTRIQUE 2 <p>Vue éclatée 21 pour TGB LANDMAX 1000 – retrouvez la liste complète des composants d'origine et identifiez rapidement la pièce compatible.</p> 21 - SYSTEME ELECTRIQUE 2 <p>Vue éclatée 21 pour TGB LANDMAX 1000 CAB – retrouvez la liste complète des composants d'origine et identifiez rapidement la pièce compatible.</p> 22 - SYSTEME ELECTRIQUE 3 <p>Vue éclatée 22 pour TGB BLADE 550 FLX – retrouvez la liste complète des composants d'origine et identifiez rapidement la pièce compatible.</p> 22 - SYSTEME ELECTRIQUE 3 <p>Vue éclatée 22 pour TGB BLADE 600 FLX – retrouvez la liste complète des composants d'origine et identifiez rapidement la pièce compatible.</p> 22 - SYSTEME ELECTRIQUE 3 <p>Vue éclatée 22 pour TGB BLADE 600 LTX ABS – retrouvez la liste complète des composants d'origine et identifiez rapidement la pièce compatible.</p> 22 - SYSTEME ELECTRIQUE 3 <p>Vue éclatée 22 pour TGB LANDMAX 1000 – retrouvez la liste complète des composants d'origine et identifiez rapidement la pièce compatible.</p> 22 - SYSTEME ELECTRIQUE 3 <p>Vue éclatée 22 pour TGB LANDMAX 1000 CAB – retrouvez la liste complète des composants d'origine et identifiez rapidement la pièce compatible.</p> 23 - RELAIS SUPPORTS <p>Vue éclatée 23 pour TGB LANDMAX 1000 – retrouvez la liste complète des composants d'origine et identifiez rapidement la pièce compatible.</p> 23 - RELAIS SUPPORTS <p>Vue éclatée 23 pour TGB LANDMAX 1000 CAB – retrouvez la liste complète des composants d'origine et identifiez rapidement la pièce compatible.</p> 23 - SUPPORTS <p>Vue éclatée 23 pour TGB BLADE 550 FLX – retrouvez la liste complète des composants d'origine et identifiez rapidement la pièce compatible.</p> 23 - SUPPORTS <p>Vue éclatée 23 pour TGB BLADE 600 FLX – retrouvez la liste complète des composants d'origine et identifiez rapidement la pièce compatible.</p> 23 - SUPPORTS <p>Vue éclatée 23 pour TGB BLADE 600 LTX ABS – retrouvez la liste complète des composants d'origine et identifiez rapidement la pièce compatible.</p> 24 - CONTROLEUR... <p>Vue éclatée 24 pour TGB LANDMAX 1000 – retrouvez la liste complète des composants d'origine et identifiez rapidement la pièce compatible.</p> 24 - ECLAIRAGE INT MONITEUR... <p>Vue éclatée 24 pour TGB LANDMAX 1000 CAB – retrouvez la liste complète des composants d'origine et identifiez rapidement la pièce compatible.</p> 24 - SUPPORTS MOTEUR <p>Vue éclatée 24 pour TGB BLADE 550 FLX – retrouvez la liste complète des composants d'origine et identifiez rapidement la pièce compatible.</p> 24 - SUPPORTS MOTEUR <p>Vue éclatée 24 pour TGB BLADE 600 FLX – retrouvez la liste complète des composants d'origine et identifiez rapidement la pièce compatible.</p> 24 - SUPPORTS MOTEUR <p>Vue éclatée 24 pour TGB BLADE 600 LTX ABS – retrouvez la liste complète des composants d'origine et identifiez rapidement la pièce compatible.</p> 25 - COMPTEUR <p>Vue éclatée 25 pour TGB LANDMAX 1000 – retrouvez la liste complète des composants d'origine et identifiez rapidement la pièce compatible.</p> 25 - CONTROLEUR... <p>Vue éclatée 25 pour TGB LANDMAX 1000 CAB – retrouvez la liste complète des composants d'origine et identifiez rapidement la pièce compatible.</p> 25 - MOTEUR DE DIFFERENTIEL <p>Vue éclatée 25 pour TGB BLADE 550 FLX – retrouvez la liste complète des composants d'origine et identifiez rapidement la pièce compatible.</p> 25 - MOTEUR DE DIFFERENTIEL <p>Vue éclatée 25 pour TGB BLADE 600 FLX – retrouvez la liste complète des composants d'origine et identifiez rapidement la pièce compatible.</p> 25 - MOTEUR DE DIFFERENTIEL <p>Vue éclatée 25 pour TGB BLADE 600 LTX ABS – retrouvez la liste complète des composants d'origine et identifiez rapidement la pièce compatible.</p> 26 - COMPTEUR <p>Vue éclatée 26 pour TGB LANDMAX 1000 CAB – retrouvez la liste complète des composants d'origine et identifiez rapidement la pièce compatible.</p> 26 - DIRECTION ASSISTEE... <p>Vue éclatée 26 pour TGB BLADE 550 FLX – retrouvez la liste complète des composants d'origine et identifiez rapidement la pièce compatible.</p> 26 - DIRECTION ASSISTEE... <p>Vue éclatée 26 pour TGB BLADE 600 LTX ABS – retrouvez la liste complète des composants d'origine et identifiez rapidement la pièce compatible.</p> 26 - ECLAIRAGE AVANT <p>Vue éclatée 26 pour TGB LANDMAX 1000 – retrouvez la liste complète des composants d'origine et identifiez rapidement la pièce compatible.</p> 26 - SUPPORTS DIFFERENTIEL... <p>Vue éclatée 26 pour TGB BLADE 600 FLX – retrouvez la liste complète des composants d'origine et identifiez rapidement la pièce compatible.</p> 27 - COMPTEUR <p>Vue éclatée 27 pour TGB BLADE 550 FLX – retrouvez la liste complète des composants d'origine et identifiez rapidement la pièce compatible.</p> 27 - COMPTEUR <p>Vue éclatée 27 pour TGB BLADE 600 LTX ABS – retrouvez la liste complète des composants d'origine et identifiez rapidement la pièce compatible.</p> 27 - DIRECTION ASSISTEE... <p>Vue éclatée 27 pour TGB BLADE 600 FLX – retrouvez la liste complète des composants d'origine et identifiez rapidement la pièce compatible.</p> 27 - ECLAIRAGE ARRIERE <p>Vue éclatée 27 pour TGB LANDMAX 1000 – retrouvez la liste complète des composants d'origine et identifiez rapidement la pièce compatible.</p> 27 - ECLAIRAGE AVANT <p>Vue éclatée 27 pour TGB LANDMAX 1000 CAB – retrouvez la liste complète des composants d'origine et identifiez rapidement la pièce compatible.</p> Affichage 1-100 de 539 article(s) 1 2 3 … 6 Suivant Retour en haut
12 - TRANSMISSION 1 <p>Vue éclatée 12 pour TGB LANDMAX 1000 CAB – retrouvez la liste complète des composants d'origine et identifiez rapidement la pièce compatible.</p> 13 - CARTER MOTEUR GAUCHE 1 <p>Vue éclatée 13 pour TGB BLADE 550 FLX – retrouvez la liste complète des composants d'origine et identifiez rapidement la pièce compatible.</p> 13 - CARTER MOTEUR GAUCHE 1 <p>Vue éclatée 13 pour TGB BLADE 600 FLX – retrouvez la liste complète des composants d'origine et identifiez rapidement la pièce compatible.</p> 13 - CARTER MOTEUR GAUCHE 1 <p>Vue éclatée 13 pour TGB BLADE 600 LTX ABS – retrouvez la liste complète des composants d'origine et identifiez rapidement la pièce compatible.</p> 13 - TRANSMISSION 2 <p>Vue éclatée 13 pour TGB LANDMAX 1000 – retrouvez la liste complète des composants d'origine et identifiez rapidement la pièce compatible.</p> 13 - TRANSMISSION 2 <p>Vue éclatée 13 pour TGB LANDMAX 1000 CAB – retrouvez la liste complète des composants d'origine et identifiez rapidement la pièce compatible.</p> 14 - CARTER MOTEUR GAUCHE 2 <p>Vue éclatée 14 pour TGB BLADE 550 FLX – retrouvez la liste complète des composants d'origine et identifiez rapidement la pièce compatible.</p> 14 - CARTER MOTEUR GAUCHE 2 <p>Vue éclatée 14 pour TGB BLADE 600 FLX – retrouvez la liste complète des composants d'origine et identifiez rapidement la pièce compatible.</p> 14 - CARTER MOTEUR GAUCHE 2 <p>Vue éclatée 14 pour TGB BLADE 600 LTX ABS – retrouvez la liste complète des composants d'origine et identifiez rapidement la pièce compatible.</p> 14 - VARIATEUR <p>Vue éclatée 14 pour TGB LANDMAX 1000 – retrouvez la liste complète des composants d'origine et identifiez rapidement la pièce compatible.</p> 14 - VARIATEUR <p>Vue éclatée 14 pour TGB LANDMAX 1000 CAB – retrouvez la liste complète des composants d'origine et identifiez rapidement la pièce compatible.</p> 15 - BLOCAGE DIFFERENTIEL... <p>Vue éclatée 15 pour TGB BLADE 550 FLX – retrouvez la liste complète des composants d'origine et identifiez rapidement la pièce compatible.</p> 15 - BLOCAGE DIFFERENTIEL... <p>Vue éclatée 15 pour TGB BLADE 600 FLX – retrouvez la liste complète des composants d'origine et identifiez rapidement la pièce compatible.</p> 15 - BLOCAGE DIFFERENTIEL... <p>Vue éclatée 15 pour TGB BLADE 600 LTX ABS – retrouvez la liste complète des composants d'origine et identifiez rapidement la pièce compatible.</p> 15 - ENSEMBLE ECHAPPEMENT <p>Vue éclatée 15 pour TGB LANDMAX 1000 – retrouvez la liste complète des composants d'origine et identifiez rapidement la pièce compatible.</p> 15 - ENSEMBLE ECHAPPEMENT <p>Vue éclatée 15 pour TGB LANDMAX 1000 CAB – retrouvez la liste complète des composants d'origine et identifiez rapidement la pièce compatible.</p> 16 - ENSEMBLE DIFFERENTIEL... <p>Vue éclatée 16 pour TGB BLADE 550 FLX – retrouvez la liste complète des composants d'origine et identifiez rapidement la pièce compatible.</p> 16 - ENSEMBLE DIFFERENTIEL... <p>Vue éclatée 16 pour TGB BLADE 600 FLX – retrouvez la liste complète des composants d'origine et identifiez rapidement la pièce compatible.</p> 16 - ENSEMBLE DIFFERENTIEL... <p>Vue éclatée 16 pour TGB BLADE 600 LTX ABS – retrouvez la liste complète des composants d'origine et identifiez rapidement la pièce compatible.</p> 16 - ENSEMBLE FILTRE A AIR <p>Vue éclatée 16 pour TGB LANDMAX 1000 – retrouvez la liste complète des composants d'origine et identifiez rapidement la pièce compatible.</p> 16 - ENSEMBLE FILTRE A AIR <p>Vue éclatée 16 pour TGB LANDMAX 1000 CAB – retrouvez la liste complète des composants d'origine et identifiez rapidement la pièce compatible.</p> 17 - BLOCAGE DIFFERENTIEL... <p>Vue éclatée 17 pour TGB LANDMAX 1000 – retrouvez la liste complète des composants d'origine et identifiez rapidement la pièce compatible.</p> 17 - BLOCAGE DIFFERENTIEL... <p>Vue éclatée 17 pour TGB LANDMAX 1000 CAB – retrouvez la liste complète des composants d'origine et identifiez rapidement la pièce compatible.</p> 17 - VARIATEUR <p>Vue éclatée 17 pour TGB BLADE 550 FLX – retrouvez la liste complète des composants d'origine et identifiez rapidement la pièce compatible.</p> 17 - VARIATEUR <p>Vue éclatée 17 pour TGB BLADE 600 FLX – retrouvez la liste complète des composants d'origine et identifiez rapidement la pièce compatible.</p> 17 - VARIATEUR <p>Vue éclatée 17 pour TGB BLADE 600 LTX ABS – retrouvez la liste complète des composants d'origine et identifiez rapidement la pièce compatible.</p> 18 - ENSEMBLE DIFFERENTIEL... <p>Vue éclatée 18 pour TGB LANDMAX 1000 – retrouvez la liste complète des composants d'origine et identifiez rapidement la pièce compatible.</p> 18 - ENSEMBLE DIFFERENTIEL... <p>Vue éclatée 18 pour TGB LANDMAX 1000 CAB – retrouvez la liste complète des composants d'origine et identifiez rapidement la pièce compatible.</p> 18 - ENSEMBLE ECHAPPEMENT <p>Vue éclatée 18 pour TGB BLADE 550 FLX – retrouvez la liste complète des composants d'origine et identifiez rapidement la pièce compatible.</p> 18 - ENSEMBLE ECHAPPEMENT <p>Vue éclatée 18 pour TGB BLADE 600 FLX – retrouvez la liste complète des composants d'origine et identifiez rapidement la pièce compatible.</p> 18 - ENSEMBLE ECHAPPEMENT <p>Vue éclatée 18 pour TGB BLADE 600 LTX ABS – retrouvez la liste complète des composants d'origine et identifiez rapidement la pièce compatible.</p> 19 - DIRECTION ASSISTEE <p>Vue éclatée 19 pour TGB LANDMAX 1000 – retrouvez la liste complète des composants d'origine et identifiez rapidement la pièce compatible.</p> 19 - DIRECTION ASSISTEE <p>Vue éclatée 19 pour TGB LANDMAX 1000 CAB – retrouvez la liste complète des composants d'origine et identifiez rapidement la pièce compatible.</p> 19 - ENSEMBLE FILTRE A AIR <p>Vue éclatée 19 pour TGB BLADE 550 FLX – retrouvez la liste complète des composants d'origine et identifiez rapidement la pièce compatible.</p> 19 - ENSEMBLE FILTRE A AIR <p>Vue éclatée 19 pour TGB BLADE 600 FLX – retrouvez la liste complète des composants d'origine et identifiez rapidement la pièce compatible.</p> 19 - ENSEMBLE FILTRE A AIR <p>Vue éclatée 19 pour TGB BLADE 600 LTX ABS – retrouvez la liste complète des composants d'origine et identifiez rapidement la pièce compatible.</p> 2 - SYSTEME ADMISSION <p>Vue éclatée 2 pour TGB BLADE 550 FLX – retrouvez la liste complète des composants d'origine et identifiez rapidement la pièce compatible.</p> 2 - SYSTEME ADMISSION <p>Vue éclatée 2 pour TGB BLADE 600 FLX – retrouvez la liste complète des composants d'origine et identifiez rapidement la pièce compatible.</p> 2 - SYSTEME ADMISSION <p>Vue éclatée 2 pour TGB BLADE 600 LTX ABS – retrouvez la liste complète des composants d'origine et identifiez rapidement la pièce compatible.</p> 2 - SYSTEME ADMISSION <p>Vue éclatée 2 pour TGB LANDMAX 1000 – retrouvez la liste complète des composants d'origine et identifiez rapidement la pièce compatible.</p> 2 - SYSTEME ADMISSION <p>Vue éclatée 2 pour TGB LANDMAX 1000 CAB – retrouvez la liste complète des composants d'origine et identifiez rapidement la pièce compatible.</p> 20 - ENSEMBLE REFROIDISSEMENT <p>Vue éclatée 20 pour TGB BLADE 550 FLX – retrouvez la liste complète des composants d'origine et identifiez rapidement la pièce compatible.</p> 20 - ENSEMBLE REFROIDISSEMENT <p>Vue éclatée 20 pour TGB BLADE 600 FLX – retrouvez la liste complète des composants d'origine et identifiez rapidement la pièce compatible.</p> 20 - ENSEMBLE REFROIDISSEMENT <p>Vue éclatée 20 pour TGB BLADE 600 LTX ABS – retrouvez la liste complète des composants d'origine et identifiez rapidement la pièce compatible.</p> 20 - ENSEMBLE REFROIDISSEMENT <p>Vue éclatée 20 pour TGB LANDMAX 1000 – retrouvez la liste complète des composants d'origine et identifiez rapidement la pièce compatible.</p> 20 - ENSEMBLE REFROIDISSEMENT <p>Vue éclatée 20 pour TGB LANDMAX 1000 CAB – retrouvez la liste complète des composants d'origine et identifiez rapidement la pièce compatible.</p> 21 - SYSTEME ELECTRIQUE 2 <p>Vue éclatée 21 pour TGB BLADE 550 FLX – retrouvez la liste complète des composants d'origine et identifiez rapidement la pièce compatible.</p> 21 - SYSTEME ELECTRIQUE 2 <p>Vue éclatée 21 pour TGB BLADE 600 FLX – retrouvez la liste complète des composants d'origine et identifiez rapidement la pièce compatible.</p> 21 - SYSTEME ELECTRIQUE 2 <p>Vue éclatée 21 pour TGB BLADE 600 LTX ABS – retrouvez la liste complète des composants d'origine et identifiez rapidement la pièce compatible.</p> 21 - SYSTEME ELECTRIQUE 2 <p>Vue éclatée 21 pour TGB LANDMAX 1000 – retrouvez la liste complète des composants d'origine et identifiez rapidement la pièce compatible.</p> 21 - SYSTEME ELECTRIQUE 2 <p>Vue éclatée 21 pour TGB LANDMAX 1000 CAB – retrouvez la liste complète des composants d'origine et identifiez rapidement la pièce compatible.</p> 22 - SYSTEME ELECTRIQUE 3 <p>Vue éclatée 22 pour TGB BLADE 550 FLX – retrouvez la liste complète des composants d'origine et identifiez rapidement la pièce compatible.</p> 22 - SYSTEME ELECTRIQUE 3 <p>Vue éclatée 22 pour TGB BLADE 600 FLX – retrouvez la liste complète des composants d'origine et identifiez rapidement la pièce compatible.</p> 22 - SYSTEME ELECTRIQUE 3 <p>Vue éclatée 22 pour TGB BLADE 600 LTX ABS – retrouvez la liste complète des composants d'origine et identifiez rapidement la pièce compatible.</p> 22 - SYSTEME ELECTRIQUE 3 <p>Vue éclatée 22 pour TGB LANDMAX 1000 – retrouvez la liste complète des composants d'origine et identifiez rapidement la pièce compatible.</p> 22 - SYSTEME ELECTRIQUE 3 <p>Vue éclatée 22 pour TGB LANDMAX 1000 CAB – retrouvez la liste complète des composants d'origine et identifiez rapidement la pièce compatible.</p> 23 - RELAIS SUPPORTS <p>Vue éclatée 23 pour TGB LANDMAX 1000 – retrouvez la liste complète des composants d'origine et identifiez rapidement la pièce compatible.</p> 23 - RELAIS SUPPORTS <p>Vue éclatée 23 pour TGB LANDMAX 1000 CAB – retrouvez la liste complète des composants d'origine et identifiez rapidement la pièce compatible.</p> 23 - SUPPORTS <p>Vue éclatée 23 pour TGB BLADE 550 FLX – retrouvez la liste complète des composants d'origine et identifiez rapidement la pièce compatible.</p> 23 - SUPPORTS <p>Vue éclatée 23 pour TGB BLADE 600 FLX – retrouvez la liste complète des composants d'origine et identifiez rapidement la pièce compatible.</p> 23 - SUPPORTS <p>Vue éclatée 23 pour TGB BLADE 600 LTX ABS – retrouvez la liste complète des composants d'origine et identifiez rapidement la pièce compatible.</p> 24 - CONTROLEUR... <p>Vue éclatée 24 pour TGB LANDMAX 1000 – retrouvez la liste complète des composants d'origine et identifiez rapidement la pièce compatible.</p> 24 - ECLAIRAGE INT MONITEUR... <p>Vue éclatée 24 pour TGB LANDMAX 1000 CAB – retrouvez la liste complète des composants d'origine et identifiez rapidement la pièce compatible.</p> 24 - SUPPORTS MOTEUR <p>Vue éclatée 24 pour TGB BLADE 550 FLX – retrouvez la liste complète des composants d'origine et identifiez rapidement la pièce compatible.</p> 24 - SUPPORTS MOTEUR <p>Vue éclatée 24 pour TGB BLADE 600 FLX – retrouvez la liste complète des composants d'origine et identifiez rapidement la pièce compatible.</p> 24 - SUPPORTS MOTEUR <p>Vue éclatée 24 pour TGB BLADE 600 LTX ABS – retrouvez la liste complète des composants d'origine et identifiez rapidement la pièce compatible.</p> 25 - COMPTEUR <p>Vue éclatée 25 pour TGB LANDMAX 1000 – retrouvez la liste complète des composants d'origine et identifiez rapidement la pièce compatible.</p> 25 - CONTROLEUR... <p>Vue éclatée 25 pour TGB LANDMAX 1000 CAB – retrouvez la liste complète des composants d'origine et identifiez rapidement la pièce compatible.</p> 25 - MOTEUR DE DIFFERENTIEL <p>Vue éclatée 25 pour TGB BLADE 550 FLX – retrouvez la liste complète des composants d'origine et identifiez rapidement la pièce compatible.</p> 25 - MOTEUR DE DIFFERENTIEL <p>Vue éclatée 25 pour TGB BLADE 600 FLX – retrouvez la liste complète des composants d'origine et identifiez rapidement la pièce compatible.</p> 25 - MOTEUR DE DIFFERENTIEL <p>Vue éclatée 25 pour TGB BLADE 600 LTX ABS – retrouvez la liste complète des composants d'origine et identifiez rapidement la pièce compatible.</p> 26 - COMPTEUR <p>Vue éclatée 26 pour TGB LANDMAX 1000 CAB – retrouvez la liste complète des composants d'origine et identifiez rapidement la pièce compatible.</p> 26 - DIRECTION ASSISTEE... <p>Vue éclatée 26 pour TGB BLADE 550 FLX – retrouvez la liste complète des composants d'origine et identifiez rapidement la pièce compatible.</p> 26 - DIRECTION ASSISTEE... <p>Vue éclatée 26 pour TGB BLADE 600 LTX ABS – retrouvez la liste complète des composants d'origine et identifiez rapidement la pièce compatible.</p> 26 - ECLAIRAGE AVANT <p>Vue éclatée 26 pour TGB LANDMAX 1000 – retrouvez la liste complète des composants d'origine et identifiez rapidement la pièce compatible.</p> 26 - SUPPORTS DIFFERENTIEL... <p>Vue éclatée 26 pour TGB BLADE 600 FLX – retrouvez la liste complète des composants d'origine et identifiez rapidement la pièce compatible.</p> 27 - COMPTEUR <p>Vue éclatée 27 pour TGB BLADE 550 FLX – retrouvez la liste complète des composants d'origine et identifiez rapidement la pièce compatible.</p> 27 - COMPTEUR <p>Vue éclatée 27 pour TGB BLADE 600 LTX ABS – retrouvez la liste complète des composants d'origine et identifiez rapidement la pièce compatible.</p> 27 - DIRECTION ASSISTEE... <p>Vue éclatée 27 pour TGB BLADE 600 FLX – retrouvez la liste complète des composants d'origine et identifiez rapidement la pièce compatible.</p> 27 - ECLAIRAGE ARRIERE <p>Vue éclatée 27 pour TGB LANDMAX 1000 – retrouvez la liste complète des composants d'origine et identifiez rapidement la pièce compatible.</p> 27 - ECLAIRAGE AVANT <p>Vue éclatée 27 pour TGB LANDMAX 1000 CAB – retrouvez la liste complète des composants d'origine et identifiez rapidement la pièce compatible.</p> Affichage 1-100 de 539 article(s) 1 2 3 … 6 Suivant Retour en haut
13 - CARTER MOTEUR GAUCHE 1 <p>Vue éclatée 13 pour TGB BLADE 550 FLX – retrouvez la liste complète des composants d'origine et identifiez rapidement la pièce compatible.</p> 13 - CARTER MOTEUR GAUCHE 1 <p>Vue éclatée 13 pour TGB BLADE 600 FLX – retrouvez la liste complète des composants d'origine et identifiez rapidement la pièce compatible.</p> 13 - CARTER MOTEUR GAUCHE 1 <p>Vue éclatée 13 pour TGB BLADE 600 LTX ABS – retrouvez la liste complète des composants d'origine et identifiez rapidement la pièce compatible.</p> 13 - TRANSMISSION 2 <p>Vue éclatée 13 pour TGB LANDMAX 1000 – retrouvez la liste complète des composants d'origine et identifiez rapidement la pièce compatible.</p> 13 - TRANSMISSION 2 <p>Vue éclatée 13 pour TGB LANDMAX 1000 CAB – retrouvez la liste complète des composants d'origine et identifiez rapidement la pièce compatible.</p> 14 - CARTER MOTEUR GAUCHE 2 <p>Vue éclatée 14 pour TGB BLADE 550 FLX – retrouvez la liste complète des composants d'origine et identifiez rapidement la pièce compatible.</p> 14 - CARTER MOTEUR GAUCHE 2 <p>Vue éclatée 14 pour TGB BLADE 600 FLX – retrouvez la liste complète des composants d'origine et identifiez rapidement la pièce compatible.</p> 14 - CARTER MOTEUR GAUCHE 2 <p>Vue éclatée 14 pour TGB BLADE 600 LTX ABS – retrouvez la liste complète des composants d'origine et identifiez rapidement la pièce compatible.</p> 14 - VARIATEUR <p>Vue éclatée 14 pour TGB LANDMAX 1000 – retrouvez la liste complète des composants d'origine et identifiez rapidement la pièce compatible.</p> 14 - VARIATEUR <p>Vue éclatée 14 pour TGB LANDMAX 1000 CAB – retrouvez la liste complète des composants d'origine et identifiez rapidement la pièce compatible.</p> 15 - BLOCAGE DIFFERENTIEL... <p>Vue éclatée 15 pour TGB BLADE 550 FLX – retrouvez la liste complète des composants d'origine et identifiez rapidement la pièce compatible.</p> 15 - BLOCAGE DIFFERENTIEL... <p>Vue éclatée 15 pour TGB BLADE 600 FLX – retrouvez la liste complète des composants d'origine et identifiez rapidement la pièce compatible.</p> 15 - BLOCAGE DIFFERENTIEL... <p>Vue éclatée 15 pour TGB BLADE 600 LTX ABS – retrouvez la liste complète des composants d'origine et identifiez rapidement la pièce compatible.</p> 15 - ENSEMBLE ECHAPPEMENT <p>Vue éclatée 15 pour TGB LANDMAX 1000 – retrouvez la liste complète des composants d'origine et identifiez rapidement la pièce compatible.</p> 15 - ENSEMBLE ECHAPPEMENT <p>Vue éclatée 15 pour TGB LANDMAX 1000 CAB – retrouvez la liste complète des composants d'origine et identifiez rapidement la pièce compatible.</p> 16 - ENSEMBLE DIFFERENTIEL... <p>Vue éclatée 16 pour TGB BLADE 550 FLX – retrouvez la liste complète des composants d'origine et identifiez rapidement la pièce compatible.</p> 16 - ENSEMBLE DIFFERENTIEL... <p>Vue éclatée 16 pour TGB BLADE 600 FLX – retrouvez la liste complète des composants d'origine et identifiez rapidement la pièce compatible.</p> 16 - ENSEMBLE DIFFERENTIEL... <p>Vue éclatée 16 pour TGB BLADE 600 LTX ABS – retrouvez la liste complète des composants d'origine et identifiez rapidement la pièce compatible.</p> 16 - ENSEMBLE FILTRE A AIR <p>Vue éclatée 16 pour TGB LANDMAX 1000 – retrouvez la liste complète des composants d'origine et identifiez rapidement la pièce compatible.</p> 16 - ENSEMBLE FILTRE A AIR <p>Vue éclatée 16 pour TGB LANDMAX 1000 CAB – retrouvez la liste complète des composants d'origine et identifiez rapidement la pièce compatible.</p> 17 - BLOCAGE DIFFERENTIEL... <p>Vue éclatée 17 pour TGB LANDMAX 1000 – retrouvez la liste complète des composants d'origine et identifiez rapidement la pièce compatible.</p> 17 - BLOCAGE DIFFERENTIEL... <p>Vue éclatée 17 pour TGB LANDMAX 1000 CAB – retrouvez la liste complète des composants d'origine et identifiez rapidement la pièce compatible.</p> 17 - VARIATEUR <p>Vue éclatée 17 pour TGB BLADE 550 FLX – retrouvez la liste complète des composants d'origine et identifiez rapidement la pièce compatible.</p> 17 - VARIATEUR <p>Vue éclatée 17 pour TGB BLADE 600 FLX – retrouvez la liste complète des composants d'origine et identifiez rapidement la pièce compatible.</p> 17 - VARIATEUR <p>Vue éclatée 17 pour TGB BLADE 600 LTX ABS – retrouvez la liste complète des composants d'origine et identifiez rapidement la pièce compatible.</p> 18 - ENSEMBLE DIFFERENTIEL... <p>Vue éclatée 18 pour TGB LANDMAX 1000 – retrouvez la liste complète des composants d'origine et identifiez rapidement la pièce compatible.</p> 18 - ENSEMBLE DIFFERENTIEL... <p>Vue éclatée 18 pour TGB LANDMAX 1000 CAB – retrouvez la liste complète des composants d'origine et identifiez rapidement la pièce compatible.</p> 18 - ENSEMBLE ECHAPPEMENT <p>Vue éclatée 18 pour TGB BLADE 550 FLX – retrouvez la liste complète des composants d'origine et identifiez rapidement la pièce compatible.</p> 18 - ENSEMBLE ECHAPPEMENT <p>Vue éclatée 18 pour TGB BLADE 600 FLX – retrouvez la liste complète des composants d'origine et identifiez rapidement la pièce compatible.</p> 18 - ENSEMBLE ECHAPPEMENT <p>Vue éclatée 18 pour TGB BLADE 600 LTX ABS – retrouvez la liste complète des composants d'origine et identifiez rapidement la pièce compatible.</p> 19 - DIRECTION ASSISTEE <p>Vue éclatée 19 pour TGB LANDMAX 1000 – retrouvez la liste complète des composants d'origine et identifiez rapidement la pièce compatible.</p> 19 - DIRECTION ASSISTEE <p>Vue éclatée 19 pour TGB LANDMAX 1000 CAB – retrouvez la liste complète des composants d'origine et identifiez rapidement la pièce compatible.</p> 19 - ENSEMBLE FILTRE A AIR <p>Vue éclatée 19 pour TGB BLADE 550 FLX – retrouvez la liste complète des composants d'origine et identifiez rapidement la pièce compatible.</p> 19 - ENSEMBLE FILTRE A AIR <p>Vue éclatée 19 pour TGB BLADE 600 FLX – retrouvez la liste complète des composants d'origine et identifiez rapidement la pièce compatible.</p> 19 - ENSEMBLE FILTRE A AIR <p>Vue éclatée 19 pour TGB BLADE 600 LTX ABS – retrouvez la liste complète des composants d'origine et identifiez rapidement la pièce compatible.</p> 2 - SYSTEME ADMISSION <p>Vue éclatée 2 pour TGB BLADE 550 FLX – retrouvez la liste complète des composants d'origine et identifiez rapidement la pièce compatible.</p> 2 - SYSTEME ADMISSION <p>Vue éclatée 2 pour TGB BLADE 600 FLX – retrouvez la liste complète des composants d'origine et identifiez rapidement la pièce compatible.</p> 2 - SYSTEME ADMISSION <p>Vue éclatée 2 pour TGB BLADE 600 LTX ABS – retrouvez la liste complète des composants d'origine et identifiez rapidement la pièce compatible.</p> 2 - SYSTEME ADMISSION <p>Vue éclatée 2 pour TGB LANDMAX 1000 – retrouvez la liste complète des composants d'origine et identifiez rapidement la pièce compatible.</p> 2 - SYSTEME ADMISSION <p>Vue éclatée 2 pour TGB LANDMAX 1000 CAB – retrouvez la liste complète des composants d'origine et identifiez rapidement la pièce compatible.</p> 20 - ENSEMBLE REFROIDISSEMENT <p>Vue éclatée 20 pour TGB BLADE 550 FLX – retrouvez la liste complète des composants d'origine et identifiez rapidement la pièce compatible.</p> 20 - ENSEMBLE REFROIDISSEMENT <p>Vue éclatée 20 pour TGB BLADE 600 FLX – retrouvez la liste complète des composants d'origine et identifiez rapidement la pièce compatible.</p> 20 - ENSEMBLE REFROIDISSEMENT <p>Vue éclatée 20 pour TGB BLADE 600 LTX ABS – retrouvez la liste complète des composants d'origine et identifiez rapidement la pièce compatible.</p> 20 - ENSEMBLE REFROIDISSEMENT <p>Vue éclatée 20 pour TGB LANDMAX 1000 – retrouvez la liste complète des composants d'origine et identifiez rapidement la pièce compatible.</p> 20 - ENSEMBLE REFROIDISSEMENT <p>Vue éclatée 20 pour TGB LANDMAX 1000 CAB – retrouvez la liste complète des composants d'origine et identifiez rapidement la pièce compatible.</p> 21 - SYSTEME ELECTRIQUE 2 <p>Vue éclatée 21 pour TGB BLADE 550 FLX – retrouvez la liste complète des composants d'origine et identifiez rapidement la pièce compatible.</p> 21 - SYSTEME ELECTRIQUE 2 <p>Vue éclatée 21 pour TGB BLADE 600 FLX – retrouvez la liste complète des composants d'origine et identifiez rapidement la pièce compatible.</p> 21 - SYSTEME ELECTRIQUE 2 <p>Vue éclatée 21 pour TGB BLADE 600 LTX ABS – retrouvez la liste complète des composants d'origine et identifiez rapidement la pièce compatible.</p> 21 - SYSTEME ELECTRIQUE 2 <p>Vue éclatée 21 pour TGB LANDMAX 1000 – retrouvez la liste complète des composants d'origine et identifiez rapidement la pièce compatible.</p> 21 - SYSTEME ELECTRIQUE 2 <p>Vue éclatée 21 pour TGB LANDMAX 1000 CAB – retrouvez la liste complète des composants d'origine et identifiez rapidement la pièce compatible.</p> 22 - SYSTEME ELECTRIQUE 3 <p>Vue éclatée 22 pour TGB BLADE 550 FLX – retrouvez la liste complète des composants d'origine et identifiez rapidement la pièce compatible.</p> 22 - SYSTEME ELECTRIQUE 3 <p>Vue éclatée 22 pour TGB BLADE 600 FLX – retrouvez la liste complète des composants d'origine et identifiez rapidement la pièce compatible.</p> 22 - SYSTEME ELECTRIQUE 3 <p>Vue éclatée 22 pour TGB BLADE 600 LTX ABS – retrouvez la liste complète des composants d'origine et identifiez rapidement la pièce compatible.</p> 22 - SYSTEME ELECTRIQUE 3 <p>Vue éclatée 22 pour TGB LANDMAX 1000 – retrouvez la liste complète des composants d'origine et identifiez rapidement la pièce compatible.</p> 22 - SYSTEME ELECTRIQUE 3 <p>Vue éclatée 22 pour TGB LANDMAX 1000 CAB – retrouvez la liste complète des composants d'origine et identifiez rapidement la pièce compatible.</p> 23 - RELAIS SUPPORTS <p>Vue éclatée 23 pour TGB LANDMAX 1000 – retrouvez la liste complète des composants d'origine et identifiez rapidement la pièce compatible.</p> 23 - RELAIS SUPPORTS <p>Vue éclatée 23 pour TGB LANDMAX 1000 CAB – retrouvez la liste complète des composants d'origine et identifiez rapidement la pièce compatible.</p> 23 - SUPPORTS <p>Vue éclatée 23 pour TGB BLADE 550 FLX – retrouvez la liste complète des composants d'origine et identifiez rapidement la pièce compatible.</p> 23 - SUPPORTS <p>Vue éclatée 23 pour TGB BLADE 600 FLX – retrouvez la liste complète des composants d'origine et identifiez rapidement la pièce compatible.</p> 23 - SUPPORTS <p>Vue éclatée 23 pour TGB BLADE 600 LTX ABS – retrouvez la liste complète des composants d'origine et identifiez rapidement la pièce compatible.</p> 24 - CONTROLEUR... <p>Vue éclatée 24 pour TGB LANDMAX 1000 – retrouvez la liste complète des composants d'origine et identifiez rapidement la pièce compatible.</p> 24 - ECLAIRAGE INT MONITEUR... <p>Vue éclatée 24 pour TGB LANDMAX 1000 CAB – retrouvez la liste complète des composants d'origine et identifiez rapidement la pièce compatible.</p> 24 - SUPPORTS MOTEUR <p>Vue éclatée 24 pour TGB BLADE 550 FLX – retrouvez la liste complète des composants d'origine et identifiez rapidement la pièce compatible.</p> 24 - SUPPORTS MOTEUR <p>Vue éclatée 24 pour TGB BLADE 600 FLX – retrouvez la liste complète des composants d'origine et identifiez rapidement la pièce compatible.</p> 24 - SUPPORTS MOTEUR <p>Vue éclatée 24 pour TGB BLADE 600 LTX ABS – retrouvez la liste complète des composants d'origine et identifiez rapidement la pièce compatible.</p> 25 - COMPTEUR <p>Vue éclatée 25 pour TGB LANDMAX 1000 – retrouvez la liste complète des composants d'origine et identifiez rapidement la pièce compatible.</p> 25 - CONTROLEUR... <p>Vue éclatée 25 pour TGB LANDMAX 1000 CAB – retrouvez la liste complète des composants d'origine et identifiez rapidement la pièce compatible.</p> 25 - MOTEUR DE DIFFERENTIEL <p>Vue éclatée 25 pour TGB BLADE 550 FLX – retrouvez la liste complète des composants d'origine et identifiez rapidement la pièce compatible.</p> 25 - MOTEUR DE DIFFERENTIEL <p>Vue éclatée 25 pour TGB BLADE 600 FLX – retrouvez la liste complète des composants d'origine et identifiez rapidement la pièce compatible.</p> 25 - MOTEUR DE DIFFERENTIEL <p>Vue éclatée 25 pour TGB BLADE 600 LTX ABS – retrouvez la liste complète des composants d'origine et identifiez rapidement la pièce compatible.</p> 26 - COMPTEUR <p>Vue éclatée 26 pour TGB LANDMAX 1000 CAB – retrouvez la liste complète des composants d'origine et identifiez rapidement la pièce compatible.</p> 26 - DIRECTION ASSISTEE... <p>Vue éclatée 26 pour TGB BLADE 550 FLX – retrouvez la liste complète des composants d'origine et identifiez rapidement la pièce compatible.</p> 26 - DIRECTION ASSISTEE... <p>Vue éclatée 26 pour TGB BLADE 600 LTX ABS – retrouvez la liste complète des composants d'origine et identifiez rapidement la pièce compatible.</p> 26 - ECLAIRAGE AVANT <p>Vue éclatée 26 pour TGB LANDMAX 1000 – retrouvez la liste complète des composants d'origine et identifiez rapidement la pièce compatible.</p> 26 - SUPPORTS DIFFERENTIEL... <p>Vue éclatée 26 pour TGB BLADE 600 FLX – retrouvez la liste complète des composants d'origine et identifiez rapidement la pièce compatible.</p> 27 - COMPTEUR <p>Vue éclatée 27 pour TGB BLADE 550 FLX – retrouvez la liste complète des composants d'origine et identifiez rapidement la pièce compatible.</p> 27 - COMPTEUR <p>Vue éclatée 27 pour TGB BLADE 600 LTX ABS – retrouvez la liste complète des composants d'origine et identifiez rapidement la pièce compatible.</p> 27 - DIRECTION ASSISTEE... <p>Vue éclatée 27 pour TGB BLADE 600 FLX – retrouvez la liste complète des composants d'origine et identifiez rapidement la pièce compatible.</p> 27 - ECLAIRAGE ARRIERE <p>Vue éclatée 27 pour TGB LANDMAX 1000 – retrouvez la liste complète des composants d'origine et identifiez rapidement la pièce compatible.</p> 27 - ECLAIRAGE AVANT <p>Vue éclatée 27 pour TGB LANDMAX 1000 CAB – retrouvez la liste complète des composants d'origine et identifiez rapidement la pièce compatible.</p> Affichage 1-100 de 539 article(s) 1 2 3 … 6 Suivant Retour en haut
13 - CARTER MOTEUR GAUCHE 1 <p>Vue éclatée 13 pour TGB BLADE 600 FLX – retrouvez la liste complète des composants d'origine et identifiez rapidement la pièce compatible.</p> 13 - CARTER MOTEUR GAUCHE 1 <p>Vue éclatée 13 pour TGB BLADE 600 LTX ABS – retrouvez la liste complète des composants d'origine et identifiez rapidement la pièce compatible.</p> 13 - TRANSMISSION 2 <p>Vue éclatée 13 pour TGB LANDMAX 1000 – retrouvez la liste complète des composants d'origine et identifiez rapidement la pièce compatible.</p> 13 - TRANSMISSION 2 <p>Vue éclatée 13 pour TGB LANDMAX 1000 CAB – retrouvez la liste complète des composants d'origine et identifiez rapidement la pièce compatible.</p> 14 - CARTER MOTEUR GAUCHE 2 <p>Vue éclatée 14 pour TGB BLADE 550 FLX – retrouvez la liste complète des composants d'origine et identifiez rapidement la pièce compatible.</p> 14 - CARTER MOTEUR GAUCHE 2 <p>Vue éclatée 14 pour TGB BLADE 600 FLX – retrouvez la liste complète des composants d'origine et identifiez rapidement la pièce compatible.</p> 14 - CARTER MOTEUR GAUCHE 2 <p>Vue éclatée 14 pour TGB BLADE 600 LTX ABS – retrouvez la liste complète des composants d'origine et identifiez rapidement la pièce compatible.</p> 14 - VARIATEUR <p>Vue éclatée 14 pour TGB LANDMAX 1000 – retrouvez la liste complète des composants d'origine et identifiez rapidement la pièce compatible.</p> 14 - VARIATEUR <p>Vue éclatée 14 pour TGB LANDMAX 1000 CAB – retrouvez la liste complète des composants d'origine et identifiez rapidement la pièce compatible.</p> 15 - BLOCAGE DIFFERENTIEL... <p>Vue éclatée 15 pour TGB BLADE 550 FLX – retrouvez la liste complète des composants d'origine et identifiez rapidement la pièce compatible.</p> 15 - BLOCAGE DIFFERENTIEL... <p>Vue éclatée 15 pour TGB BLADE 600 FLX – retrouvez la liste complète des composants d'origine et identifiez rapidement la pièce compatible.</p> 15 - BLOCAGE DIFFERENTIEL... <p>Vue éclatée 15 pour TGB BLADE 600 LTX ABS – retrouvez la liste complète des composants d'origine et identifiez rapidement la pièce compatible.</p> 15 - ENSEMBLE ECHAPPEMENT <p>Vue éclatée 15 pour TGB LANDMAX 1000 – retrouvez la liste complète des composants d'origine et identifiez rapidement la pièce compatible.</p> 15 - ENSEMBLE ECHAPPEMENT <p>Vue éclatée 15 pour TGB LANDMAX 1000 CAB – retrouvez la liste complète des composants d'origine et identifiez rapidement la pièce compatible.</p> 16 - ENSEMBLE DIFFERENTIEL... <p>Vue éclatée 16 pour TGB BLADE 550 FLX – retrouvez la liste complète des composants d'origine et identifiez rapidement la pièce compatible.</p> 16 - ENSEMBLE DIFFERENTIEL... <p>Vue éclatée 16 pour TGB BLADE 600 FLX – retrouvez la liste complète des composants d'origine et identifiez rapidement la pièce compatible.</p> 16 - ENSEMBLE DIFFERENTIEL... <p>Vue éclatée 16 pour TGB BLADE 600 LTX ABS – retrouvez la liste complète des composants d'origine et identifiez rapidement la pièce compatible.</p> 16 - ENSEMBLE FILTRE A AIR <p>Vue éclatée 16 pour TGB LANDMAX 1000 – retrouvez la liste complète des composants d'origine et identifiez rapidement la pièce compatible.</p> 16 - ENSEMBLE FILTRE A AIR <p>Vue éclatée 16 pour TGB LANDMAX 1000 CAB – retrouvez la liste complète des composants d'origine et identifiez rapidement la pièce compatible.</p> 17 - BLOCAGE DIFFERENTIEL... <p>Vue éclatée 17 pour TGB LANDMAX 1000 – retrouvez la liste complète des composants d'origine et identifiez rapidement la pièce compatible.</p> 17 - BLOCAGE DIFFERENTIEL... <p>Vue éclatée 17 pour TGB LANDMAX 1000 CAB – retrouvez la liste complète des composants d'origine et identifiez rapidement la pièce compatible.</p> 17 - VARIATEUR <p>Vue éclatée 17 pour TGB BLADE 550 FLX – retrouvez la liste complète des composants d'origine et identifiez rapidement la pièce compatible.</p> 17 - VARIATEUR <p>Vue éclatée 17 pour TGB BLADE 600 FLX – retrouvez la liste complète des composants d'origine et identifiez rapidement la pièce compatible.</p> 17 - VARIATEUR <p>Vue éclatée 17 pour TGB BLADE 600 LTX ABS – retrouvez la liste complète des composants d'origine et identifiez rapidement la pièce compatible.</p> 18 - ENSEMBLE DIFFERENTIEL... <p>Vue éclatée 18 pour TGB LANDMAX 1000 – retrouvez la liste complète des composants d'origine et identifiez rapidement la pièce compatible.</p> 18 - ENSEMBLE DIFFERENTIEL... <p>Vue éclatée 18 pour TGB LANDMAX 1000 CAB – retrouvez la liste complète des composants d'origine et identifiez rapidement la pièce compatible.</p> 18 - ENSEMBLE ECHAPPEMENT <p>Vue éclatée 18 pour TGB BLADE 550 FLX – retrouvez la liste complète des composants d'origine et identifiez rapidement la pièce compatible.</p> 18 - ENSEMBLE ECHAPPEMENT <p>Vue éclatée 18 pour TGB BLADE 600 FLX – retrouvez la liste complète des composants d'origine et identifiez rapidement la pièce compatible.</p> 18 - ENSEMBLE ECHAPPEMENT <p>Vue éclatée 18 pour TGB BLADE 600 LTX ABS – retrouvez la liste complète des composants d'origine et identifiez rapidement la pièce compatible.</p> 19 - DIRECTION ASSISTEE <p>Vue éclatée 19 pour TGB LANDMAX 1000 – retrouvez la liste complète des composants d'origine et identifiez rapidement la pièce compatible.</p> 19 - DIRECTION ASSISTEE <p>Vue éclatée 19 pour TGB LANDMAX 1000 CAB – retrouvez la liste complète des composants d'origine et identifiez rapidement la pièce compatible.</p> 19 - ENSEMBLE FILTRE A AIR <p>Vue éclatée 19 pour TGB BLADE 550 FLX – retrouvez la liste complète des composants d'origine et identifiez rapidement la pièce compatible.</p> 19 - ENSEMBLE FILTRE A AIR <p>Vue éclatée 19 pour TGB BLADE 600 FLX – retrouvez la liste complète des composants d'origine et identifiez rapidement la pièce compatible.</p> 19 - ENSEMBLE FILTRE A AIR <p>Vue éclatée 19 pour TGB BLADE 600 LTX ABS – retrouvez la liste complète des composants d'origine et identifiez rapidement la pièce compatible.</p> 2 - SYSTEME ADMISSION <p>Vue éclatée 2 pour TGB BLADE 550 FLX – retrouvez la liste complète des composants d'origine et identifiez rapidement la pièce compatible.</p> 2 - SYSTEME ADMISSION <p>Vue éclatée 2 pour TGB BLADE 600 FLX – retrouvez la liste complète des composants d'origine et identifiez rapidement la pièce compatible.</p> 2 - SYSTEME ADMISSION <p>Vue éclatée 2 pour TGB BLADE 600 LTX ABS – retrouvez la liste complète des composants d'origine et identifiez rapidement la pièce compatible.</p> 2 - SYSTEME ADMISSION <p>Vue éclatée 2 pour TGB LANDMAX 1000 – retrouvez la liste complète des composants d'origine et identifiez rapidement la pièce compatible.</p> 2 - SYSTEME ADMISSION <p>Vue éclatée 2 pour TGB LANDMAX 1000 CAB – retrouvez la liste complète des composants d'origine et identifiez rapidement la pièce compatible.</p> 20 - ENSEMBLE REFROIDISSEMENT <p>Vue éclatée 20 pour TGB BLADE 550 FLX – retrouvez la liste complète des composants d'origine et identifiez rapidement la pièce compatible.</p> 20 - ENSEMBLE REFROIDISSEMENT <p>Vue éclatée 20 pour TGB BLADE 600 FLX – retrouvez la liste complète des composants d'origine et identifiez rapidement la pièce compatible.</p> 20 - ENSEMBLE REFROIDISSEMENT <p>Vue éclatée 20 pour TGB BLADE 600 LTX ABS – retrouvez la liste complète des composants d'origine et identifiez rapidement la pièce compatible.</p> 20 - ENSEMBLE REFROIDISSEMENT <p>Vue éclatée 20 pour TGB LANDMAX 1000 – retrouvez la liste complète des composants d'origine et identifiez rapidement la pièce compatible.</p> 20 - ENSEMBLE REFROIDISSEMENT <p>Vue éclatée 20 pour TGB LANDMAX 1000 CAB – retrouvez la liste complète des composants d'origine et identifiez rapidement la pièce compatible.</p> 21 - SYSTEME ELECTRIQUE 2 <p>Vue éclatée 21 pour TGB BLADE 550 FLX – retrouvez la liste complète des composants d'origine et identifiez rapidement la pièce compatible.</p> 21 - SYSTEME ELECTRIQUE 2 <p>Vue éclatée 21 pour TGB BLADE 600 FLX – retrouvez la liste complète des composants d'origine et identifiez rapidement la pièce compatible.</p> 21 - SYSTEME ELECTRIQUE 2 <p>Vue éclatée 21 pour TGB BLADE 600 LTX ABS – retrouvez la liste complète des composants d'origine et identifiez rapidement la pièce compatible.</p> 21 - SYSTEME ELECTRIQUE 2 <p>Vue éclatée 21 pour TGB LANDMAX 1000 – retrouvez la liste complète des composants d'origine et identifiez rapidement la pièce compatible.</p> 21 - SYSTEME ELECTRIQUE 2 <p>Vue éclatée 21 pour TGB LANDMAX 1000 CAB – retrouvez la liste complète des composants d'origine et identifiez rapidement la pièce compatible.</p> 22 - SYSTEME ELECTRIQUE 3 <p>Vue éclatée 22 pour TGB BLADE 550 FLX – retrouvez la liste complète des composants d'origine et identifiez rapidement la pièce compatible.</p> 22 - SYSTEME ELECTRIQUE 3 <p>Vue éclatée 22 pour TGB BLADE 600 FLX – retrouvez la liste complète des composants d'origine et identifiez rapidement la pièce compatible.</p> 22 - SYSTEME ELECTRIQUE 3 <p>Vue éclatée 22 pour TGB BLADE 600 LTX ABS – retrouvez la liste complète des composants d'origine et identifiez rapidement la pièce compatible.</p> 22 - SYSTEME ELECTRIQUE 3 <p>Vue éclatée 22 pour TGB LANDMAX 1000 – retrouvez la liste complète des composants d'origine et identifiez rapidement la pièce compatible.</p> 22 - SYSTEME ELECTRIQUE 3 <p>Vue éclatée 22 pour TGB LANDMAX 1000 CAB – retrouvez la liste complète des composants d'origine et identifiez rapidement la pièce compatible.</p> 23 - RELAIS SUPPORTS <p>Vue éclatée 23 pour TGB LANDMAX 1000 – retrouvez la liste complète des composants d'origine et identifiez rapidement la pièce compatible.</p> 23 - RELAIS SUPPORTS <p>Vue éclatée 23 pour TGB LANDMAX 1000 CAB – retrouvez la liste complète des composants d'origine et identifiez rapidement la pièce compatible.</p> 23 - SUPPORTS <p>Vue éclatée 23 pour TGB BLADE 550 FLX – retrouvez la liste complète des composants d'origine et identifiez rapidement la pièce compatible.</p> 23 - SUPPORTS <p>Vue éclatée 23 pour TGB BLADE 600 FLX – retrouvez la liste complète des composants d'origine et identifiez rapidement la pièce compatible.</p> 23 - SUPPORTS <p>Vue éclatée 23 pour TGB BLADE 600 LTX ABS – retrouvez la liste complète des composants d'origine et identifiez rapidement la pièce compatible.</p> 24 - CONTROLEUR... <p>Vue éclatée 24 pour TGB LANDMAX 1000 – retrouvez la liste complète des composants d'origine et identifiez rapidement la pièce compatible.</p> 24 - ECLAIRAGE INT MONITEUR... <p>Vue éclatée 24 pour TGB LANDMAX 1000 CAB – retrouvez la liste complète des composants d'origine et identifiez rapidement la pièce compatible.</p> 24 - SUPPORTS MOTEUR <p>Vue éclatée 24 pour TGB BLADE 550 FLX – retrouvez la liste complète des composants d'origine et identifiez rapidement la pièce compatible.</p> 24 - SUPPORTS MOTEUR <p>Vue éclatée 24 pour TGB BLADE 600 FLX – retrouvez la liste complète des composants d'origine et identifiez rapidement la pièce compatible.</p> 24 - SUPPORTS MOTEUR <p>Vue éclatée 24 pour TGB BLADE 600 LTX ABS – retrouvez la liste complète des composants d'origine et identifiez rapidement la pièce compatible.</p> 25 - COMPTEUR <p>Vue éclatée 25 pour TGB LANDMAX 1000 – retrouvez la liste complète des composants d'origine et identifiez rapidement la pièce compatible.</p> 25 - CONTROLEUR... <p>Vue éclatée 25 pour TGB LANDMAX 1000 CAB – retrouvez la liste complète des composants d'origine et identifiez rapidement la pièce compatible.</p> 25 - MOTEUR DE DIFFERENTIEL <p>Vue éclatée 25 pour TGB BLADE 550 FLX – retrouvez la liste complète des composants d'origine et identifiez rapidement la pièce compatible.</p> 25 - MOTEUR DE DIFFERENTIEL <p>Vue éclatée 25 pour TGB BLADE 600 FLX – retrouvez la liste complète des composants d'origine et identifiez rapidement la pièce compatible.</p> 25 - MOTEUR DE DIFFERENTIEL <p>Vue éclatée 25 pour TGB BLADE 600 LTX ABS – retrouvez la liste complète des composants d'origine et identifiez rapidement la pièce compatible.</p> 26 - COMPTEUR <p>Vue éclatée 26 pour TGB LANDMAX 1000 CAB – retrouvez la liste complète des composants d'origine et identifiez rapidement la pièce compatible.</p> 26 - DIRECTION ASSISTEE... <p>Vue éclatée 26 pour TGB BLADE 550 FLX – retrouvez la liste complète des composants d'origine et identifiez rapidement la pièce compatible.</p> 26 - DIRECTION ASSISTEE... <p>Vue éclatée 26 pour TGB BLADE 600 LTX ABS – retrouvez la liste complète des composants d'origine et identifiez rapidement la pièce compatible.</p> 26 - ECLAIRAGE AVANT <p>Vue éclatée 26 pour TGB LANDMAX 1000 – retrouvez la liste complète des composants d'origine et identifiez rapidement la pièce compatible.</p> 26 - SUPPORTS DIFFERENTIEL... <p>Vue éclatée 26 pour TGB BLADE 600 FLX – retrouvez la liste complète des composants d'origine et identifiez rapidement la pièce compatible.</p> 27 - COMPTEUR <p>Vue éclatée 27 pour TGB BLADE 550 FLX – retrouvez la liste complète des composants d'origine et identifiez rapidement la pièce compatible.</p> 27 - COMPTEUR <p>Vue éclatée 27 pour TGB BLADE 600 LTX ABS – retrouvez la liste complète des composants d'origine et identifiez rapidement la pièce compatible.</p> 27 - DIRECTION ASSISTEE... <p>Vue éclatée 27 pour TGB BLADE 600 FLX – retrouvez la liste complète des composants d'origine et identifiez rapidement la pièce compatible.</p> 27 - ECLAIRAGE ARRIERE <p>Vue éclatée 27 pour TGB LANDMAX 1000 – retrouvez la liste complète des composants d'origine et identifiez rapidement la pièce compatible.</p> 27 - ECLAIRAGE AVANT <p>Vue éclatée 27 pour TGB LANDMAX 1000 CAB – retrouvez la liste complète des composants d'origine et identifiez rapidement la pièce compatible.</p> Affichage 1-100 de 539 article(s) 1 2 3 … 6 Suivant Retour en haut
13 - CARTER MOTEUR GAUCHE 1 <p>Vue éclatée 13 pour TGB BLADE 600 LTX ABS – retrouvez la liste complète des composants d'origine et identifiez rapidement la pièce compatible.</p> 13 - TRANSMISSION 2 <p>Vue éclatée 13 pour TGB LANDMAX 1000 – retrouvez la liste complète des composants d'origine et identifiez rapidement la pièce compatible.</p> 13 - TRANSMISSION 2 <p>Vue éclatée 13 pour TGB LANDMAX 1000 CAB – retrouvez la liste complète des composants d'origine et identifiez rapidement la pièce compatible.</p> 14 - CARTER MOTEUR GAUCHE 2 <p>Vue éclatée 14 pour TGB BLADE 550 FLX – retrouvez la liste complète des composants d'origine et identifiez rapidement la pièce compatible.</p> 14 - CARTER MOTEUR GAUCHE 2 <p>Vue éclatée 14 pour TGB BLADE 600 FLX – retrouvez la liste complète des composants d'origine et identifiez rapidement la pièce compatible.</p> 14 - CARTER MOTEUR GAUCHE 2 <p>Vue éclatée 14 pour TGB BLADE 600 LTX ABS – retrouvez la liste complète des composants d'origine et identifiez rapidement la pièce compatible.</p> 14 - VARIATEUR <p>Vue éclatée 14 pour TGB LANDMAX 1000 – retrouvez la liste complète des composants d'origine et identifiez rapidement la pièce compatible.</p> 14 - VARIATEUR <p>Vue éclatée 14 pour TGB LANDMAX 1000 CAB – retrouvez la liste complète des composants d'origine et identifiez rapidement la pièce compatible.</p> 15 - BLOCAGE DIFFERENTIEL... <p>Vue éclatée 15 pour TGB BLADE 550 FLX – retrouvez la liste complète des composants d'origine et identifiez rapidement la pièce compatible.</p> 15 - BLOCAGE DIFFERENTIEL... <p>Vue éclatée 15 pour TGB BLADE 600 FLX – retrouvez la liste complète des composants d'origine et identifiez rapidement la pièce compatible.</p> 15 - BLOCAGE DIFFERENTIEL... <p>Vue éclatée 15 pour TGB BLADE 600 LTX ABS – retrouvez la liste complète des composants d'origine et identifiez rapidement la pièce compatible.</p> 15 - ENSEMBLE ECHAPPEMENT <p>Vue éclatée 15 pour TGB LANDMAX 1000 – retrouvez la liste complète des composants d'origine et identifiez rapidement la pièce compatible.</p> 15 - ENSEMBLE ECHAPPEMENT <p>Vue éclatée 15 pour TGB LANDMAX 1000 CAB – retrouvez la liste complète des composants d'origine et identifiez rapidement la pièce compatible.</p> 16 - ENSEMBLE DIFFERENTIEL... <p>Vue éclatée 16 pour TGB BLADE 550 FLX – retrouvez la liste complète des composants d'origine et identifiez rapidement la pièce compatible.</p> 16 - ENSEMBLE DIFFERENTIEL... <p>Vue éclatée 16 pour TGB BLADE 600 FLX – retrouvez la liste complète des composants d'origine et identifiez rapidement la pièce compatible.</p> 16 - ENSEMBLE DIFFERENTIEL... <p>Vue éclatée 16 pour TGB BLADE 600 LTX ABS – retrouvez la liste complète des composants d'origine et identifiez rapidement la pièce compatible.</p> 16 - ENSEMBLE FILTRE A AIR <p>Vue éclatée 16 pour TGB LANDMAX 1000 – retrouvez la liste complète des composants d'origine et identifiez rapidement la pièce compatible.</p> 16 - ENSEMBLE FILTRE A AIR <p>Vue éclatée 16 pour TGB LANDMAX 1000 CAB – retrouvez la liste complète des composants d'origine et identifiez rapidement la pièce compatible.</p> 17 - BLOCAGE DIFFERENTIEL... <p>Vue éclatée 17 pour TGB LANDMAX 1000 – retrouvez la liste complète des composants d'origine et identifiez rapidement la pièce compatible.</p> 17 - BLOCAGE DIFFERENTIEL... <p>Vue éclatée 17 pour TGB LANDMAX 1000 CAB – retrouvez la liste complète des composants d'origine et identifiez rapidement la pièce compatible.</p> 17 - VARIATEUR <p>Vue éclatée 17 pour TGB BLADE 550 FLX – retrouvez la liste complète des composants d'origine et identifiez rapidement la pièce compatible.</p> 17 - VARIATEUR <p>Vue éclatée 17 pour TGB BLADE 600 FLX – retrouvez la liste complète des composants d'origine et identifiez rapidement la pièce compatible.</p> 17 - VARIATEUR <p>Vue éclatée 17 pour TGB BLADE 600 LTX ABS – retrouvez la liste complète des composants d'origine et identifiez rapidement la pièce compatible.</p> 18 - ENSEMBLE DIFFERENTIEL... <p>Vue éclatée 18 pour TGB LANDMAX 1000 – retrouvez la liste complète des composants d'origine et identifiez rapidement la pièce compatible.</p> 18 - ENSEMBLE DIFFERENTIEL... <p>Vue éclatée 18 pour TGB LANDMAX 1000 CAB – retrouvez la liste complète des composants d'origine et identifiez rapidement la pièce compatible.</p> 18 - ENSEMBLE ECHAPPEMENT <p>Vue éclatée 18 pour TGB BLADE 550 FLX – retrouvez la liste complète des composants d'origine et identifiez rapidement la pièce compatible.</p> 18 - ENSEMBLE ECHAPPEMENT <p>Vue éclatée 18 pour TGB BLADE 600 FLX – retrouvez la liste complète des composants d'origine et identifiez rapidement la pièce compatible.</p> 18 - ENSEMBLE ECHAPPEMENT <p>Vue éclatée 18 pour TGB BLADE 600 LTX ABS – retrouvez la liste complète des composants d'origine et identifiez rapidement la pièce compatible.</p> 19 - DIRECTION ASSISTEE <p>Vue éclatée 19 pour TGB LANDMAX 1000 – retrouvez la liste complète des composants d'origine et identifiez rapidement la pièce compatible.</p> 19 - DIRECTION ASSISTEE <p>Vue éclatée 19 pour TGB LANDMAX 1000 CAB – retrouvez la liste complète des composants d'origine et identifiez rapidement la pièce compatible.</p> 19 - ENSEMBLE FILTRE A AIR <p>Vue éclatée 19 pour TGB BLADE 550 FLX – retrouvez la liste complète des composants d'origine et identifiez rapidement la pièce compatible.</p> 19 - ENSEMBLE FILTRE A AIR <p>Vue éclatée 19 pour TGB BLADE 600 FLX – retrouvez la liste complète des composants d'origine et identifiez rapidement la pièce compatible.</p> 19 - ENSEMBLE FILTRE A AIR <p>Vue éclatée 19 pour TGB BLADE 600 LTX ABS – retrouvez la liste complète des composants d'origine et identifiez rapidement la pièce compatible.</p> 2 - SYSTEME ADMISSION <p>Vue éclatée 2 pour TGB BLADE 550 FLX – retrouvez la liste complète des composants d'origine et identifiez rapidement la pièce compatible.</p> 2 - SYSTEME ADMISSION <p>Vue éclatée 2 pour TGB BLADE 600 FLX – retrouvez la liste complète des composants d'origine et identifiez rapidement la pièce compatible.</p> 2 - SYSTEME ADMISSION <p>Vue éclatée 2 pour TGB BLADE 600 LTX ABS – retrouvez la liste complète des composants d'origine et identifiez rapidement la pièce compatible.</p> 2 - SYSTEME ADMISSION <p>Vue éclatée 2 pour TGB LANDMAX 1000 – retrouvez la liste complète des composants d'origine et identifiez rapidement la pièce compatible.</p> 2 - SYSTEME ADMISSION <p>Vue éclatée 2 pour TGB LANDMAX 1000 CAB – retrouvez la liste complète des composants d'origine et identifiez rapidement la pièce compatible.</p> 20 - ENSEMBLE REFROIDISSEMENT <p>Vue éclatée 20 pour TGB BLADE 550 FLX – retrouvez la liste complète des composants d'origine et identifiez rapidement la pièce compatible.</p> 20 - ENSEMBLE REFROIDISSEMENT <p>Vue éclatée 20 pour TGB BLADE 600 FLX – retrouvez la liste complète des composants d'origine et identifiez rapidement la pièce compatible.</p> 20 - ENSEMBLE REFROIDISSEMENT <p>Vue éclatée 20 pour TGB BLADE 600 LTX ABS – retrouvez la liste complète des composants d'origine et identifiez rapidement la pièce compatible.</p> 20 - ENSEMBLE REFROIDISSEMENT <p>Vue éclatée 20 pour TGB LANDMAX 1000 – retrouvez la liste complète des composants d'origine et identifiez rapidement la pièce compatible.</p> 20 - ENSEMBLE REFROIDISSEMENT <p>Vue éclatée 20 pour TGB LANDMAX 1000 CAB – retrouvez la liste complète des composants d'origine et identifiez rapidement la pièce compatible.</p> 21 - SYSTEME ELECTRIQUE 2 <p>Vue éclatée 21 pour TGB BLADE 550 FLX – retrouvez la liste complète des composants d'origine et identifiez rapidement la pièce compatible.</p> 21 - SYSTEME ELECTRIQUE 2 <p>Vue éclatée 21 pour TGB BLADE 600 FLX – retrouvez la liste complète des composants d'origine et identifiez rapidement la pièce compatible.</p> 21 - SYSTEME ELECTRIQUE 2 <p>Vue éclatée 21 pour TGB BLADE 600 LTX ABS – retrouvez la liste complète des composants d'origine et identifiez rapidement la pièce compatible.</p> 21 - SYSTEME ELECTRIQUE 2 <p>Vue éclatée 21 pour TGB LANDMAX 1000 – retrouvez la liste complète des composants d'origine et identifiez rapidement la pièce compatible.</p> 21 - SYSTEME ELECTRIQUE 2 <p>Vue éclatée 21 pour TGB LANDMAX 1000 CAB – retrouvez la liste complète des composants d'origine et identifiez rapidement la pièce compatible.</p> 22 - SYSTEME ELECTRIQUE 3 <p>Vue éclatée 22 pour TGB BLADE 550 FLX – retrouvez la liste complète des composants d'origine et identifiez rapidement la pièce compatible.</p> 22 - SYSTEME ELECTRIQUE 3 <p>Vue éclatée 22 pour TGB BLADE 600 FLX – retrouvez la liste complète des composants d'origine et identifiez rapidement la pièce compatible.</p> 22 - SYSTEME ELECTRIQUE 3 <p>Vue éclatée 22 pour TGB BLADE 600 LTX ABS – retrouvez la liste complète des composants d'origine et identifiez rapidement la pièce compatible.</p> 22 - SYSTEME ELECTRIQUE 3 <p>Vue éclatée 22 pour TGB LANDMAX 1000 – retrouvez la liste complète des composants d'origine et identifiez rapidement la pièce compatible.</p> 22 - SYSTEME ELECTRIQUE 3 <p>Vue éclatée 22 pour TGB LANDMAX 1000 CAB – retrouvez la liste complète des composants d'origine et identifiez rapidement la pièce compatible.</p> 23 - RELAIS SUPPORTS <p>Vue éclatée 23 pour TGB LANDMAX 1000 – retrouvez la liste complète des composants d'origine et identifiez rapidement la pièce compatible.</p> 23 - RELAIS SUPPORTS <p>Vue éclatée 23 pour TGB LANDMAX 1000 CAB – retrouvez la liste complète des composants d'origine et identifiez rapidement la pièce compatible.</p> 23 - SUPPORTS <p>Vue éclatée 23 pour TGB BLADE 550 FLX – retrouvez la liste complète des composants d'origine et identifiez rapidement la pièce compatible.</p> 23 - SUPPORTS <p>Vue éclatée 23 pour TGB BLADE 600 FLX – retrouvez la liste complète des composants d'origine et identifiez rapidement la pièce compatible.</p> 23 - SUPPORTS <p>Vue éclatée 23 pour TGB BLADE 600 LTX ABS – retrouvez la liste complète des composants d'origine et identifiez rapidement la pièce compatible.</p> 24 - CONTROLEUR... <p>Vue éclatée 24 pour TGB LANDMAX 1000 – retrouvez la liste complète des composants d'origine et identifiez rapidement la pièce compatible.</p> 24 - ECLAIRAGE INT MONITEUR... <p>Vue éclatée 24 pour TGB LANDMAX 1000 CAB – retrouvez la liste complète des composants d'origine et identifiez rapidement la pièce compatible.</p> 24 - SUPPORTS MOTEUR <p>Vue éclatée 24 pour TGB BLADE 550 FLX – retrouvez la liste complète des composants d'origine et identifiez rapidement la pièce compatible.</p> 24 - SUPPORTS MOTEUR <p>Vue éclatée 24 pour TGB BLADE 600 FLX – retrouvez la liste complète des composants d'origine et identifiez rapidement la pièce compatible.</p> 24 - SUPPORTS MOTEUR <p>Vue éclatée 24 pour TGB BLADE 600 LTX ABS – retrouvez la liste complète des composants d'origine et identifiez rapidement la pièce compatible.</p> 25 - COMPTEUR <p>Vue éclatée 25 pour TGB LANDMAX 1000 – retrouvez la liste complète des composants d'origine et identifiez rapidement la pièce compatible.</p> 25 - CONTROLEUR... <p>Vue éclatée 25 pour TGB LANDMAX 1000 CAB – retrouvez la liste complète des composants d'origine et identifiez rapidement la pièce compatible.</p> 25 - MOTEUR DE DIFFERENTIEL <p>Vue éclatée 25 pour TGB BLADE 550 FLX – retrouvez la liste complète des composants d'origine et identifiez rapidement la pièce compatible.</p> 25 - MOTEUR DE DIFFERENTIEL <p>Vue éclatée 25 pour TGB BLADE 600 FLX – retrouvez la liste complète des composants d'origine et identifiez rapidement la pièce compatible.</p> 25 - MOTEUR DE DIFFERENTIEL <p>Vue éclatée 25 pour TGB BLADE 600 LTX ABS – retrouvez la liste complète des composants d'origine et identifiez rapidement la pièce compatible.</p> 26 - COMPTEUR <p>Vue éclatée 26 pour TGB LANDMAX 1000 CAB – retrouvez la liste complète des composants d'origine et identifiez rapidement la pièce compatible.</p> 26 - DIRECTION ASSISTEE... <p>Vue éclatée 26 pour TGB BLADE 550 FLX – retrouvez la liste complète des composants d'origine et identifiez rapidement la pièce compatible.</p> 26 - DIRECTION ASSISTEE... <p>Vue éclatée 26 pour TGB BLADE 600 LTX ABS – retrouvez la liste complète des composants d'origine et identifiez rapidement la pièce compatible.</p> 26 - ECLAIRAGE AVANT <p>Vue éclatée 26 pour TGB LANDMAX 1000 – retrouvez la liste complète des composants d'origine et identifiez rapidement la pièce compatible.</p> 26 - SUPPORTS DIFFERENTIEL... <p>Vue éclatée 26 pour TGB BLADE 600 FLX – retrouvez la liste complète des composants d'origine et identifiez rapidement la pièce compatible.</p> 27 - COMPTEUR <p>Vue éclatée 27 pour TGB BLADE 550 FLX – retrouvez la liste complète des composants d'origine et identifiez rapidement la pièce compatible.</p> 27 - COMPTEUR <p>Vue éclatée 27 pour TGB BLADE 600 LTX ABS – retrouvez la liste complète des composants d'origine et identifiez rapidement la pièce compatible.</p> 27 - DIRECTION ASSISTEE... <p>Vue éclatée 27 pour TGB BLADE 600 FLX – retrouvez la liste complète des composants d'origine et identifiez rapidement la pièce compatible.</p> 27 - ECLAIRAGE ARRIERE <p>Vue éclatée 27 pour TGB LANDMAX 1000 – retrouvez la liste complète des composants d'origine et identifiez rapidement la pièce compatible.</p> 27 - ECLAIRAGE AVANT <p>Vue éclatée 27 pour TGB LANDMAX 1000 CAB – retrouvez la liste complète des composants d'origine et identifiez rapidement la pièce compatible.</p> Affichage 1-100 de 539 article(s) 1 2 3 … 6 Suivant Retour en haut
13 - TRANSMISSION 2 <p>Vue éclatée 13 pour TGB LANDMAX 1000 – retrouvez la liste complète des composants d'origine et identifiez rapidement la pièce compatible.</p> 13 - TRANSMISSION 2 <p>Vue éclatée 13 pour TGB LANDMAX 1000 CAB – retrouvez la liste complète des composants d'origine et identifiez rapidement la pièce compatible.</p> 14 - CARTER MOTEUR GAUCHE 2 <p>Vue éclatée 14 pour TGB BLADE 550 FLX – retrouvez la liste complète des composants d'origine et identifiez rapidement la pièce compatible.</p> 14 - CARTER MOTEUR GAUCHE 2 <p>Vue éclatée 14 pour TGB BLADE 600 FLX – retrouvez la liste complète des composants d'origine et identifiez rapidement la pièce compatible.</p> 14 - CARTER MOTEUR GAUCHE 2 <p>Vue éclatée 14 pour TGB BLADE 600 LTX ABS – retrouvez la liste complète des composants d'origine et identifiez rapidement la pièce compatible.</p> 14 - VARIATEUR <p>Vue éclatée 14 pour TGB LANDMAX 1000 – retrouvez la liste complète des composants d'origine et identifiez rapidement la pièce compatible.</p> 14 - VARIATEUR <p>Vue éclatée 14 pour TGB LANDMAX 1000 CAB – retrouvez la liste complète des composants d'origine et identifiez rapidement la pièce compatible.</p> 15 - BLOCAGE DIFFERENTIEL... <p>Vue éclatée 15 pour TGB BLADE 550 FLX – retrouvez la liste complète des composants d'origine et identifiez rapidement la pièce compatible.</p> 15 - BLOCAGE DIFFERENTIEL... <p>Vue éclatée 15 pour TGB BLADE 600 FLX – retrouvez la liste complète des composants d'origine et identifiez rapidement la pièce compatible.</p> 15 - BLOCAGE DIFFERENTIEL... <p>Vue éclatée 15 pour TGB BLADE 600 LTX ABS – retrouvez la liste complète des composants d'origine et identifiez rapidement la pièce compatible.</p> 15 - ENSEMBLE ECHAPPEMENT <p>Vue éclatée 15 pour TGB LANDMAX 1000 – retrouvez la liste complète des composants d'origine et identifiez rapidement la pièce compatible.</p> 15 - ENSEMBLE ECHAPPEMENT <p>Vue éclatée 15 pour TGB LANDMAX 1000 CAB – retrouvez la liste complète des composants d'origine et identifiez rapidement la pièce compatible.</p> 16 - ENSEMBLE DIFFERENTIEL... <p>Vue éclatée 16 pour TGB BLADE 550 FLX – retrouvez la liste complète des composants d'origine et identifiez rapidement la pièce compatible.</p> 16 - ENSEMBLE DIFFERENTIEL... <p>Vue éclatée 16 pour TGB BLADE 600 FLX – retrouvez la liste complète des composants d'origine et identifiez rapidement la pièce compatible.</p> 16 - ENSEMBLE DIFFERENTIEL... <p>Vue éclatée 16 pour TGB BLADE 600 LTX ABS – retrouvez la liste complète des composants d'origine et identifiez rapidement la pièce compatible.</p> 16 - ENSEMBLE FILTRE A AIR <p>Vue éclatée 16 pour TGB LANDMAX 1000 – retrouvez la liste complète des composants d'origine et identifiez rapidement la pièce compatible.</p> 16 - ENSEMBLE FILTRE A AIR <p>Vue éclatée 16 pour TGB LANDMAX 1000 CAB – retrouvez la liste complète des composants d'origine et identifiez rapidement la pièce compatible.</p> 17 - BLOCAGE DIFFERENTIEL... <p>Vue éclatée 17 pour TGB LANDMAX 1000 – retrouvez la liste complète des composants d'origine et identifiez rapidement la pièce compatible.</p> 17 - BLOCAGE DIFFERENTIEL... <p>Vue éclatée 17 pour TGB LANDMAX 1000 CAB – retrouvez la liste complète des composants d'origine et identifiez rapidement la pièce compatible.</p> 17 - VARIATEUR <p>Vue éclatée 17 pour TGB BLADE 550 FLX – retrouvez la liste complète des composants d'origine et identifiez rapidement la pièce compatible.</p> 17 - VARIATEUR <p>Vue éclatée 17 pour TGB BLADE 600 FLX – retrouvez la liste complète des composants d'origine et identifiez rapidement la pièce compatible.</p> 17 - VARIATEUR <p>Vue éclatée 17 pour TGB BLADE 600 LTX ABS – retrouvez la liste complète des composants d'origine et identifiez rapidement la pièce compatible.</p> 18 - ENSEMBLE DIFFERENTIEL... <p>Vue éclatée 18 pour TGB LANDMAX 1000 – retrouvez la liste complète des composants d'origine et identifiez rapidement la pièce compatible.</p> 18 - ENSEMBLE DIFFERENTIEL... <p>Vue éclatée 18 pour TGB LANDMAX 1000 CAB – retrouvez la liste complète des composants d'origine et identifiez rapidement la pièce compatible.</p> 18 - ENSEMBLE ECHAPPEMENT <p>Vue éclatée 18 pour TGB BLADE 550 FLX – retrouvez la liste complète des composants d'origine et identifiez rapidement la pièce compatible.</p> 18 - ENSEMBLE ECHAPPEMENT <p>Vue éclatée 18 pour TGB BLADE 600 FLX – retrouvez la liste complète des composants d'origine et identifiez rapidement la pièce compatible.</p> 18 - ENSEMBLE ECHAPPEMENT <p>Vue éclatée 18 pour TGB BLADE 600 LTX ABS – retrouvez la liste complète des composants d'origine et identifiez rapidement la pièce compatible.</p> 19 - DIRECTION ASSISTEE <p>Vue éclatée 19 pour TGB LANDMAX 1000 – retrouvez la liste complète des composants d'origine et identifiez rapidement la pièce compatible.</p> 19 - DIRECTION ASSISTEE <p>Vue éclatée 19 pour TGB LANDMAX 1000 CAB – retrouvez la liste complète des composants d'origine et identifiez rapidement la pièce compatible.</p> 19 - ENSEMBLE FILTRE A AIR <p>Vue éclatée 19 pour TGB BLADE 550 FLX – retrouvez la liste complète des composants d'origine et identifiez rapidement la pièce compatible.</p> 19 - ENSEMBLE FILTRE A AIR <p>Vue éclatée 19 pour TGB BLADE 600 FLX – retrouvez la liste complète des composants d'origine et identifiez rapidement la pièce compatible.</p> 19 - ENSEMBLE FILTRE A AIR <p>Vue éclatée 19 pour TGB BLADE 600 LTX ABS – retrouvez la liste complète des composants d'origine et identifiez rapidement la pièce compatible.</p> 2 - SYSTEME ADMISSION <p>Vue éclatée 2 pour TGB BLADE 550 FLX – retrouvez la liste complète des composants d'origine et identifiez rapidement la pièce compatible.</p> 2 - SYSTEME ADMISSION <p>Vue éclatée 2 pour TGB BLADE 600 FLX – retrouvez la liste complète des composants d'origine et identifiez rapidement la pièce compatible.</p> 2 - SYSTEME ADMISSION <p>Vue éclatée 2 pour TGB BLADE 600 LTX ABS – retrouvez la liste complète des composants d'origine et identifiez rapidement la pièce compatible.</p> 2 - SYSTEME ADMISSION <p>Vue éclatée 2 pour TGB LANDMAX 1000 – retrouvez la liste complète des composants d'origine et identifiez rapidement la pièce compatible.</p> 2 - SYSTEME ADMISSION <p>Vue éclatée 2 pour TGB LANDMAX 1000 CAB – retrouvez la liste complète des composants d'origine et identifiez rapidement la pièce compatible.</p> 20 - ENSEMBLE REFROIDISSEMENT <p>Vue éclatée 20 pour TGB BLADE 550 FLX – retrouvez la liste complète des composants d'origine et identifiez rapidement la pièce compatible.</p> 20 - ENSEMBLE REFROIDISSEMENT <p>Vue éclatée 20 pour TGB BLADE 600 FLX – retrouvez la liste complète des composants d'origine et identifiez rapidement la pièce compatible.</p> 20 - ENSEMBLE REFROIDISSEMENT <p>Vue éclatée 20 pour TGB BLADE 600 LTX ABS – retrouvez la liste complète des composants d'origine et identifiez rapidement la pièce compatible.</p> 20 - ENSEMBLE REFROIDISSEMENT <p>Vue éclatée 20 pour TGB LANDMAX 1000 – retrouvez la liste complète des composants d'origine et identifiez rapidement la pièce compatible.</p> 20 - ENSEMBLE REFROIDISSEMENT <p>Vue éclatée 20 pour TGB LANDMAX 1000 CAB – retrouvez la liste complète des composants d'origine et identifiez rapidement la pièce compatible.</p> 21 - SYSTEME ELECTRIQUE 2 <p>Vue éclatée 21 pour TGB BLADE 550 FLX – retrouvez la liste complète des composants d'origine et identifiez rapidement la pièce compatible.</p> 21 - SYSTEME ELECTRIQUE 2 <p>Vue éclatée 21 pour TGB BLADE 600 FLX – retrouvez la liste complète des composants d'origine et identifiez rapidement la pièce compatible.</p> 21 - SYSTEME ELECTRIQUE 2 <p>Vue éclatée 21 pour TGB BLADE 600 LTX ABS – retrouvez la liste complète des composants d'origine et identifiez rapidement la pièce compatible.</p> 21 - SYSTEME ELECTRIQUE 2 <p>Vue éclatée 21 pour TGB LANDMAX 1000 – retrouvez la liste complète des composants d'origine et identifiez rapidement la pièce compatible.</p> 21 - SYSTEME ELECTRIQUE 2 <p>Vue éclatée 21 pour TGB LANDMAX 1000 CAB – retrouvez la liste complète des composants d'origine et identifiez rapidement la pièce compatible.</p> 22 - SYSTEME ELECTRIQUE 3 <p>Vue éclatée 22 pour TGB BLADE 550 FLX – retrouvez la liste complète des composants d'origine et identifiez rapidement la pièce compatible.</p> 22 - SYSTEME ELECTRIQUE 3 <p>Vue éclatée 22 pour TGB BLADE 600 FLX – retrouvez la liste complète des composants d'origine et identifiez rapidement la pièce compatible.</p> 22 - SYSTEME ELECTRIQUE 3 <p>Vue éclatée 22 pour TGB BLADE 600 LTX ABS – retrouvez la liste complète des composants d'origine et identifiez rapidement la pièce compatible.</p> 22 - SYSTEME ELECTRIQUE 3 <p>Vue éclatée 22 pour TGB LANDMAX 1000 – retrouvez la liste complète des composants d'origine et identifiez rapidement la pièce compatible.</p> 22 - SYSTEME ELECTRIQUE 3 <p>Vue éclatée 22 pour TGB LANDMAX 1000 CAB – retrouvez la liste complète des composants d'origine et identifiez rapidement la pièce compatible.</p> 23 - RELAIS SUPPORTS <p>Vue éclatée 23 pour TGB LANDMAX 1000 – retrouvez la liste complète des composants d'origine et identifiez rapidement la pièce compatible.</p> 23 - RELAIS SUPPORTS <p>Vue éclatée 23 pour TGB LANDMAX 1000 CAB – retrouvez la liste complète des composants d'origine et identifiez rapidement la pièce compatible.</p> 23 - SUPPORTS <p>Vue éclatée 23 pour TGB BLADE 550 FLX – retrouvez la liste complète des composants d'origine et identifiez rapidement la pièce compatible.</p> 23 - SUPPORTS <p>Vue éclatée 23 pour TGB BLADE 600 FLX – retrouvez la liste complète des composants d'origine et identifiez rapidement la pièce compatible.</p> 23 - SUPPORTS <p>Vue éclatée 23 pour TGB BLADE 600 LTX ABS – retrouvez la liste complète des composants d'origine et identifiez rapidement la pièce compatible.</p> 24 - CONTROLEUR... <p>Vue éclatée 24 pour TGB LANDMAX 1000 – retrouvez la liste complète des composants d'origine et identifiez rapidement la pièce compatible.</p> 24 - ECLAIRAGE INT MONITEUR... <p>Vue éclatée 24 pour TGB LANDMAX 1000 CAB – retrouvez la liste complète des composants d'origine et identifiez rapidement la pièce compatible.</p> 24 - SUPPORTS MOTEUR <p>Vue éclatée 24 pour TGB BLADE 550 FLX – retrouvez la liste complète des composants d'origine et identifiez rapidement la pièce compatible.</p> 24 - SUPPORTS MOTEUR <p>Vue éclatée 24 pour TGB BLADE 600 FLX – retrouvez la liste complète des composants d'origine et identifiez rapidement la pièce compatible.</p> 24 - SUPPORTS MOTEUR <p>Vue éclatée 24 pour TGB BLADE 600 LTX ABS – retrouvez la liste complète des composants d'origine et identifiez rapidement la pièce compatible.</p> 25 - COMPTEUR <p>Vue éclatée 25 pour TGB LANDMAX 1000 – retrouvez la liste complète des composants d'origine et identifiez rapidement la pièce compatible.</p> 25 - CONTROLEUR... <p>Vue éclatée 25 pour TGB LANDMAX 1000 CAB – retrouvez la liste complète des composants d'origine et identifiez rapidement la pièce compatible.</p> 25 - MOTEUR DE DIFFERENTIEL <p>Vue éclatée 25 pour TGB BLADE 550 FLX – retrouvez la liste complète des composants d'origine et identifiez rapidement la pièce compatible.</p> 25 - MOTEUR DE DIFFERENTIEL <p>Vue éclatée 25 pour TGB BLADE 600 FLX – retrouvez la liste complète des composants d'origine et identifiez rapidement la pièce compatible.</p> 25 - MOTEUR DE DIFFERENTIEL <p>Vue éclatée 25 pour TGB BLADE 600 LTX ABS – retrouvez la liste complète des composants d'origine et identifiez rapidement la pièce compatible.</p> 26 - COMPTEUR <p>Vue éclatée 26 pour TGB LANDMAX 1000 CAB – retrouvez la liste complète des composants d'origine et identifiez rapidement la pièce compatible.</p> 26 - DIRECTION ASSISTEE... <p>Vue éclatée 26 pour TGB BLADE 550 FLX – retrouvez la liste complète des composants d'origine et identifiez rapidement la pièce compatible.</p> 26 - DIRECTION ASSISTEE... <p>Vue éclatée 26 pour TGB BLADE 600 LTX ABS – retrouvez la liste complète des composants d'origine et identifiez rapidement la pièce compatible.</p> 26 - ECLAIRAGE AVANT <p>Vue éclatée 26 pour TGB LANDMAX 1000 – retrouvez la liste complète des composants d'origine et identifiez rapidement la pièce compatible.</p> 26 - SUPPORTS DIFFERENTIEL... <p>Vue éclatée 26 pour TGB BLADE 600 FLX – retrouvez la liste complète des composants d'origine et identifiez rapidement la pièce compatible.</p> 27 - COMPTEUR <p>Vue éclatée 27 pour TGB BLADE 550 FLX – retrouvez la liste complète des composants d'origine et identifiez rapidement la pièce compatible.</p> 27 - COMPTEUR <p>Vue éclatée 27 pour TGB BLADE 600 LTX ABS – retrouvez la liste complète des composants d'origine et identifiez rapidement la pièce compatible.</p> 27 - DIRECTION ASSISTEE... <p>Vue éclatée 27 pour TGB BLADE 600 FLX – retrouvez la liste complète des composants d'origine et identifiez rapidement la pièce compatible.</p> 27 - ECLAIRAGE ARRIERE <p>Vue éclatée 27 pour TGB LANDMAX 1000 – retrouvez la liste complète des composants d'origine et identifiez rapidement la pièce compatible.</p> 27 - ECLAIRAGE AVANT <p>Vue éclatée 27 pour TGB LANDMAX 1000 CAB – retrouvez la liste complète des composants d'origine et identifiez rapidement la pièce compatible.</p> Affichage 1-100 de 539 article(s) 1 2 3 … 6 Suivant Retour en haut
13 - TRANSMISSION 2 <p>Vue éclatée 13 pour TGB LANDMAX 1000 CAB – retrouvez la liste complète des composants d'origine et identifiez rapidement la pièce compatible.</p> 14 - CARTER MOTEUR GAUCHE 2 <p>Vue éclatée 14 pour TGB BLADE 550 FLX – retrouvez la liste complète des composants d'origine et identifiez rapidement la pièce compatible.</p> 14 - CARTER MOTEUR GAUCHE 2 <p>Vue éclatée 14 pour TGB BLADE 600 FLX – retrouvez la liste complète des composants d'origine et identifiez rapidement la pièce compatible.</p> 14 - CARTER MOTEUR GAUCHE 2 <p>Vue éclatée 14 pour TGB BLADE 600 LTX ABS – retrouvez la liste complète des composants d'origine et identifiez rapidement la pièce compatible.</p> 14 - VARIATEUR <p>Vue éclatée 14 pour TGB LANDMAX 1000 – retrouvez la liste complète des composants d'origine et identifiez rapidement la pièce compatible.</p> 14 - VARIATEUR <p>Vue éclatée 14 pour TGB LANDMAX 1000 CAB – retrouvez la liste complète des composants d'origine et identifiez rapidement la pièce compatible.</p> 15 - BLOCAGE DIFFERENTIEL... <p>Vue éclatée 15 pour TGB BLADE 550 FLX – retrouvez la liste complète des composants d'origine et identifiez rapidement la pièce compatible.</p> 15 - BLOCAGE DIFFERENTIEL... <p>Vue éclatée 15 pour TGB BLADE 600 FLX – retrouvez la liste complète des composants d'origine et identifiez rapidement la pièce compatible.</p> 15 - BLOCAGE DIFFERENTIEL... <p>Vue éclatée 15 pour TGB BLADE 600 LTX ABS – retrouvez la liste complète des composants d'origine et identifiez rapidement la pièce compatible.</p> 15 - ENSEMBLE ECHAPPEMENT <p>Vue éclatée 15 pour TGB LANDMAX 1000 – retrouvez la liste complète des composants d'origine et identifiez rapidement la pièce compatible.</p> 15 - ENSEMBLE ECHAPPEMENT <p>Vue éclatée 15 pour TGB LANDMAX 1000 CAB – retrouvez la liste complète des composants d'origine et identifiez rapidement la pièce compatible.</p> 16 - ENSEMBLE DIFFERENTIEL... <p>Vue éclatée 16 pour TGB BLADE 550 FLX – retrouvez la liste complète des composants d'origine et identifiez rapidement la pièce compatible.</p> 16 - ENSEMBLE DIFFERENTIEL... <p>Vue éclatée 16 pour TGB BLADE 600 FLX – retrouvez la liste complète des composants d'origine et identifiez rapidement la pièce compatible.</p> 16 - ENSEMBLE DIFFERENTIEL... <p>Vue éclatée 16 pour TGB BLADE 600 LTX ABS – retrouvez la liste complète des composants d'origine et identifiez rapidement la pièce compatible.</p> 16 - ENSEMBLE FILTRE A AIR <p>Vue éclatée 16 pour TGB LANDMAX 1000 – retrouvez la liste complète des composants d'origine et identifiez rapidement la pièce compatible.</p> 16 - ENSEMBLE FILTRE A AIR <p>Vue éclatée 16 pour TGB LANDMAX 1000 CAB – retrouvez la liste complète des composants d'origine et identifiez rapidement la pièce compatible.</p> 17 - BLOCAGE DIFFERENTIEL... <p>Vue éclatée 17 pour TGB LANDMAX 1000 – retrouvez la liste complète des composants d'origine et identifiez rapidement la pièce compatible.</p> 17 - BLOCAGE DIFFERENTIEL... <p>Vue éclatée 17 pour TGB LANDMAX 1000 CAB – retrouvez la liste complète des composants d'origine et identifiez rapidement la pièce compatible.</p> 17 - VARIATEUR <p>Vue éclatée 17 pour TGB BLADE 550 FLX – retrouvez la liste complète des composants d'origine et identifiez rapidement la pièce compatible.</p> 17 - VARIATEUR <p>Vue éclatée 17 pour TGB BLADE 600 FLX – retrouvez la liste complète des composants d'origine et identifiez rapidement la pièce compatible.</p> 17 - VARIATEUR <p>Vue éclatée 17 pour TGB BLADE 600 LTX ABS – retrouvez la liste complète des composants d'origine et identifiez rapidement la pièce compatible.</p> 18 - ENSEMBLE DIFFERENTIEL... <p>Vue éclatée 18 pour TGB LANDMAX 1000 – retrouvez la liste complète des composants d'origine et identifiez rapidement la pièce compatible.</p> 18 - ENSEMBLE DIFFERENTIEL... <p>Vue éclatée 18 pour TGB LANDMAX 1000 CAB – retrouvez la liste complète des composants d'origine et identifiez rapidement la pièce compatible.</p> 18 - ENSEMBLE ECHAPPEMENT <p>Vue éclatée 18 pour TGB BLADE 550 FLX – retrouvez la liste complète des composants d'origine et identifiez rapidement la pièce compatible.</p> 18 - ENSEMBLE ECHAPPEMENT <p>Vue éclatée 18 pour TGB BLADE 600 FLX – retrouvez la liste complète des composants d'origine et identifiez rapidement la pièce compatible.</p> 18 - ENSEMBLE ECHAPPEMENT <p>Vue éclatée 18 pour TGB BLADE 600 LTX ABS – retrouvez la liste complète des composants d'origine et identifiez rapidement la pièce compatible.</p> 19 - DIRECTION ASSISTEE <p>Vue éclatée 19 pour TGB LANDMAX 1000 – retrouvez la liste complète des composants d'origine et identifiez rapidement la pièce compatible.</p> 19 - DIRECTION ASSISTEE <p>Vue éclatée 19 pour TGB LANDMAX 1000 CAB – retrouvez la liste complète des composants d'origine et identifiez rapidement la pièce compatible.</p> 19 - ENSEMBLE FILTRE A AIR <p>Vue éclatée 19 pour TGB BLADE 550 FLX – retrouvez la liste complète des composants d'origine et identifiez rapidement la pièce compatible.</p> 19 - ENSEMBLE FILTRE A AIR <p>Vue éclatée 19 pour TGB BLADE 600 FLX – retrouvez la liste complète des composants d'origine et identifiez rapidement la pièce compatible.</p> 19 - ENSEMBLE FILTRE A AIR <p>Vue éclatée 19 pour TGB BLADE 600 LTX ABS – retrouvez la liste complète des composants d'origine et identifiez rapidement la pièce compatible.</p> 2 - SYSTEME ADMISSION <p>Vue éclatée 2 pour TGB BLADE 550 FLX – retrouvez la liste complète des composants d'origine et identifiez rapidement la pièce compatible.</p> 2 - SYSTEME ADMISSION <p>Vue éclatée 2 pour TGB BLADE 600 FLX – retrouvez la liste complète des composants d'origine et identifiez rapidement la pièce compatible.</p> 2 - SYSTEME ADMISSION <p>Vue éclatée 2 pour TGB BLADE 600 LTX ABS – retrouvez la liste complète des composants d'origine et identifiez rapidement la pièce compatible.</p> 2 - SYSTEME ADMISSION <p>Vue éclatée 2 pour TGB LANDMAX 1000 – retrouvez la liste complète des composants d'origine et identifiez rapidement la pièce compatible.</p> 2 - SYSTEME ADMISSION <p>Vue éclatée 2 pour TGB LANDMAX 1000 CAB – retrouvez la liste complète des composants d'origine et identifiez rapidement la pièce compatible.</p> 20 - ENSEMBLE REFROIDISSEMENT <p>Vue éclatée 20 pour TGB BLADE 550 FLX – retrouvez la liste complète des composants d'origine et identifiez rapidement la pièce compatible.</p> 20 - ENSEMBLE REFROIDISSEMENT <p>Vue éclatée 20 pour TGB BLADE 600 FLX – retrouvez la liste complète des composants d'origine et identifiez rapidement la pièce compatible.</p> 20 - ENSEMBLE REFROIDISSEMENT <p>Vue éclatée 20 pour TGB BLADE 600 LTX ABS – retrouvez la liste complète des composants d'origine et identifiez rapidement la pièce compatible.</p> 20 - ENSEMBLE REFROIDISSEMENT <p>Vue éclatée 20 pour TGB LANDMAX 1000 – retrouvez la liste complète des composants d'origine et identifiez rapidement la pièce compatible.</p> 20 - ENSEMBLE REFROIDISSEMENT <p>Vue éclatée 20 pour TGB LANDMAX 1000 CAB – retrouvez la liste complète des composants d'origine et identifiez rapidement la pièce compatible.</p> 21 - SYSTEME ELECTRIQUE 2 <p>Vue éclatée 21 pour TGB BLADE 550 FLX – retrouvez la liste complète des composants d'origine et identifiez rapidement la pièce compatible.</p> 21 - SYSTEME ELECTRIQUE 2 <p>Vue éclatée 21 pour TGB BLADE 600 FLX – retrouvez la liste complète des composants d'origine et identifiez rapidement la pièce compatible.</p> 21 - SYSTEME ELECTRIQUE 2 <p>Vue éclatée 21 pour TGB BLADE 600 LTX ABS – retrouvez la liste complète des composants d'origine et identifiez rapidement la pièce compatible.</p> 21 - SYSTEME ELECTRIQUE 2 <p>Vue éclatée 21 pour TGB LANDMAX 1000 – retrouvez la liste complète des composants d'origine et identifiez rapidement la pièce compatible.</p> 21 - SYSTEME ELECTRIQUE 2 <p>Vue éclatée 21 pour TGB LANDMAX 1000 CAB – retrouvez la liste complète des composants d'origine et identifiez rapidement la pièce compatible.</p> 22 - SYSTEME ELECTRIQUE 3 <p>Vue éclatée 22 pour TGB BLADE 550 FLX – retrouvez la liste complète des composants d'origine et identifiez rapidement la pièce compatible.</p> 22 - SYSTEME ELECTRIQUE 3 <p>Vue éclatée 22 pour TGB BLADE 600 FLX – retrouvez la liste complète des composants d'origine et identifiez rapidement la pièce compatible.</p> 22 - SYSTEME ELECTRIQUE 3 <p>Vue éclatée 22 pour TGB BLADE 600 LTX ABS – retrouvez la liste complète des composants d'origine et identifiez rapidement la pièce compatible.</p> 22 - SYSTEME ELECTRIQUE 3 <p>Vue éclatée 22 pour TGB LANDMAX 1000 – retrouvez la liste complète des composants d'origine et identifiez rapidement la pièce compatible.</p> 22 - SYSTEME ELECTRIQUE 3 <p>Vue éclatée 22 pour TGB LANDMAX 1000 CAB – retrouvez la liste complète des composants d'origine et identifiez rapidement la pièce compatible.</p> 23 - RELAIS SUPPORTS <p>Vue éclatée 23 pour TGB LANDMAX 1000 – retrouvez la liste complète des composants d'origine et identifiez rapidement la pièce compatible.</p> 23 - RELAIS SUPPORTS <p>Vue éclatée 23 pour TGB LANDMAX 1000 CAB – retrouvez la liste complète des composants d'origine et identifiez rapidement la pièce compatible.</p> 23 - SUPPORTS <p>Vue éclatée 23 pour TGB BLADE 550 FLX – retrouvez la liste complète des composants d'origine et identifiez rapidement la pièce compatible.</p> 23 - SUPPORTS <p>Vue éclatée 23 pour TGB BLADE 600 FLX – retrouvez la liste complète des composants d'origine et identifiez rapidement la pièce compatible.</p> 23 - SUPPORTS <p>Vue éclatée 23 pour TGB BLADE 600 LTX ABS – retrouvez la liste complète des composants d'origine et identifiez rapidement la pièce compatible.</p> 24 - CONTROLEUR... <p>Vue éclatée 24 pour TGB LANDMAX 1000 – retrouvez la liste complète des composants d'origine et identifiez rapidement la pièce compatible.</p> 24 - ECLAIRAGE INT MONITEUR... <p>Vue éclatée 24 pour TGB LANDMAX 1000 CAB – retrouvez la liste complète des composants d'origine et identifiez rapidement la pièce compatible.</p> 24 - SUPPORTS MOTEUR <p>Vue éclatée 24 pour TGB BLADE 550 FLX – retrouvez la liste complète des composants d'origine et identifiez rapidement la pièce compatible.</p> 24 - SUPPORTS MOTEUR <p>Vue éclatée 24 pour TGB BLADE 600 FLX – retrouvez la liste complète des composants d'origine et identifiez rapidement la pièce compatible.</p> 24 - SUPPORTS MOTEUR <p>Vue éclatée 24 pour TGB BLADE 600 LTX ABS – retrouvez la liste complète des composants d'origine et identifiez rapidement la pièce compatible.</p> 25 - COMPTEUR <p>Vue éclatée 25 pour TGB LANDMAX 1000 – retrouvez la liste complète des composants d'origine et identifiez rapidement la pièce compatible.</p> 25 - CONTROLEUR... <p>Vue éclatée 25 pour TGB LANDMAX 1000 CAB – retrouvez la liste complète des composants d'origine et identifiez rapidement la pièce compatible.</p> 25 - MOTEUR DE DIFFERENTIEL <p>Vue éclatée 25 pour TGB BLADE 550 FLX – retrouvez la liste complète des composants d'origine et identifiez rapidement la pièce compatible.</p> 25 - MOTEUR DE DIFFERENTIEL <p>Vue éclatée 25 pour TGB BLADE 600 FLX – retrouvez la liste complète des composants d'origine et identifiez rapidement la pièce compatible.</p> 25 - MOTEUR DE DIFFERENTIEL <p>Vue éclatée 25 pour TGB BLADE 600 LTX ABS – retrouvez la liste complète des composants d'origine et identifiez rapidement la pièce compatible.</p> 26 - COMPTEUR <p>Vue éclatée 26 pour TGB LANDMAX 1000 CAB – retrouvez la liste complète des composants d'origine et identifiez rapidement la pièce compatible.</p> 26 - DIRECTION ASSISTEE... <p>Vue éclatée 26 pour TGB BLADE 550 FLX – retrouvez la liste complète des composants d'origine et identifiez rapidement la pièce compatible.</p> 26 - DIRECTION ASSISTEE... <p>Vue éclatée 26 pour TGB BLADE 600 LTX ABS – retrouvez la liste complète des composants d'origine et identifiez rapidement la pièce compatible.</p> 26 - ECLAIRAGE AVANT <p>Vue éclatée 26 pour TGB LANDMAX 1000 – retrouvez la liste complète des composants d'origine et identifiez rapidement la pièce compatible.</p> 26 - SUPPORTS DIFFERENTIEL... <p>Vue éclatée 26 pour TGB BLADE 600 FLX – retrouvez la liste complète des composants d'origine et identifiez rapidement la pièce compatible.</p> 27 - COMPTEUR <p>Vue éclatée 27 pour TGB BLADE 550 FLX – retrouvez la liste complète des composants d'origine et identifiez rapidement la pièce compatible.</p> 27 - COMPTEUR <p>Vue éclatée 27 pour TGB BLADE 600 LTX ABS – retrouvez la liste complète des composants d'origine et identifiez rapidement la pièce compatible.</p> 27 - DIRECTION ASSISTEE... <p>Vue éclatée 27 pour TGB BLADE 600 FLX – retrouvez la liste complète des composants d'origine et identifiez rapidement la pièce compatible.</p> 27 - ECLAIRAGE ARRIERE <p>Vue éclatée 27 pour TGB LANDMAX 1000 – retrouvez la liste complète des composants d'origine et identifiez rapidement la pièce compatible.</p> 27 - ECLAIRAGE AVANT <p>Vue éclatée 27 pour TGB LANDMAX 1000 CAB – retrouvez la liste complète des composants d'origine et identifiez rapidement la pièce compatible.</p> Affichage 1-100 de 539 article(s) 1 2 3 … 6 Suivant Retour en haut
14 - CARTER MOTEUR GAUCHE 2 <p>Vue éclatée 14 pour TGB BLADE 550 FLX – retrouvez la liste complète des composants d'origine et identifiez rapidement la pièce compatible.</p> 14 - CARTER MOTEUR GAUCHE 2 <p>Vue éclatée 14 pour TGB BLADE 600 FLX – retrouvez la liste complète des composants d'origine et identifiez rapidement la pièce compatible.</p> 14 - CARTER MOTEUR GAUCHE 2 <p>Vue éclatée 14 pour TGB BLADE 600 LTX ABS – retrouvez la liste complète des composants d'origine et identifiez rapidement la pièce compatible.</p> 14 - VARIATEUR <p>Vue éclatée 14 pour TGB LANDMAX 1000 – retrouvez la liste complète des composants d'origine et identifiez rapidement la pièce compatible.</p> 14 - VARIATEUR <p>Vue éclatée 14 pour TGB LANDMAX 1000 CAB – retrouvez la liste complète des composants d'origine et identifiez rapidement la pièce compatible.</p> 15 - BLOCAGE DIFFERENTIEL... <p>Vue éclatée 15 pour TGB BLADE 550 FLX – retrouvez la liste complète des composants d'origine et identifiez rapidement la pièce compatible.</p> 15 - BLOCAGE DIFFERENTIEL... <p>Vue éclatée 15 pour TGB BLADE 600 FLX – retrouvez la liste complète des composants d'origine et identifiez rapidement la pièce compatible.</p> 15 - BLOCAGE DIFFERENTIEL... <p>Vue éclatée 15 pour TGB BLADE 600 LTX ABS – retrouvez la liste complète des composants d'origine et identifiez rapidement la pièce compatible.</p> 15 - ENSEMBLE ECHAPPEMENT <p>Vue éclatée 15 pour TGB LANDMAX 1000 – retrouvez la liste complète des composants d'origine et identifiez rapidement la pièce compatible.</p> 15 - ENSEMBLE ECHAPPEMENT <p>Vue éclatée 15 pour TGB LANDMAX 1000 CAB – retrouvez la liste complète des composants d'origine et identifiez rapidement la pièce compatible.</p> 16 - ENSEMBLE DIFFERENTIEL... <p>Vue éclatée 16 pour TGB BLADE 550 FLX – retrouvez la liste complète des composants d'origine et identifiez rapidement la pièce compatible.</p> 16 - ENSEMBLE DIFFERENTIEL... <p>Vue éclatée 16 pour TGB BLADE 600 FLX – retrouvez la liste complète des composants d'origine et identifiez rapidement la pièce compatible.</p> 16 - ENSEMBLE DIFFERENTIEL... <p>Vue éclatée 16 pour TGB BLADE 600 LTX ABS – retrouvez la liste complète des composants d'origine et identifiez rapidement la pièce compatible.</p> 16 - ENSEMBLE FILTRE A AIR <p>Vue éclatée 16 pour TGB LANDMAX 1000 – retrouvez la liste complète des composants d'origine et identifiez rapidement la pièce compatible.</p> 16 - ENSEMBLE FILTRE A AIR <p>Vue éclatée 16 pour TGB LANDMAX 1000 CAB – retrouvez la liste complète des composants d'origine et identifiez rapidement la pièce compatible.</p> 17 - BLOCAGE DIFFERENTIEL... <p>Vue éclatée 17 pour TGB LANDMAX 1000 – retrouvez la liste complète des composants d'origine et identifiez rapidement la pièce compatible.</p> 17 - BLOCAGE DIFFERENTIEL... <p>Vue éclatée 17 pour TGB LANDMAX 1000 CAB – retrouvez la liste complète des composants d'origine et identifiez rapidement la pièce compatible.</p> 17 - VARIATEUR <p>Vue éclatée 17 pour TGB BLADE 550 FLX – retrouvez la liste complète des composants d'origine et identifiez rapidement la pièce compatible.</p> 17 - VARIATEUR <p>Vue éclatée 17 pour TGB BLADE 600 FLX – retrouvez la liste complète des composants d'origine et identifiez rapidement la pièce compatible.</p> 17 - VARIATEUR <p>Vue éclatée 17 pour TGB BLADE 600 LTX ABS – retrouvez la liste complète des composants d'origine et identifiez rapidement la pièce compatible.</p> 18 - ENSEMBLE DIFFERENTIEL... <p>Vue éclatée 18 pour TGB LANDMAX 1000 – retrouvez la liste complète des composants d'origine et identifiez rapidement la pièce compatible.</p> 18 - ENSEMBLE DIFFERENTIEL... <p>Vue éclatée 18 pour TGB LANDMAX 1000 CAB – retrouvez la liste complète des composants d'origine et identifiez rapidement la pièce compatible.</p> 18 - ENSEMBLE ECHAPPEMENT <p>Vue éclatée 18 pour TGB BLADE 550 FLX – retrouvez la liste complète des composants d'origine et identifiez rapidement la pièce compatible.</p> 18 - ENSEMBLE ECHAPPEMENT <p>Vue éclatée 18 pour TGB BLADE 600 FLX – retrouvez la liste complète des composants d'origine et identifiez rapidement la pièce compatible.</p> 18 - ENSEMBLE ECHAPPEMENT <p>Vue éclatée 18 pour TGB BLADE 600 LTX ABS – retrouvez la liste complète des composants d'origine et identifiez rapidement la pièce compatible.</p> 19 - DIRECTION ASSISTEE <p>Vue éclatée 19 pour TGB LANDMAX 1000 – retrouvez la liste complète des composants d'origine et identifiez rapidement la pièce compatible.</p> 19 - DIRECTION ASSISTEE <p>Vue éclatée 19 pour TGB LANDMAX 1000 CAB – retrouvez la liste complète des composants d'origine et identifiez rapidement la pièce compatible.</p> 19 - ENSEMBLE FILTRE A AIR <p>Vue éclatée 19 pour TGB BLADE 550 FLX – retrouvez la liste complète des composants d'origine et identifiez rapidement la pièce compatible.</p> 19 - ENSEMBLE FILTRE A AIR <p>Vue éclatée 19 pour TGB BLADE 600 FLX – retrouvez la liste complète des composants d'origine et identifiez rapidement la pièce compatible.</p> 19 - ENSEMBLE FILTRE A AIR <p>Vue éclatée 19 pour TGB BLADE 600 LTX ABS – retrouvez la liste complète des composants d'origine et identifiez rapidement la pièce compatible.</p> 2 - SYSTEME ADMISSION <p>Vue éclatée 2 pour TGB BLADE 550 FLX – retrouvez la liste complète des composants d'origine et identifiez rapidement la pièce compatible.</p> 2 - SYSTEME ADMISSION <p>Vue éclatée 2 pour TGB BLADE 600 FLX – retrouvez la liste complète des composants d'origine et identifiez rapidement la pièce compatible.</p> 2 - SYSTEME ADMISSION <p>Vue éclatée 2 pour TGB BLADE 600 LTX ABS – retrouvez la liste complète des composants d'origine et identifiez rapidement la pièce compatible.</p> 2 - SYSTEME ADMISSION <p>Vue éclatée 2 pour TGB LANDMAX 1000 – retrouvez la liste complète des composants d'origine et identifiez rapidement la pièce compatible.</p> 2 - SYSTEME ADMISSION <p>Vue éclatée 2 pour TGB LANDMAX 1000 CAB – retrouvez la liste complète des composants d'origine et identifiez rapidement la pièce compatible.</p> 20 - ENSEMBLE REFROIDISSEMENT <p>Vue éclatée 20 pour TGB BLADE 550 FLX – retrouvez la liste complète des composants d'origine et identifiez rapidement la pièce compatible.</p> 20 - ENSEMBLE REFROIDISSEMENT <p>Vue éclatée 20 pour TGB BLADE 600 FLX – retrouvez la liste complète des composants d'origine et identifiez rapidement la pièce compatible.</p> 20 - ENSEMBLE REFROIDISSEMENT <p>Vue éclatée 20 pour TGB BLADE 600 LTX ABS – retrouvez la liste complète des composants d'origine et identifiez rapidement la pièce compatible.</p> 20 - ENSEMBLE REFROIDISSEMENT <p>Vue éclatée 20 pour TGB LANDMAX 1000 – retrouvez la liste complète des composants d'origine et identifiez rapidement la pièce compatible.</p> 20 - ENSEMBLE REFROIDISSEMENT <p>Vue éclatée 20 pour TGB LANDMAX 1000 CAB – retrouvez la liste complète des composants d'origine et identifiez rapidement la pièce compatible.</p> 21 - SYSTEME ELECTRIQUE 2 <p>Vue éclatée 21 pour TGB BLADE 550 FLX – retrouvez la liste complète des composants d'origine et identifiez rapidement la pièce compatible.</p> 21 - SYSTEME ELECTRIQUE 2 <p>Vue éclatée 21 pour TGB BLADE 600 FLX – retrouvez la liste complète des composants d'origine et identifiez rapidement la pièce compatible.</p> 21 - SYSTEME ELECTRIQUE 2 <p>Vue éclatée 21 pour TGB BLADE 600 LTX ABS – retrouvez la liste complète des composants d'origine et identifiez rapidement la pièce compatible.</p> 21 - SYSTEME ELECTRIQUE 2 <p>Vue éclatée 21 pour TGB LANDMAX 1000 – retrouvez la liste complète des composants d'origine et identifiez rapidement la pièce compatible.</p> 21 - SYSTEME ELECTRIQUE 2 <p>Vue éclatée 21 pour TGB LANDMAX 1000 CAB – retrouvez la liste complète des composants d'origine et identifiez rapidement la pièce compatible.</p> 22 - SYSTEME ELECTRIQUE 3 <p>Vue éclatée 22 pour TGB BLADE 550 FLX – retrouvez la liste complète des composants d'origine et identifiez rapidement la pièce compatible.</p> 22 - SYSTEME ELECTRIQUE 3 <p>Vue éclatée 22 pour TGB BLADE 600 FLX – retrouvez la liste complète des composants d'origine et identifiez rapidement la pièce compatible.</p> 22 - SYSTEME ELECTRIQUE 3 <p>Vue éclatée 22 pour TGB BLADE 600 LTX ABS – retrouvez la liste complète des composants d'origine et identifiez rapidement la pièce compatible.</p> 22 - SYSTEME ELECTRIQUE 3 <p>Vue éclatée 22 pour TGB LANDMAX 1000 – retrouvez la liste complète des composants d'origine et identifiez rapidement la pièce compatible.</p> 22 - SYSTEME ELECTRIQUE 3 <p>Vue éclatée 22 pour TGB LANDMAX 1000 CAB – retrouvez la liste complète des composants d'origine et identifiez rapidement la pièce compatible.</p> 23 - RELAIS SUPPORTS <p>Vue éclatée 23 pour TGB LANDMAX 1000 – retrouvez la liste complète des composants d'origine et identifiez rapidement la pièce compatible.</p> 23 - RELAIS SUPPORTS <p>Vue éclatée 23 pour TGB LANDMAX 1000 CAB – retrouvez la liste complète des composants d'origine et identifiez rapidement la pièce compatible.</p> 23 - SUPPORTS <p>Vue éclatée 23 pour TGB BLADE 550 FLX – retrouvez la liste complète des composants d'origine et identifiez rapidement la pièce compatible.</p> 23 - SUPPORTS <p>Vue éclatée 23 pour TGB BLADE 600 FLX – retrouvez la liste complète des composants d'origine et identifiez rapidement la pièce compatible.</p> 23 - SUPPORTS <p>Vue éclatée 23 pour TGB BLADE 600 LTX ABS – retrouvez la liste complète des composants d'origine et identifiez rapidement la pièce compatible.</p> 24 - CONTROLEUR... <p>Vue éclatée 24 pour TGB LANDMAX 1000 – retrouvez la liste complète des composants d'origine et identifiez rapidement la pièce compatible.</p> 24 - ECLAIRAGE INT MONITEUR... <p>Vue éclatée 24 pour TGB LANDMAX 1000 CAB – retrouvez la liste complète des composants d'origine et identifiez rapidement la pièce compatible.</p> 24 - SUPPORTS MOTEUR <p>Vue éclatée 24 pour TGB BLADE 550 FLX – retrouvez la liste complète des composants d'origine et identifiez rapidement la pièce compatible.</p> 24 - SUPPORTS MOTEUR <p>Vue éclatée 24 pour TGB BLADE 600 FLX – retrouvez la liste complète des composants d'origine et identifiez rapidement la pièce compatible.</p> 24 - SUPPORTS MOTEUR <p>Vue éclatée 24 pour TGB BLADE 600 LTX ABS – retrouvez la liste complète des composants d'origine et identifiez rapidement la pièce compatible.</p> 25 - COMPTEUR <p>Vue éclatée 25 pour TGB LANDMAX 1000 – retrouvez la liste complète des composants d'origine et identifiez rapidement la pièce compatible.</p> 25 - CONTROLEUR... <p>Vue éclatée 25 pour TGB LANDMAX 1000 CAB – retrouvez la liste complète des composants d'origine et identifiez rapidement la pièce compatible.</p> 25 - MOTEUR DE DIFFERENTIEL <p>Vue éclatée 25 pour TGB BLADE 550 FLX – retrouvez la liste complète des composants d'origine et identifiez rapidement la pièce compatible.</p> 25 - MOTEUR DE DIFFERENTIEL <p>Vue éclatée 25 pour TGB BLADE 600 FLX – retrouvez la liste complète des composants d'origine et identifiez rapidement la pièce compatible.</p> 25 - MOTEUR DE DIFFERENTIEL <p>Vue éclatée 25 pour TGB BLADE 600 LTX ABS – retrouvez la liste complète des composants d'origine et identifiez rapidement la pièce compatible.</p> 26 - COMPTEUR <p>Vue éclatée 26 pour TGB LANDMAX 1000 CAB – retrouvez la liste complète des composants d'origine et identifiez rapidement la pièce compatible.</p> 26 - DIRECTION ASSISTEE... <p>Vue éclatée 26 pour TGB BLADE 550 FLX – retrouvez la liste complète des composants d'origine et identifiez rapidement la pièce compatible.</p> 26 - DIRECTION ASSISTEE... <p>Vue éclatée 26 pour TGB BLADE 600 LTX ABS – retrouvez la liste complète des composants d'origine et identifiez rapidement la pièce compatible.</p> 26 - ECLAIRAGE AVANT <p>Vue éclatée 26 pour TGB LANDMAX 1000 – retrouvez la liste complète des composants d'origine et identifiez rapidement la pièce compatible.</p> 26 - SUPPORTS DIFFERENTIEL... <p>Vue éclatée 26 pour TGB BLADE 600 FLX – retrouvez la liste complète des composants d'origine et identifiez rapidement la pièce compatible.</p> 27 - COMPTEUR <p>Vue éclatée 27 pour TGB BLADE 550 FLX – retrouvez la liste complète des composants d'origine et identifiez rapidement la pièce compatible.</p> 27 - COMPTEUR <p>Vue éclatée 27 pour TGB BLADE 600 LTX ABS – retrouvez la liste complète des composants d'origine et identifiez rapidement la pièce compatible.</p> 27 - DIRECTION ASSISTEE... <p>Vue éclatée 27 pour TGB BLADE 600 FLX – retrouvez la liste complète des composants d'origine et identifiez rapidement la pièce compatible.</p> 27 - ECLAIRAGE ARRIERE <p>Vue éclatée 27 pour TGB LANDMAX 1000 – retrouvez la liste complète des composants d'origine et identifiez rapidement la pièce compatible.</p> 27 - ECLAIRAGE AVANT <p>Vue éclatée 27 pour TGB LANDMAX 1000 CAB – retrouvez la liste complète des composants d'origine et identifiez rapidement la pièce compatible.</p> Affichage 1-100 de 539 article(s) 1 2 3 … 6 Suivant Retour en haut
14 - CARTER MOTEUR GAUCHE 2 <p>Vue éclatée 14 pour TGB BLADE 600 FLX – retrouvez la liste complète des composants d'origine et identifiez rapidement la pièce compatible.</p> 14 - CARTER MOTEUR GAUCHE 2 <p>Vue éclatée 14 pour TGB BLADE 600 LTX ABS – retrouvez la liste complète des composants d'origine et identifiez rapidement la pièce compatible.</p> 14 - VARIATEUR <p>Vue éclatée 14 pour TGB LANDMAX 1000 – retrouvez la liste complète des composants d'origine et identifiez rapidement la pièce compatible.</p> 14 - VARIATEUR <p>Vue éclatée 14 pour TGB LANDMAX 1000 CAB – retrouvez la liste complète des composants d'origine et identifiez rapidement la pièce compatible.</p> 15 - BLOCAGE DIFFERENTIEL... <p>Vue éclatée 15 pour TGB BLADE 550 FLX – retrouvez la liste complète des composants d'origine et identifiez rapidement la pièce compatible.</p> 15 - BLOCAGE DIFFERENTIEL... <p>Vue éclatée 15 pour TGB BLADE 600 FLX – retrouvez la liste complète des composants d'origine et identifiez rapidement la pièce compatible.</p> 15 - BLOCAGE DIFFERENTIEL... <p>Vue éclatée 15 pour TGB BLADE 600 LTX ABS – retrouvez la liste complète des composants d'origine et identifiez rapidement la pièce compatible.</p> 15 - ENSEMBLE ECHAPPEMENT <p>Vue éclatée 15 pour TGB LANDMAX 1000 – retrouvez la liste complète des composants d'origine et identifiez rapidement la pièce compatible.</p> 15 - ENSEMBLE ECHAPPEMENT <p>Vue éclatée 15 pour TGB LANDMAX 1000 CAB – retrouvez la liste complète des composants d'origine et identifiez rapidement la pièce compatible.</p> 16 - ENSEMBLE DIFFERENTIEL... <p>Vue éclatée 16 pour TGB BLADE 550 FLX – retrouvez la liste complète des composants d'origine et identifiez rapidement la pièce compatible.</p> 16 - ENSEMBLE DIFFERENTIEL... <p>Vue éclatée 16 pour TGB BLADE 600 FLX – retrouvez la liste complète des composants d'origine et identifiez rapidement la pièce compatible.</p> 16 - ENSEMBLE DIFFERENTIEL... <p>Vue éclatée 16 pour TGB BLADE 600 LTX ABS – retrouvez la liste complète des composants d'origine et identifiez rapidement la pièce compatible.</p> 16 - ENSEMBLE FILTRE A AIR <p>Vue éclatée 16 pour TGB LANDMAX 1000 – retrouvez la liste complète des composants d'origine et identifiez rapidement la pièce compatible.</p> 16 - ENSEMBLE FILTRE A AIR <p>Vue éclatée 16 pour TGB LANDMAX 1000 CAB – retrouvez la liste complète des composants d'origine et identifiez rapidement la pièce compatible.</p> 17 - BLOCAGE DIFFERENTIEL... <p>Vue éclatée 17 pour TGB LANDMAX 1000 – retrouvez la liste complète des composants d'origine et identifiez rapidement la pièce compatible.</p> 17 - BLOCAGE DIFFERENTIEL... <p>Vue éclatée 17 pour TGB LANDMAX 1000 CAB – retrouvez la liste complète des composants d'origine et identifiez rapidement la pièce compatible.</p> 17 - VARIATEUR <p>Vue éclatée 17 pour TGB BLADE 550 FLX – retrouvez la liste complète des composants d'origine et identifiez rapidement la pièce compatible.</p> 17 - VARIATEUR <p>Vue éclatée 17 pour TGB BLADE 600 FLX – retrouvez la liste complète des composants d'origine et identifiez rapidement la pièce compatible.</p> 17 - VARIATEUR <p>Vue éclatée 17 pour TGB BLADE 600 LTX ABS – retrouvez la liste complète des composants d'origine et identifiez rapidement la pièce compatible.</p> 18 - ENSEMBLE DIFFERENTIEL... <p>Vue éclatée 18 pour TGB LANDMAX 1000 – retrouvez la liste complète des composants d'origine et identifiez rapidement la pièce compatible.</p> 18 - ENSEMBLE DIFFERENTIEL... <p>Vue éclatée 18 pour TGB LANDMAX 1000 CAB – retrouvez la liste complète des composants d'origine et identifiez rapidement la pièce compatible.</p> 18 - ENSEMBLE ECHAPPEMENT <p>Vue éclatée 18 pour TGB BLADE 550 FLX – retrouvez la liste complète des composants d'origine et identifiez rapidement la pièce compatible.</p> 18 - ENSEMBLE ECHAPPEMENT <p>Vue éclatée 18 pour TGB BLADE 600 FLX – retrouvez la liste complète des composants d'origine et identifiez rapidement la pièce compatible.</p> 18 - ENSEMBLE ECHAPPEMENT <p>Vue éclatée 18 pour TGB BLADE 600 LTX ABS – retrouvez la liste complète des composants d'origine et identifiez rapidement la pièce compatible.</p> 19 - DIRECTION ASSISTEE <p>Vue éclatée 19 pour TGB LANDMAX 1000 – retrouvez la liste complète des composants d'origine et identifiez rapidement la pièce compatible.</p> 19 - DIRECTION ASSISTEE <p>Vue éclatée 19 pour TGB LANDMAX 1000 CAB – retrouvez la liste complète des composants d'origine et identifiez rapidement la pièce compatible.</p> 19 - ENSEMBLE FILTRE A AIR <p>Vue éclatée 19 pour TGB BLADE 550 FLX – retrouvez la liste complète des composants d'origine et identifiez rapidement la pièce compatible.</p> 19 - ENSEMBLE FILTRE A AIR <p>Vue éclatée 19 pour TGB BLADE 600 FLX – retrouvez la liste complète des composants d'origine et identifiez rapidement la pièce compatible.</p> 19 - ENSEMBLE FILTRE A AIR <p>Vue éclatée 19 pour TGB BLADE 600 LTX ABS – retrouvez la liste complète des composants d'origine et identifiez rapidement la pièce compatible.</p> 2 - SYSTEME ADMISSION <p>Vue éclatée 2 pour TGB BLADE 550 FLX – retrouvez la liste complète des composants d'origine et identifiez rapidement la pièce compatible.</p> 2 - SYSTEME ADMISSION <p>Vue éclatée 2 pour TGB BLADE 600 FLX – retrouvez la liste complète des composants d'origine et identifiez rapidement la pièce compatible.</p> 2 - SYSTEME ADMISSION <p>Vue éclatée 2 pour TGB BLADE 600 LTX ABS – retrouvez la liste complète des composants d'origine et identifiez rapidement la pièce compatible.</p> 2 - SYSTEME ADMISSION <p>Vue éclatée 2 pour TGB LANDMAX 1000 – retrouvez la liste complète des composants d'origine et identifiez rapidement la pièce compatible.</p> 2 - SYSTEME ADMISSION <p>Vue éclatée 2 pour TGB LANDMAX 1000 CAB – retrouvez la liste complète des composants d'origine et identifiez rapidement la pièce compatible.</p> 20 - ENSEMBLE REFROIDISSEMENT <p>Vue éclatée 20 pour TGB BLADE 550 FLX – retrouvez la liste complète des composants d'origine et identifiez rapidement la pièce compatible.</p> 20 - ENSEMBLE REFROIDISSEMENT <p>Vue éclatée 20 pour TGB BLADE 600 FLX – retrouvez la liste complète des composants d'origine et identifiez rapidement la pièce compatible.</p> 20 - ENSEMBLE REFROIDISSEMENT <p>Vue éclatée 20 pour TGB BLADE 600 LTX ABS – retrouvez la liste complète des composants d'origine et identifiez rapidement la pièce compatible.</p> 20 - ENSEMBLE REFROIDISSEMENT <p>Vue éclatée 20 pour TGB LANDMAX 1000 – retrouvez la liste complète des composants d'origine et identifiez rapidement la pièce compatible.</p> 20 - ENSEMBLE REFROIDISSEMENT <p>Vue éclatée 20 pour TGB LANDMAX 1000 CAB – retrouvez la liste complète des composants d'origine et identifiez rapidement la pièce compatible.</p> 21 - SYSTEME ELECTRIQUE 2 <p>Vue éclatée 21 pour TGB BLADE 550 FLX – retrouvez la liste complète des composants d'origine et identifiez rapidement la pièce compatible.</p> 21 - SYSTEME ELECTRIQUE 2 <p>Vue éclatée 21 pour TGB BLADE 600 FLX – retrouvez la liste complète des composants d'origine et identifiez rapidement la pièce compatible.</p> 21 - SYSTEME ELECTRIQUE 2 <p>Vue éclatée 21 pour TGB BLADE 600 LTX ABS – retrouvez la liste complète des composants d'origine et identifiez rapidement la pièce compatible.</p> 21 - SYSTEME ELECTRIQUE 2 <p>Vue éclatée 21 pour TGB LANDMAX 1000 – retrouvez la liste complète des composants d'origine et identifiez rapidement la pièce compatible.</p> 21 - SYSTEME ELECTRIQUE 2 <p>Vue éclatée 21 pour TGB LANDMAX 1000 CAB – retrouvez la liste complète des composants d'origine et identifiez rapidement la pièce compatible.</p> 22 - SYSTEME ELECTRIQUE 3 <p>Vue éclatée 22 pour TGB BLADE 550 FLX – retrouvez la liste complète des composants d'origine et identifiez rapidement la pièce compatible.</p> 22 - SYSTEME ELECTRIQUE 3 <p>Vue éclatée 22 pour TGB BLADE 600 FLX – retrouvez la liste complète des composants d'origine et identifiez rapidement la pièce compatible.</p> 22 - SYSTEME ELECTRIQUE 3 <p>Vue éclatée 22 pour TGB BLADE 600 LTX ABS – retrouvez la liste complète des composants d'origine et identifiez rapidement la pièce compatible.</p> 22 - SYSTEME ELECTRIQUE 3 <p>Vue éclatée 22 pour TGB LANDMAX 1000 – retrouvez la liste complète des composants d'origine et identifiez rapidement la pièce compatible.</p> 22 - SYSTEME ELECTRIQUE 3 <p>Vue éclatée 22 pour TGB LANDMAX 1000 CAB – retrouvez la liste complète des composants d'origine et identifiez rapidement la pièce compatible.</p> 23 - RELAIS SUPPORTS <p>Vue éclatée 23 pour TGB LANDMAX 1000 – retrouvez la liste complète des composants d'origine et identifiez rapidement la pièce compatible.</p> 23 - RELAIS SUPPORTS <p>Vue éclatée 23 pour TGB LANDMAX 1000 CAB – retrouvez la liste complète des composants d'origine et identifiez rapidement la pièce compatible.</p> 23 - SUPPORTS <p>Vue éclatée 23 pour TGB BLADE 550 FLX – retrouvez la liste complète des composants d'origine et identifiez rapidement la pièce compatible.</p> 23 - SUPPORTS <p>Vue éclatée 23 pour TGB BLADE 600 FLX – retrouvez la liste complète des composants d'origine et identifiez rapidement la pièce compatible.</p> 23 - SUPPORTS <p>Vue éclatée 23 pour TGB BLADE 600 LTX ABS – retrouvez la liste complète des composants d'origine et identifiez rapidement la pièce compatible.</p> 24 - CONTROLEUR... <p>Vue éclatée 24 pour TGB LANDMAX 1000 – retrouvez la liste complète des composants d'origine et identifiez rapidement la pièce compatible.</p> 24 - ECLAIRAGE INT MONITEUR... <p>Vue éclatée 24 pour TGB LANDMAX 1000 CAB – retrouvez la liste complète des composants d'origine et identifiez rapidement la pièce compatible.</p> 24 - SUPPORTS MOTEUR <p>Vue éclatée 24 pour TGB BLADE 550 FLX – retrouvez la liste complète des composants d'origine et identifiez rapidement la pièce compatible.</p> 24 - SUPPORTS MOTEUR <p>Vue éclatée 24 pour TGB BLADE 600 FLX – retrouvez la liste complète des composants d'origine et identifiez rapidement la pièce compatible.</p> 24 - SUPPORTS MOTEUR <p>Vue éclatée 24 pour TGB BLADE 600 LTX ABS – retrouvez la liste complète des composants d'origine et identifiez rapidement la pièce compatible.</p> 25 - COMPTEUR <p>Vue éclatée 25 pour TGB LANDMAX 1000 – retrouvez la liste complète des composants d'origine et identifiez rapidement la pièce compatible.</p> 25 - CONTROLEUR... <p>Vue éclatée 25 pour TGB LANDMAX 1000 CAB – retrouvez la liste complète des composants d'origine et identifiez rapidement la pièce compatible.</p> 25 - MOTEUR DE DIFFERENTIEL <p>Vue éclatée 25 pour TGB BLADE 550 FLX – retrouvez la liste complète des composants d'origine et identifiez rapidement la pièce compatible.</p> 25 - MOTEUR DE DIFFERENTIEL <p>Vue éclatée 25 pour TGB BLADE 600 FLX – retrouvez la liste complète des composants d'origine et identifiez rapidement la pièce compatible.</p> 25 - MOTEUR DE DIFFERENTIEL <p>Vue éclatée 25 pour TGB BLADE 600 LTX ABS – retrouvez la liste complète des composants d'origine et identifiez rapidement la pièce compatible.</p> 26 - COMPTEUR <p>Vue éclatée 26 pour TGB LANDMAX 1000 CAB – retrouvez la liste complète des composants d'origine et identifiez rapidement la pièce compatible.</p> 26 - DIRECTION ASSISTEE... <p>Vue éclatée 26 pour TGB BLADE 550 FLX – retrouvez la liste complète des composants d'origine et identifiez rapidement la pièce compatible.</p> 26 - DIRECTION ASSISTEE... <p>Vue éclatée 26 pour TGB BLADE 600 LTX ABS – retrouvez la liste complète des composants d'origine et identifiez rapidement la pièce compatible.</p> 26 - ECLAIRAGE AVANT <p>Vue éclatée 26 pour TGB LANDMAX 1000 – retrouvez la liste complète des composants d'origine et identifiez rapidement la pièce compatible.</p> 26 - SUPPORTS DIFFERENTIEL... <p>Vue éclatée 26 pour TGB BLADE 600 FLX – retrouvez la liste complète des composants d'origine et identifiez rapidement la pièce compatible.</p> 27 - COMPTEUR <p>Vue éclatée 27 pour TGB BLADE 550 FLX – retrouvez la liste complète des composants d'origine et identifiez rapidement la pièce compatible.</p> 27 - COMPTEUR <p>Vue éclatée 27 pour TGB BLADE 600 LTX ABS – retrouvez la liste complète des composants d'origine et identifiez rapidement la pièce compatible.</p> 27 - DIRECTION ASSISTEE... <p>Vue éclatée 27 pour TGB BLADE 600 FLX – retrouvez la liste complète des composants d'origine et identifiez rapidement la pièce compatible.</p> 27 - ECLAIRAGE ARRIERE <p>Vue éclatée 27 pour TGB LANDMAX 1000 – retrouvez la liste complète des composants d'origine et identifiez rapidement la pièce compatible.</p> 27 - ECLAIRAGE AVANT <p>Vue éclatée 27 pour TGB LANDMAX 1000 CAB – retrouvez la liste complète des composants d'origine et identifiez rapidement la pièce compatible.</p> Affichage 1-100 de 539 article(s) 1 2 3 … 6 Suivant Retour en haut
14 - CARTER MOTEUR GAUCHE 2 <p>Vue éclatée 14 pour TGB BLADE 600 LTX ABS – retrouvez la liste complète des composants d'origine et identifiez rapidement la pièce compatible.</p> 14 - VARIATEUR <p>Vue éclatée 14 pour TGB LANDMAX 1000 – retrouvez la liste complète des composants d'origine et identifiez rapidement la pièce compatible.</p> 14 - VARIATEUR <p>Vue éclatée 14 pour TGB LANDMAX 1000 CAB – retrouvez la liste complète des composants d'origine et identifiez rapidement la pièce compatible.</p> 15 - BLOCAGE DIFFERENTIEL... <p>Vue éclatée 15 pour TGB BLADE 550 FLX – retrouvez la liste complète des composants d'origine et identifiez rapidement la pièce compatible.</p> 15 - BLOCAGE DIFFERENTIEL... <p>Vue éclatée 15 pour TGB BLADE 600 FLX – retrouvez la liste complète des composants d'origine et identifiez rapidement la pièce compatible.</p> 15 - BLOCAGE DIFFERENTIEL... <p>Vue éclatée 15 pour TGB BLADE 600 LTX ABS – retrouvez la liste complète des composants d'origine et identifiez rapidement la pièce compatible.</p> 15 - ENSEMBLE ECHAPPEMENT <p>Vue éclatée 15 pour TGB LANDMAX 1000 – retrouvez la liste complète des composants d'origine et identifiez rapidement la pièce compatible.</p> 15 - ENSEMBLE ECHAPPEMENT <p>Vue éclatée 15 pour TGB LANDMAX 1000 CAB – retrouvez la liste complète des composants d'origine et identifiez rapidement la pièce compatible.</p> 16 - ENSEMBLE DIFFERENTIEL... <p>Vue éclatée 16 pour TGB BLADE 550 FLX – retrouvez la liste complète des composants d'origine et identifiez rapidement la pièce compatible.</p> 16 - ENSEMBLE DIFFERENTIEL... <p>Vue éclatée 16 pour TGB BLADE 600 FLX – retrouvez la liste complète des composants d'origine et identifiez rapidement la pièce compatible.</p> 16 - ENSEMBLE DIFFERENTIEL... <p>Vue éclatée 16 pour TGB BLADE 600 LTX ABS – retrouvez la liste complète des composants d'origine et identifiez rapidement la pièce compatible.</p> 16 - ENSEMBLE FILTRE A AIR <p>Vue éclatée 16 pour TGB LANDMAX 1000 – retrouvez la liste complète des composants d'origine et identifiez rapidement la pièce compatible.</p> 16 - ENSEMBLE FILTRE A AIR <p>Vue éclatée 16 pour TGB LANDMAX 1000 CAB – retrouvez la liste complète des composants d'origine et identifiez rapidement la pièce compatible.</p> 17 - BLOCAGE DIFFERENTIEL... <p>Vue éclatée 17 pour TGB LANDMAX 1000 – retrouvez la liste complète des composants d'origine et identifiez rapidement la pièce compatible.</p> 17 - BLOCAGE DIFFERENTIEL... <p>Vue éclatée 17 pour TGB LANDMAX 1000 CAB – retrouvez la liste complète des composants d'origine et identifiez rapidement la pièce compatible.</p> 17 - VARIATEUR <p>Vue éclatée 17 pour TGB BLADE 550 FLX – retrouvez la liste complète des composants d'origine et identifiez rapidement la pièce compatible.</p> 17 - VARIATEUR <p>Vue éclatée 17 pour TGB BLADE 600 FLX – retrouvez la liste complète des composants d'origine et identifiez rapidement la pièce compatible.</p> 17 - VARIATEUR <p>Vue éclatée 17 pour TGB BLADE 600 LTX ABS – retrouvez la liste complète des composants d'origine et identifiez rapidement la pièce compatible.</p> 18 - ENSEMBLE DIFFERENTIEL... <p>Vue éclatée 18 pour TGB LANDMAX 1000 – retrouvez la liste complète des composants d'origine et identifiez rapidement la pièce compatible.</p> 18 - ENSEMBLE DIFFERENTIEL... <p>Vue éclatée 18 pour TGB LANDMAX 1000 CAB – retrouvez la liste complète des composants d'origine et identifiez rapidement la pièce compatible.</p> 18 - ENSEMBLE ECHAPPEMENT <p>Vue éclatée 18 pour TGB BLADE 550 FLX – retrouvez la liste complète des composants d'origine et identifiez rapidement la pièce compatible.</p> 18 - ENSEMBLE ECHAPPEMENT <p>Vue éclatée 18 pour TGB BLADE 600 FLX – retrouvez la liste complète des composants d'origine et identifiez rapidement la pièce compatible.</p> 18 - ENSEMBLE ECHAPPEMENT <p>Vue éclatée 18 pour TGB BLADE 600 LTX ABS – retrouvez la liste complète des composants d'origine et identifiez rapidement la pièce compatible.</p> 19 - DIRECTION ASSISTEE <p>Vue éclatée 19 pour TGB LANDMAX 1000 – retrouvez la liste complète des composants d'origine et identifiez rapidement la pièce compatible.</p> 19 - DIRECTION ASSISTEE <p>Vue éclatée 19 pour TGB LANDMAX 1000 CAB – retrouvez la liste complète des composants d'origine et identifiez rapidement la pièce compatible.</p> 19 - ENSEMBLE FILTRE A AIR <p>Vue éclatée 19 pour TGB BLADE 550 FLX – retrouvez la liste complète des composants d'origine et identifiez rapidement la pièce compatible.</p> 19 - ENSEMBLE FILTRE A AIR <p>Vue éclatée 19 pour TGB BLADE 600 FLX – retrouvez la liste complète des composants d'origine et identifiez rapidement la pièce compatible.</p> 19 - ENSEMBLE FILTRE A AIR <p>Vue éclatée 19 pour TGB BLADE 600 LTX ABS – retrouvez la liste complète des composants d'origine et identifiez rapidement la pièce compatible.</p> 2 - SYSTEME ADMISSION <p>Vue éclatée 2 pour TGB BLADE 550 FLX – retrouvez la liste complète des composants d'origine et identifiez rapidement la pièce compatible.</p> 2 - SYSTEME ADMISSION <p>Vue éclatée 2 pour TGB BLADE 600 FLX – retrouvez la liste complète des composants d'origine et identifiez rapidement la pièce compatible.</p> 2 - SYSTEME ADMISSION <p>Vue éclatée 2 pour TGB BLADE 600 LTX ABS – retrouvez la liste complète des composants d'origine et identifiez rapidement la pièce compatible.</p> 2 - SYSTEME ADMISSION <p>Vue éclatée 2 pour TGB LANDMAX 1000 – retrouvez la liste complète des composants d'origine et identifiez rapidement la pièce compatible.</p> 2 - SYSTEME ADMISSION <p>Vue éclatée 2 pour TGB LANDMAX 1000 CAB – retrouvez la liste complète des composants d'origine et identifiez rapidement la pièce compatible.</p> 20 - ENSEMBLE REFROIDISSEMENT <p>Vue éclatée 20 pour TGB BLADE 550 FLX – retrouvez la liste complète des composants d'origine et identifiez rapidement la pièce compatible.</p> 20 - ENSEMBLE REFROIDISSEMENT <p>Vue éclatée 20 pour TGB BLADE 600 FLX – retrouvez la liste complète des composants d'origine et identifiez rapidement la pièce compatible.</p> 20 - ENSEMBLE REFROIDISSEMENT <p>Vue éclatée 20 pour TGB BLADE 600 LTX ABS – retrouvez la liste complète des composants d'origine et identifiez rapidement la pièce compatible.</p> 20 - ENSEMBLE REFROIDISSEMENT <p>Vue éclatée 20 pour TGB LANDMAX 1000 – retrouvez la liste complète des composants d'origine et identifiez rapidement la pièce compatible.</p> 20 - ENSEMBLE REFROIDISSEMENT <p>Vue éclatée 20 pour TGB LANDMAX 1000 CAB – retrouvez la liste complète des composants d'origine et identifiez rapidement la pièce compatible.</p> 21 - SYSTEME ELECTRIQUE 2 <p>Vue éclatée 21 pour TGB BLADE 550 FLX – retrouvez la liste complète des composants d'origine et identifiez rapidement la pièce compatible.</p> 21 - SYSTEME ELECTRIQUE 2 <p>Vue éclatée 21 pour TGB BLADE 600 FLX – retrouvez la liste complète des composants d'origine et identifiez rapidement la pièce compatible.</p> 21 - SYSTEME ELECTRIQUE 2 <p>Vue éclatée 21 pour TGB BLADE 600 LTX ABS – retrouvez la liste complète des composants d'origine et identifiez rapidement la pièce compatible.</p> 21 - SYSTEME ELECTRIQUE 2 <p>Vue éclatée 21 pour TGB LANDMAX 1000 – retrouvez la liste complète des composants d'origine et identifiez rapidement la pièce compatible.</p> 21 - SYSTEME ELECTRIQUE 2 <p>Vue éclatée 21 pour TGB LANDMAX 1000 CAB – retrouvez la liste complète des composants d'origine et identifiez rapidement la pièce compatible.</p> 22 - SYSTEME ELECTRIQUE 3 <p>Vue éclatée 22 pour TGB BLADE 550 FLX – retrouvez la liste complète des composants d'origine et identifiez rapidement la pièce compatible.</p> 22 - SYSTEME ELECTRIQUE 3 <p>Vue éclatée 22 pour TGB BLADE 600 FLX – retrouvez la liste complète des composants d'origine et identifiez rapidement la pièce compatible.</p> 22 - SYSTEME ELECTRIQUE 3 <p>Vue éclatée 22 pour TGB BLADE 600 LTX ABS – retrouvez la liste complète des composants d'origine et identifiez rapidement la pièce compatible.</p> 22 - SYSTEME ELECTRIQUE 3 <p>Vue éclatée 22 pour TGB LANDMAX 1000 – retrouvez la liste complète des composants d'origine et identifiez rapidement la pièce compatible.</p> 22 - SYSTEME ELECTRIQUE 3 <p>Vue éclatée 22 pour TGB LANDMAX 1000 CAB – retrouvez la liste complète des composants d'origine et identifiez rapidement la pièce compatible.</p> 23 - RELAIS SUPPORTS <p>Vue éclatée 23 pour TGB LANDMAX 1000 – retrouvez la liste complète des composants d'origine et identifiez rapidement la pièce compatible.</p> 23 - RELAIS SUPPORTS <p>Vue éclatée 23 pour TGB LANDMAX 1000 CAB – retrouvez la liste complète des composants d'origine et identifiez rapidement la pièce compatible.</p> 23 - SUPPORTS <p>Vue éclatée 23 pour TGB BLADE 550 FLX – retrouvez la liste complète des composants d'origine et identifiez rapidement la pièce compatible.</p> 23 - SUPPORTS <p>Vue éclatée 23 pour TGB BLADE 600 FLX – retrouvez la liste complète des composants d'origine et identifiez rapidement la pièce compatible.</p> 23 - SUPPORTS <p>Vue éclatée 23 pour TGB BLADE 600 LTX ABS – retrouvez la liste complète des composants d'origine et identifiez rapidement la pièce compatible.</p> 24 - CONTROLEUR... <p>Vue éclatée 24 pour TGB LANDMAX 1000 – retrouvez la liste complète des composants d'origine et identifiez rapidement la pièce compatible.</p> 24 - ECLAIRAGE INT MONITEUR... <p>Vue éclatée 24 pour TGB LANDMAX 1000 CAB – retrouvez la liste complète des composants d'origine et identifiez rapidement la pièce compatible.</p> 24 - SUPPORTS MOTEUR <p>Vue éclatée 24 pour TGB BLADE 550 FLX – retrouvez la liste complète des composants d'origine et identifiez rapidement la pièce compatible.</p> 24 - SUPPORTS MOTEUR <p>Vue éclatée 24 pour TGB BLADE 600 FLX – retrouvez la liste complète des composants d'origine et identifiez rapidement la pièce compatible.</p> 24 - SUPPORTS MOTEUR <p>Vue éclatée 24 pour TGB BLADE 600 LTX ABS – retrouvez la liste complète des composants d'origine et identifiez rapidement la pièce compatible.</p> 25 - COMPTEUR <p>Vue éclatée 25 pour TGB LANDMAX 1000 – retrouvez la liste complète des composants d'origine et identifiez rapidement la pièce compatible.</p> 25 - CONTROLEUR... <p>Vue éclatée 25 pour TGB LANDMAX 1000 CAB – retrouvez la liste complète des composants d'origine et identifiez rapidement la pièce compatible.</p> 25 - MOTEUR DE DIFFERENTIEL <p>Vue éclatée 25 pour TGB BLADE 550 FLX – retrouvez la liste complète des composants d'origine et identifiez rapidement la pièce compatible.</p> 25 - MOTEUR DE DIFFERENTIEL <p>Vue éclatée 25 pour TGB BLADE 600 FLX – retrouvez la liste complète des composants d'origine et identifiez rapidement la pièce compatible.</p> 25 - MOTEUR DE DIFFERENTIEL <p>Vue éclatée 25 pour TGB BLADE 600 LTX ABS – retrouvez la liste complète des composants d'origine et identifiez rapidement la pièce compatible.</p> 26 - COMPTEUR <p>Vue éclatée 26 pour TGB LANDMAX 1000 CAB – retrouvez la liste complète des composants d'origine et identifiez rapidement la pièce compatible.</p> 26 - DIRECTION ASSISTEE... <p>Vue éclatée 26 pour TGB BLADE 550 FLX – retrouvez la liste complète des composants d'origine et identifiez rapidement la pièce compatible.</p> 26 - DIRECTION ASSISTEE... <p>Vue éclatée 26 pour TGB BLADE 600 LTX ABS – retrouvez la liste complète des composants d'origine et identifiez rapidement la pièce compatible.</p> 26 - ECLAIRAGE AVANT <p>Vue éclatée 26 pour TGB LANDMAX 1000 – retrouvez la liste complète des composants d'origine et identifiez rapidement la pièce compatible.</p> 26 - SUPPORTS DIFFERENTIEL... <p>Vue éclatée 26 pour TGB BLADE 600 FLX – retrouvez la liste complète des composants d'origine et identifiez rapidement la pièce compatible.</p> 27 - COMPTEUR <p>Vue éclatée 27 pour TGB BLADE 550 FLX – retrouvez la liste complète des composants d'origine et identifiez rapidement la pièce compatible.</p> 27 - COMPTEUR <p>Vue éclatée 27 pour TGB BLADE 600 LTX ABS – retrouvez la liste complète des composants d'origine et identifiez rapidement la pièce compatible.</p> 27 - DIRECTION ASSISTEE... <p>Vue éclatée 27 pour TGB BLADE 600 FLX – retrouvez la liste complète des composants d'origine et identifiez rapidement la pièce compatible.</p> 27 - ECLAIRAGE ARRIERE <p>Vue éclatée 27 pour TGB LANDMAX 1000 – retrouvez la liste complète des composants d'origine et identifiez rapidement la pièce compatible.</p> 27 - ECLAIRAGE AVANT <p>Vue éclatée 27 pour TGB LANDMAX 1000 CAB – retrouvez la liste complète des composants d'origine et identifiez rapidement la pièce compatible.</p> Affichage 1-100 de 539 article(s) 1 2 3 … 6 Suivant Retour en haut
14 - VARIATEUR <p>Vue éclatée 14 pour TGB LANDMAX 1000 – retrouvez la liste complète des composants d'origine et identifiez rapidement la pièce compatible.</p> 14 - VARIATEUR <p>Vue éclatée 14 pour TGB LANDMAX 1000 CAB – retrouvez la liste complète des composants d'origine et identifiez rapidement la pièce compatible.</p> 15 - BLOCAGE DIFFERENTIEL... <p>Vue éclatée 15 pour TGB BLADE 550 FLX – retrouvez la liste complète des composants d'origine et identifiez rapidement la pièce compatible.</p> 15 - BLOCAGE DIFFERENTIEL... <p>Vue éclatée 15 pour TGB BLADE 600 FLX – retrouvez la liste complète des composants d'origine et identifiez rapidement la pièce compatible.</p> 15 - BLOCAGE DIFFERENTIEL... <p>Vue éclatée 15 pour TGB BLADE 600 LTX ABS – retrouvez la liste complète des composants d'origine et identifiez rapidement la pièce compatible.</p> 15 - ENSEMBLE ECHAPPEMENT <p>Vue éclatée 15 pour TGB LANDMAX 1000 – retrouvez la liste complète des composants d'origine et identifiez rapidement la pièce compatible.</p> 15 - ENSEMBLE ECHAPPEMENT <p>Vue éclatée 15 pour TGB LANDMAX 1000 CAB – retrouvez la liste complète des composants d'origine et identifiez rapidement la pièce compatible.</p> 16 - ENSEMBLE DIFFERENTIEL... <p>Vue éclatée 16 pour TGB BLADE 550 FLX – retrouvez la liste complète des composants d'origine et identifiez rapidement la pièce compatible.</p> 16 - ENSEMBLE DIFFERENTIEL... <p>Vue éclatée 16 pour TGB BLADE 600 FLX – retrouvez la liste complète des composants d'origine et identifiez rapidement la pièce compatible.</p> 16 - ENSEMBLE DIFFERENTIEL... <p>Vue éclatée 16 pour TGB BLADE 600 LTX ABS – retrouvez la liste complète des composants d'origine et identifiez rapidement la pièce compatible.</p> 16 - ENSEMBLE FILTRE A AIR <p>Vue éclatée 16 pour TGB LANDMAX 1000 – retrouvez la liste complète des composants d'origine et identifiez rapidement la pièce compatible.</p> 16 - ENSEMBLE FILTRE A AIR <p>Vue éclatée 16 pour TGB LANDMAX 1000 CAB – retrouvez la liste complète des composants d'origine et identifiez rapidement la pièce compatible.</p> 17 - BLOCAGE DIFFERENTIEL... <p>Vue éclatée 17 pour TGB LANDMAX 1000 – retrouvez la liste complète des composants d'origine et identifiez rapidement la pièce compatible.</p> 17 - BLOCAGE DIFFERENTIEL... <p>Vue éclatée 17 pour TGB LANDMAX 1000 CAB – retrouvez la liste complète des composants d'origine et identifiez rapidement la pièce compatible.</p> 17 - VARIATEUR <p>Vue éclatée 17 pour TGB BLADE 550 FLX – retrouvez la liste complète des composants d'origine et identifiez rapidement la pièce compatible.</p> 17 - VARIATEUR <p>Vue éclatée 17 pour TGB BLADE 600 FLX – retrouvez la liste complète des composants d'origine et identifiez rapidement la pièce compatible.</p> 17 - VARIATEUR <p>Vue éclatée 17 pour TGB BLADE 600 LTX ABS – retrouvez la liste complète des composants d'origine et identifiez rapidement la pièce compatible.</p> 18 - ENSEMBLE DIFFERENTIEL... <p>Vue éclatée 18 pour TGB LANDMAX 1000 – retrouvez la liste complète des composants d'origine et identifiez rapidement la pièce compatible.</p> 18 - ENSEMBLE DIFFERENTIEL... <p>Vue éclatée 18 pour TGB LANDMAX 1000 CAB – retrouvez la liste complète des composants d'origine et identifiez rapidement la pièce compatible.</p> 18 - ENSEMBLE ECHAPPEMENT <p>Vue éclatée 18 pour TGB BLADE 550 FLX – retrouvez la liste complète des composants d'origine et identifiez rapidement la pièce compatible.</p> 18 - ENSEMBLE ECHAPPEMENT <p>Vue éclatée 18 pour TGB BLADE 600 FLX – retrouvez la liste complète des composants d'origine et identifiez rapidement la pièce compatible.</p> 18 - ENSEMBLE ECHAPPEMENT <p>Vue éclatée 18 pour TGB BLADE 600 LTX ABS – retrouvez la liste complète des composants d'origine et identifiez rapidement la pièce compatible.</p> 19 - DIRECTION ASSISTEE <p>Vue éclatée 19 pour TGB LANDMAX 1000 – retrouvez la liste complète des composants d'origine et identifiez rapidement la pièce compatible.</p> 19 - DIRECTION ASSISTEE <p>Vue éclatée 19 pour TGB LANDMAX 1000 CAB – retrouvez la liste complète des composants d'origine et identifiez rapidement la pièce compatible.</p> 19 - ENSEMBLE FILTRE A AIR <p>Vue éclatée 19 pour TGB BLADE 550 FLX – retrouvez la liste complète des composants d'origine et identifiez rapidement la pièce compatible.</p> 19 - ENSEMBLE FILTRE A AIR <p>Vue éclatée 19 pour TGB BLADE 600 FLX – retrouvez la liste complète des composants d'origine et identifiez rapidement la pièce compatible.</p> 19 - ENSEMBLE FILTRE A AIR <p>Vue éclatée 19 pour TGB BLADE 600 LTX ABS – retrouvez la liste complète des composants d'origine et identifiez rapidement la pièce compatible.</p> 2 - SYSTEME ADMISSION <p>Vue éclatée 2 pour TGB BLADE 550 FLX – retrouvez la liste complète des composants d'origine et identifiez rapidement la pièce compatible.</p> 2 - SYSTEME ADMISSION <p>Vue éclatée 2 pour TGB BLADE 600 FLX – retrouvez la liste complète des composants d'origine et identifiez rapidement la pièce compatible.</p> 2 - SYSTEME ADMISSION <p>Vue éclatée 2 pour TGB BLADE 600 LTX ABS – retrouvez la liste complète des composants d'origine et identifiez rapidement la pièce compatible.</p> 2 - SYSTEME ADMISSION <p>Vue éclatée 2 pour TGB LANDMAX 1000 – retrouvez la liste complète des composants d'origine et identifiez rapidement la pièce compatible.</p> 2 - SYSTEME ADMISSION <p>Vue éclatée 2 pour TGB LANDMAX 1000 CAB – retrouvez la liste complète des composants d'origine et identifiez rapidement la pièce compatible.</p> 20 - ENSEMBLE REFROIDISSEMENT <p>Vue éclatée 20 pour TGB BLADE 550 FLX – retrouvez la liste complète des composants d'origine et identifiez rapidement la pièce compatible.</p> 20 - ENSEMBLE REFROIDISSEMENT <p>Vue éclatée 20 pour TGB BLADE 600 FLX – retrouvez la liste complète des composants d'origine et identifiez rapidement la pièce compatible.</p> 20 - ENSEMBLE REFROIDISSEMENT <p>Vue éclatée 20 pour TGB BLADE 600 LTX ABS – retrouvez la liste complète des composants d'origine et identifiez rapidement la pièce compatible.</p> 20 - ENSEMBLE REFROIDISSEMENT <p>Vue éclatée 20 pour TGB LANDMAX 1000 – retrouvez la liste complète des composants d'origine et identifiez rapidement la pièce compatible.</p> 20 - ENSEMBLE REFROIDISSEMENT <p>Vue éclatée 20 pour TGB LANDMAX 1000 CAB – retrouvez la liste complète des composants d'origine et identifiez rapidement la pièce compatible.</p> 21 - SYSTEME ELECTRIQUE 2 <p>Vue éclatée 21 pour TGB BLADE 550 FLX – retrouvez la liste complète des composants d'origine et identifiez rapidement la pièce compatible.</p> 21 - SYSTEME ELECTRIQUE 2 <p>Vue éclatée 21 pour TGB BLADE 600 FLX – retrouvez la liste complète des composants d'origine et identifiez rapidement la pièce compatible.</p> 21 - SYSTEME ELECTRIQUE 2 <p>Vue éclatée 21 pour TGB BLADE 600 LTX ABS – retrouvez la liste complète des composants d'origine et identifiez rapidement la pièce compatible.</p> 21 - SYSTEME ELECTRIQUE 2 <p>Vue éclatée 21 pour TGB LANDMAX 1000 – retrouvez la liste complète des composants d'origine et identifiez rapidement la pièce compatible.</p> 21 - SYSTEME ELECTRIQUE 2 <p>Vue éclatée 21 pour TGB LANDMAX 1000 CAB – retrouvez la liste complète des composants d'origine et identifiez rapidement la pièce compatible.</p> 22 - SYSTEME ELECTRIQUE 3 <p>Vue éclatée 22 pour TGB BLADE 550 FLX – retrouvez la liste complète des composants d'origine et identifiez rapidement la pièce compatible.</p> 22 - SYSTEME ELECTRIQUE 3 <p>Vue éclatée 22 pour TGB BLADE 600 FLX – retrouvez la liste complète des composants d'origine et identifiez rapidement la pièce compatible.</p> 22 - SYSTEME ELECTRIQUE 3 <p>Vue éclatée 22 pour TGB BLADE 600 LTX ABS – retrouvez la liste complète des composants d'origine et identifiez rapidement la pièce compatible.</p> 22 - SYSTEME ELECTRIQUE 3 <p>Vue éclatée 22 pour TGB LANDMAX 1000 – retrouvez la liste complète des composants d'origine et identifiez rapidement la pièce compatible.</p> 22 - SYSTEME ELECTRIQUE 3 <p>Vue éclatée 22 pour TGB LANDMAX 1000 CAB – retrouvez la liste complète des composants d'origine et identifiez rapidement la pièce compatible.</p> 23 - RELAIS SUPPORTS <p>Vue éclatée 23 pour TGB LANDMAX 1000 – retrouvez la liste complète des composants d'origine et identifiez rapidement la pièce compatible.</p> 23 - RELAIS SUPPORTS <p>Vue éclatée 23 pour TGB LANDMAX 1000 CAB – retrouvez la liste complète des composants d'origine et identifiez rapidement la pièce compatible.</p> 23 - SUPPORTS <p>Vue éclatée 23 pour TGB BLADE 550 FLX – retrouvez la liste complète des composants d'origine et identifiez rapidement la pièce compatible.</p> 23 - SUPPORTS <p>Vue éclatée 23 pour TGB BLADE 600 FLX – retrouvez la liste complète des composants d'origine et identifiez rapidement la pièce compatible.</p> 23 - SUPPORTS <p>Vue éclatée 23 pour TGB BLADE 600 LTX ABS – retrouvez la liste complète des composants d'origine et identifiez rapidement la pièce compatible.</p> 24 - CONTROLEUR... <p>Vue éclatée 24 pour TGB LANDMAX 1000 – retrouvez la liste complète des composants d'origine et identifiez rapidement la pièce compatible.</p> 24 - ECLAIRAGE INT MONITEUR... <p>Vue éclatée 24 pour TGB LANDMAX 1000 CAB – retrouvez la liste complète des composants d'origine et identifiez rapidement la pièce compatible.</p> 24 - SUPPORTS MOTEUR <p>Vue éclatée 24 pour TGB BLADE 550 FLX – retrouvez la liste complète des composants d'origine et identifiez rapidement la pièce compatible.</p> 24 - SUPPORTS MOTEUR <p>Vue éclatée 24 pour TGB BLADE 600 FLX – retrouvez la liste complète des composants d'origine et identifiez rapidement la pièce compatible.</p> 24 - SUPPORTS MOTEUR <p>Vue éclatée 24 pour TGB BLADE 600 LTX ABS – retrouvez la liste complète des composants d'origine et identifiez rapidement la pièce compatible.</p> 25 - COMPTEUR <p>Vue éclatée 25 pour TGB LANDMAX 1000 – retrouvez la liste complète des composants d'origine et identifiez rapidement la pièce compatible.</p> 25 - CONTROLEUR... <p>Vue éclatée 25 pour TGB LANDMAX 1000 CAB – retrouvez la liste complète des composants d'origine et identifiez rapidement la pièce compatible.</p> 25 - MOTEUR DE DIFFERENTIEL <p>Vue éclatée 25 pour TGB BLADE 550 FLX – retrouvez la liste complète des composants d'origine et identifiez rapidement la pièce compatible.</p> 25 - MOTEUR DE DIFFERENTIEL <p>Vue éclatée 25 pour TGB BLADE 600 FLX – retrouvez la liste complète des composants d'origine et identifiez rapidement la pièce compatible.</p> 25 - MOTEUR DE DIFFERENTIEL <p>Vue éclatée 25 pour TGB BLADE 600 LTX ABS – retrouvez la liste complète des composants d'origine et identifiez rapidement la pièce compatible.</p> 26 - COMPTEUR <p>Vue éclatée 26 pour TGB LANDMAX 1000 CAB – retrouvez la liste complète des composants d'origine et identifiez rapidement la pièce compatible.</p> 26 - DIRECTION ASSISTEE... <p>Vue éclatée 26 pour TGB BLADE 550 FLX – retrouvez la liste complète des composants d'origine et identifiez rapidement la pièce compatible.</p> 26 - DIRECTION ASSISTEE... <p>Vue éclatée 26 pour TGB BLADE 600 LTX ABS – retrouvez la liste complète des composants d'origine et identifiez rapidement la pièce compatible.</p> 26 - ECLAIRAGE AVANT <p>Vue éclatée 26 pour TGB LANDMAX 1000 – retrouvez la liste complète des composants d'origine et identifiez rapidement la pièce compatible.</p> 26 - SUPPORTS DIFFERENTIEL... <p>Vue éclatée 26 pour TGB BLADE 600 FLX – retrouvez la liste complète des composants d'origine et identifiez rapidement la pièce compatible.</p> 27 - COMPTEUR <p>Vue éclatée 27 pour TGB BLADE 550 FLX – retrouvez la liste complète des composants d'origine et identifiez rapidement la pièce compatible.</p> 27 - COMPTEUR <p>Vue éclatée 27 pour TGB BLADE 600 LTX ABS – retrouvez la liste complète des composants d'origine et identifiez rapidement la pièce compatible.</p> 27 - DIRECTION ASSISTEE... <p>Vue éclatée 27 pour TGB BLADE 600 FLX – retrouvez la liste complète des composants d'origine et identifiez rapidement la pièce compatible.</p> 27 - ECLAIRAGE ARRIERE <p>Vue éclatée 27 pour TGB LANDMAX 1000 – retrouvez la liste complète des composants d'origine et identifiez rapidement la pièce compatible.</p> 27 - ECLAIRAGE AVANT <p>Vue éclatée 27 pour TGB LANDMAX 1000 CAB – retrouvez la liste complète des composants d'origine et identifiez rapidement la pièce compatible.</p> Affichage 1-100 de 539 article(s) 1 2 3 … 6 Suivant Retour en haut
14 - VARIATEUR <p>Vue éclatée 14 pour TGB LANDMAX 1000 CAB – retrouvez la liste complète des composants d'origine et identifiez rapidement la pièce compatible.</p> 15 - BLOCAGE DIFFERENTIEL... <p>Vue éclatée 15 pour TGB BLADE 550 FLX – retrouvez la liste complète des composants d'origine et identifiez rapidement la pièce compatible.</p> 15 - BLOCAGE DIFFERENTIEL... <p>Vue éclatée 15 pour TGB BLADE 600 FLX – retrouvez la liste complète des composants d'origine et identifiez rapidement la pièce compatible.</p> 15 - BLOCAGE DIFFERENTIEL... <p>Vue éclatée 15 pour TGB BLADE 600 LTX ABS – retrouvez la liste complète des composants d'origine et identifiez rapidement la pièce compatible.</p> 15 - ENSEMBLE ECHAPPEMENT <p>Vue éclatée 15 pour TGB LANDMAX 1000 – retrouvez la liste complète des composants d'origine et identifiez rapidement la pièce compatible.</p> 15 - ENSEMBLE ECHAPPEMENT <p>Vue éclatée 15 pour TGB LANDMAX 1000 CAB – retrouvez la liste complète des composants d'origine et identifiez rapidement la pièce compatible.</p> 16 - ENSEMBLE DIFFERENTIEL... <p>Vue éclatée 16 pour TGB BLADE 550 FLX – retrouvez la liste complète des composants d'origine et identifiez rapidement la pièce compatible.</p> 16 - ENSEMBLE DIFFERENTIEL... <p>Vue éclatée 16 pour TGB BLADE 600 FLX – retrouvez la liste complète des composants d'origine et identifiez rapidement la pièce compatible.</p> 16 - ENSEMBLE DIFFERENTIEL... <p>Vue éclatée 16 pour TGB BLADE 600 LTX ABS – retrouvez la liste complète des composants d'origine et identifiez rapidement la pièce compatible.</p> 16 - ENSEMBLE FILTRE A AIR <p>Vue éclatée 16 pour TGB LANDMAX 1000 – retrouvez la liste complète des composants d'origine et identifiez rapidement la pièce compatible.</p> 16 - ENSEMBLE FILTRE A AIR <p>Vue éclatée 16 pour TGB LANDMAX 1000 CAB – retrouvez la liste complète des composants d'origine et identifiez rapidement la pièce compatible.</p> 17 - BLOCAGE DIFFERENTIEL... <p>Vue éclatée 17 pour TGB LANDMAX 1000 – retrouvez la liste complète des composants d'origine et identifiez rapidement la pièce compatible.</p> 17 - BLOCAGE DIFFERENTIEL... <p>Vue éclatée 17 pour TGB LANDMAX 1000 CAB – retrouvez la liste complète des composants d'origine et identifiez rapidement la pièce compatible.</p> 17 - VARIATEUR <p>Vue éclatée 17 pour TGB BLADE 550 FLX – retrouvez la liste complète des composants d'origine et identifiez rapidement la pièce compatible.</p> 17 - VARIATEUR <p>Vue éclatée 17 pour TGB BLADE 600 FLX – retrouvez la liste complète des composants d'origine et identifiez rapidement la pièce compatible.</p> 17 - VARIATEUR <p>Vue éclatée 17 pour TGB BLADE 600 LTX ABS – retrouvez la liste complète des composants d'origine et identifiez rapidement la pièce compatible.</p> 18 - ENSEMBLE DIFFERENTIEL... <p>Vue éclatée 18 pour TGB LANDMAX 1000 – retrouvez la liste complète des composants d'origine et identifiez rapidement la pièce compatible.</p> 18 - ENSEMBLE DIFFERENTIEL... <p>Vue éclatée 18 pour TGB LANDMAX 1000 CAB – retrouvez la liste complète des composants d'origine et identifiez rapidement la pièce compatible.</p> 18 - ENSEMBLE ECHAPPEMENT <p>Vue éclatée 18 pour TGB BLADE 550 FLX – retrouvez la liste complète des composants d'origine et identifiez rapidement la pièce compatible.</p> 18 - ENSEMBLE ECHAPPEMENT <p>Vue éclatée 18 pour TGB BLADE 600 FLX – retrouvez la liste complète des composants d'origine et identifiez rapidement la pièce compatible.</p> 18 - ENSEMBLE ECHAPPEMENT <p>Vue éclatée 18 pour TGB BLADE 600 LTX ABS – retrouvez la liste complète des composants d'origine et identifiez rapidement la pièce compatible.</p> 19 - DIRECTION ASSISTEE <p>Vue éclatée 19 pour TGB LANDMAX 1000 – retrouvez la liste complète des composants d'origine et identifiez rapidement la pièce compatible.</p> 19 - DIRECTION ASSISTEE <p>Vue éclatée 19 pour TGB LANDMAX 1000 CAB – retrouvez la liste complète des composants d'origine et identifiez rapidement la pièce compatible.</p> 19 - ENSEMBLE FILTRE A AIR <p>Vue éclatée 19 pour TGB BLADE 550 FLX – retrouvez la liste complète des composants d'origine et identifiez rapidement la pièce compatible.</p> 19 - ENSEMBLE FILTRE A AIR <p>Vue éclatée 19 pour TGB BLADE 600 FLX – retrouvez la liste complète des composants d'origine et identifiez rapidement la pièce compatible.</p> 19 - ENSEMBLE FILTRE A AIR <p>Vue éclatée 19 pour TGB BLADE 600 LTX ABS – retrouvez la liste complète des composants d'origine et identifiez rapidement la pièce compatible.</p> 2 - SYSTEME ADMISSION <p>Vue éclatée 2 pour TGB BLADE 550 FLX – retrouvez la liste complète des composants d'origine et identifiez rapidement la pièce compatible.</p> 2 - SYSTEME ADMISSION <p>Vue éclatée 2 pour TGB BLADE 600 FLX – retrouvez la liste complète des composants d'origine et identifiez rapidement la pièce compatible.</p> 2 - SYSTEME ADMISSION <p>Vue éclatée 2 pour TGB BLADE 600 LTX ABS – retrouvez la liste complète des composants d'origine et identifiez rapidement la pièce compatible.</p> 2 - SYSTEME ADMISSION <p>Vue éclatée 2 pour TGB LANDMAX 1000 – retrouvez la liste complète des composants d'origine et identifiez rapidement la pièce compatible.</p> 2 - SYSTEME ADMISSION <p>Vue éclatée 2 pour TGB LANDMAX 1000 CAB – retrouvez la liste complète des composants d'origine et identifiez rapidement la pièce compatible.</p> 20 - ENSEMBLE REFROIDISSEMENT <p>Vue éclatée 20 pour TGB BLADE 550 FLX – retrouvez la liste complète des composants d'origine et identifiez rapidement la pièce compatible.</p> 20 - ENSEMBLE REFROIDISSEMENT <p>Vue éclatée 20 pour TGB BLADE 600 FLX – retrouvez la liste complète des composants d'origine et identifiez rapidement la pièce compatible.</p> 20 - ENSEMBLE REFROIDISSEMENT <p>Vue éclatée 20 pour TGB BLADE 600 LTX ABS – retrouvez la liste complète des composants d'origine et identifiez rapidement la pièce compatible.</p> 20 - ENSEMBLE REFROIDISSEMENT <p>Vue éclatée 20 pour TGB LANDMAX 1000 – retrouvez la liste complète des composants d'origine et identifiez rapidement la pièce compatible.</p> 20 - ENSEMBLE REFROIDISSEMENT <p>Vue éclatée 20 pour TGB LANDMAX 1000 CAB – retrouvez la liste complète des composants d'origine et identifiez rapidement la pièce compatible.</p> 21 - SYSTEME ELECTRIQUE 2 <p>Vue éclatée 21 pour TGB BLADE 550 FLX – retrouvez la liste complète des composants d'origine et identifiez rapidement la pièce compatible.</p> 21 - SYSTEME ELECTRIQUE 2 <p>Vue éclatée 21 pour TGB BLADE 600 FLX – retrouvez la liste complète des composants d'origine et identifiez rapidement la pièce compatible.</p> 21 - SYSTEME ELECTRIQUE 2 <p>Vue éclatée 21 pour TGB BLADE 600 LTX ABS – retrouvez la liste complète des composants d'origine et identifiez rapidement la pièce compatible.</p> 21 - SYSTEME ELECTRIQUE 2 <p>Vue éclatée 21 pour TGB LANDMAX 1000 – retrouvez la liste complète des composants d'origine et identifiez rapidement la pièce compatible.</p> 21 - SYSTEME ELECTRIQUE 2 <p>Vue éclatée 21 pour TGB LANDMAX 1000 CAB – retrouvez la liste complète des composants d'origine et identifiez rapidement la pièce compatible.</p> 22 - SYSTEME ELECTRIQUE 3 <p>Vue éclatée 22 pour TGB BLADE 550 FLX – retrouvez la liste complète des composants d'origine et identifiez rapidement la pièce compatible.</p> 22 - SYSTEME ELECTRIQUE 3 <p>Vue éclatée 22 pour TGB BLADE 600 FLX – retrouvez la liste complète des composants d'origine et identifiez rapidement la pièce compatible.</p> 22 - SYSTEME ELECTRIQUE 3 <p>Vue éclatée 22 pour TGB BLADE 600 LTX ABS – retrouvez la liste complète des composants d'origine et identifiez rapidement la pièce compatible.</p> 22 - SYSTEME ELECTRIQUE 3 <p>Vue éclatée 22 pour TGB LANDMAX 1000 – retrouvez la liste complète des composants d'origine et identifiez rapidement la pièce compatible.</p> 22 - SYSTEME ELECTRIQUE 3 <p>Vue éclatée 22 pour TGB LANDMAX 1000 CAB – retrouvez la liste complète des composants d'origine et identifiez rapidement la pièce compatible.</p> 23 - RELAIS SUPPORTS <p>Vue éclatée 23 pour TGB LANDMAX 1000 – retrouvez la liste complète des composants d'origine et identifiez rapidement la pièce compatible.</p> 23 - RELAIS SUPPORTS <p>Vue éclatée 23 pour TGB LANDMAX 1000 CAB – retrouvez la liste complète des composants d'origine et identifiez rapidement la pièce compatible.</p> 23 - SUPPORTS <p>Vue éclatée 23 pour TGB BLADE 550 FLX – retrouvez la liste complète des composants d'origine et identifiez rapidement la pièce compatible.</p> 23 - SUPPORTS <p>Vue éclatée 23 pour TGB BLADE 600 FLX – retrouvez la liste complète des composants d'origine et identifiez rapidement la pièce compatible.</p> 23 - SUPPORTS <p>Vue éclatée 23 pour TGB BLADE 600 LTX ABS – retrouvez la liste complète des composants d'origine et identifiez rapidement la pièce compatible.</p> 24 - CONTROLEUR... <p>Vue éclatée 24 pour TGB LANDMAX 1000 – retrouvez la liste complète des composants d'origine et identifiez rapidement la pièce compatible.</p> 24 - ECLAIRAGE INT MONITEUR... <p>Vue éclatée 24 pour TGB LANDMAX 1000 CAB – retrouvez la liste complète des composants d'origine et identifiez rapidement la pièce compatible.</p> 24 - SUPPORTS MOTEUR <p>Vue éclatée 24 pour TGB BLADE 550 FLX – retrouvez la liste complète des composants d'origine et identifiez rapidement la pièce compatible.</p> 24 - SUPPORTS MOTEUR <p>Vue éclatée 24 pour TGB BLADE 600 FLX – retrouvez la liste complète des composants d'origine et identifiez rapidement la pièce compatible.</p> 24 - SUPPORTS MOTEUR <p>Vue éclatée 24 pour TGB BLADE 600 LTX ABS – retrouvez la liste complète des composants d'origine et identifiez rapidement la pièce compatible.</p> 25 - COMPTEUR <p>Vue éclatée 25 pour TGB LANDMAX 1000 – retrouvez la liste complète des composants d'origine et identifiez rapidement la pièce compatible.</p> 25 - CONTROLEUR... <p>Vue éclatée 25 pour TGB LANDMAX 1000 CAB – retrouvez la liste complète des composants d'origine et identifiez rapidement la pièce compatible.</p> 25 - MOTEUR DE DIFFERENTIEL <p>Vue éclatée 25 pour TGB BLADE 550 FLX – retrouvez la liste complète des composants d'origine et identifiez rapidement la pièce compatible.</p> 25 - MOTEUR DE DIFFERENTIEL <p>Vue éclatée 25 pour TGB BLADE 600 FLX – retrouvez la liste complète des composants d'origine et identifiez rapidement la pièce compatible.</p> 25 - MOTEUR DE DIFFERENTIEL <p>Vue éclatée 25 pour TGB BLADE 600 LTX ABS – retrouvez la liste complète des composants d'origine et identifiez rapidement la pièce compatible.</p> 26 - COMPTEUR <p>Vue éclatée 26 pour TGB LANDMAX 1000 CAB – retrouvez la liste complète des composants d'origine et identifiez rapidement la pièce compatible.</p> 26 - DIRECTION ASSISTEE... <p>Vue éclatée 26 pour TGB BLADE 550 FLX – retrouvez la liste complète des composants d'origine et identifiez rapidement la pièce compatible.</p> 26 - DIRECTION ASSISTEE... <p>Vue éclatée 26 pour TGB BLADE 600 LTX ABS – retrouvez la liste complète des composants d'origine et identifiez rapidement la pièce compatible.</p> 26 - ECLAIRAGE AVANT <p>Vue éclatée 26 pour TGB LANDMAX 1000 – retrouvez la liste complète des composants d'origine et identifiez rapidement la pièce compatible.</p> 26 - SUPPORTS DIFFERENTIEL... <p>Vue éclatée 26 pour TGB BLADE 600 FLX – retrouvez la liste complète des composants d'origine et identifiez rapidement la pièce compatible.</p> 27 - COMPTEUR <p>Vue éclatée 27 pour TGB BLADE 550 FLX – retrouvez la liste complète des composants d'origine et identifiez rapidement la pièce compatible.</p> 27 - COMPTEUR <p>Vue éclatée 27 pour TGB BLADE 600 LTX ABS – retrouvez la liste complète des composants d'origine et identifiez rapidement la pièce compatible.</p> 27 - DIRECTION ASSISTEE... <p>Vue éclatée 27 pour TGB BLADE 600 FLX – retrouvez la liste complète des composants d'origine et identifiez rapidement la pièce compatible.</p> 27 - ECLAIRAGE ARRIERE <p>Vue éclatée 27 pour TGB LANDMAX 1000 – retrouvez la liste complète des composants d'origine et identifiez rapidement la pièce compatible.</p> 27 - ECLAIRAGE AVANT <p>Vue éclatée 27 pour TGB LANDMAX 1000 CAB – retrouvez la liste complète des composants d'origine et identifiez rapidement la pièce compatible.</p> Affichage 1-100 de 539 article(s) 1 2 3 … 6 Suivant Retour en haut
15 - BLOCAGE DIFFERENTIEL... <p>Vue éclatée 15 pour TGB BLADE 550 FLX – retrouvez la liste complète des composants d'origine et identifiez rapidement la pièce compatible.</p> 15 - BLOCAGE DIFFERENTIEL... <p>Vue éclatée 15 pour TGB BLADE 600 FLX – retrouvez la liste complète des composants d'origine et identifiez rapidement la pièce compatible.</p> 15 - BLOCAGE DIFFERENTIEL... <p>Vue éclatée 15 pour TGB BLADE 600 LTX ABS – retrouvez la liste complète des composants d'origine et identifiez rapidement la pièce compatible.</p> 15 - ENSEMBLE ECHAPPEMENT <p>Vue éclatée 15 pour TGB LANDMAX 1000 – retrouvez la liste complète des composants d'origine et identifiez rapidement la pièce compatible.</p> 15 - ENSEMBLE ECHAPPEMENT <p>Vue éclatée 15 pour TGB LANDMAX 1000 CAB – retrouvez la liste complète des composants d'origine et identifiez rapidement la pièce compatible.</p> 16 - ENSEMBLE DIFFERENTIEL... <p>Vue éclatée 16 pour TGB BLADE 550 FLX – retrouvez la liste complète des composants d'origine et identifiez rapidement la pièce compatible.</p> 16 - ENSEMBLE DIFFERENTIEL... <p>Vue éclatée 16 pour TGB BLADE 600 FLX – retrouvez la liste complète des composants d'origine et identifiez rapidement la pièce compatible.</p> 16 - ENSEMBLE DIFFERENTIEL... <p>Vue éclatée 16 pour TGB BLADE 600 LTX ABS – retrouvez la liste complète des composants d'origine et identifiez rapidement la pièce compatible.</p> 16 - ENSEMBLE FILTRE A AIR <p>Vue éclatée 16 pour TGB LANDMAX 1000 – retrouvez la liste complète des composants d'origine et identifiez rapidement la pièce compatible.</p> 16 - ENSEMBLE FILTRE A AIR <p>Vue éclatée 16 pour TGB LANDMAX 1000 CAB – retrouvez la liste complète des composants d'origine et identifiez rapidement la pièce compatible.</p> 17 - BLOCAGE DIFFERENTIEL... <p>Vue éclatée 17 pour TGB LANDMAX 1000 – retrouvez la liste complète des composants d'origine et identifiez rapidement la pièce compatible.</p> 17 - BLOCAGE DIFFERENTIEL... <p>Vue éclatée 17 pour TGB LANDMAX 1000 CAB – retrouvez la liste complète des composants d'origine et identifiez rapidement la pièce compatible.</p> 17 - VARIATEUR <p>Vue éclatée 17 pour TGB BLADE 550 FLX – retrouvez la liste complète des composants d'origine et identifiez rapidement la pièce compatible.</p> 17 - VARIATEUR <p>Vue éclatée 17 pour TGB BLADE 600 FLX – retrouvez la liste complète des composants d'origine et identifiez rapidement la pièce compatible.</p> 17 - VARIATEUR <p>Vue éclatée 17 pour TGB BLADE 600 LTX ABS – retrouvez la liste complète des composants d'origine et identifiez rapidement la pièce compatible.</p> 18 - ENSEMBLE DIFFERENTIEL... <p>Vue éclatée 18 pour TGB LANDMAX 1000 – retrouvez la liste complète des composants d'origine et identifiez rapidement la pièce compatible.</p> 18 - ENSEMBLE DIFFERENTIEL... <p>Vue éclatée 18 pour TGB LANDMAX 1000 CAB – retrouvez la liste complète des composants d'origine et identifiez rapidement la pièce compatible.</p> 18 - ENSEMBLE ECHAPPEMENT <p>Vue éclatée 18 pour TGB BLADE 550 FLX – retrouvez la liste complète des composants d'origine et identifiez rapidement la pièce compatible.</p> 18 - ENSEMBLE ECHAPPEMENT <p>Vue éclatée 18 pour TGB BLADE 600 FLX – retrouvez la liste complète des composants d'origine et identifiez rapidement la pièce compatible.</p> 18 - ENSEMBLE ECHAPPEMENT <p>Vue éclatée 18 pour TGB BLADE 600 LTX ABS – retrouvez la liste complète des composants d'origine et identifiez rapidement la pièce compatible.</p> 19 - DIRECTION ASSISTEE <p>Vue éclatée 19 pour TGB LANDMAX 1000 – retrouvez la liste complète des composants d'origine et identifiez rapidement la pièce compatible.</p> 19 - DIRECTION ASSISTEE <p>Vue éclatée 19 pour TGB LANDMAX 1000 CAB – retrouvez la liste complète des composants d'origine et identifiez rapidement la pièce compatible.</p> 19 - ENSEMBLE FILTRE A AIR <p>Vue éclatée 19 pour TGB BLADE 550 FLX – retrouvez la liste complète des composants d'origine et identifiez rapidement la pièce compatible.</p> 19 - ENSEMBLE FILTRE A AIR <p>Vue éclatée 19 pour TGB BLADE 600 FLX – retrouvez la liste complète des composants d'origine et identifiez rapidement la pièce compatible.</p> 19 - ENSEMBLE FILTRE A AIR <p>Vue éclatée 19 pour TGB BLADE 600 LTX ABS – retrouvez la liste complète des composants d'origine et identifiez rapidement la pièce compatible.</p> 2 - SYSTEME ADMISSION <p>Vue éclatée 2 pour TGB BLADE 550 FLX – retrouvez la liste complète des composants d'origine et identifiez rapidement la pièce compatible.</p> 2 - SYSTEME ADMISSION <p>Vue éclatée 2 pour TGB BLADE 600 FLX – retrouvez la liste complète des composants d'origine et identifiez rapidement la pièce compatible.</p> 2 - SYSTEME ADMISSION <p>Vue éclatée 2 pour TGB BLADE 600 LTX ABS – retrouvez la liste complète des composants d'origine et identifiez rapidement la pièce compatible.</p> 2 - SYSTEME ADMISSION <p>Vue éclatée 2 pour TGB LANDMAX 1000 – retrouvez la liste complète des composants d'origine et identifiez rapidement la pièce compatible.</p> 2 - SYSTEME ADMISSION <p>Vue éclatée 2 pour TGB LANDMAX 1000 CAB – retrouvez la liste complète des composants d'origine et identifiez rapidement la pièce compatible.</p> 20 - ENSEMBLE REFROIDISSEMENT <p>Vue éclatée 20 pour TGB BLADE 550 FLX – retrouvez la liste complète des composants d'origine et identifiez rapidement la pièce compatible.</p> 20 - ENSEMBLE REFROIDISSEMENT <p>Vue éclatée 20 pour TGB BLADE 600 FLX – retrouvez la liste complète des composants d'origine et identifiez rapidement la pièce compatible.</p> 20 - ENSEMBLE REFROIDISSEMENT <p>Vue éclatée 20 pour TGB BLADE 600 LTX ABS – retrouvez la liste complète des composants d'origine et identifiez rapidement la pièce compatible.</p> 20 - ENSEMBLE REFROIDISSEMENT <p>Vue éclatée 20 pour TGB LANDMAX 1000 – retrouvez la liste complète des composants d'origine et identifiez rapidement la pièce compatible.</p> 20 - ENSEMBLE REFROIDISSEMENT <p>Vue éclatée 20 pour TGB LANDMAX 1000 CAB – retrouvez la liste complète des composants d'origine et identifiez rapidement la pièce compatible.</p> 21 - SYSTEME ELECTRIQUE 2 <p>Vue éclatée 21 pour TGB BLADE 550 FLX – retrouvez la liste complète des composants d'origine et identifiez rapidement la pièce compatible.</p> 21 - SYSTEME ELECTRIQUE 2 <p>Vue éclatée 21 pour TGB BLADE 600 FLX – retrouvez la liste complète des composants d'origine et identifiez rapidement la pièce compatible.</p> 21 - SYSTEME ELECTRIQUE 2 <p>Vue éclatée 21 pour TGB BLADE 600 LTX ABS – retrouvez la liste complète des composants d'origine et identifiez rapidement la pièce compatible.</p> 21 - SYSTEME ELECTRIQUE 2 <p>Vue éclatée 21 pour TGB LANDMAX 1000 – retrouvez la liste complète des composants d'origine et identifiez rapidement la pièce compatible.</p> 21 - SYSTEME ELECTRIQUE 2 <p>Vue éclatée 21 pour TGB LANDMAX 1000 CAB – retrouvez la liste complète des composants d'origine et identifiez rapidement la pièce compatible.</p> 22 - SYSTEME ELECTRIQUE 3 <p>Vue éclatée 22 pour TGB BLADE 550 FLX – retrouvez la liste complète des composants d'origine et identifiez rapidement la pièce compatible.</p> 22 - SYSTEME ELECTRIQUE 3 <p>Vue éclatée 22 pour TGB BLADE 600 FLX – retrouvez la liste complète des composants d'origine et identifiez rapidement la pièce compatible.</p> 22 - SYSTEME ELECTRIQUE 3 <p>Vue éclatée 22 pour TGB BLADE 600 LTX ABS – retrouvez la liste complète des composants d'origine et identifiez rapidement la pièce compatible.</p> 22 - SYSTEME ELECTRIQUE 3 <p>Vue éclatée 22 pour TGB LANDMAX 1000 – retrouvez la liste complète des composants d'origine et identifiez rapidement la pièce compatible.</p> 22 - SYSTEME ELECTRIQUE 3 <p>Vue éclatée 22 pour TGB LANDMAX 1000 CAB – retrouvez la liste complète des composants d'origine et identifiez rapidement la pièce compatible.</p> 23 - RELAIS SUPPORTS <p>Vue éclatée 23 pour TGB LANDMAX 1000 – retrouvez la liste complète des composants d'origine et identifiez rapidement la pièce compatible.</p> 23 - RELAIS SUPPORTS <p>Vue éclatée 23 pour TGB LANDMAX 1000 CAB – retrouvez la liste complète des composants d'origine et identifiez rapidement la pièce compatible.</p> 23 - SUPPORTS <p>Vue éclatée 23 pour TGB BLADE 550 FLX – retrouvez la liste complète des composants d'origine et identifiez rapidement la pièce compatible.</p> 23 - SUPPORTS <p>Vue éclatée 23 pour TGB BLADE 600 FLX – retrouvez la liste complète des composants d'origine et identifiez rapidement la pièce compatible.</p> 23 - SUPPORTS <p>Vue éclatée 23 pour TGB BLADE 600 LTX ABS – retrouvez la liste complète des composants d'origine et identifiez rapidement la pièce compatible.</p> 24 - CONTROLEUR... <p>Vue éclatée 24 pour TGB LANDMAX 1000 – retrouvez la liste complète des composants d'origine et identifiez rapidement la pièce compatible.</p> 24 - ECLAIRAGE INT MONITEUR... <p>Vue éclatée 24 pour TGB LANDMAX 1000 CAB – retrouvez la liste complète des composants d'origine et identifiez rapidement la pièce compatible.</p> 24 - SUPPORTS MOTEUR <p>Vue éclatée 24 pour TGB BLADE 550 FLX – retrouvez la liste complète des composants d'origine et identifiez rapidement la pièce compatible.</p> 24 - SUPPORTS MOTEUR <p>Vue éclatée 24 pour TGB BLADE 600 FLX – retrouvez la liste complète des composants d'origine et identifiez rapidement la pièce compatible.</p> 24 - SUPPORTS MOTEUR <p>Vue éclatée 24 pour TGB BLADE 600 LTX ABS – retrouvez la liste complète des composants d'origine et identifiez rapidement la pièce compatible.</p> 25 - COMPTEUR <p>Vue éclatée 25 pour TGB LANDMAX 1000 – retrouvez la liste complète des composants d'origine et identifiez rapidement la pièce compatible.</p> 25 - CONTROLEUR... <p>Vue éclatée 25 pour TGB LANDMAX 1000 CAB – retrouvez la liste complète des composants d'origine et identifiez rapidement la pièce compatible.</p> 25 - MOTEUR DE DIFFERENTIEL <p>Vue éclatée 25 pour TGB BLADE 550 FLX – retrouvez la liste complète des composants d'origine et identifiez rapidement la pièce compatible.</p> 25 - MOTEUR DE DIFFERENTIEL <p>Vue éclatée 25 pour TGB BLADE 600 FLX – retrouvez la liste complète des composants d'origine et identifiez rapidement la pièce compatible.</p> 25 - MOTEUR DE DIFFERENTIEL <p>Vue éclatée 25 pour TGB BLADE 600 LTX ABS – retrouvez la liste complète des composants d'origine et identifiez rapidement la pièce compatible.</p> 26 - COMPTEUR <p>Vue éclatée 26 pour TGB LANDMAX 1000 CAB – retrouvez la liste complète des composants d'origine et identifiez rapidement la pièce compatible.</p> 26 - DIRECTION ASSISTEE... <p>Vue éclatée 26 pour TGB BLADE 550 FLX – retrouvez la liste complète des composants d'origine et identifiez rapidement la pièce compatible.</p> 26 - DIRECTION ASSISTEE... <p>Vue éclatée 26 pour TGB BLADE 600 LTX ABS – retrouvez la liste complète des composants d'origine et identifiez rapidement la pièce compatible.</p> 26 - ECLAIRAGE AVANT <p>Vue éclatée 26 pour TGB LANDMAX 1000 – retrouvez la liste complète des composants d'origine et identifiez rapidement la pièce compatible.</p> 26 - SUPPORTS DIFFERENTIEL... <p>Vue éclatée 26 pour TGB BLADE 600 FLX – retrouvez la liste complète des composants d'origine et identifiez rapidement la pièce compatible.</p> 27 - COMPTEUR <p>Vue éclatée 27 pour TGB BLADE 550 FLX – retrouvez la liste complète des composants d'origine et identifiez rapidement la pièce compatible.</p> 27 - COMPTEUR <p>Vue éclatée 27 pour TGB BLADE 600 LTX ABS – retrouvez la liste complète des composants d'origine et identifiez rapidement la pièce compatible.</p> 27 - DIRECTION ASSISTEE... <p>Vue éclatée 27 pour TGB BLADE 600 FLX – retrouvez la liste complète des composants d'origine et identifiez rapidement la pièce compatible.</p> 27 - ECLAIRAGE ARRIERE <p>Vue éclatée 27 pour TGB LANDMAX 1000 – retrouvez la liste complète des composants d'origine et identifiez rapidement la pièce compatible.</p> 27 - ECLAIRAGE AVANT <p>Vue éclatée 27 pour TGB LANDMAX 1000 CAB – retrouvez la liste complète des composants d'origine et identifiez rapidement la pièce compatible.</p> Affichage 1-100 de 539 article(s) 1 2 3 … 6 Suivant Retour en haut
15 - BLOCAGE DIFFERENTIEL... <p>Vue éclatée 15 pour TGB BLADE 600 FLX – retrouvez la liste complète des composants d'origine et identifiez rapidement la pièce compatible.</p> 15 - BLOCAGE DIFFERENTIEL... <p>Vue éclatée 15 pour TGB BLADE 600 LTX ABS – retrouvez la liste complète des composants d'origine et identifiez rapidement la pièce compatible.</p> 15 - ENSEMBLE ECHAPPEMENT <p>Vue éclatée 15 pour TGB LANDMAX 1000 – retrouvez la liste complète des composants d'origine et identifiez rapidement la pièce compatible.</p> 15 - ENSEMBLE ECHAPPEMENT <p>Vue éclatée 15 pour TGB LANDMAX 1000 CAB – retrouvez la liste complète des composants d'origine et identifiez rapidement la pièce compatible.</p> 16 - ENSEMBLE DIFFERENTIEL... <p>Vue éclatée 16 pour TGB BLADE 550 FLX – retrouvez la liste complète des composants d'origine et identifiez rapidement la pièce compatible.</p> 16 - ENSEMBLE DIFFERENTIEL... <p>Vue éclatée 16 pour TGB BLADE 600 FLX – retrouvez la liste complète des composants d'origine et identifiez rapidement la pièce compatible.</p> 16 - ENSEMBLE DIFFERENTIEL... <p>Vue éclatée 16 pour TGB BLADE 600 LTX ABS – retrouvez la liste complète des composants d'origine et identifiez rapidement la pièce compatible.</p> 16 - ENSEMBLE FILTRE A AIR <p>Vue éclatée 16 pour TGB LANDMAX 1000 – retrouvez la liste complète des composants d'origine et identifiez rapidement la pièce compatible.</p> 16 - ENSEMBLE FILTRE A AIR <p>Vue éclatée 16 pour TGB LANDMAX 1000 CAB – retrouvez la liste complète des composants d'origine et identifiez rapidement la pièce compatible.</p> 17 - BLOCAGE DIFFERENTIEL... <p>Vue éclatée 17 pour TGB LANDMAX 1000 – retrouvez la liste complète des composants d'origine et identifiez rapidement la pièce compatible.</p> 17 - BLOCAGE DIFFERENTIEL... <p>Vue éclatée 17 pour TGB LANDMAX 1000 CAB – retrouvez la liste complète des composants d'origine et identifiez rapidement la pièce compatible.</p> 17 - VARIATEUR <p>Vue éclatée 17 pour TGB BLADE 550 FLX – retrouvez la liste complète des composants d'origine et identifiez rapidement la pièce compatible.</p> 17 - VARIATEUR <p>Vue éclatée 17 pour TGB BLADE 600 FLX – retrouvez la liste complète des composants d'origine et identifiez rapidement la pièce compatible.</p> 17 - VARIATEUR <p>Vue éclatée 17 pour TGB BLADE 600 LTX ABS – retrouvez la liste complète des composants d'origine et identifiez rapidement la pièce compatible.</p> 18 - ENSEMBLE DIFFERENTIEL... <p>Vue éclatée 18 pour TGB LANDMAX 1000 – retrouvez la liste complète des composants d'origine et identifiez rapidement la pièce compatible.</p> 18 - ENSEMBLE DIFFERENTIEL... <p>Vue éclatée 18 pour TGB LANDMAX 1000 CAB – retrouvez la liste complète des composants d'origine et identifiez rapidement la pièce compatible.</p> 18 - ENSEMBLE ECHAPPEMENT <p>Vue éclatée 18 pour TGB BLADE 550 FLX – retrouvez la liste complète des composants d'origine et identifiez rapidement la pièce compatible.</p> 18 - ENSEMBLE ECHAPPEMENT <p>Vue éclatée 18 pour TGB BLADE 600 FLX – retrouvez la liste complète des composants d'origine et identifiez rapidement la pièce compatible.</p> 18 - ENSEMBLE ECHAPPEMENT <p>Vue éclatée 18 pour TGB BLADE 600 LTX ABS – retrouvez la liste complète des composants d'origine et identifiez rapidement la pièce compatible.</p> 19 - DIRECTION ASSISTEE <p>Vue éclatée 19 pour TGB LANDMAX 1000 – retrouvez la liste complète des composants d'origine et identifiez rapidement la pièce compatible.</p> 19 - DIRECTION ASSISTEE <p>Vue éclatée 19 pour TGB LANDMAX 1000 CAB – retrouvez la liste complète des composants d'origine et identifiez rapidement la pièce compatible.</p> 19 - ENSEMBLE FILTRE A AIR <p>Vue éclatée 19 pour TGB BLADE 550 FLX – retrouvez la liste complète des composants d'origine et identifiez rapidement la pièce compatible.</p> 19 - ENSEMBLE FILTRE A AIR <p>Vue éclatée 19 pour TGB BLADE 600 FLX – retrouvez la liste complète des composants d'origine et identifiez rapidement la pièce compatible.</p> 19 - ENSEMBLE FILTRE A AIR <p>Vue éclatée 19 pour TGB BLADE 600 LTX ABS – retrouvez la liste complète des composants d'origine et identifiez rapidement la pièce compatible.</p> 2 - SYSTEME ADMISSION <p>Vue éclatée 2 pour TGB BLADE 550 FLX – retrouvez la liste complète des composants d'origine et identifiez rapidement la pièce compatible.</p> 2 - SYSTEME ADMISSION <p>Vue éclatée 2 pour TGB BLADE 600 FLX – retrouvez la liste complète des composants d'origine et identifiez rapidement la pièce compatible.</p> 2 - SYSTEME ADMISSION <p>Vue éclatée 2 pour TGB BLADE 600 LTX ABS – retrouvez la liste complète des composants d'origine et identifiez rapidement la pièce compatible.</p> 2 - SYSTEME ADMISSION <p>Vue éclatée 2 pour TGB LANDMAX 1000 – retrouvez la liste complète des composants d'origine et identifiez rapidement la pièce compatible.</p> 2 - SYSTEME ADMISSION <p>Vue éclatée 2 pour TGB LANDMAX 1000 CAB – retrouvez la liste complète des composants d'origine et identifiez rapidement la pièce compatible.</p> 20 - ENSEMBLE REFROIDISSEMENT <p>Vue éclatée 20 pour TGB BLADE 550 FLX – retrouvez la liste complète des composants d'origine et identifiez rapidement la pièce compatible.</p> 20 - ENSEMBLE REFROIDISSEMENT <p>Vue éclatée 20 pour TGB BLADE 600 FLX – retrouvez la liste complète des composants d'origine et identifiez rapidement la pièce compatible.</p> 20 - ENSEMBLE REFROIDISSEMENT <p>Vue éclatée 20 pour TGB BLADE 600 LTX ABS – retrouvez la liste complète des composants d'origine et identifiez rapidement la pièce compatible.</p> 20 - ENSEMBLE REFROIDISSEMENT <p>Vue éclatée 20 pour TGB LANDMAX 1000 – retrouvez la liste complète des composants d'origine et identifiez rapidement la pièce compatible.</p> 20 - ENSEMBLE REFROIDISSEMENT <p>Vue éclatée 20 pour TGB LANDMAX 1000 CAB – retrouvez la liste complète des composants d'origine et identifiez rapidement la pièce compatible.</p> 21 - SYSTEME ELECTRIQUE 2 <p>Vue éclatée 21 pour TGB BLADE 550 FLX – retrouvez la liste complète des composants d'origine et identifiez rapidement la pièce compatible.</p> 21 - SYSTEME ELECTRIQUE 2 <p>Vue éclatée 21 pour TGB BLADE 600 FLX – retrouvez la liste complète des composants d'origine et identifiez rapidement la pièce compatible.</p> 21 - SYSTEME ELECTRIQUE 2 <p>Vue éclatée 21 pour TGB BLADE 600 LTX ABS – retrouvez la liste complète des composants d'origine et identifiez rapidement la pièce compatible.</p> 21 - SYSTEME ELECTRIQUE 2 <p>Vue éclatée 21 pour TGB LANDMAX 1000 – retrouvez la liste complète des composants d'origine et identifiez rapidement la pièce compatible.</p> 21 - SYSTEME ELECTRIQUE 2 <p>Vue éclatée 21 pour TGB LANDMAX 1000 CAB – retrouvez la liste complète des composants d'origine et identifiez rapidement la pièce compatible.</p> 22 - SYSTEME ELECTRIQUE 3 <p>Vue éclatée 22 pour TGB BLADE 550 FLX – retrouvez la liste complète des composants d'origine et identifiez rapidement la pièce compatible.</p> 22 - SYSTEME ELECTRIQUE 3 <p>Vue éclatée 22 pour TGB BLADE 600 FLX – retrouvez la liste complète des composants d'origine et identifiez rapidement la pièce compatible.</p> 22 - SYSTEME ELECTRIQUE 3 <p>Vue éclatée 22 pour TGB BLADE 600 LTX ABS – retrouvez la liste complète des composants d'origine et identifiez rapidement la pièce compatible.</p> 22 - SYSTEME ELECTRIQUE 3 <p>Vue éclatée 22 pour TGB LANDMAX 1000 – retrouvez la liste complète des composants d'origine et identifiez rapidement la pièce compatible.</p> 22 - SYSTEME ELECTRIQUE 3 <p>Vue éclatée 22 pour TGB LANDMAX 1000 CAB – retrouvez la liste complète des composants d'origine et identifiez rapidement la pièce compatible.</p> 23 - RELAIS SUPPORTS <p>Vue éclatée 23 pour TGB LANDMAX 1000 – retrouvez la liste complète des composants d'origine et identifiez rapidement la pièce compatible.</p> 23 - RELAIS SUPPORTS <p>Vue éclatée 23 pour TGB LANDMAX 1000 CAB – retrouvez la liste complète des composants d'origine et identifiez rapidement la pièce compatible.</p> 23 - SUPPORTS <p>Vue éclatée 23 pour TGB BLADE 550 FLX – retrouvez la liste complète des composants d'origine et identifiez rapidement la pièce compatible.</p> 23 - SUPPORTS <p>Vue éclatée 23 pour TGB BLADE 600 FLX – retrouvez la liste complète des composants d'origine et identifiez rapidement la pièce compatible.</p> 23 - SUPPORTS <p>Vue éclatée 23 pour TGB BLADE 600 LTX ABS – retrouvez la liste complète des composants d'origine et identifiez rapidement la pièce compatible.</p> 24 - CONTROLEUR... <p>Vue éclatée 24 pour TGB LANDMAX 1000 – retrouvez la liste complète des composants d'origine et identifiez rapidement la pièce compatible.</p> 24 - ECLAIRAGE INT MONITEUR... <p>Vue éclatée 24 pour TGB LANDMAX 1000 CAB – retrouvez la liste complète des composants d'origine et identifiez rapidement la pièce compatible.</p> 24 - SUPPORTS MOTEUR <p>Vue éclatée 24 pour TGB BLADE 550 FLX – retrouvez la liste complète des composants d'origine et identifiez rapidement la pièce compatible.</p> 24 - SUPPORTS MOTEUR <p>Vue éclatée 24 pour TGB BLADE 600 FLX – retrouvez la liste complète des composants d'origine et identifiez rapidement la pièce compatible.</p> 24 - SUPPORTS MOTEUR <p>Vue éclatée 24 pour TGB BLADE 600 LTX ABS – retrouvez la liste complète des composants d'origine et identifiez rapidement la pièce compatible.</p> 25 - COMPTEUR <p>Vue éclatée 25 pour TGB LANDMAX 1000 – retrouvez la liste complète des composants d'origine et identifiez rapidement la pièce compatible.</p> 25 - CONTROLEUR... <p>Vue éclatée 25 pour TGB LANDMAX 1000 CAB – retrouvez la liste complète des composants d'origine et identifiez rapidement la pièce compatible.</p> 25 - MOTEUR DE DIFFERENTIEL <p>Vue éclatée 25 pour TGB BLADE 550 FLX – retrouvez la liste complète des composants d'origine et identifiez rapidement la pièce compatible.</p> 25 - MOTEUR DE DIFFERENTIEL <p>Vue éclatée 25 pour TGB BLADE 600 FLX – retrouvez la liste complète des composants d'origine et identifiez rapidement la pièce compatible.</p> 25 - MOTEUR DE DIFFERENTIEL <p>Vue éclatée 25 pour TGB BLADE 600 LTX ABS – retrouvez la liste complète des composants d'origine et identifiez rapidement la pièce compatible.</p> 26 - COMPTEUR <p>Vue éclatée 26 pour TGB LANDMAX 1000 CAB – retrouvez la liste complète des composants d'origine et identifiez rapidement la pièce compatible.</p> 26 - DIRECTION ASSISTEE... <p>Vue éclatée 26 pour TGB BLADE 550 FLX – retrouvez la liste complète des composants d'origine et identifiez rapidement la pièce compatible.</p> 26 - DIRECTION ASSISTEE... <p>Vue éclatée 26 pour TGB BLADE 600 LTX ABS – retrouvez la liste complète des composants d'origine et identifiez rapidement la pièce compatible.</p> 26 - ECLAIRAGE AVANT <p>Vue éclatée 26 pour TGB LANDMAX 1000 – retrouvez la liste complète des composants d'origine et identifiez rapidement la pièce compatible.</p> 26 - SUPPORTS DIFFERENTIEL... <p>Vue éclatée 26 pour TGB BLADE 600 FLX – retrouvez la liste complète des composants d'origine et identifiez rapidement la pièce compatible.</p> 27 - COMPTEUR <p>Vue éclatée 27 pour TGB BLADE 550 FLX – retrouvez la liste complète des composants d'origine et identifiez rapidement la pièce compatible.</p> 27 - COMPTEUR <p>Vue éclatée 27 pour TGB BLADE 600 LTX ABS – retrouvez la liste complète des composants d'origine et identifiez rapidement la pièce compatible.</p> 27 - DIRECTION ASSISTEE... <p>Vue éclatée 27 pour TGB BLADE 600 FLX – retrouvez la liste complète des composants d'origine et identifiez rapidement la pièce compatible.</p> 27 - ECLAIRAGE ARRIERE <p>Vue éclatée 27 pour TGB LANDMAX 1000 – retrouvez la liste complète des composants d'origine et identifiez rapidement la pièce compatible.</p> 27 - ECLAIRAGE AVANT <p>Vue éclatée 27 pour TGB LANDMAX 1000 CAB – retrouvez la liste complète des composants d'origine et identifiez rapidement la pièce compatible.</p> Affichage 1-100 de 539 article(s) 1 2 3 … 6 Suivant Retour en haut
15 - BLOCAGE DIFFERENTIEL... <p>Vue éclatée 15 pour TGB BLADE 600 LTX ABS – retrouvez la liste complète des composants d'origine et identifiez rapidement la pièce compatible.</p> 15 - ENSEMBLE ECHAPPEMENT <p>Vue éclatée 15 pour TGB LANDMAX 1000 – retrouvez la liste complète des composants d'origine et identifiez rapidement la pièce compatible.</p> 15 - ENSEMBLE ECHAPPEMENT <p>Vue éclatée 15 pour TGB LANDMAX 1000 CAB – retrouvez la liste complète des composants d'origine et identifiez rapidement la pièce compatible.</p> 16 - ENSEMBLE DIFFERENTIEL... <p>Vue éclatée 16 pour TGB BLADE 550 FLX – retrouvez la liste complète des composants d'origine et identifiez rapidement la pièce compatible.</p> 16 - ENSEMBLE DIFFERENTIEL... <p>Vue éclatée 16 pour TGB BLADE 600 FLX – retrouvez la liste complète des composants d'origine et identifiez rapidement la pièce compatible.</p> 16 - ENSEMBLE DIFFERENTIEL... <p>Vue éclatée 16 pour TGB BLADE 600 LTX ABS – retrouvez la liste complète des composants d'origine et identifiez rapidement la pièce compatible.</p> 16 - ENSEMBLE FILTRE A AIR <p>Vue éclatée 16 pour TGB LANDMAX 1000 – retrouvez la liste complète des composants d'origine et identifiez rapidement la pièce compatible.</p> 16 - ENSEMBLE FILTRE A AIR <p>Vue éclatée 16 pour TGB LANDMAX 1000 CAB – retrouvez la liste complète des composants d'origine et identifiez rapidement la pièce compatible.</p> 17 - BLOCAGE DIFFERENTIEL... <p>Vue éclatée 17 pour TGB LANDMAX 1000 – retrouvez la liste complète des composants d'origine et identifiez rapidement la pièce compatible.</p> 17 - BLOCAGE DIFFERENTIEL... <p>Vue éclatée 17 pour TGB LANDMAX 1000 CAB – retrouvez la liste complète des composants d'origine et identifiez rapidement la pièce compatible.</p> 17 - VARIATEUR <p>Vue éclatée 17 pour TGB BLADE 550 FLX – retrouvez la liste complète des composants d'origine et identifiez rapidement la pièce compatible.</p> 17 - VARIATEUR <p>Vue éclatée 17 pour TGB BLADE 600 FLX – retrouvez la liste complète des composants d'origine et identifiez rapidement la pièce compatible.</p> 17 - VARIATEUR <p>Vue éclatée 17 pour TGB BLADE 600 LTX ABS – retrouvez la liste complète des composants d'origine et identifiez rapidement la pièce compatible.</p> 18 - ENSEMBLE DIFFERENTIEL... <p>Vue éclatée 18 pour TGB LANDMAX 1000 – retrouvez la liste complète des composants d'origine et identifiez rapidement la pièce compatible.</p> 18 - ENSEMBLE DIFFERENTIEL... <p>Vue éclatée 18 pour TGB LANDMAX 1000 CAB – retrouvez la liste complète des composants d'origine et identifiez rapidement la pièce compatible.</p> 18 - ENSEMBLE ECHAPPEMENT <p>Vue éclatée 18 pour TGB BLADE 550 FLX – retrouvez la liste complète des composants d'origine et identifiez rapidement la pièce compatible.</p> 18 - ENSEMBLE ECHAPPEMENT <p>Vue éclatée 18 pour TGB BLADE 600 FLX – retrouvez la liste complète des composants d'origine et identifiez rapidement la pièce compatible.</p> 18 - ENSEMBLE ECHAPPEMENT <p>Vue éclatée 18 pour TGB BLADE 600 LTX ABS – retrouvez la liste complète des composants d'origine et identifiez rapidement la pièce compatible.</p> 19 - DIRECTION ASSISTEE <p>Vue éclatée 19 pour TGB LANDMAX 1000 – retrouvez la liste complète des composants d'origine et identifiez rapidement la pièce compatible.</p> 19 - DIRECTION ASSISTEE <p>Vue éclatée 19 pour TGB LANDMAX 1000 CAB – retrouvez la liste complète des composants d'origine et identifiez rapidement la pièce compatible.</p> 19 - ENSEMBLE FILTRE A AIR <p>Vue éclatée 19 pour TGB BLADE 550 FLX – retrouvez la liste complète des composants d'origine et identifiez rapidement la pièce compatible.</p> 19 - ENSEMBLE FILTRE A AIR <p>Vue éclatée 19 pour TGB BLADE 600 FLX – retrouvez la liste complète des composants d'origine et identifiez rapidement la pièce compatible.</p> 19 - ENSEMBLE FILTRE A AIR <p>Vue éclatée 19 pour TGB BLADE 600 LTX ABS – retrouvez la liste complète des composants d'origine et identifiez rapidement la pièce compatible.</p> 2 - SYSTEME ADMISSION <p>Vue éclatée 2 pour TGB BLADE 550 FLX – retrouvez la liste complète des composants d'origine et identifiez rapidement la pièce compatible.</p> 2 - SYSTEME ADMISSION <p>Vue éclatée 2 pour TGB BLADE 600 FLX – retrouvez la liste complète des composants d'origine et identifiez rapidement la pièce compatible.</p> 2 - SYSTEME ADMISSION <p>Vue éclatée 2 pour TGB BLADE 600 LTX ABS – retrouvez la liste complète des composants d'origine et identifiez rapidement la pièce compatible.</p> 2 - SYSTEME ADMISSION <p>Vue éclatée 2 pour TGB LANDMAX 1000 – retrouvez la liste complète des composants d'origine et identifiez rapidement la pièce compatible.</p> 2 - SYSTEME ADMISSION <p>Vue éclatée 2 pour TGB LANDMAX 1000 CAB – retrouvez la liste complète des composants d'origine et identifiez rapidement la pièce compatible.</p> 20 - ENSEMBLE REFROIDISSEMENT <p>Vue éclatée 20 pour TGB BLADE 550 FLX – retrouvez la liste complète des composants d'origine et identifiez rapidement la pièce compatible.</p> 20 - ENSEMBLE REFROIDISSEMENT <p>Vue éclatée 20 pour TGB BLADE 600 FLX – retrouvez la liste complète des composants d'origine et identifiez rapidement la pièce compatible.</p> 20 - ENSEMBLE REFROIDISSEMENT <p>Vue éclatée 20 pour TGB BLADE 600 LTX ABS – retrouvez la liste complète des composants d'origine et identifiez rapidement la pièce compatible.</p> 20 - ENSEMBLE REFROIDISSEMENT <p>Vue éclatée 20 pour TGB LANDMAX 1000 – retrouvez la liste complète des composants d'origine et identifiez rapidement la pièce compatible.</p> 20 - ENSEMBLE REFROIDISSEMENT <p>Vue éclatée 20 pour TGB LANDMAX 1000 CAB – retrouvez la liste complète des composants d'origine et identifiez rapidement la pièce compatible.</p> 21 - SYSTEME ELECTRIQUE 2 <p>Vue éclatée 21 pour TGB BLADE 550 FLX – retrouvez la liste complète des composants d'origine et identifiez rapidement la pièce compatible.</p> 21 - SYSTEME ELECTRIQUE 2 <p>Vue éclatée 21 pour TGB BLADE 600 FLX – retrouvez la liste complète des composants d'origine et identifiez rapidement la pièce compatible.</p> 21 - SYSTEME ELECTRIQUE 2 <p>Vue éclatée 21 pour TGB BLADE 600 LTX ABS – retrouvez la liste complète des composants d'origine et identifiez rapidement la pièce compatible.</p> 21 - SYSTEME ELECTRIQUE 2 <p>Vue éclatée 21 pour TGB LANDMAX 1000 – retrouvez la liste complète des composants d'origine et identifiez rapidement la pièce compatible.</p> 21 - SYSTEME ELECTRIQUE 2 <p>Vue éclatée 21 pour TGB LANDMAX 1000 CAB – retrouvez la liste complète des composants d'origine et identifiez rapidement la pièce compatible.</p> 22 - SYSTEME ELECTRIQUE 3 <p>Vue éclatée 22 pour TGB BLADE 550 FLX – retrouvez la liste complète des composants d'origine et identifiez rapidement la pièce compatible.</p> 22 - SYSTEME ELECTRIQUE 3 <p>Vue éclatée 22 pour TGB BLADE 600 FLX – retrouvez la liste complète des composants d'origine et identifiez rapidement la pièce compatible.</p> 22 - SYSTEME ELECTRIQUE 3 <p>Vue éclatée 22 pour TGB BLADE 600 LTX ABS – retrouvez la liste complète des composants d'origine et identifiez rapidement la pièce compatible.</p> 22 - SYSTEME ELECTRIQUE 3 <p>Vue éclatée 22 pour TGB LANDMAX 1000 – retrouvez la liste complète des composants d'origine et identifiez rapidement la pièce compatible.</p> 22 - SYSTEME ELECTRIQUE 3 <p>Vue éclatée 22 pour TGB LANDMAX 1000 CAB – retrouvez la liste complète des composants d'origine et identifiez rapidement la pièce compatible.</p> 23 - RELAIS SUPPORTS <p>Vue éclatée 23 pour TGB LANDMAX 1000 – retrouvez la liste complète des composants d'origine et identifiez rapidement la pièce compatible.</p> 23 - RELAIS SUPPORTS <p>Vue éclatée 23 pour TGB LANDMAX 1000 CAB – retrouvez la liste complète des composants d'origine et identifiez rapidement la pièce compatible.</p> 23 - SUPPORTS <p>Vue éclatée 23 pour TGB BLADE 550 FLX – retrouvez la liste complète des composants d'origine et identifiez rapidement la pièce compatible.</p> 23 - SUPPORTS <p>Vue éclatée 23 pour TGB BLADE 600 FLX – retrouvez la liste complète des composants d'origine et identifiez rapidement la pièce compatible.</p> 23 - SUPPORTS <p>Vue éclatée 23 pour TGB BLADE 600 LTX ABS – retrouvez la liste complète des composants d'origine et identifiez rapidement la pièce compatible.</p> 24 - CONTROLEUR... <p>Vue éclatée 24 pour TGB LANDMAX 1000 – retrouvez la liste complète des composants d'origine et identifiez rapidement la pièce compatible.</p> 24 - ECLAIRAGE INT MONITEUR... <p>Vue éclatée 24 pour TGB LANDMAX 1000 CAB – retrouvez la liste complète des composants d'origine et identifiez rapidement la pièce compatible.</p> 24 - SUPPORTS MOTEUR <p>Vue éclatée 24 pour TGB BLADE 550 FLX – retrouvez la liste complète des composants d'origine et identifiez rapidement la pièce compatible.</p> 24 - SUPPORTS MOTEUR <p>Vue éclatée 24 pour TGB BLADE 600 FLX – retrouvez la liste complète des composants d'origine et identifiez rapidement la pièce compatible.</p> 24 - SUPPORTS MOTEUR <p>Vue éclatée 24 pour TGB BLADE 600 LTX ABS – retrouvez la liste complète des composants d'origine et identifiez rapidement la pièce compatible.</p> 25 - COMPTEUR <p>Vue éclatée 25 pour TGB LANDMAX 1000 – retrouvez la liste complète des composants d'origine et identifiez rapidement la pièce compatible.</p> 25 - CONTROLEUR... <p>Vue éclatée 25 pour TGB LANDMAX 1000 CAB – retrouvez la liste complète des composants d'origine et identifiez rapidement la pièce compatible.</p> 25 - MOTEUR DE DIFFERENTIEL <p>Vue éclatée 25 pour TGB BLADE 550 FLX – retrouvez la liste complète des composants d'origine et identifiez rapidement la pièce compatible.</p> 25 - MOTEUR DE DIFFERENTIEL <p>Vue éclatée 25 pour TGB BLADE 600 FLX – retrouvez la liste complète des composants d'origine et identifiez rapidement la pièce compatible.</p> 25 - MOTEUR DE DIFFERENTIEL <p>Vue éclatée 25 pour TGB BLADE 600 LTX ABS – retrouvez la liste complète des composants d'origine et identifiez rapidement la pièce compatible.</p> 26 - COMPTEUR <p>Vue éclatée 26 pour TGB LANDMAX 1000 CAB – retrouvez la liste complète des composants d'origine et identifiez rapidement la pièce compatible.</p> 26 - DIRECTION ASSISTEE... <p>Vue éclatée 26 pour TGB BLADE 550 FLX – retrouvez la liste complète des composants d'origine et identifiez rapidement la pièce compatible.</p> 26 - DIRECTION ASSISTEE... <p>Vue éclatée 26 pour TGB BLADE 600 LTX ABS – retrouvez la liste complète des composants d'origine et identifiez rapidement la pièce compatible.</p> 26 - ECLAIRAGE AVANT <p>Vue éclatée 26 pour TGB LANDMAX 1000 – retrouvez la liste complète des composants d'origine et identifiez rapidement la pièce compatible.</p> 26 - SUPPORTS DIFFERENTIEL... <p>Vue éclatée 26 pour TGB BLADE 600 FLX – retrouvez la liste complète des composants d'origine et identifiez rapidement la pièce compatible.</p> 27 - COMPTEUR <p>Vue éclatée 27 pour TGB BLADE 550 FLX – retrouvez la liste complète des composants d'origine et identifiez rapidement la pièce compatible.</p> 27 - COMPTEUR <p>Vue éclatée 27 pour TGB BLADE 600 LTX ABS – retrouvez la liste complète des composants d'origine et identifiez rapidement la pièce compatible.</p> 27 - DIRECTION ASSISTEE... <p>Vue éclatée 27 pour TGB BLADE 600 FLX – retrouvez la liste complète des composants d'origine et identifiez rapidement la pièce compatible.</p> 27 - ECLAIRAGE ARRIERE <p>Vue éclatée 27 pour TGB LANDMAX 1000 – retrouvez la liste complète des composants d'origine et identifiez rapidement la pièce compatible.</p> 27 - ECLAIRAGE AVANT <p>Vue éclatée 27 pour TGB LANDMAX 1000 CAB – retrouvez la liste complète des composants d'origine et identifiez rapidement la pièce compatible.</p> Affichage 1-100 de 539 article(s) 1 2 3 … 6 Suivant Retour en haut
15 - ENSEMBLE ECHAPPEMENT <p>Vue éclatée 15 pour TGB LANDMAX 1000 – retrouvez la liste complète des composants d'origine et identifiez rapidement la pièce compatible.</p> 15 - ENSEMBLE ECHAPPEMENT <p>Vue éclatée 15 pour TGB LANDMAX 1000 CAB – retrouvez la liste complète des composants d'origine et identifiez rapidement la pièce compatible.</p> 16 - ENSEMBLE DIFFERENTIEL... <p>Vue éclatée 16 pour TGB BLADE 550 FLX – retrouvez la liste complète des composants d'origine et identifiez rapidement la pièce compatible.</p> 16 - ENSEMBLE DIFFERENTIEL... <p>Vue éclatée 16 pour TGB BLADE 600 FLX – retrouvez la liste complète des composants d'origine et identifiez rapidement la pièce compatible.</p> 16 - ENSEMBLE DIFFERENTIEL... <p>Vue éclatée 16 pour TGB BLADE 600 LTX ABS – retrouvez la liste complète des composants d'origine et identifiez rapidement la pièce compatible.</p> 16 - ENSEMBLE FILTRE A AIR <p>Vue éclatée 16 pour TGB LANDMAX 1000 – retrouvez la liste complète des composants d'origine et identifiez rapidement la pièce compatible.</p> 16 - ENSEMBLE FILTRE A AIR <p>Vue éclatée 16 pour TGB LANDMAX 1000 CAB – retrouvez la liste complète des composants d'origine et identifiez rapidement la pièce compatible.</p> 17 - BLOCAGE DIFFERENTIEL... <p>Vue éclatée 17 pour TGB LANDMAX 1000 – retrouvez la liste complète des composants d'origine et identifiez rapidement la pièce compatible.</p> 17 - BLOCAGE DIFFERENTIEL... <p>Vue éclatée 17 pour TGB LANDMAX 1000 CAB – retrouvez la liste complète des composants d'origine et identifiez rapidement la pièce compatible.</p> 17 - VARIATEUR <p>Vue éclatée 17 pour TGB BLADE 550 FLX – retrouvez la liste complète des composants d'origine et identifiez rapidement la pièce compatible.</p> 17 - VARIATEUR <p>Vue éclatée 17 pour TGB BLADE 600 FLX – retrouvez la liste complète des composants d'origine et identifiez rapidement la pièce compatible.</p> 17 - VARIATEUR <p>Vue éclatée 17 pour TGB BLADE 600 LTX ABS – retrouvez la liste complète des composants d'origine et identifiez rapidement la pièce compatible.</p> 18 - ENSEMBLE DIFFERENTIEL... <p>Vue éclatée 18 pour TGB LANDMAX 1000 – retrouvez la liste complète des composants d'origine et identifiez rapidement la pièce compatible.</p> 18 - ENSEMBLE DIFFERENTIEL... <p>Vue éclatée 18 pour TGB LANDMAX 1000 CAB – retrouvez la liste complète des composants d'origine et identifiez rapidement la pièce compatible.</p> 18 - ENSEMBLE ECHAPPEMENT <p>Vue éclatée 18 pour TGB BLADE 550 FLX – retrouvez la liste complète des composants d'origine et identifiez rapidement la pièce compatible.</p> 18 - ENSEMBLE ECHAPPEMENT <p>Vue éclatée 18 pour TGB BLADE 600 FLX – retrouvez la liste complète des composants d'origine et identifiez rapidement la pièce compatible.</p> 18 - ENSEMBLE ECHAPPEMENT <p>Vue éclatée 18 pour TGB BLADE 600 LTX ABS – retrouvez la liste complète des composants d'origine et identifiez rapidement la pièce compatible.</p> 19 - DIRECTION ASSISTEE <p>Vue éclatée 19 pour TGB LANDMAX 1000 – retrouvez la liste complète des composants d'origine et identifiez rapidement la pièce compatible.</p> 19 - DIRECTION ASSISTEE <p>Vue éclatée 19 pour TGB LANDMAX 1000 CAB – retrouvez la liste complète des composants d'origine et identifiez rapidement la pièce compatible.</p> 19 - ENSEMBLE FILTRE A AIR <p>Vue éclatée 19 pour TGB BLADE 550 FLX – retrouvez la liste complète des composants d'origine et identifiez rapidement la pièce compatible.</p> 19 - ENSEMBLE FILTRE A AIR <p>Vue éclatée 19 pour TGB BLADE 600 FLX – retrouvez la liste complète des composants d'origine et identifiez rapidement la pièce compatible.</p> 19 - ENSEMBLE FILTRE A AIR <p>Vue éclatée 19 pour TGB BLADE 600 LTX ABS – retrouvez la liste complète des composants d'origine et identifiez rapidement la pièce compatible.</p> 2 - SYSTEME ADMISSION <p>Vue éclatée 2 pour TGB BLADE 550 FLX – retrouvez la liste complète des composants d'origine et identifiez rapidement la pièce compatible.</p> 2 - SYSTEME ADMISSION <p>Vue éclatée 2 pour TGB BLADE 600 FLX – retrouvez la liste complète des composants d'origine et identifiez rapidement la pièce compatible.</p> 2 - SYSTEME ADMISSION <p>Vue éclatée 2 pour TGB BLADE 600 LTX ABS – retrouvez la liste complète des composants d'origine et identifiez rapidement la pièce compatible.</p> 2 - SYSTEME ADMISSION <p>Vue éclatée 2 pour TGB LANDMAX 1000 – retrouvez la liste complète des composants d'origine et identifiez rapidement la pièce compatible.</p> 2 - SYSTEME ADMISSION <p>Vue éclatée 2 pour TGB LANDMAX 1000 CAB – retrouvez la liste complète des composants d'origine et identifiez rapidement la pièce compatible.</p> 20 - ENSEMBLE REFROIDISSEMENT <p>Vue éclatée 20 pour TGB BLADE 550 FLX – retrouvez la liste complète des composants d'origine et identifiez rapidement la pièce compatible.</p> 20 - ENSEMBLE REFROIDISSEMENT <p>Vue éclatée 20 pour TGB BLADE 600 FLX – retrouvez la liste complète des composants d'origine et identifiez rapidement la pièce compatible.</p> 20 - ENSEMBLE REFROIDISSEMENT <p>Vue éclatée 20 pour TGB BLADE 600 LTX ABS – retrouvez la liste complète des composants d'origine et identifiez rapidement la pièce compatible.</p> 20 - ENSEMBLE REFROIDISSEMENT <p>Vue éclatée 20 pour TGB LANDMAX 1000 – retrouvez la liste complète des composants d'origine et identifiez rapidement la pièce compatible.</p> 20 - ENSEMBLE REFROIDISSEMENT <p>Vue éclatée 20 pour TGB LANDMAX 1000 CAB – retrouvez la liste complète des composants d'origine et identifiez rapidement la pièce compatible.</p> 21 - SYSTEME ELECTRIQUE 2 <p>Vue éclatée 21 pour TGB BLADE 550 FLX – retrouvez la liste complète des composants d'origine et identifiez rapidement la pièce compatible.</p> 21 - SYSTEME ELECTRIQUE 2 <p>Vue éclatée 21 pour TGB BLADE 600 FLX – retrouvez la liste complète des composants d'origine et identifiez rapidement la pièce compatible.</p> 21 - SYSTEME ELECTRIQUE 2 <p>Vue éclatée 21 pour TGB BLADE 600 LTX ABS – retrouvez la liste complète des composants d'origine et identifiez rapidement la pièce compatible.</p> 21 - SYSTEME ELECTRIQUE 2 <p>Vue éclatée 21 pour TGB LANDMAX 1000 – retrouvez la liste complète des composants d'origine et identifiez rapidement la pièce compatible.</p> 21 - SYSTEME ELECTRIQUE 2 <p>Vue éclatée 21 pour TGB LANDMAX 1000 CAB – retrouvez la liste complète des composants d'origine et identifiez rapidement la pièce compatible.</p> 22 - SYSTEME ELECTRIQUE 3 <p>Vue éclatée 22 pour TGB BLADE 550 FLX – retrouvez la liste complète des composants d'origine et identifiez rapidement la pièce compatible.</p> 22 - SYSTEME ELECTRIQUE 3 <p>Vue éclatée 22 pour TGB BLADE 600 FLX – retrouvez la liste complète des composants d'origine et identifiez rapidement la pièce compatible.</p> 22 - SYSTEME ELECTRIQUE 3 <p>Vue éclatée 22 pour TGB BLADE 600 LTX ABS – retrouvez la liste complète des composants d'origine et identifiez rapidement la pièce compatible.</p> 22 - SYSTEME ELECTRIQUE 3 <p>Vue éclatée 22 pour TGB LANDMAX 1000 – retrouvez la liste complète des composants d'origine et identifiez rapidement la pièce compatible.</p> 22 - SYSTEME ELECTRIQUE 3 <p>Vue éclatée 22 pour TGB LANDMAX 1000 CAB – retrouvez la liste complète des composants d'origine et identifiez rapidement la pièce compatible.</p> 23 - RELAIS SUPPORTS <p>Vue éclatée 23 pour TGB LANDMAX 1000 – retrouvez la liste complète des composants d'origine et identifiez rapidement la pièce compatible.</p> 23 - RELAIS SUPPORTS <p>Vue éclatée 23 pour TGB LANDMAX 1000 CAB – retrouvez la liste complète des composants d'origine et identifiez rapidement la pièce compatible.</p> 23 - SUPPORTS <p>Vue éclatée 23 pour TGB BLADE 550 FLX – retrouvez la liste complète des composants d'origine et identifiez rapidement la pièce compatible.</p> 23 - SUPPORTS <p>Vue éclatée 23 pour TGB BLADE 600 FLX – retrouvez la liste complète des composants d'origine et identifiez rapidement la pièce compatible.</p> 23 - SUPPORTS <p>Vue éclatée 23 pour TGB BLADE 600 LTX ABS – retrouvez la liste complète des composants d'origine et identifiez rapidement la pièce compatible.</p> 24 - CONTROLEUR... <p>Vue éclatée 24 pour TGB LANDMAX 1000 – retrouvez la liste complète des composants d'origine et identifiez rapidement la pièce compatible.</p> 24 - ECLAIRAGE INT MONITEUR... <p>Vue éclatée 24 pour TGB LANDMAX 1000 CAB – retrouvez la liste complète des composants d'origine et identifiez rapidement la pièce compatible.</p> 24 - SUPPORTS MOTEUR <p>Vue éclatée 24 pour TGB BLADE 550 FLX – retrouvez la liste complète des composants d'origine et identifiez rapidement la pièce compatible.</p> 24 - SUPPORTS MOTEUR <p>Vue éclatée 24 pour TGB BLADE 600 FLX – retrouvez la liste complète des composants d'origine et identifiez rapidement la pièce compatible.</p> 24 - SUPPORTS MOTEUR <p>Vue éclatée 24 pour TGB BLADE 600 LTX ABS – retrouvez la liste complète des composants d'origine et identifiez rapidement la pièce compatible.</p> 25 - COMPTEUR <p>Vue éclatée 25 pour TGB LANDMAX 1000 – retrouvez la liste complète des composants d'origine et identifiez rapidement la pièce compatible.</p> 25 - CONTROLEUR... <p>Vue éclatée 25 pour TGB LANDMAX 1000 CAB – retrouvez la liste complète des composants d'origine et identifiez rapidement la pièce compatible.</p> 25 - MOTEUR DE DIFFERENTIEL <p>Vue éclatée 25 pour TGB BLADE 550 FLX – retrouvez la liste complète des composants d'origine et identifiez rapidement la pièce compatible.</p> 25 - MOTEUR DE DIFFERENTIEL <p>Vue éclatée 25 pour TGB BLADE 600 FLX – retrouvez la liste complète des composants d'origine et identifiez rapidement la pièce compatible.</p> 25 - MOTEUR DE DIFFERENTIEL <p>Vue éclatée 25 pour TGB BLADE 600 LTX ABS – retrouvez la liste complète des composants d'origine et identifiez rapidement la pièce compatible.</p> 26 - COMPTEUR <p>Vue éclatée 26 pour TGB LANDMAX 1000 CAB – retrouvez la liste complète des composants d'origine et identifiez rapidement la pièce compatible.</p> 26 - DIRECTION ASSISTEE... <p>Vue éclatée 26 pour TGB BLADE 550 FLX – retrouvez la liste complète des composants d'origine et identifiez rapidement la pièce compatible.</p> 26 - DIRECTION ASSISTEE... <p>Vue éclatée 26 pour TGB BLADE 600 LTX ABS – retrouvez la liste complète des composants d'origine et identifiez rapidement la pièce compatible.</p> 26 - ECLAIRAGE AVANT <p>Vue éclatée 26 pour TGB LANDMAX 1000 – retrouvez la liste complète des composants d'origine et identifiez rapidement la pièce compatible.</p> 26 - SUPPORTS DIFFERENTIEL... <p>Vue éclatée 26 pour TGB BLADE 600 FLX – retrouvez la liste complète des composants d'origine et identifiez rapidement la pièce compatible.</p> 27 - COMPTEUR <p>Vue éclatée 27 pour TGB BLADE 550 FLX – retrouvez la liste complète des composants d'origine et identifiez rapidement la pièce compatible.</p> 27 - COMPTEUR <p>Vue éclatée 27 pour TGB BLADE 600 LTX ABS – retrouvez la liste complète des composants d'origine et identifiez rapidement la pièce compatible.</p> 27 - DIRECTION ASSISTEE... <p>Vue éclatée 27 pour TGB BLADE 600 FLX – retrouvez la liste complète des composants d'origine et identifiez rapidement la pièce compatible.</p> 27 - ECLAIRAGE ARRIERE <p>Vue éclatée 27 pour TGB LANDMAX 1000 – retrouvez la liste complète des composants d'origine et identifiez rapidement la pièce compatible.</p> 27 - ECLAIRAGE AVANT <p>Vue éclatée 27 pour TGB LANDMAX 1000 CAB – retrouvez la liste complète des composants d'origine et identifiez rapidement la pièce compatible.</p> Affichage 1-100 de 539 article(s) 1 2 3 … 6 Suivant Retour en haut
15 - ENSEMBLE ECHAPPEMENT <p>Vue éclatée 15 pour TGB LANDMAX 1000 CAB – retrouvez la liste complète des composants d'origine et identifiez rapidement la pièce compatible.</p> 16 - ENSEMBLE DIFFERENTIEL... <p>Vue éclatée 16 pour TGB BLADE 550 FLX – retrouvez la liste complète des composants d'origine et identifiez rapidement la pièce compatible.</p> 16 - ENSEMBLE DIFFERENTIEL... <p>Vue éclatée 16 pour TGB BLADE 600 FLX – retrouvez la liste complète des composants d'origine et identifiez rapidement la pièce compatible.</p> 16 - ENSEMBLE DIFFERENTIEL... <p>Vue éclatée 16 pour TGB BLADE 600 LTX ABS – retrouvez la liste complète des composants d'origine et identifiez rapidement la pièce compatible.</p> 16 - ENSEMBLE FILTRE A AIR <p>Vue éclatée 16 pour TGB LANDMAX 1000 – retrouvez la liste complète des composants d'origine et identifiez rapidement la pièce compatible.</p> 16 - ENSEMBLE FILTRE A AIR <p>Vue éclatée 16 pour TGB LANDMAX 1000 CAB – retrouvez la liste complète des composants d'origine et identifiez rapidement la pièce compatible.</p> 17 - BLOCAGE DIFFERENTIEL... <p>Vue éclatée 17 pour TGB LANDMAX 1000 – retrouvez la liste complète des composants d'origine et identifiez rapidement la pièce compatible.</p> 17 - BLOCAGE DIFFERENTIEL... <p>Vue éclatée 17 pour TGB LANDMAX 1000 CAB – retrouvez la liste complète des composants d'origine et identifiez rapidement la pièce compatible.</p> 17 - VARIATEUR <p>Vue éclatée 17 pour TGB BLADE 550 FLX – retrouvez la liste complète des composants d'origine et identifiez rapidement la pièce compatible.</p> 17 - VARIATEUR <p>Vue éclatée 17 pour TGB BLADE 600 FLX – retrouvez la liste complète des composants d'origine et identifiez rapidement la pièce compatible.</p> 17 - VARIATEUR <p>Vue éclatée 17 pour TGB BLADE 600 LTX ABS – retrouvez la liste complète des composants d'origine et identifiez rapidement la pièce compatible.</p> 18 - ENSEMBLE DIFFERENTIEL... <p>Vue éclatée 18 pour TGB LANDMAX 1000 – retrouvez la liste complète des composants d'origine et identifiez rapidement la pièce compatible.</p> 18 - ENSEMBLE DIFFERENTIEL... <p>Vue éclatée 18 pour TGB LANDMAX 1000 CAB – retrouvez la liste complète des composants d'origine et identifiez rapidement la pièce compatible.</p> 18 - ENSEMBLE ECHAPPEMENT <p>Vue éclatée 18 pour TGB BLADE 550 FLX – retrouvez la liste complète des composants d'origine et identifiez rapidement la pièce compatible.</p> 18 - ENSEMBLE ECHAPPEMENT <p>Vue éclatée 18 pour TGB BLADE 600 FLX – retrouvez la liste complète des composants d'origine et identifiez rapidement la pièce compatible.</p> 18 - ENSEMBLE ECHAPPEMENT <p>Vue éclatée 18 pour TGB BLADE 600 LTX ABS – retrouvez la liste complète des composants d'origine et identifiez rapidement la pièce compatible.</p> 19 - DIRECTION ASSISTEE <p>Vue éclatée 19 pour TGB LANDMAX 1000 – retrouvez la liste complète des composants d'origine et identifiez rapidement la pièce compatible.</p> 19 - DIRECTION ASSISTEE <p>Vue éclatée 19 pour TGB LANDMAX 1000 CAB – retrouvez la liste complète des composants d'origine et identifiez rapidement la pièce compatible.</p> 19 - ENSEMBLE FILTRE A AIR <p>Vue éclatée 19 pour TGB BLADE 550 FLX – retrouvez la liste complète des composants d'origine et identifiez rapidement la pièce compatible.</p> 19 - ENSEMBLE FILTRE A AIR <p>Vue éclatée 19 pour TGB BLADE 600 FLX – retrouvez la liste complète des composants d'origine et identifiez rapidement la pièce compatible.</p> 19 - ENSEMBLE FILTRE A AIR <p>Vue éclatée 19 pour TGB BLADE 600 LTX ABS – retrouvez la liste complète des composants d'origine et identifiez rapidement la pièce compatible.</p> 2 - SYSTEME ADMISSION <p>Vue éclatée 2 pour TGB BLADE 550 FLX – retrouvez la liste complète des composants d'origine et identifiez rapidement la pièce compatible.</p> 2 - SYSTEME ADMISSION <p>Vue éclatée 2 pour TGB BLADE 600 FLX – retrouvez la liste complète des composants d'origine et identifiez rapidement la pièce compatible.</p> 2 - SYSTEME ADMISSION <p>Vue éclatée 2 pour TGB BLADE 600 LTX ABS – retrouvez la liste complète des composants d'origine et identifiez rapidement la pièce compatible.</p> 2 - SYSTEME ADMISSION <p>Vue éclatée 2 pour TGB LANDMAX 1000 – retrouvez la liste complète des composants d'origine et identifiez rapidement la pièce compatible.</p> 2 - SYSTEME ADMISSION <p>Vue éclatée 2 pour TGB LANDMAX 1000 CAB – retrouvez la liste complète des composants d'origine et identifiez rapidement la pièce compatible.</p> 20 - ENSEMBLE REFROIDISSEMENT <p>Vue éclatée 20 pour TGB BLADE 550 FLX – retrouvez la liste complète des composants d'origine et identifiez rapidement la pièce compatible.</p> 20 - ENSEMBLE REFROIDISSEMENT <p>Vue éclatée 20 pour TGB BLADE 600 FLX – retrouvez la liste complète des composants d'origine et identifiez rapidement la pièce compatible.</p> 20 - ENSEMBLE REFROIDISSEMENT <p>Vue éclatée 20 pour TGB BLADE 600 LTX ABS – retrouvez la liste complète des composants d'origine et identifiez rapidement la pièce compatible.</p> 20 - ENSEMBLE REFROIDISSEMENT <p>Vue éclatée 20 pour TGB LANDMAX 1000 – retrouvez la liste complète des composants d'origine et identifiez rapidement la pièce compatible.</p> 20 - ENSEMBLE REFROIDISSEMENT <p>Vue éclatée 20 pour TGB LANDMAX 1000 CAB – retrouvez la liste complète des composants d'origine et identifiez rapidement la pièce compatible.</p> 21 - SYSTEME ELECTRIQUE 2 <p>Vue éclatée 21 pour TGB BLADE 550 FLX – retrouvez la liste complète des composants d'origine et identifiez rapidement la pièce compatible.</p> 21 - SYSTEME ELECTRIQUE 2 <p>Vue éclatée 21 pour TGB BLADE 600 FLX – retrouvez la liste complète des composants d'origine et identifiez rapidement la pièce compatible.</p> 21 - SYSTEME ELECTRIQUE 2 <p>Vue éclatée 21 pour TGB BLADE 600 LTX ABS – retrouvez la liste complète des composants d'origine et identifiez rapidement la pièce compatible.</p> 21 - SYSTEME ELECTRIQUE 2 <p>Vue éclatée 21 pour TGB LANDMAX 1000 – retrouvez la liste complète des composants d'origine et identifiez rapidement la pièce compatible.</p> 21 - SYSTEME ELECTRIQUE 2 <p>Vue éclatée 21 pour TGB LANDMAX 1000 CAB – retrouvez la liste complète des composants d'origine et identifiez rapidement la pièce compatible.</p> 22 - SYSTEME ELECTRIQUE 3 <p>Vue éclatée 22 pour TGB BLADE 550 FLX – retrouvez la liste complète des composants d'origine et identifiez rapidement la pièce compatible.</p> 22 - SYSTEME ELECTRIQUE 3 <p>Vue éclatée 22 pour TGB BLADE 600 FLX – retrouvez la liste complète des composants d'origine et identifiez rapidement la pièce compatible.</p> 22 - SYSTEME ELECTRIQUE 3 <p>Vue éclatée 22 pour TGB BLADE 600 LTX ABS – retrouvez la liste complète des composants d'origine et identifiez rapidement la pièce compatible.</p> 22 - SYSTEME ELECTRIQUE 3 <p>Vue éclatée 22 pour TGB LANDMAX 1000 – retrouvez la liste complète des composants d'origine et identifiez rapidement la pièce compatible.</p> 22 - SYSTEME ELECTRIQUE 3 <p>Vue éclatée 22 pour TGB LANDMAX 1000 CAB – retrouvez la liste complète des composants d'origine et identifiez rapidement la pièce compatible.</p> 23 - RELAIS SUPPORTS <p>Vue éclatée 23 pour TGB LANDMAX 1000 – retrouvez la liste complète des composants d'origine et identifiez rapidement la pièce compatible.</p> 23 - RELAIS SUPPORTS <p>Vue éclatée 23 pour TGB LANDMAX 1000 CAB – retrouvez la liste complète des composants d'origine et identifiez rapidement la pièce compatible.</p> 23 - SUPPORTS <p>Vue éclatée 23 pour TGB BLADE 550 FLX – retrouvez la liste complète des composants d'origine et identifiez rapidement la pièce compatible.</p> 23 - SUPPORTS <p>Vue éclatée 23 pour TGB BLADE 600 FLX – retrouvez la liste complète des composants d'origine et identifiez rapidement la pièce compatible.</p> 23 - SUPPORTS <p>Vue éclatée 23 pour TGB BLADE 600 LTX ABS – retrouvez la liste complète des composants d'origine et identifiez rapidement la pièce compatible.</p> 24 - CONTROLEUR... <p>Vue éclatée 24 pour TGB LANDMAX 1000 – retrouvez la liste complète des composants d'origine et identifiez rapidement la pièce compatible.</p> 24 - ECLAIRAGE INT MONITEUR... <p>Vue éclatée 24 pour TGB LANDMAX 1000 CAB – retrouvez la liste complète des composants d'origine et identifiez rapidement la pièce compatible.</p> 24 - SUPPORTS MOTEUR <p>Vue éclatée 24 pour TGB BLADE 550 FLX – retrouvez la liste complète des composants d'origine et identifiez rapidement la pièce compatible.</p> 24 - SUPPORTS MOTEUR <p>Vue éclatée 24 pour TGB BLADE 600 FLX – retrouvez la liste complète des composants d'origine et identifiez rapidement la pièce compatible.</p> 24 - SUPPORTS MOTEUR <p>Vue éclatée 24 pour TGB BLADE 600 LTX ABS – retrouvez la liste complète des composants d'origine et identifiez rapidement la pièce compatible.</p> 25 - COMPTEUR <p>Vue éclatée 25 pour TGB LANDMAX 1000 – retrouvez la liste complète des composants d'origine et identifiez rapidement la pièce compatible.</p> 25 - CONTROLEUR... <p>Vue éclatée 25 pour TGB LANDMAX 1000 CAB – retrouvez la liste complète des composants d'origine et identifiez rapidement la pièce compatible.</p> 25 - MOTEUR DE DIFFERENTIEL <p>Vue éclatée 25 pour TGB BLADE 550 FLX – retrouvez la liste complète des composants d'origine et identifiez rapidement la pièce compatible.</p> 25 - MOTEUR DE DIFFERENTIEL <p>Vue éclatée 25 pour TGB BLADE 600 FLX – retrouvez la liste complète des composants d'origine et identifiez rapidement la pièce compatible.</p> 25 - MOTEUR DE DIFFERENTIEL <p>Vue éclatée 25 pour TGB BLADE 600 LTX ABS – retrouvez la liste complète des composants d'origine et identifiez rapidement la pièce compatible.</p> 26 - COMPTEUR <p>Vue éclatée 26 pour TGB LANDMAX 1000 CAB – retrouvez la liste complète des composants d'origine et identifiez rapidement la pièce compatible.</p> 26 - DIRECTION ASSISTEE... <p>Vue éclatée 26 pour TGB BLADE 550 FLX – retrouvez la liste complète des composants d'origine et identifiez rapidement la pièce compatible.</p> 26 - DIRECTION ASSISTEE... <p>Vue éclatée 26 pour TGB BLADE 600 LTX ABS – retrouvez la liste complète des composants d'origine et identifiez rapidement la pièce compatible.</p> 26 - ECLAIRAGE AVANT <p>Vue éclatée 26 pour TGB LANDMAX 1000 – retrouvez la liste complète des composants d'origine et identifiez rapidement la pièce compatible.</p> 26 - SUPPORTS DIFFERENTIEL... <p>Vue éclatée 26 pour TGB BLADE 600 FLX – retrouvez la liste complète des composants d'origine et identifiez rapidement la pièce compatible.</p> 27 - COMPTEUR <p>Vue éclatée 27 pour TGB BLADE 550 FLX – retrouvez la liste complète des composants d'origine et identifiez rapidement la pièce compatible.</p> 27 - COMPTEUR <p>Vue éclatée 27 pour TGB BLADE 600 LTX ABS – retrouvez la liste complète des composants d'origine et identifiez rapidement la pièce compatible.</p> 27 - DIRECTION ASSISTEE... <p>Vue éclatée 27 pour TGB BLADE 600 FLX – retrouvez la liste complète des composants d'origine et identifiez rapidement la pièce compatible.</p> 27 - ECLAIRAGE ARRIERE <p>Vue éclatée 27 pour TGB LANDMAX 1000 – retrouvez la liste complète des composants d'origine et identifiez rapidement la pièce compatible.</p> 27 - ECLAIRAGE AVANT <p>Vue éclatée 27 pour TGB LANDMAX 1000 CAB – retrouvez la liste complète des composants d'origine et identifiez rapidement la pièce compatible.</p> Affichage 1-100 de 539 article(s) 1 2 3 … 6 Suivant Retour en haut
16 - ENSEMBLE DIFFERENTIEL... <p>Vue éclatée 16 pour TGB BLADE 550 FLX – retrouvez la liste complète des composants d'origine et identifiez rapidement la pièce compatible.</p> 16 - ENSEMBLE DIFFERENTIEL... <p>Vue éclatée 16 pour TGB BLADE 600 FLX – retrouvez la liste complète des composants d'origine et identifiez rapidement la pièce compatible.</p> 16 - ENSEMBLE DIFFERENTIEL... <p>Vue éclatée 16 pour TGB BLADE 600 LTX ABS – retrouvez la liste complète des composants d'origine et identifiez rapidement la pièce compatible.</p> 16 - ENSEMBLE FILTRE A AIR <p>Vue éclatée 16 pour TGB LANDMAX 1000 – retrouvez la liste complète des composants d'origine et identifiez rapidement la pièce compatible.</p> 16 - ENSEMBLE FILTRE A AIR <p>Vue éclatée 16 pour TGB LANDMAX 1000 CAB – retrouvez la liste complète des composants d'origine et identifiez rapidement la pièce compatible.</p> 17 - BLOCAGE DIFFERENTIEL... <p>Vue éclatée 17 pour TGB LANDMAX 1000 – retrouvez la liste complète des composants d'origine et identifiez rapidement la pièce compatible.</p> 17 - BLOCAGE DIFFERENTIEL... <p>Vue éclatée 17 pour TGB LANDMAX 1000 CAB – retrouvez la liste complète des composants d'origine et identifiez rapidement la pièce compatible.</p> 17 - VARIATEUR <p>Vue éclatée 17 pour TGB BLADE 550 FLX – retrouvez la liste complète des composants d'origine et identifiez rapidement la pièce compatible.</p> 17 - VARIATEUR <p>Vue éclatée 17 pour TGB BLADE 600 FLX – retrouvez la liste complète des composants d'origine et identifiez rapidement la pièce compatible.</p> 17 - VARIATEUR <p>Vue éclatée 17 pour TGB BLADE 600 LTX ABS – retrouvez la liste complète des composants d'origine et identifiez rapidement la pièce compatible.</p> 18 - ENSEMBLE DIFFERENTIEL... <p>Vue éclatée 18 pour TGB LANDMAX 1000 – retrouvez la liste complète des composants d'origine et identifiez rapidement la pièce compatible.</p> 18 - ENSEMBLE DIFFERENTIEL... <p>Vue éclatée 18 pour TGB LANDMAX 1000 CAB – retrouvez la liste complète des composants d'origine et identifiez rapidement la pièce compatible.</p> 18 - ENSEMBLE ECHAPPEMENT <p>Vue éclatée 18 pour TGB BLADE 550 FLX – retrouvez la liste complète des composants d'origine et identifiez rapidement la pièce compatible.</p> 18 - ENSEMBLE ECHAPPEMENT <p>Vue éclatée 18 pour TGB BLADE 600 FLX – retrouvez la liste complète des composants d'origine et identifiez rapidement la pièce compatible.</p> 18 - ENSEMBLE ECHAPPEMENT <p>Vue éclatée 18 pour TGB BLADE 600 LTX ABS – retrouvez la liste complète des composants d'origine et identifiez rapidement la pièce compatible.</p> 19 - DIRECTION ASSISTEE <p>Vue éclatée 19 pour TGB LANDMAX 1000 – retrouvez la liste complète des composants d'origine et identifiez rapidement la pièce compatible.</p> 19 - DIRECTION ASSISTEE <p>Vue éclatée 19 pour TGB LANDMAX 1000 CAB – retrouvez la liste complète des composants d'origine et identifiez rapidement la pièce compatible.</p> 19 - ENSEMBLE FILTRE A AIR <p>Vue éclatée 19 pour TGB BLADE 550 FLX – retrouvez la liste complète des composants d'origine et identifiez rapidement la pièce compatible.</p> 19 - ENSEMBLE FILTRE A AIR <p>Vue éclatée 19 pour TGB BLADE 600 FLX – retrouvez la liste complète des composants d'origine et identifiez rapidement la pièce compatible.</p> 19 - ENSEMBLE FILTRE A AIR <p>Vue éclatée 19 pour TGB BLADE 600 LTX ABS – retrouvez la liste complète des composants d'origine et identifiez rapidement la pièce compatible.</p> 2 - SYSTEME ADMISSION <p>Vue éclatée 2 pour TGB BLADE 550 FLX – retrouvez la liste complète des composants d'origine et identifiez rapidement la pièce compatible.</p> 2 - SYSTEME ADMISSION <p>Vue éclatée 2 pour TGB BLADE 600 FLX – retrouvez la liste complète des composants d'origine et identifiez rapidement la pièce compatible.</p> 2 - SYSTEME ADMISSION <p>Vue éclatée 2 pour TGB BLADE 600 LTX ABS – retrouvez la liste complète des composants d'origine et identifiez rapidement la pièce compatible.</p> 2 - SYSTEME ADMISSION <p>Vue éclatée 2 pour TGB LANDMAX 1000 – retrouvez la liste complète des composants d'origine et identifiez rapidement la pièce compatible.</p> 2 - SYSTEME ADMISSION <p>Vue éclatée 2 pour TGB LANDMAX 1000 CAB – retrouvez la liste complète des composants d'origine et identifiez rapidement la pièce compatible.</p> 20 - ENSEMBLE REFROIDISSEMENT <p>Vue éclatée 20 pour TGB BLADE 550 FLX – retrouvez la liste complète des composants d'origine et identifiez rapidement la pièce compatible.</p> 20 - ENSEMBLE REFROIDISSEMENT <p>Vue éclatée 20 pour TGB BLADE 600 FLX – retrouvez la liste complète des composants d'origine et identifiez rapidement la pièce compatible.</p> 20 - ENSEMBLE REFROIDISSEMENT <p>Vue éclatée 20 pour TGB BLADE 600 LTX ABS – retrouvez la liste complète des composants d'origine et identifiez rapidement la pièce compatible.</p> 20 - ENSEMBLE REFROIDISSEMENT <p>Vue éclatée 20 pour TGB LANDMAX 1000 – retrouvez la liste complète des composants d'origine et identifiez rapidement la pièce compatible.</p> 20 - ENSEMBLE REFROIDISSEMENT <p>Vue éclatée 20 pour TGB LANDMAX 1000 CAB – retrouvez la liste complète des composants d'origine et identifiez rapidement la pièce compatible.</p> 21 - SYSTEME ELECTRIQUE 2 <p>Vue éclatée 21 pour TGB BLADE 550 FLX – retrouvez la liste complète des composants d'origine et identifiez rapidement la pièce compatible.</p> 21 - SYSTEME ELECTRIQUE 2 <p>Vue éclatée 21 pour TGB BLADE 600 FLX – retrouvez la liste complète des composants d'origine et identifiez rapidement la pièce compatible.</p> 21 - SYSTEME ELECTRIQUE 2 <p>Vue éclatée 21 pour TGB BLADE 600 LTX ABS – retrouvez la liste complète des composants d'origine et identifiez rapidement la pièce compatible.</p> 21 - SYSTEME ELECTRIQUE 2 <p>Vue éclatée 21 pour TGB LANDMAX 1000 – retrouvez la liste complète des composants d'origine et identifiez rapidement la pièce compatible.</p> 21 - SYSTEME ELECTRIQUE 2 <p>Vue éclatée 21 pour TGB LANDMAX 1000 CAB – retrouvez la liste complète des composants d'origine et identifiez rapidement la pièce compatible.</p> 22 - SYSTEME ELECTRIQUE 3 <p>Vue éclatée 22 pour TGB BLADE 550 FLX – retrouvez la liste complète des composants d'origine et identifiez rapidement la pièce compatible.</p> 22 - SYSTEME ELECTRIQUE 3 <p>Vue éclatée 22 pour TGB BLADE 600 FLX – retrouvez la liste complète des composants d'origine et identifiez rapidement la pièce compatible.</p> 22 - SYSTEME ELECTRIQUE 3 <p>Vue éclatée 22 pour TGB BLADE 600 LTX ABS – retrouvez la liste complète des composants d'origine et identifiez rapidement la pièce compatible.</p> 22 - SYSTEME ELECTRIQUE 3 <p>Vue éclatée 22 pour TGB LANDMAX 1000 – retrouvez la liste complète des composants d'origine et identifiez rapidement la pièce compatible.</p> 22 - SYSTEME ELECTRIQUE 3 <p>Vue éclatée 22 pour TGB LANDMAX 1000 CAB – retrouvez la liste complète des composants d'origine et identifiez rapidement la pièce compatible.</p> 23 - RELAIS SUPPORTS <p>Vue éclatée 23 pour TGB LANDMAX 1000 – retrouvez la liste complète des composants d'origine et identifiez rapidement la pièce compatible.</p> 23 - RELAIS SUPPORTS <p>Vue éclatée 23 pour TGB LANDMAX 1000 CAB – retrouvez la liste complète des composants d'origine et identifiez rapidement la pièce compatible.</p> 23 - SUPPORTS <p>Vue éclatée 23 pour TGB BLADE 550 FLX – retrouvez la liste complète des composants d'origine et identifiez rapidement la pièce compatible.</p> 23 - SUPPORTS <p>Vue éclatée 23 pour TGB BLADE 600 FLX – retrouvez la liste complète des composants d'origine et identifiez rapidement la pièce compatible.</p> 23 - SUPPORTS <p>Vue éclatée 23 pour TGB BLADE 600 LTX ABS – retrouvez la liste complète des composants d'origine et identifiez rapidement la pièce compatible.</p> 24 - CONTROLEUR... <p>Vue éclatée 24 pour TGB LANDMAX 1000 – retrouvez la liste complète des composants d'origine et identifiez rapidement la pièce compatible.</p> 24 - ECLAIRAGE INT MONITEUR... <p>Vue éclatée 24 pour TGB LANDMAX 1000 CAB – retrouvez la liste complète des composants d'origine et identifiez rapidement la pièce compatible.</p> 24 - SUPPORTS MOTEUR <p>Vue éclatée 24 pour TGB BLADE 550 FLX – retrouvez la liste complète des composants d'origine et identifiez rapidement la pièce compatible.</p> 24 - SUPPORTS MOTEUR <p>Vue éclatée 24 pour TGB BLADE 600 FLX – retrouvez la liste complète des composants d'origine et identifiez rapidement la pièce compatible.</p> 24 - SUPPORTS MOTEUR <p>Vue éclatée 24 pour TGB BLADE 600 LTX ABS – retrouvez la liste complète des composants d'origine et identifiez rapidement la pièce compatible.</p> 25 - COMPTEUR <p>Vue éclatée 25 pour TGB LANDMAX 1000 – retrouvez la liste complète des composants d'origine et identifiez rapidement la pièce compatible.</p> 25 - CONTROLEUR... <p>Vue éclatée 25 pour TGB LANDMAX 1000 CAB – retrouvez la liste complète des composants d'origine et identifiez rapidement la pièce compatible.</p> 25 - MOTEUR DE DIFFERENTIEL <p>Vue éclatée 25 pour TGB BLADE 550 FLX – retrouvez la liste complète des composants d'origine et identifiez rapidement la pièce compatible.</p> 25 - MOTEUR DE DIFFERENTIEL <p>Vue éclatée 25 pour TGB BLADE 600 FLX – retrouvez la liste complète des composants d'origine et identifiez rapidement la pièce compatible.</p> 25 - MOTEUR DE DIFFERENTIEL <p>Vue éclatée 25 pour TGB BLADE 600 LTX ABS – retrouvez la liste complète des composants d'origine et identifiez rapidement la pièce compatible.</p> 26 - COMPTEUR <p>Vue éclatée 26 pour TGB LANDMAX 1000 CAB – retrouvez la liste complète des composants d'origine et identifiez rapidement la pièce compatible.</p> 26 - DIRECTION ASSISTEE... <p>Vue éclatée 26 pour TGB BLADE 550 FLX – retrouvez la liste complète des composants d'origine et identifiez rapidement la pièce compatible.</p> 26 - DIRECTION ASSISTEE... <p>Vue éclatée 26 pour TGB BLADE 600 LTX ABS – retrouvez la liste complète des composants d'origine et identifiez rapidement la pièce compatible.</p> 26 - ECLAIRAGE AVANT <p>Vue éclatée 26 pour TGB LANDMAX 1000 – retrouvez la liste complète des composants d'origine et identifiez rapidement la pièce compatible.</p> 26 - SUPPORTS DIFFERENTIEL... <p>Vue éclatée 26 pour TGB BLADE 600 FLX – retrouvez la liste complète des composants d'origine et identifiez rapidement la pièce compatible.</p> 27 - COMPTEUR <p>Vue éclatée 27 pour TGB BLADE 550 FLX – retrouvez la liste complète des composants d'origine et identifiez rapidement la pièce compatible.</p> 27 - COMPTEUR <p>Vue éclatée 27 pour TGB BLADE 600 LTX ABS – retrouvez la liste complète des composants d'origine et identifiez rapidement la pièce compatible.</p> 27 - DIRECTION ASSISTEE... <p>Vue éclatée 27 pour TGB BLADE 600 FLX – retrouvez la liste complète des composants d'origine et identifiez rapidement la pièce compatible.</p> 27 - ECLAIRAGE ARRIERE <p>Vue éclatée 27 pour TGB LANDMAX 1000 – retrouvez la liste complète des composants d'origine et identifiez rapidement la pièce compatible.</p> 27 - ECLAIRAGE AVANT <p>Vue éclatée 27 pour TGB LANDMAX 1000 CAB – retrouvez la liste complète des composants d'origine et identifiez rapidement la pièce compatible.</p> Affichage 1-100 de 539 article(s) 1 2 3 … 6 Suivant Retour en haut
16 - ENSEMBLE DIFFERENTIEL... <p>Vue éclatée 16 pour TGB BLADE 600 FLX – retrouvez la liste complète des composants d'origine et identifiez rapidement la pièce compatible.</p> 16 - ENSEMBLE DIFFERENTIEL... <p>Vue éclatée 16 pour TGB BLADE 600 LTX ABS – retrouvez la liste complète des composants d'origine et identifiez rapidement la pièce compatible.</p> 16 - ENSEMBLE FILTRE A AIR <p>Vue éclatée 16 pour TGB LANDMAX 1000 – retrouvez la liste complète des composants d'origine et identifiez rapidement la pièce compatible.</p> 16 - ENSEMBLE FILTRE A AIR <p>Vue éclatée 16 pour TGB LANDMAX 1000 CAB – retrouvez la liste complète des composants d'origine et identifiez rapidement la pièce compatible.</p> 17 - BLOCAGE DIFFERENTIEL... <p>Vue éclatée 17 pour TGB LANDMAX 1000 – retrouvez la liste complète des composants d'origine et identifiez rapidement la pièce compatible.</p> 17 - BLOCAGE DIFFERENTIEL... <p>Vue éclatée 17 pour TGB LANDMAX 1000 CAB – retrouvez la liste complète des composants d'origine et identifiez rapidement la pièce compatible.</p> 17 - VARIATEUR <p>Vue éclatée 17 pour TGB BLADE 550 FLX – retrouvez la liste complète des composants d'origine et identifiez rapidement la pièce compatible.</p> 17 - VARIATEUR <p>Vue éclatée 17 pour TGB BLADE 600 FLX – retrouvez la liste complète des composants d'origine et identifiez rapidement la pièce compatible.</p> 17 - VARIATEUR <p>Vue éclatée 17 pour TGB BLADE 600 LTX ABS – retrouvez la liste complète des composants d'origine et identifiez rapidement la pièce compatible.</p> 18 - ENSEMBLE DIFFERENTIEL... <p>Vue éclatée 18 pour TGB LANDMAX 1000 – retrouvez la liste complète des composants d'origine et identifiez rapidement la pièce compatible.</p> 18 - ENSEMBLE DIFFERENTIEL... <p>Vue éclatée 18 pour TGB LANDMAX 1000 CAB – retrouvez la liste complète des composants d'origine et identifiez rapidement la pièce compatible.</p> 18 - ENSEMBLE ECHAPPEMENT <p>Vue éclatée 18 pour TGB BLADE 550 FLX – retrouvez la liste complète des composants d'origine et identifiez rapidement la pièce compatible.</p> 18 - ENSEMBLE ECHAPPEMENT <p>Vue éclatée 18 pour TGB BLADE 600 FLX – retrouvez la liste complète des composants d'origine et identifiez rapidement la pièce compatible.</p> 18 - ENSEMBLE ECHAPPEMENT <p>Vue éclatée 18 pour TGB BLADE 600 LTX ABS – retrouvez la liste complète des composants d'origine et identifiez rapidement la pièce compatible.</p> 19 - DIRECTION ASSISTEE <p>Vue éclatée 19 pour TGB LANDMAX 1000 – retrouvez la liste complète des composants d'origine et identifiez rapidement la pièce compatible.</p> 19 - DIRECTION ASSISTEE <p>Vue éclatée 19 pour TGB LANDMAX 1000 CAB – retrouvez la liste complète des composants d'origine et identifiez rapidement la pièce compatible.</p> 19 - ENSEMBLE FILTRE A AIR <p>Vue éclatée 19 pour TGB BLADE 550 FLX – retrouvez la liste complète des composants d'origine et identifiez rapidement la pièce compatible.</p> 19 - ENSEMBLE FILTRE A AIR <p>Vue éclatée 19 pour TGB BLADE 600 FLX – retrouvez la liste complète des composants d'origine et identifiez rapidement la pièce compatible.</p> 19 - ENSEMBLE FILTRE A AIR <p>Vue éclatée 19 pour TGB BLADE 600 LTX ABS – retrouvez la liste complète des composants d'origine et identifiez rapidement la pièce compatible.</p> 2 - SYSTEME ADMISSION <p>Vue éclatée 2 pour TGB BLADE 550 FLX – retrouvez la liste complète des composants d'origine et identifiez rapidement la pièce compatible.</p> 2 - SYSTEME ADMISSION <p>Vue éclatée 2 pour TGB BLADE 600 FLX – retrouvez la liste complète des composants d'origine et identifiez rapidement la pièce compatible.</p> 2 - SYSTEME ADMISSION <p>Vue éclatée 2 pour TGB BLADE 600 LTX ABS – retrouvez la liste complète des composants d'origine et identifiez rapidement la pièce compatible.</p> 2 - SYSTEME ADMISSION <p>Vue éclatée 2 pour TGB LANDMAX 1000 – retrouvez la liste complète des composants d'origine et identifiez rapidement la pièce compatible.</p> 2 - SYSTEME ADMISSION <p>Vue éclatée 2 pour TGB LANDMAX 1000 CAB – retrouvez la liste complète des composants d'origine et identifiez rapidement la pièce compatible.</p> 20 - ENSEMBLE REFROIDISSEMENT <p>Vue éclatée 20 pour TGB BLADE 550 FLX – retrouvez la liste complète des composants d'origine et identifiez rapidement la pièce compatible.</p> 20 - ENSEMBLE REFROIDISSEMENT <p>Vue éclatée 20 pour TGB BLADE 600 FLX – retrouvez la liste complète des composants d'origine et identifiez rapidement la pièce compatible.</p> 20 - ENSEMBLE REFROIDISSEMENT <p>Vue éclatée 20 pour TGB BLADE 600 LTX ABS – retrouvez la liste complète des composants d'origine et identifiez rapidement la pièce compatible.</p> 20 - ENSEMBLE REFROIDISSEMENT <p>Vue éclatée 20 pour TGB LANDMAX 1000 – retrouvez la liste complète des composants d'origine et identifiez rapidement la pièce compatible.</p> 20 - ENSEMBLE REFROIDISSEMENT <p>Vue éclatée 20 pour TGB LANDMAX 1000 CAB – retrouvez la liste complète des composants d'origine et identifiez rapidement la pièce compatible.</p> 21 - SYSTEME ELECTRIQUE 2 <p>Vue éclatée 21 pour TGB BLADE 550 FLX – retrouvez la liste complète des composants d'origine et identifiez rapidement la pièce compatible.</p> 21 - SYSTEME ELECTRIQUE 2 <p>Vue éclatée 21 pour TGB BLADE 600 FLX – retrouvez la liste complète des composants d'origine et identifiez rapidement la pièce compatible.</p> 21 - SYSTEME ELECTRIQUE 2 <p>Vue éclatée 21 pour TGB BLADE 600 LTX ABS – retrouvez la liste complète des composants d'origine et identifiez rapidement la pièce compatible.</p> 21 - SYSTEME ELECTRIQUE 2 <p>Vue éclatée 21 pour TGB LANDMAX 1000 – retrouvez la liste complète des composants d'origine et identifiez rapidement la pièce compatible.</p> 21 - SYSTEME ELECTRIQUE 2 <p>Vue éclatée 21 pour TGB LANDMAX 1000 CAB – retrouvez la liste complète des composants d'origine et identifiez rapidement la pièce compatible.</p> 22 - SYSTEME ELECTRIQUE 3 <p>Vue éclatée 22 pour TGB BLADE 550 FLX – retrouvez la liste complète des composants d'origine et identifiez rapidement la pièce compatible.</p> 22 - SYSTEME ELECTRIQUE 3 <p>Vue éclatée 22 pour TGB BLADE 600 FLX – retrouvez la liste complète des composants d'origine et identifiez rapidement la pièce compatible.</p> 22 - SYSTEME ELECTRIQUE 3 <p>Vue éclatée 22 pour TGB BLADE 600 LTX ABS – retrouvez la liste complète des composants d'origine et identifiez rapidement la pièce compatible.</p> 22 - SYSTEME ELECTRIQUE 3 <p>Vue éclatée 22 pour TGB LANDMAX 1000 – retrouvez la liste complète des composants d'origine et identifiez rapidement la pièce compatible.</p> 22 - SYSTEME ELECTRIQUE 3 <p>Vue éclatée 22 pour TGB LANDMAX 1000 CAB – retrouvez la liste complète des composants d'origine et identifiez rapidement la pièce compatible.</p> 23 - RELAIS SUPPORTS <p>Vue éclatée 23 pour TGB LANDMAX 1000 – retrouvez la liste complète des composants d'origine et identifiez rapidement la pièce compatible.</p> 23 - RELAIS SUPPORTS <p>Vue éclatée 23 pour TGB LANDMAX 1000 CAB – retrouvez la liste complète des composants d'origine et identifiez rapidement la pièce compatible.</p> 23 - SUPPORTS <p>Vue éclatée 23 pour TGB BLADE 550 FLX – retrouvez la liste complète des composants d'origine et identifiez rapidement la pièce compatible.</p> 23 - SUPPORTS <p>Vue éclatée 23 pour TGB BLADE 600 FLX – retrouvez la liste complète des composants d'origine et identifiez rapidement la pièce compatible.</p> 23 - SUPPORTS <p>Vue éclatée 23 pour TGB BLADE 600 LTX ABS – retrouvez la liste complète des composants d'origine et identifiez rapidement la pièce compatible.</p> 24 - CONTROLEUR... <p>Vue éclatée 24 pour TGB LANDMAX 1000 – retrouvez la liste complète des composants d'origine et identifiez rapidement la pièce compatible.</p> 24 - ECLAIRAGE INT MONITEUR... <p>Vue éclatée 24 pour TGB LANDMAX 1000 CAB – retrouvez la liste complète des composants d'origine et identifiez rapidement la pièce compatible.</p> 24 - SUPPORTS MOTEUR <p>Vue éclatée 24 pour TGB BLADE 550 FLX – retrouvez la liste complète des composants d'origine et identifiez rapidement la pièce compatible.</p> 24 - SUPPORTS MOTEUR <p>Vue éclatée 24 pour TGB BLADE 600 FLX – retrouvez la liste complète des composants d'origine et identifiez rapidement la pièce compatible.</p> 24 - SUPPORTS MOTEUR <p>Vue éclatée 24 pour TGB BLADE 600 LTX ABS – retrouvez la liste complète des composants d'origine et identifiez rapidement la pièce compatible.</p> 25 - COMPTEUR <p>Vue éclatée 25 pour TGB LANDMAX 1000 – retrouvez la liste complète des composants d'origine et identifiez rapidement la pièce compatible.</p> 25 - CONTROLEUR... <p>Vue éclatée 25 pour TGB LANDMAX 1000 CAB – retrouvez la liste complète des composants d'origine et identifiez rapidement la pièce compatible.</p> 25 - MOTEUR DE DIFFERENTIEL <p>Vue éclatée 25 pour TGB BLADE 550 FLX – retrouvez la liste complète des composants d'origine et identifiez rapidement la pièce compatible.</p> 25 - MOTEUR DE DIFFERENTIEL <p>Vue éclatée 25 pour TGB BLADE 600 FLX – retrouvez la liste complète des composants d'origine et identifiez rapidement la pièce compatible.</p> 25 - MOTEUR DE DIFFERENTIEL <p>Vue éclatée 25 pour TGB BLADE 600 LTX ABS – retrouvez la liste complète des composants d'origine et identifiez rapidement la pièce compatible.</p> 26 - COMPTEUR <p>Vue éclatée 26 pour TGB LANDMAX 1000 CAB – retrouvez la liste complète des composants d'origine et identifiez rapidement la pièce compatible.</p> 26 - DIRECTION ASSISTEE... <p>Vue éclatée 26 pour TGB BLADE 550 FLX – retrouvez la liste complète des composants d'origine et identifiez rapidement la pièce compatible.</p> 26 - DIRECTION ASSISTEE... <p>Vue éclatée 26 pour TGB BLADE 600 LTX ABS – retrouvez la liste complète des composants d'origine et identifiez rapidement la pièce compatible.</p> 26 - ECLAIRAGE AVANT <p>Vue éclatée 26 pour TGB LANDMAX 1000 – retrouvez la liste complète des composants d'origine et identifiez rapidement la pièce compatible.</p> 26 - SUPPORTS DIFFERENTIEL... <p>Vue éclatée 26 pour TGB BLADE 600 FLX – retrouvez la liste complète des composants d'origine et identifiez rapidement la pièce compatible.</p> 27 - COMPTEUR <p>Vue éclatée 27 pour TGB BLADE 550 FLX – retrouvez la liste complète des composants d'origine et identifiez rapidement la pièce compatible.</p> 27 - COMPTEUR <p>Vue éclatée 27 pour TGB BLADE 600 LTX ABS – retrouvez la liste complète des composants d'origine et identifiez rapidement la pièce compatible.</p> 27 - DIRECTION ASSISTEE... <p>Vue éclatée 27 pour TGB BLADE 600 FLX – retrouvez la liste complète des composants d'origine et identifiez rapidement la pièce compatible.</p> 27 - ECLAIRAGE ARRIERE <p>Vue éclatée 27 pour TGB LANDMAX 1000 – retrouvez la liste complète des composants d'origine et identifiez rapidement la pièce compatible.</p> 27 - ECLAIRAGE AVANT <p>Vue éclatée 27 pour TGB LANDMAX 1000 CAB – retrouvez la liste complète des composants d'origine et identifiez rapidement la pièce compatible.</p> Affichage 1-100 de 539 article(s) 1 2 3 … 6 Suivant Retour en haut
16 - ENSEMBLE DIFFERENTIEL... <p>Vue éclatée 16 pour TGB BLADE 600 LTX ABS – retrouvez la liste complète des composants d'origine et identifiez rapidement la pièce compatible.</p> 16 - ENSEMBLE FILTRE A AIR <p>Vue éclatée 16 pour TGB LANDMAX 1000 – retrouvez la liste complète des composants d'origine et identifiez rapidement la pièce compatible.</p> 16 - ENSEMBLE FILTRE A AIR <p>Vue éclatée 16 pour TGB LANDMAX 1000 CAB – retrouvez la liste complète des composants d'origine et identifiez rapidement la pièce compatible.</p> 17 - BLOCAGE DIFFERENTIEL... <p>Vue éclatée 17 pour TGB LANDMAX 1000 – retrouvez la liste complète des composants d'origine et identifiez rapidement la pièce compatible.</p> 17 - BLOCAGE DIFFERENTIEL... <p>Vue éclatée 17 pour TGB LANDMAX 1000 CAB – retrouvez la liste complète des composants d'origine et identifiez rapidement la pièce compatible.</p> 17 - VARIATEUR <p>Vue éclatée 17 pour TGB BLADE 550 FLX – retrouvez la liste complète des composants d'origine et identifiez rapidement la pièce compatible.</p> 17 - VARIATEUR <p>Vue éclatée 17 pour TGB BLADE 600 FLX – retrouvez la liste complète des composants d'origine et identifiez rapidement la pièce compatible.</p> 17 - VARIATEUR <p>Vue éclatée 17 pour TGB BLADE 600 LTX ABS – retrouvez la liste complète des composants d'origine et identifiez rapidement la pièce compatible.</p> 18 - ENSEMBLE DIFFERENTIEL... <p>Vue éclatée 18 pour TGB LANDMAX 1000 – retrouvez la liste complète des composants d'origine et identifiez rapidement la pièce compatible.</p> 18 - ENSEMBLE DIFFERENTIEL... <p>Vue éclatée 18 pour TGB LANDMAX 1000 CAB – retrouvez la liste complète des composants d'origine et identifiez rapidement la pièce compatible.</p> 18 - ENSEMBLE ECHAPPEMENT <p>Vue éclatée 18 pour TGB BLADE 550 FLX – retrouvez la liste complète des composants d'origine et identifiez rapidement la pièce compatible.</p> 18 - ENSEMBLE ECHAPPEMENT <p>Vue éclatée 18 pour TGB BLADE 600 FLX – retrouvez la liste complète des composants d'origine et identifiez rapidement la pièce compatible.</p> 18 - ENSEMBLE ECHAPPEMENT <p>Vue éclatée 18 pour TGB BLADE 600 LTX ABS – retrouvez la liste complète des composants d'origine et identifiez rapidement la pièce compatible.</p> 19 - DIRECTION ASSISTEE <p>Vue éclatée 19 pour TGB LANDMAX 1000 – retrouvez la liste complète des composants d'origine et identifiez rapidement la pièce compatible.</p> 19 - DIRECTION ASSISTEE <p>Vue éclatée 19 pour TGB LANDMAX 1000 CAB – retrouvez la liste complète des composants d'origine et identifiez rapidement la pièce compatible.</p> 19 - ENSEMBLE FILTRE A AIR <p>Vue éclatée 19 pour TGB BLADE 550 FLX – retrouvez la liste complète des composants d'origine et identifiez rapidement la pièce compatible.</p> 19 - ENSEMBLE FILTRE A AIR <p>Vue éclatée 19 pour TGB BLADE 600 FLX – retrouvez la liste complète des composants d'origine et identifiez rapidement la pièce compatible.</p> 19 - ENSEMBLE FILTRE A AIR <p>Vue éclatée 19 pour TGB BLADE 600 LTX ABS – retrouvez la liste complète des composants d'origine et identifiez rapidement la pièce compatible.</p> 2 - SYSTEME ADMISSION <p>Vue éclatée 2 pour TGB BLADE 550 FLX – retrouvez la liste complète des composants d'origine et identifiez rapidement la pièce compatible.</p> 2 - SYSTEME ADMISSION <p>Vue éclatée 2 pour TGB BLADE 600 FLX – retrouvez la liste complète des composants d'origine et identifiez rapidement la pièce compatible.</p> 2 - SYSTEME ADMISSION <p>Vue éclatée 2 pour TGB BLADE 600 LTX ABS – retrouvez la liste complète des composants d'origine et identifiez rapidement la pièce compatible.</p> 2 - SYSTEME ADMISSION <p>Vue éclatée 2 pour TGB LANDMAX 1000 – retrouvez la liste complète des composants d'origine et identifiez rapidement la pièce compatible.</p> 2 - SYSTEME ADMISSION <p>Vue éclatée 2 pour TGB LANDMAX 1000 CAB – retrouvez la liste complète des composants d'origine et identifiez rapidement la pièce compatible.</p> 20 - ENSEMBLE REFROIDISSEMENT <p>Vue éclatée 20 pour TGB BLADE 550 FLX – retrouvez la liste complète des composants d'origine et identifiez rapidement la pièce compatible.</p> 20 - ENSEMBLE REFROIDISSEMENT <p>Vue éclatée 20 pour TGB BLADE 600 FLX – retrouvez la liste complète des composants d'origine et identifiez rapidement la pièce compatible.</p> 20 - ENSEMBLE REFROIDISSEMENT <p>Vue éclatée 20 pour TGB BLADE 600 LTX ABS – retrouvez la liste complète des composants d'origine et identifiez rapidement la pièce compatible.</p> 20 - ENSEMBLE REFROIDISSEMENT <p>Vue éclatée 20 pour TGB LANDMAX 1000 – retrouvez la liste complète des composants d'origine et identifiez rapidement la pièce compatible.</p> 20 - ENSEMBLE REFROIDISSEMENT <p>Vue éclatée 20 pour TGB LANDMAX 1000 CAB – retrouvez la liste complète des composants d'origine et identifiez rapidement la pièce compatible.</p> 21 - SYSTEME ELECTRIQUE 2 <p>Vue éclatée 21 pour TGB BLADE 550 FLX – retrouvez la liste complète des composants d'origine et identifiez rapidement la pièce compatible.</p> 21 - SYSTEME ELECTRIQUE 2 <p>Vue éclatée 21 pour TGB BLADE 600 FLX – retrouvez la liste complète des composants d'origine et identifiez rapidement la pièce compatible.</p> 21 - SYSTEME ELECTRIQUE 2 <p>Vue éclatée 21 pour TGB BLADE 600 LTX ABS – retrouvez la liste complète des composants d'origine et identifiez rapidement la pièce compatible.</p> 21 - SYSTEME ELECTRIQUE 2 <p>Vue éclatée 21 pour TGB LANDMAX 1000 – retrouvez la liste complète des composants d'origine et identifiez rapidement la pièce compatible.</p> 21 - SYSTEME ELECTRIQUE 2 <p>Vue éclatée 21 pour TGB LANDMAX 1000 CAB – retrouvez la liste complète des composants d'origine et identifiez rapidement la pièce compatible.</p> 22 - SYSTEME ELECTRIQUE 3 <p>Vue éclatée 22 pour TGB BLADE 550 FLX – retrouvez la liste complète des composants d'origine et identifiez rapidement la pièce compatible.</p> 22 - SYSTEME ELECTRIQUE 3 <p>Vue éclatée 22 pour TGB BLADE 600 FLX – retrouvez la liste complète des composants d'origine et identifiez rapidement la pièce compatible.</p> 22 - SYSTEME ELECTRIQUE 3 <p>Vue éclatée 22 pour TGB BLADE 600 LTX ABS – retrouvez la liste complète des composants d'origine et identifiez rapidement la pièce compatible.</p> 22 - SYSTEME ELECTRIQUE 3 <p>Vue éclatée 22 pour TGB LANDMAX 1000 – retrouvez la liste complète des composants d'origine et identifiez rapidement la pièce compatible.</p> 22 - SYSTEME ELECTRIQUE 3 <p>Vue éclatée 22 pour TGB LANDMAX 1000 CAB – retrouvez la liste complète des composants d'origine et identifiez rapidement la pièce compatible.</p> 23 - RELAIS SUPPORTS <p>Vue éclatée 23 pour TGB LANDMAX 1000 – retrouvez la liste complète des composants d'origine et identifiez rapidement la pièce compatible.</p> 23 - RELAIS SUPPORTS <p>Vue éclatée 23 pour TGB LANDMAX 1000 CAB – retrouvez la liste complète des composants d'origine et identifiez rapidement la pièce compatible.</p> 23 - SUPPORTS <p>Vue éclatée 23 pour TGB BLADE 550 FLX – retrouvez la liste complète des composants d'origine et identifiez rapidement la pièce compatible.</p> 23 - SUPPORTS <p>Vue éclatée 23 pour TGB BLADE 600 FLX – retrouvez la liste complète des composants d'origine et identifiez rapidement la pièce compatible.</p> 23 - SUPPORTS <p>Vue éclatée 23 pour TGB BLADE 600 LTX ABS – retrouvez la liste complète des composants d'origine et identifiez rapidement la pièce compatible.</p> 24 - CONTROLEUR... <p>Vue éclatée 24 pour TGB LANDMAX 1000 – retrouvez la liste complète des composants d'origine et identifiez rapidement la pièce compatible.</p> 24 - ECLAIRAGE INT MONITEUR... <p>Vue éclatée 24 pour TGB LANDMAX 1000 CAB – retrouvez la liste complète des composants d'origine et identifiez rapidement la pièce compatible.</p> 24 - SUPPORTS MOTEUR <p>Vue éclatée 24 pour TGB BLADE 550 FLX – retrouvez la liste complète des composants d'origine et identifiez rapidement la pièce compatible.</p> 24 - SUPPORTS MOTEUR <p>Vue éclatée 24 pour TGB BLADE 600 FLX – retrouvez la liste complète des composants d'origine et identifiez rapidement la pièce compatible.</p> 24 - SUPPORTS MOTEUR <p>Vue éclatée 24 pour TGB BLADE 600 LTX ABS – retrouvez la liste complète des composants d'origine et identifiez rapidement la pièce compatible.</p> 25 - COMPTEUR <p>Vue éclatée 25 pour TGB LANDMAX 1000 – retrouvez la liste complète des composants d'origine et identifiez rapidement la pièce compatible.</p> 25 - CONTROLEUR... <p>Vue éclatée 25 pour TGB LANDMAX 1000 CAB – retrouvez la liste complète des composants d'origine et identifiez rapidement la pièce compatible.</p> 25 - MOTEUR DE DIFFERENTIEL <p>Vue éclatée 25 pour TGB BLADE 550 FLX – retrouvez la liste complète des composants d'origine et identifiez rapidement la pièce compatible.</p> 25 - MOTEUR DE DIFFERENTIEL <p>Vue éclatée 25 pour TGB BLADE 600 FLX – retrouvez la liste complète des composants d'origine et identifiez rapidement la pièce compatible.</p> 25 - MOTEUR DE DIFFERENTIEL <p>Vue éclatée 25 pour TGB BLADE 600 LTX ABS – retrouvez la liste complète des composants d'origine et identifiez rapidement la pièce compatible.</p> 26 - COMPTEUR <p>Vue éclatée 26 pour TGB LANDMAX 1000 CAB – retrouvez la liste complète des composants d'origine et identifiez rapidement la pièce compatible.</p> 26 - DIRECTION ASSISTEE... <p>Vue éclatée 26 pour TGB BLADE 550 FLX – retrouvez la liste complète des composants d'origine et identifiez rapidement la pièce compatible.</p> 26 - DIRECTION ASSISTEE... <p>Vue éclatée 26 pour TGB BLADE 600 LTX ABS – retrouvez la liste complète des composants d'origine et identifiez rapidement la pièce compatible.</p> 26 - ECLAIRAGE AVANT <p>Vue éclatée 26 pour TGB LANDMAX 1000 – retrouvez la liste complète des composants d'origine et identifiez rapidement la pièce compatible.</p> 26 - SUPPORTS DIFFERENTIEL... <p>Vue éclatée 26 pour TGB BLADE 600 FLX – retrouvez la liste complète des composants d'origine et identifiez rapidement la pièce compatible.</p> 27 - COMPTEUR <p>Vue éclatée 27 pour TGB BLADE 550 FLX – retrouvez la liste complète des composants d'origine et identifiez rapidement la pièce compatible.</p> 27 - COMPTEUR <p>Vue éclatée 27 pour TGB BLADE 600 LTX ABS – retrouvez la liste complète des composants d'origine et identifiez rapidement la pièce compatible.</p> 27 - DIRECTION ASSISTEE... <p>Vue éclatée 27 pour TGB BLADE 600 FLX – retrouvez la liste complète des composants d'origine et identifiez rapidement la pièce compatible.</p> 27 - ECLAIRAGE ARRIERE <p>Vue éclatée 27 pour TGB LANDMAX 1000 – retrouvez la liste complète des composants d'origine et identifiez rapidement la pièce compatible.</p> 27 - ECLAIRAGE AVANT <p>Vue éclatée 27 pour TGB LANDMAX 1000 CAB – retrouvez la liste complète des composants d'origine et identifiez rapidement la pièce compatible.</p> Affichage 1-100 de 539 article(s) 1 2 3 … 6 Suivant Retour en haut
16 - ENSEMBLE FILTRE A AIR <p>Vue éclatée 16 pour TGB LANDMAX 1000 – retrouvez la liste complète des composants d'origine et identifiez rapidement la pièce compatible.</p> 16 - ENSEMBLE FILTRE A AIR <p>Vue éclatée 16 pour TGB LANDMAX 1000 CAB – retrouvez la liste complète des composants d'origine et identifiez rapidement la pièce compatible.</p> 17 - BLOCAGE DIFFERENTIEL... <p>Vue éclatée 17 pour TGB LANDMAX 1000 – retrouvez la liste complète des composants d'origine et identifiez rapidement la pièce compatible.</p> 17 - BLOCAGE DIFFERENTIEL... <p>Vue éclatée 17 pour TGB LANDMAX 1000 CAB – retrouvez la liste complète des composants d'origine et identifiez rapidement la pièce compatible.</p> 17 - VARIATEUR <p>Vue éclatée 17 pour TGB BLADE 550 FLX – retrouvez la liste complète des composants d'origine et identifiez rapidement la pièce compatible.</p> 17 - VARIATEUR <p>Vue éclatée 17 pour TGB BLADE 600 FLX – retrouvez la liste complète des composants d'origine et identifiez rapidement la pièce compatible.</p> 17 - VARIATEUR <p>Vue éclatée 17 pour TGB BLADE 600 LTX ABS – retrouvez la liste complète des composants d'origine et identifiez rapidement la pièce compatible.</p> 18 - ENSEMBLE DIFFERENTIEL... <p>Vue éclatée 18 pour TGB LANDMAX 1000 – retrouvez la liste complète des composants d'origine et identifiez rapidement la pièce compatible.</p> 18 - ENSEMBLE DIFFERENTIEL... <p>Vue éclatée 18 pour TGB LANDMAX 1000 CAB – retrouvez la liste complète des composants d'origine et identifiez rapidement la pièce compatible.</p> 18 - ENSEMBLE ECHAPPEMENT <p>Vue éclatée 18 pour TGB BLADE 550 FLX – retrouvez la liste complète des composants d'origine et identifiez rapidement la pièce compatible.</p> 18 - ENSEMBLE ECHAPPEMENT <p>Vue éclatée 18 pour TGB BLADE 600 FLX – retrouvez la liste complète des composants d'origine et identifiez rapidement la pièce compatible.</p> 18 - ENSEMBLE ECHAPPEMENT <p>Vue éclatée 18 pour TGB BLADE 600 LTX ABS – retrouvez la liste complète des composants d'origine et identifiez rapidement la pièce compatible.</p> 19 - DIRECTION ASSISTEE <p>Vue éclatée 19 pour TGB LANDMAX 1000 – retrouvez la liste complète des composants d'origine et identifiez rapidement la pièce compatible.</p> 19 - DIRECTION ASSISTEE <p>Vue éclatée 19 pour TGB LANDMAX 1000 CAB – retrouvez la liste complète des composants d'origine et identifiez rapidement la pièce compatible.</p> 19 - ENSEMBLE FILTRE A AIR <p>Vue éclatée 19 pour TGB BLADE 550 FLX – retrouvez la liste complète des composants d'origine et identifiez rapidement la pièce compatible.</p> 19 - ENSEMBLE FILTRE A AIR <p>Vue éclatée 19 pour TGB BLADE 600 FLX – retrouvez la liste complète des composants d'origine et identifiez rapidement la pièce compatible.</p> 19 - ENSEMBLE FILTRE A AIR <p>Vue éclatée 19 pour TGB BLADE 600 LTX ABS – retrouvez la liste complète des composants d'origine et identifiez rapidement la pièce compatible.</p> 2 - SYSTEME ADMISSION <p>Vue éclatée 2 pour TGB BLADE 550 FLX – retrouvez la liste complète des composants d'origine et identifiez rapidement la pièce compatible.</p> 2 - SYSTEME ADMISSION <p>Vue éclatée 2 pour TGB BLADE 600 FLX – retrouvez la liste complète des composants d'origine et identifiez rapidement la pièce compatible.</p> 2 - SYSTEME ADMISSION <p>Vue éclatée 2 pour TGB BLADE 600 LTX ABS – retrouvez la liste complète des composants d'origine et identifiez rapidement la pièce compatible.</p> 2 - SYSTEME ADMISSION <p>Vue éclatée 2 pour TGB LANDMAX 1000 – retrouvez la liste complète des composants d'origine et identifiez rapidement la pièce compatible.</p> 2 - SYSTEME ADMISSION <p>Vue éclatée 2 pour TGB LANDMAX 1000 CAB – retrouvez la liste complète des composants d'origine et identifiez rapidement la pièce compatible.</p> 20 - ENSEMBLE REFROIDISSEMENT <p>Vue éclatée 20 pour TGB BLADE 550 FLX – retrouvez la liste complète des composants d'origine et identifiez rapidement la pièce compatible.</p> 20 - ENSEMBLE REFROIDISSEMENT <p>Vue éclatée 20 pour TGB BLADE 600 FLX – retrouvez la liste complète des composants d'origine et identifiez rapidement la pièce compatible.</p> 20 - ENSEMBLE REFROIDISSEMENT <p>Vue éclatée 20 pour TGB BLADE 600 LTX ABS – retrouvez la liste complète des composants d'origine et identifiez rapidement la pièce compatible.</p> 20 - ENSEMBLE REFROIDISSEMENT <p>Vue éclatée 20 pour TGB LANDMAX 1000 – retrouvez la liste complète des composants d'origine et identifiez rapidement la pièce compatible.</p> 20 - ENSEMBLE REFROIDISSEMENT <p>Vue éclatée 20 pour TGB LANDMAX 1000 CAB – retrouvez la liste complète des composants d'origine et identifiez rapidement la pièce compatible.</p> 21 - SYSTEME ELECTRIQUE 2 <p>Vue éclatée 21 pour TGB BLADE 550 FLX – retrouvez la liste complète des composants d'origine et identifiez rapidement la pièce compatible.</p> 21 - SYSTEME ELECTRIQUE 2 <p>Vue éclatée 21 pour TGB BLADE 600 FLX – retrouvez la liste complète des composants d'origine et identifiez rapidement la pièce compatible.</p> 21 - SYSTEME ELECTRIQUE 2 <p>Vue éclatée 21 pour TGB BLADE 600 LTX ABS – retrouvez la liste complète des composants d'origine et identifiez rapidement la pièce compatible.</p> 21 - SYSTEME ELECTRIQUE 2 <p>Vue éclatée 21 pour TGB LANDMAX 1000 – retrouvez la liste complète des composants d'origine et identifiez rapidement la pièce compatible.</p> 21 - SYSTEME ELECTRIQUE 2 <p>Vue éclatée 21 pour TGB LANDMAX 1000 CAB – retrouvez la liste complète des composants d'origine et identifiez rapidement la pièce compatible.</p> 22 - SYSTEME ELECTRIQUE 3 <p>Vue éclatée 22 pour TGB BLADE 550 FLX – retrouvez la liste complète des composants d'origine et identifiez rapidement la pièce compatible.</p> 22 - SYSTEME ELECTRIQUE 3 <p>Vue éclatée 22 pour TGB BLADE 600 FLX – retrouvez la liste complète des composants d'origine et identifiez rapidement la pièce compatible.</p> 22 - SYSTEME ELECTRIQUE 3 <p>Vue éclatée 22 pour TGB BLADE 600 LTX ABS – retrouvez la liste complète des composants d'origine et identifiez rapidement la pièce compatible.</p> 22 - SYSTEME ELECTRIQUE 3 <p>Vue éclatée 22 pour TGB LANDMAX 1000 – retrouvez la liste complète des composants d'origine et identifiez rapidement la pièce compatible.</p> 22 - SYSTEME ELECTRIQUE 3 <p>Vue éclatée 22 pour TGB LANDMAX 1000 CAB – retrouvez la liste complète des composants d'origine et identifiez rapidement la pièce compatible.</p> 23 - RELAIS SUPPORTS <p>Vue éclatée 23 pour TGB LANDMAX 1000 – retrouvez la liste complète des composants d'origine et identifiez rapidement la pièce compatible.</p> 23 - RELAIS SUPPORTS <p>Vue éclatée 23 pour TGB LANDMAX 1000 CAB – retrouvez la liste complète des composants d'origine et identifiez rapidement la pièce compatible.</p> 23 - SUPPORTS <p>Vue éclatée 23 pour TGB BLADE 550 FLX – retrouvez la liste complète des composants d'origine et identifiez rapidement la pièce compatible.</p> 23 - SUPPORTS <p>Vue éclatée 23 pour TGB BLADE 600 FLX – retrouvez la liste complète des composants d'origine et identifiez rapidement la pièce compatible.</p> 23 - SUPPORTS <p>Vue éclatée 23 pour TGB BLADE 600 LTX ABS – retrouvez la liste complète des composants d'origine et identifiez rapidement la pièce compatible.</p> 24 - CONTROLEUR... <p>Vue éclatée 24 pour TGB LANDMAX 1000 – retrouvez la liste complète des composants d'origine et identifiez rapidement la pièce compatible.</p> 24 - ECLAIRAGE INT MONITEUR... <p>Vue éclatée 24 pour TGB LANDMAX 1000 CAB – retrouvez la liste complète des composants d'origine et identifiez rapidement la pièce compatible.</p> 24 - SUPPORTS MOTEUR <p>Vue éclatée 24 pour TGB BLADE 550 FLX – retrouvez la liste complète des composants d'origine et identifiez rapidement la pièce compatible.</p> 24 - SUPPORTS MOTEUR <p>Vue éclatée 24 pour TGB BLADE 600 FLX – retrouvez la liste complète des composants d'origine et identifiez rapidement la pièce compatible.</p> 24 - SUPPORTS MOTEUR <p>Vue éclatée 24 pour TGB BLADE 600 LTX ABS – retrouvez la liste complète des composants d'origine et identifiez rapidement la pièce compatible.</p> 25 - COMPTEUR <p>Vue éclatée 25 pour TGB LANDMAX 1000 – retrouvez la liste complète des composants d'origine et identifiez rapidement la pièce compatible.</p> 25 - CONTROLEUR... <p>Vue éclatée 25 pour TGB LANDMAX 1000 CAB – retrouvez la liste complète des composants d'origine et identifiez rapidement la pièce compatible.</p> 25 - MOTEUR DE DIFFERENTIEL <p>Vue éclatée 25 pour TGB BLADE 550 FLX – retrouvez la liste complète des composants d'origine et identifiez rapidement la pièce compatible.</p> 25 - MOTEUR DE DIFFERENTIEL <p>Vue éclatée 25 pour TGB BLADE 600 FLX – retrouvez la liste complète des composants d'origine et identifiez rapidement la pièce compatible.</p> 25 - MOTEUR DE DIFFERENTIEL <p>Vue éclatée 25 pour TGB BLADE 600 LTX ABS – retrouvez la liste complète des composants d'origine et identifiez rapidement la pièce compatible.</p> 26 - COMPTEUR <p>Vue éclatée 26 pour TGB LANDMAX 1000 CAB – retrouvez la liste complète des composants d'origine et identifiez rapidement la pièce compatible.</p> 26 - DIRECTION ASSISTEE... <p>Vue éclatée 26 pour TGB BLADE 550 FLX – retrouvez la liste complète des composants d'origine et identifiez rapidement la pièce compatible.</p> 26 - DIRECTION ASSISTEE... <p>Vue éclatée 26 pour TGB BLADE 600 LTX ABS – retrouvez la liste complète des composants d'origine et identifiez rapidement la pièce compatible.</p> 26 - ECLAIRAGE AVANT <p>Vue éclatée 26 pour TGB LANDMAX 1000 – retrouvez la liste complète des composants d'origine et identifiez rapidement la pièce compatible.</p> 26 - SUPPORTS DIFFERENTIEL... <p>Vue éclatée 26 pour TGB BLADE 600 FLX – retrouvez la liste complète des composants d'origine et identifiez rapidement la pièce compatible.</p> 27 - COMPTEUR <p>Vue éclatée 27 pour TGB BLADE 550 FLX – retrouvez la liste complète des composants d'origine et identifiez rapidement la pièce compatible.</p> 27 - COMPTEUR <p>Vue éclatée 27 pour TGB BLADE 600 LTX ABS – retrouvez la liste complète des composants d'origine et identifiez rapidement la pièce compatible.</p> 27 - DIRECTION ASSISTEE... <p>Vue éclatée 27 pour TGB BLADE 600 FLX – retrouvez la liste complète des composants d'origine et identifiez rapidement la pièce compatible.</p> 27 - ECLAIRAGE ARRIERE <p>Vue éclatée 27 pour TGB LANDMAX 1000 – retrouvez la liste complète des composants d'origine et identifiez rapidement la pièce compatible.</p> 27 - ECLAIRAGE AVANT <p>Vue éclatée 27 pour TGB LANDMAX 1000 CAB – retrouvez la liste complète des composants d'origine et identifiez rapidement la pièce compatible.</p> Affichage 1-100 de 539 article(s) 1 2 3 … 6 Suivant Retour en haut
16 - ENSEMBLE FILTRE A AIR <p>Vue éclatée 16 pour TGB LANDMAX 1000 CAB – retrouvez la liste complète des composants d'origine et identifiez rapidement la pièce compatible.</p> 17 - BLOCAGE DIFFERENTIEL... <p>Vue éclatée 17 pour TGB LANDMAX 1000 – retrouvez la liste complète des composants d'origine et identifiez rapidement la pièce compatible.</p> 17 - BLOCAGE DIFFERENTIEL... <p>Vue éclatée 17 pour TGB LANDMAX 1000 CAB – retrouvez la liste complète des composants d'origine et identifiez rapidement la pièce compatible.</p> 17 - VARIATEUR <p>Vue éclatée 17 pour TGB BLADE 550 FLX – retrouvez la liste complète des composants d'origine et identifiez rapidement la pièce compatible.</p> 17 - VARIATEUR <p>Vue éclatée 17 pour TGB BLADE 600 FLX – retrouvez la liste complète des composants d'origine et identifiez rapidement la pièce compatible.</p> 17 - VARIATEUR <p>Vue éclatée 17 pour TGB BLADE 600 LTX ABS – retrouvez la liste complète des composants d'origine et identifiez rapidement la pièce compatible.</p> 18 - ENSEMBLE DIFFERENTIEL... <p>Vue éclatée 18 pour TGB LANDMAX 1000 – retrouvez la liste complète des composants d'origine et identifiez rapidement la pièce compatible.</p> 18 - ENSEMBLE DIFFERENTIEL... <p>Vue éclatée 18 pour TGB LANDMAX 1000 CAB – retrouvez la liste complète des composants d'origine et identifiez rapidement la pièce compatible.</p> 18 - ENSEMBLE ECHAPPEMENT <p>Vue éclatée 18 pour TGB BLADE 550 FLX – retrouvez la liste complète des composants d'origine et identifiez rapidement la pièce compatible.</p> 18 - ENSEMBLE ECHAPPEMENT <p>Vue éclatée 18 pour TGB BLADE 600 FLX – retrouvez la liste complète des composants d'origine et identifiez rapidement la pièce compatible.</p> 18 - ENSEMBLE ECHAPPEMENT <p>Vue éclatée 18 pour TGB BLADE 600 LTX ABS – retrouvez la liste complète des composants d'origine et identifiez rapidement la pièce compatible.</p> 19 - DIRECTION ASSISTEE <p>Vue éclatée 19 pour TGB LANDMAX 1000 – retrouvez la liste complète des composants d'origine et identifiez rapidement la pièce compatible.</p> 19 - DIRECTION ASSISTEE <p>Vue éclatée 19 pour TGB LANDMAX 1000 CAB – retrouvez la liste complète des composants d'origine et identifiez rapidement la pièce compatible.</p> 19 - ENSEMBLE FILTRE A AIR <p>Vue éclatée 19 pour TGB BLADE 550 FLX – retrouvez la liste complète des composants d'origine et identifiez rapidement la pièce compatible.</p> 19 - ENSEMBLE FILTRE A AIR <p>Vue éclatée 19 pour TGB BLADE 600 FLX – retrouvez la liste complète des composants d'origine et identifiez rapidement la pièce compatible.</p> 19 - ENSEMBLE FILTRE A AIR <p>Vue éclatée 19 pour TGB BLADE 600 LTX ABS – retrouvez la liste complète des composants d'origine et identifiez rapidement la pièce compatible.</p> 2 - SYSTEME ADMISSION <p>Vue éclatée 2 pour TGB BLADE 550 FLX – retrouvez la liste complète des composants d'origine et identifiez rapidement la pièce compatible.</p> 2 - SYSTEME ADMISSION <p>Vue éclatée 2 pour TGB BLADE 600 FLX – retrouvez la liste complète des composants d'origine et identifiez rapidement la pièce compatible.</p> 2 - SYSTEME ADMISSION <p>Vue éclatée 2 pour TGB BLADE 600 LTX ABS – retrouvez la liste complète des composants d'origine et identifiez rapidement la pièce compatible.</p> 2 - SYSTEME ADMISSION <p>Vue éclatée 2 pour TGB LANDMAX 1000 – retrouvez la liste complète des composants d'origine et identifiez rapidement la pièce compatible.</p> 2 - SYSTEME ADMISSION <p>Vue éclatée 2 pour TGB LANDMAX 1000 CAB – retrouvez la liste complète des composants d'origine et identifiez rapidement la pièce compatible.</p> 20 - ENSEMBLE REFROIDISSEMENT <p>Vue éclatée 20 pour TGB BLADE 550 FLX – retrouvez la liste complète des composants d'origine et identifiez rapidement la pièce compatible.</p> 20 - ENSEMBLE REFROIDISSEMENT <p>Vue éclatée 20 pour TGB BLADE 600 FLX – retrouvez la liste complète des composants d'origine et identifiez rapidement la pièce compatible.</p> 20 - ENSEMBLE REFROIDISSEMENT <p>Vue éclatée 20 pour TGB BLADE 600 LTX ABS – retrouvez la liste complète des composants d'origine et identifiez rapidement la pièce compatible.</p> 20 - ENSEMBLE REFROIDISSEMENT <p>Vue éclatée 20 pour TGB LANDMAX 1000 – retrouvez la liste complète des composants d'origine et identifiez rapidement la pièce compatible.</p> 20 - ENSEMBLE REFROIDISSEMENT <p>Vue éclatée 20 pour TGB LANDMAX 1000 CAB – retrouvez la liste complète des composants d'origine et identifiez rapidement la pièce compatible.</p> 21 - SYSTEME ELECTRIQUE 2 <p>Vue éclatée 21 pour TGB BLADE 550 FLX – retrouvez la liste complète des composants d'origine et identifiez rapidement la pièce compatible.</p> 21 - SYSTEME ELECTRIQUE 2 <p>Vue éclatée 21 pour TGB BLADE 600 FLX – retrouvez la liste complète des composants d'origine et identifiez rapidement la pièce compatible.</p> 21 - SYSTEME ELECTRIQUE 2 <p>Vue éclatée 21 pour TGB BLADE 600 LTX ABS – retrouvez la liste complète des composants d'origine et identifiez rapidement la pièce compatible.</p> 21 - SYSTEME ELECTRIQUE 2 <p>Vue éclatée 21 pour TGB LANDMAX 1000 – retrouvez la liste complète des composants d'origine et identifiez rapidement la pièce compatible.</p> 21 - SYSTEME ELECTRIQUE 2 <p>Vue éclatée 21 pour TGB LANDMAX 1000 CAB – retrouvez la liste complète des composants d'origine et identifiez rapidement la pièce compatible.</p> 22 - SYSTEME ELECTRIQUE 3 <p>Vue éclatée 22 pour TGB BLADE 550 FLX – retrouvez la liste complète des composants d'origine et identifiez rapidement la pièce compatible.</p> 22 - SYSTEME ELECTRIQUE 3 <p>Vue éclatée 22 pour TGB BLADE 600 FLX – retrouvez la liste complète des composants d'origine et identifiez rapidement la pièce compatible.</p> 22 - SYSTEME ELECTRIQUE 3 <p>Vue éclatée 22 pour TGB BLADE 600 LTX ABS – retrouvez la liste complète des composants d'origine et identifiez rapidement la pièce compatible.</p> 22 - SYSTEME ELECTRIQUE 3 <p>Vue éclatée 22 pour TGB LANDMAX 1000 – retrouvez la liste complète des composants d'origine et identifiez rapidement la pièce compatible.</p> 22 - SYSTEME ELECTRIQUE 3 <p>Vue éclatée 22 pour TGB LANDMAX 1000 CAB – retrouvez la liste complète des composants d'origine et identifiez rapidement la pièce compatible.</p> 23 - RELAIS SUPPORTS <p>Vue éclatée 23 pour TGB LANDMAX 1000 – retrouvez la liste complète des composants d'origine et identifiez rapidement la pièce compatible.</p> 23 - RELAIS SUPPORTS <p>Vue éclatée 23 pour TGB LANDMAX 1000 CAB – retrouvez la liste complète des composants d'origine et identifiez rapidement la pièce compatible.</p> 23 - SUPPORTS <p>Vue éclatée 23 pour TGB BLADE 550 FLX – retrouvez la liste complète des composants d'origine et identifiez rapidement la pièce compatible.</p> 23 - SUPPORTS <p>Vue éclatée 23 pour TGB BLADE 600 FLX – retrouvez la liste complète des composants d'origine et identifiez rapidement la pièce compatible.</p> 23 - SUPPORTS <p>Vue éclatée 23 pour TGB BLADE 600 LTX ABS – retrouvez la liste complète des composants d'origine et identifiez rapidement la pièce compatible.</p> 24 - CONTROLEUR... <p>Vue éclatée 24 pour TGB LANDMAX 1000 – retrouvez la liste complète des composants d'origine et identifiez rapidement la pièce compatible.</p> 24 - ECLAIRAGE INT MONITEUR... <p>Vue éclatée 24 pour TGB LANDMAX 1000 CAB – retrouvez la liste complète des composants d'origine et identifiez rapidement la pièce compatible.</p> 24 - SUPPORTS MOTEUR <p>Vue éclatée 24 pour TGB BLADE 550 FLX – retrouvez la liste complète des composants d'origine et identifiez rapidement la pièce compatible.</p> 24 - SUPPORTS MOTEUR <p>Vue éclatée 24 pour TGB BLADE 600 FLX – retrouvez la liste complète des composants d'origine et identifiez rapidement la pièce compatible.</p> 24 - SUPPORTS MOTEUR <p>Vue éclatée 24 pour TGB BLADE 600 LTX ABS – retrouvez la liste complète des composants d'origine et identifiez rapidement la pièce compatible.</p> 25 - COMPTEUR <p>Vue éclatée 25 pour TGB LANDMAX 1000 – retrouvez la liste complète des composants d'origine et identifiez rapidement la pièce compatible.</p> 25 - CONTROLEUR... <p>Vue éclatée 25 pour TGB LANDMAX 1000 CAB – retrouvez la liste complète des composants d'origine et identifiez rapidement la pièce compatible.</p> 25 - MOTEUR DE DIFFERENTIEL <p>Vue éclatée 25 pour TGB BLADE 550 FLX – retrouvez la liste complète des composants d'origine et identifiez rapidement la pièce compatible.</p> 25 - MOTEUR DE DIFFERENTIEL <p>Vue éclatée 25 pour TGB BLADE 600 FLX – retrouvez la liste complète des composants d'origine et identifiez rapidement la pièce compatible.</p> 25 - MOTEUR DE DIFFERENTIEL <p>Vue éclatée 25 pour TGB BLADE 600 LTX ABS – retrouvez la liste complète des composants d'origine et identifiez rapidement la pièce compatible.</p> 26 - COMPTEUR <p>Vue éclatée 26 pour TGB LANDMAX 1000 CAB – retrouvez la liste complète des composants d'origine et identifiez rapidement la pièce compatible.</p> 26 - DIRECTION ASSISTEE... <p>Vue éclatée 26 pour TGB BLADE 550 FLX – retrouvez la liste complète des composants d'origine et identifiez rapidement la pièce compatible.</p> 26 - DIRECTION ASSISTEE... <p>Vue éclatée 26 pour TGB BLADE 600 LTX ABS – retrouvez la liste complète des composants d'origine et identifiez rapidement la pièce compatible.</p> 26 - ECLAIRAGE AVANT <p>Vue éclatée 26 pour TGB LANDMAX 1000 – retrouvez la liste complète des composants d'origine et identifiez rapidement la pièce compatible.</p> 26 - SUPPORTS DIFFERENTIEL... <p>Vue éclatée 26 pour TGB BLADE 600 FLX – retrouvez la liste complète des composants d'origine et identifiez rapidement la pièce compatible.</p> 27 - COMPTEUR <p>Vue éclatée 27 pour TGB BLADE 550 FLX – retrouvez la liste complète des composants d'origine et identifiez rapidement la pièce compatible.</p> 27 - COMPTEUR <p>Vue éclatée 27 pour TGB BLADE 600 LTX ABS – retrouvez la liste complète des composants d'origine et identifiez rapidement la pièce compatible.</p> 27 - DIRECTION ASSISTEE... <p>Vue éclatée 27 pour TGB BLADE 600 FLX – retrouvez la liste complète des composants d'origine et identifiez rapidement la pièce compatible.</p> 27 - ECLAIRAGE ARRIERE <p>Vue éclatée 27 pour TGB LANDMAX 1000 – retrouvez la liste complète des composants d'origine et identifiez rapidement la pièce compatible.</p> 27 - ECLAIRAGE AVANT <p>Vue éclatée 27 pour TGB LANDMAX 1000 CAB – retrouvez la liste complète des composants d'origine et identifiez rapidement la pièce compatible.</p> Affichage 1-100 de 539 article(s) 1 2 3 … 6 Suivant Retour en haut
17 - BLOCAGE DIFFERENTIEL... <p>Vue éclatée 17 pour TGB LANDMAX 1000 – retrouvez la liste complète des composants d'origine et identifiez rapidement la pièce compatible.</p> 17 - BLOCAGE DIFFERENTIEL... <p>Vue éclatée 17 pour TGB LANDMAX 1000 CAB – retrouvez la liste complète des composants d'origine et identifiez rapidement la pièce compatible.</p> 17 - VARIATEUR <p>Vue éclatée 17 pour TGB BLADE 550 FLX – retrouvez la liste complète des composants d'origine et identifiez rapidement la pièce compatible.</p> 17 - VARIATEUR <p>Vue éclatée 17 pour TGB BLADE 600 FLX – retrouvez la liste complète des composants d'origine et identifiez rapidement la pièce compatible.</p> 17 - VARIATEUR <p>Vue éclatée 17 pour TGB BLADE 600 LTX ABS – retrouvez la liste complète des composants d'origine et identifiez rapidement la pièce compatible.</p> 18 - ENSEMBLE DIFFERENTIEL... <p>Vue éclatée 18 pour TGB LANDMAX 1000 – retrouvez la liste complète des composants d'origine et identifiez rapidement la pièce compatible.</p> 18 - ENSEMBLE DIFFERENTIEL... <p>Vue éclatée 18 pour TGB LANDMAX 1000 CAB – retrouvez la liste complète des composants d'origine et identifiez rapidement la pièce compatible.</p> 18 - ENSEMBLE ECHAPPEMENT <p>Vue éclatée 18 pour TGB BLADE 550 FLX – retrouvez la liste complète des composants d'origine et identifiez rapidement la pièce compatible.</p> 18 - ENSEMBLE ECHAPPEMENT <p>Vue éclatée 18 pour TGB BLADE 600 FLX – retrouvez la liste complète des composants d'origine et identifiez rapidement la pièce compatible.</p> 18 - ENSEMBLE ECHAPPEMENT <p>Vue éclatée 18 pour TGB BLADE 600 LTX ABS – retrouvez la liste complète des composants d'origine et identifiez rapidement la pièce compatible.</p> 19 - DIRECTION ASSISTEE <p>Vue éclatée 19 pour TGB LANDMAX 1000 – retrouvez la liste complète des composants d'origine et identifiez rapidement la pièce compatible.</p> 19 - DIRECTION ASSISTEE <p>Vue éclatée 19 pour TGB LANDMAX 1000 CAB – retrouvez la liste complète des composants d'origine et identifiez rapidement la pièce compatible.</p> 19 - ENSEMBLE FILTRE A AIR <p>Vue éclatée 19 pour TGB BLADE 550 FLX – retrouvez la liste complète des composants d'origine et identifiez rapidement la pièce compatible.</p> 19 - ENSEMBLE FILTRE A AIR <p>Vue éclatée 19 pour TGB BLADE 600 FLX – retrouvez la liste complète des composants d'origine et identifiez rapidement la pièce compatible.</p> 19 - ENSEMBLE FILTRE A AIR <p>Vue éclatée 19 pour TGB BLADE 600 LTX ABS – retrouvez la liste complète des composants d'origine et identifiez rapidement la pièce compatible.</p> 2 - SYSTEME ADMISSION <p>Vue éclatée 2 pour TGB BLADE 550 FLX – retrouvez la liste complète des composants d'origine et identifiez rapidement la pièce compatible.</p> 2 - SYSTEME ADMISSION <p>Vue éclatée 2 pour TGB BLADE 600 FLX – retrouvez la liste complète des composants d'origine et identifiez rapidement la pièce compatible.</p> 2 - SYSTEME ADMISSION <p>Vue éclatée 2 pour TGB BLADE 600 LTX ABS – retrouvez la liste complète des composants d'origine et identifiez rapidement la pièce compatible.</p> 2 - SYSTEME ADMISSION <p>Vue éclatée 2 pour TGB LANDMAX 1000 – retrouvez la liste complète des composants d'origine et identifiez rapidement la pièce compatible.</p> 2 - SYSTEME ADMISSION <p>Vue éclatée 2 pour TGB LANDMAX 1000 CAB – retrouvez la liste complète des composants d'origine et identifiez rapidement la pièce compatible.</p> 20 - ENSEMBLE REFROIDISSEMENT <p>Vue éclatée 20 pour TGB BLADE 550 FLX – retrouvez la liste complète des composants d'origine et identifiez rapidement la pièce compatible.</p> 20 - ENSEMBLE REFROIDISSEMENT <p>Vue éclatée 20 pour TGB BLADE 600 FLX – retrouvez la liste complète des composants d'origine et identifiez rapidement la pièce compatible.</p> 20 - ENSEMBLE REFROIDISSEMENT <p>Vue éclatée 20 pour TGB BLADE 600 LTX ABS – retrouvez la liste complète des composants d'origine et identifiez rapidement la pièce compatible.</p> 20 - ENSEMBLE REFROIDISSEMENT <p>Vue éclatée 20 pour TGB LANDMAX 1000 – retrouvez la liste complète des composants d'origine et identifiez rapidement la pièce compatible.</p> 20 - ENSEMBLE REFROIDISSEMENT <p>Vue éclatée 20 pour TGB LANDMAX 1000 CAB – retrouvez la liste complète des composants d'origine et identifiez rapidement la pièce compatible.</p> 21 - SYSTEME ELECTRIQUE 2 <p>Vue éclatée 21 pour TGB BLADE 550 FLX – retrouvez la liste complète des composants d'origine et identifiez rapidement la pièce compatible.</p> 21 - SYSTEME ELECTRIQUE 2 <p>Vue éclatée 21 pour TGB BLADE 600 FLX – retrouvez la liste complète des composants d'origine et identifiez rapidement la pièce compatible.</p> 21 - SYSTEME ELECTRIQUE 2 <p>Vue éclatée 21 pour TGB BLADE 600 LTX ABS – retrouvez la liste complète des composants d'origine et identifiez rapidement la pièce compatible.</p> 21 - SYSTEME ELECTRIQUE 2 <p>Vue éclatée 21 pour TGB LANDMAX 1000 – retrouvez la liste complète des composants d'origine et identifiez rapidement la pièce compatible.</p> 21 - SYSTEME ELECTRIQUE 2 <p>Vue éclatée 21 pour TGB LANDMAX 1000 CAB – retrouvez la liste complète des composants d'origine et identifiez rapidement la pièce compatible.</p> 22 - SYSTEME ELECTRIQUE 3 <p>Vue éclatée 22 pour TGB BLADE 550 FLX – retrouvez la liste complète des composants d'origine et identifiez rapidement la pièce compatible.</p> 22 - SYSTEME ELECTRIQUE 3 <p>Vue éclatée 22 pour TGB BLADE 600 FLX – retrouvez la liste complète des composants d'origine et identifiez rapidement la pièce compatible.</p> 22 - SYSTEME ELECTRIQUE 3 <p>Vue éclatée 22 pour TGB BLADE 600 LTX ABS – retrouvez la liste complète des composants d'origine et identifiez rapidement la pièce compatible.</p> 22 - SYSTEME ELECTRIQUE 3 <p>Vue éclatée 22 pour TGB LANDMAX 1000 – retrouvez la liste complète des composants d'origine et identifiez rapidement la pièce compatible.</p> 22 - SYSTEME ELECTRIQUE 3 <p>Vue éclatée 22 pour TGB LANDMAX 1000 CAB – retrouvez la liste complète des composants d'origine et identifiez rapidement la pièce compatible.</p> 23 - RELAIS SUPPORTS <p>Vue éclatée 23 pour TGB LANDMAX 1000 – retrouvez la liste complète des composants d'origine et identifiez rapidement la pièce compatible.</p> 23 - RELAIS SUPPORTS <p>Vue éclatée 23 pour TGB LANDMAX 1000 CAB – retrouvez la liste complète des composants d'origine et identifiez rapidement la pièce compatible.</p> 23 - SUPPORTS <p>Vue éclatée 23 pour TGB BLADE 550 FLX – retrouvez la liste complète des composants d'origine et identifiez rapidement la pièce compatible.</p> 23 - SUPPORTS <p>Vue éclatée 23 pour TGB BLADE 600 FLX – retrouvez la liste complète des composants d'origine et identifiez rapidement la pièce compatible.</p> 23 - SUPPORTS <p>Vue éclatée 23 pour TGB BLADE 600 LTX ABS – retrouvez la liste complète des composants d'origine et identifiez rapidement la pièce compatible.</p> 24 - CONTROLEUR... <p>Vue éclatée 24 pour TGB LANDMAX 1000 – retrouvez la liste complète des composants d'origine et identifiez rapidement la pièce compatible.</p> 24 - ECLAIRAGE INT MONITEUR... <p>Vue éclatée 24 pour TGB LANDMAX 1000 CAB – retrouvez la liste complète des composants d'origine et identifiez rapidement la pièce compatible.</p> 24 - SUPPORTS MOTEUR <p>Vue éclatée 24 pour TGB BLADE 550 FLX – retrouvez la liste complète des composants d'origine et identifiez rapidement la pièce compatible.</p> 24 - SUPPORTS MOTEUR <p>Vue éclatée 24 pour TGB BLADE 600 FLX – retrouvez la liste complète des composants d'origine et identifiez rapidement la pièce compatible.</p> 24 - SUPPORTS MOTEUR <p>Vue éclatée 24 pour TGB BLADE 600 LTX ABS – retrouvez la liste complète des composants d'origine et identifiez rapidement la pièce compatible.</p> 25 - COMPTEUR <p>Vue éclatée 25 pour TGB LANDMAX 1000 – retrouvez la liste complète des composants d'origine et identifiez rapidement la pièce compatible.</p> 25 - CONTROLEUR... <p>Vue éclatée 25 pour TGB LANDMAX 1000 CAB – retrouvez la liste complète des composants d'origine et identifiez rapidement la pièce compatible.</p> 25 - MOTEUR DE DIFFERENTIEL <p>Vue éclatée 25 pour TGB BLADE 550 FLX – retrouvez la liste complète des composants d'origine et identifiez rapidement la pièce compatible.</p> 25 - MOTEUR DE DIFFERENTIEL <p>Vue éclatée 25 pour TGB BLADE 600 FLX – retrouvez la liste complète des composants d'origine et identifiez rapidement la pièce compatible.</p> 25 - MOTEUR DE DIFFERENTIEL <p>Vue éclatée 25 pour TGB BLADE 600 LTX ABS – retrouvez la liste complète des composants d'origine et identifiez rapidement la pièce compatible.</p> 26 - COMPTEUR <p>Vue éclatée 26 pour TGB LANDMAX 1000 CAB – retrouvez la liste complète des composants d'origine et identifiez rapidement la pièce compatible.</p> 26 - DIRECTION ASSISTEE... <p>Vue éclatée 26 pour TGB BLADE 550 FLX – retrouvez la liste complète des composants d'origine et identifiez rapidement la pièce compatible.</p> 26 - DIRECTION ASSISTEE... <p>Vue éclatée 26 pour TGB BLADE 600 LTX ABS – retrouvez la liste complète des composants d'origine et identifiez rapidement la pièce compatible.</p> 26 - ECLAIRAGE AVANT <p>Vue éclatée 26 pour TGB LANDMAX 1000 – retrouvez la liste complète des composants d'origine et identifiez rapidement la pièce compatible.</p> 26 - SUPPORTS DIFFERENTIEL... <p>Vue éclatée 26 pour TGB BLADE 600 FLX – retrouvez la liste complète des composants d'origine et identifiez rapidement la pièce compatible.</p> 27 - COMPTEUR <p>Vue éclatée 27 pour TGB BLADE 550 FLX – retrouvez la liste complète des composants d'origine et identifiez rapidement la pièce compatible.</p> 27 - COMPTEUR <p>Vue éclatée 27 pour TGB BLADE 600 LTX ABS – retrouvez la liste complète des composants d'origine et identifiez rapidement la pièce compatible.</p> 27 - DIRECTION ASSISTEE... <p>Vue éclatée 27 pour TGB BLADE 600 FLX – retrouvez la liste complète des composants d'origine et identifiez rapidement la pièce compatible.</p> 27 - ECLAIRAGE ARRIERE <p>Vue éclatée 27 pour TGB LANDMAX 1000 – retrouvez la liste complète des composants d'origine et identifiez rapidement la pièce compatible.</p> 27 - ECLAIRAGE AVANT <p>Vue éclatée 27 pour TGB LANDMAX 1000 CAB – retrouvez la liste complète des composants d'origine et identifiez rapidement la pièce compatible.</p> Affichage 1-100 de 539 article(s) 1 2 3 … 6 Suivant Retour en haut
17 - BLOCAGE DIFFERENTIEL... <p>Vue éclatée 17 pour TGB LANDMAX 1000 CAB – retrouvez la liste complète des composants d'origine et identifiez rapidement la pièce compatible.</p> 17 - VARIATEUR <p>Vue éclatée 17 pour TGB BLADE 550 FLX – retrouvez la liste complète des composants d'origine et identifiez rapidement la pièce compatible.</p> 17 - VARIATEUR <p>Vue éclatée 17 pour TGB BLADE 600 FLX – retrouvez la liste complète des composants d'origine et identifiez rapidement la pièce compatible.</p> 17 - VARIATEUR <p>Vue éclatée 17 pour TGB BLADE 600 LTX ABS – retrouvez la liste complète des composants d'origine et identifiez rapidement la pièce compatible.</p> 18 - ENSEMBLE DIFFERENTIEL... <p>Vue éclatée 18 pour TGB LANDMAX 1000 – retrouvez la liste complète des composants d'origine et identifiez rapidement la pièce compatible.</p> 18 - ENSEMBLE DIFFERENTIEL... <p>Vue éclatée 18 pour TGB LANDMAX 1000 CAB – retrouvez la liste complète des composants d'origine et identifiez rapidement la pièce compatible.</p> 18 - ENSEMBLE ECHAPPEMENT <p>Vue éclatée 18 pour TGB BLADE 550 FLX – retrouvez la liste complète des composants d'origine et identifiez rapidement la pièce compatible.</p> 18 - ENSEMBLE ECHAPPEMENT <p>Vue éclatée 18 pour TGB BLADE 600 FLX – retrouvez la liste complète des composants d'origine et identifiez rapidement la pièce compatible.</p> 18 - ENSEMBLE ECHAPPEMENT <p>Vue éclatée 18 pour TGB BLADE 600 LTX ABS – retrouvez la liste complète des composants d'origine et identifiez rapidement la pièce compatible.</p> 19 - DIRECTION ASSISTEE <p>Vue éclatée 19 pour TGB LANDMAX 1000 – retrouvez la liste complète des composants d'origine et identifiez rapidement la pièce compatible.</p> 19 - DIRECTION ASSISTEE <p>Vue éclatée 19 pour TGB LANDMAX 1000 CAB – retrouvez la liste complète des composants d'origine et identifiez rapidement la pièce compatible.</p> 19 - ENSEMBLE FILTRE A AIR <p>Vue éclatée 19 pour TGB BLADE 550 FLX – retrouvez la liste complète des composants d'origine et identifiez rapidement la pièce compatible.</p> 19 - ENSEMBLE FILTRE A AIR <p>Vue éclatée 19 pour TGB BLADE 600 FLX – retrouvez la liste complète des composants d'origine et identifiez rapidement la pièce compatible.</p> 19 - ENSEMBLE FILTRE A AIR <p>Vue éclatée 19 pour TGB BLADE 600 LTX ABS – retrouvez la liste complète des composants d'origine et identifiez rapidement la pièce compatible.</p> 2 - SYSTEME ADMISSION <p>Vue éclatée 2 pour TGB BLADE 550 FLX – retrouvez la liste complète des composants d'origine et identifiez rapidement la pièce compatible.</p> 2 - SYSTEME ADMISSION <p>Vue éclatée 2 pour TGB BLADE 600 FLX – retrouvez la liste complète des composants d'origine et identifiez rapidement la pièce compatible.</p> 2 - SYSTEME ADMISSION <p>Vue éclatée 2 pour TGB BLADE 600 LTX ABS – retrouvez la liste complète des composants d'origine et identifiez rapidement la pièce compatible.</p> 2 - SYSTEME ADMISSION <p>Vue éclatée 2 pour TGB LANDMAX 1000 – retrouvez la liste complète des composants d'origine et identifiez rapidement la pièce compatible.</p> 2 - SYSTEME ADMISSION <p>Vue éclatée 2 pour TGB LANDMAX 1000 CAB – retrouvez la liste complète des composants d'origine et identifiez rapidement la pièce compatible.</p> 20 - ENSEMBLE REFROIDISSEMENT <p>Vue éclatée 20 pour TGB BLADE 550 FLX – retrouvez la liste complète des composants d'origine et identifiez rapidement la pièce compatible.</p> 20 - ENSEMBLE REFROIDISSEMENT <p>Vue éclatée 20 pour TGB BLADE 600 FLX – retrouvez la liste complète des composants d'origine et identifiez rapidement la pièce compatible.</p> 20 - ENSEMBLE REFROIDISSEMENT <p>Vue éclatée 20 pour TGB BLADE 600 LTX ABS – retrouvez la liste complète des composants d'origine et identifiez rapidement la pièce compatible.</p> 20 - ENSEMBLE REFROIDISSEMENT <p>Vue éclatée 20 pour TGB LANDMAX 1000 – retrouvez la liste complète des composants d'origine et identifiez rapidement la pièce compatible.</p> 20 - ENSEMBLE REFROIDISSEMENT <p>Vue éclatée 20 pour TGB LANDMAX 1000 CAB – retrouvez la liste complète des composants d'origine et identifiez rapidement la pièce compatible.</p> 21 - SYSTEME ELECTRIQUE 2 <p>Vue éclatée 21 pour TGB BLADE 550 FLX – retrouvez la liste complète des composants d'origine et identifiez rapidement la pièce compatible.</p> 21 - SYSTEME ELECTRIQUE 2 <p>Vue éclatée 21 pour TGB BLADE 600 FLX – retrouvez la liste complète des composants d'origine et identifiez rapidement la pièce compatible.</p> 21 - SYSTEME ELECTRIQUE 2 <p>Vue éclatée 21 pour TGB BLADE 600 LTX ABS – retrouvez la liste complète des composants d'origine et identifiez rapidement la pièce compatible.</p> 21 - SYSTEME ELECTRIQUE 2 <p>Vue éclatée 21 pour TGB LANDMAX 1000 – retrouvez la liste complète des composants d'origine et identifiez rapidement la pièce compatible.</p> 21 - SYSTEME ELECTRIQUE 2 <p>Vue éclatée 21 pour TGB LANDMAX 1000 CAB – retrouvez la liste complète des composants d'origine et identifiez rapidement la pièce compatible.</p> 22 - SYSTEME ELECTRIQUE 3 <p>Vue éclatée 22 pour TGB BLADE 550 FLX – retrouvez la liste complète des composants d'origine et identifiez rapidement la pièce compatible.</p> 22 - SYSTEME ELECTRIQUE 3 <p>Vue éclatée 22 pour TGB BLADE 600 FLX – retrouvez la liste complète des composants d'origine et identifiez rapidement la pièce compatible.</p> 22 - SYSTEME ELECTRIQUE 3 <p>Vue éclatée 22 pour TGB BLADE 600 LTX ABS – retrouvez la liste complète des composants d'origine et identifiez rapidement la pièce compatible.</p> 22 - SYSTEME ELECTRIQUE 3 <p>Vue éclatée 22 pour TGB LANDMAX 1000 – retrouvez la liste complète des composants d'origine et identifiez rapidement la pièce compatible.</p> 22 - SYSTEME ELECTRIQUE 3 <p>Vue éclatée 22 pour TGB LANDMAX 1000 CAB – retrouvez la liste complète des composants d'origine et identifiez rapidement la pièce compatible.</p> 23 - RELAIS SUPPORTS <p>Vue éclatée 23 pour TGB LANDMAX 1000 – retrouvez la liste complète des composants d'origine et identifiez rapidement la pièce compatible.</p> 23 - RELAIS SUPPORTS <p>Vue éclatée 23 pour TGB LANDMAX 1000 CAB – retrouvez la liste complète des composants d'origine et identifiez rapidement la pièce compatible.</p> 23 - SUPPORTS <p>Vue éclatée 23 pour TGB BLADE 550 FLX – retrouvez la liste complète des composants d'origine et identifiez rapidement la pièce compatible.</p> 23 - SUPPORTS <p>Vue éclatée 23 pour TGB BLADE 600 FLX – retrouvez la liste complète des composants d'origine et identifiez rapidement la pièce compatible.</p> 23 - SUPPORTS <p>Vue éclatée 23 pour TGB BLADE 600 LTX ABS – retrouvez la liste complète des composants d'origine et identifiez rapidement la pièce compatible.</p> 24 - CONTROLEUR... <p>Vue éclatée 24 pour TGB LANDMAX 1000 – retrouvez la liste complète des composants d'origine et identifiez rapidement la pièce compatible.</p> 24 - ECLAIRAGE INT MONITEUR... <p>Vue éclatée 24 pour TGB LANDMAX 1000 CAB – retrouvez la liste complète des composants d'origine et identifiez rapidement la pièce compatible.</p> 24 - SUPPORTS MOTEUR <p>Vue éclatée 24 pour TGB BLADE 550 FLX – retrouvez la liste complète des composants d'origine et identifiez rapidement la pièce compatible.</p> 24 - SUPPORTS MOTEUR <p>Vue éclatée 24 pour TGB BLADE 600 FLX – retrouvez la liste complète des composants d'origine et identifiez rapidement la pièce compatible.</p> 24 - SUPPORTS MOTEUR <p>Vue éclatée 24 pour TGB BLADE 600 LTX ABS – retrouvez la liste complète des composants d'origine et identifiez rapidement la pièce compatible.</p> 25 - COMPTEUR <p>Vue éclatée 25 pour TGB LANDMAX 1000 – retrouvez la liste complète des composants d'origine et identifiez rapidement la pièce compatible.</p> 25 - CONTROLEUR... <p>Vue éclatée 25 pour TGB LANDMAX 1000 CAB – retrouvez la liste complète des composants d'origine et identifiez rapidement la pièce compatible.</p> 25 - MOTEUR DE DIFFERENTIEL <p>Vue éclatée 25 pour TGB BLADE 550 FLX – retrouvez la liste complète des composants d'origine et identifiez rapidement la pièce compatible.</p> 25 - MOTEUR DE DIFFERENTIEL <p>Vue éclatée 25 pour TGB BLADE 600 FLX – retrouvez la liste complète des composants d'origine et identifiez rapidement la pièce compatible.</p> 25 - MOTEUR DE DIFFERENTIEL <p>Vue éclatée 25 pour TGB BLADE 600 LTX ABS – retrouvez la liste complète des composants d'origine et identifiez rapidement la pièce compatible.</p> 26 - COMPTEUR <p>Vue éclatée 26 pour TGB LANDMAX 1000 CAB – retrouvez la liste complète des composants d'origine et identifiez rapidement la pièce compatible.</p> 26 - DIRECTION ASSISTEE... <p>Vue éclatée 26 pour TGB BLADE 550 FLX – retrouvez la liste complète des composants d'origine et identifiez rapidement la pièce compatible.</p> 26 - DIRECTION ASSISTEE... <p>Vue éclatée 26 pour TGB BLADE 600 LTX ABS – retrouvez la liste complète des composants d'origine et identifiez rapidement la pièce compatible.</p> 26 - ECLAIRAGE AVANT <p>Vue éclatée 26 pour TGB LANDMAX 1000 – retrouvez la liste complète des composants d'origine et identifiez rapidement la pièce compatible.</p> 26 - SUPPORTS DIFFERENTIEL... <p>Vue éclatée 26 pour TGB BLADE 600 FLX – retrouvez la liste complète des composants d'origine et identifiez rapidement la pièce compatible.</p> 27 - COMPTEUR <p>Vue éclatée 27 pour TGB BLADE 550 FLX – retrouvez la liste complète des composants d'origine et identifiez rapidement la pièce compatible.</p> 27 - COMPTEUR <p>Vue éclatée 27 pour TGB BLADE 600 LTX ABS – retrouvez la liste complète des composants d'origine et identifiez rapidement la pièce compatible.</p> 27 - DIRECTION ASSISTEE... <p>Vue éclatée 27 pour TGB BLADE 600 FLX – retrouvez la liste complète des composants d'origine et identifiez rapidement la pièce compatible.</p> 27 - ECLAIRAGE ARRIERE <p>Vue éclatée 27 pour TGB LANDMAX 1000 – retrouvez la liste complète des composants d'origine et identifiez rapidement la pièce compatible.</p> 27 - ECLAIRAGE AVANT <p>Vue éclatée 27 pour TGB LANDMAX 1000 CAB – retrouvez la liste complète des composants d'origine et identifiez rapidement la pièce compatible.</p> Affichage 1-100 de 539 article(s) 1 2 3 … 6 Suivant Retour en haut
17 - VARIATEUR <p>Vue éclatée 17 pour TGB BLADE 550 FLX – retrouvez la liste complète des composants d'origine et identifiez rapidement la pièce compatible.</p> 17 - VARIATEUR <p>Vue éclatée 17 pour TGB BLADE 600 FLX – retrouvez la liste complète des composants d'origine et identifiez rapidement la pièce compatible.</p> 17 - VARIATEUR <p>Vue éclatée 17 pour TGB BLADE 600 LTX ABS – retrouvez la liste complète des composants d'origine et identifiez rapidement la pièce compatible.</p> 18 - ENSEMBLE DIFFERENTIEL... <p>Vue éclatée 18 pour TGB LANDMAX 1000 – retrouvez la liste complète des composants d'origine et identifiez rapidement la pièce compatible.</p> 18 - ENSEMBLE DIFFERENTIEL... <p>Vue éclatée 18 pour TGB LANDMAX 1000 CAB – retrouvez la liste complète des composants d'origine et identifiez rapidement la pièce compatible.</p> 18 - ENSEMBLE ECHAPPEMENT <p>Vue éclatée 18 pour TGB BLADE 550 FLX – retrouvez la liste complète des composants d'origine et identifiez rapidement la pièce compatible.</p> 18 - ENSEMBLE ECHAPPEMENT <p>Vue éclatée 18 pour TGB BLADE 600 FLX – retrouvez la liste complète des composants d'origine et identifiez rapidement la pièce compatible.</p> 18 - ENSEMBLE ECHAPPEMENT <p>Vue éclatée 18 pour TGB BLADE 600 LTX ABS – retrouvez la liste complète des composants d'origine et identifiez rapidement la pièce compatible.</p> 19 - DIRECTION ASSISTEE <p>Vue éclatée 19 pour TGB LANDMAX 1000 – retrouvez la liste complète des composants d'origine et identifiez rapidement la pièce compatible.</p> 19 - DIRECTION ASSISTEE <p>Vue éclatée 19 pour TGB LANDMAX 1000 CAB – retrouvez la liste complète des composants d'origine et identifiez rapidement la pièce compatible.</p> 19 - ENSEMBLE FILTRE A AIR <p>Vue éclatée 19 pour TGB BLADE 550 FLX – retrouvez la liste complète des composants d'origine et identifiez rapidement la pièce compatible.</p> 19 - ENSEMBLE FILTRE A AIR <p>Vue éclatée 19 pour TGB BLADE 600 FLX – retrouvez la liste complète des composants d'origine et identifiez rapidement la pièce compatible.</p> 19 - ENSEMBLE FILTRE A AIR <p>Vue éclatée 19 pour TGB BLADE 600 LTX ABS – retrouvez la liste complète des composants d'origine et identifiez rapidement la pièce compatible.</p> 2 - SYSTEME ADMISSION <p>Vue éclatée 2 pour TGB BLADE 550 FLX – retrouvez la liste complète des composants d'origine et identifiez rapidement la pièce compatible.</p> 2 - SYSTEME ADMISSION <p>Vue éclatée 2 pour TGB BLADE 600 FLX – retrouvez la liste complète des composants d'origine et identifiez rapidement la pièce compatible.</p> 2 - SYSTEME ADMISSION <p>Vue éclatée 2 pour TGB BLADE 600 LTX ABS – retrouvez la liste complète des composants d'origine et identifiez rapidement la pièce compatible.</p> 2 - SYSTEME ADMISSION <p>Vue éclatée 2 pour TGB LANDMAX 1000 – retrouvez la liste complète des composants d'origine et identifiez rapidement la pièce compatible.</p> 2 - SYSTEME ADMISSION <p>Vue éclatée 2 pour TGB LANDMAX 1000 CAB – retrouvez la liste complète des composants d'origine et identifiez rapidement la pièce compatible.</p> 20 - ENSEMBLE REFROIDISSEMENT <p>Vue éclatée 20 pour TGB BLADE 550 FLX – retrouvez la liste complète des composants d'origine et identifiez rapidement la pièce compatible.</p> 20 - ENSEMBLE REFROIDISSEMENT <p>Vue éclatée 20 pour TGB BLADE 600 FLX – retrouvez la liste complète des composants d'origine et identifiez rapidement la pièce compatible.</p> 20 - ENSEMBLE REFROIDISSEMENT <p>Vue éclatée 20 pour TGB BLADE 600 LTX ABS – retrouvez la liste complète des composants d'origine et identifiez rapidement la pièce compatible.</p> 20 - ENSEMBLE REFROIDISSEMENT <p>Vue éclatée 20 pour TGB LANDMAX 1000 – retrouvez la liste complète des composants d'origine et identifiez rapidement la pièce compatible.</p> 20 - ENSEMBLE REFROIDISSEMENT <p>Vue éclatée 20 pour TGB LANDMAX 1000 CAB – retrouvez la liste complète des composants d'origine et identifiez rapidement la pièce compatible.</p> 21 - SYSTEME ELECTRIQUE 2 <p>Vue éclatée 21 pour TGB BLADE 550 FLX – retrouvez la liste complète des composants d'origine et identifiez rapidement la pièce compatible.</p> 21 - SYSTEME ELECTRIQUE 2 <p>Vue éclatée 21 pour TGB BLADE 600 FLX – retrouvez la liste complète des composants d'origine et identifiez rapidement la pièce compatible.</p> 21 - SYSTEME ELECTRIQUE 2 <p>Vue éclatée 21 pour TGB BLADE 600 LTX ABS – retrouvez la liste complète des composants d'origine et identifiez rapidement la pièce compatible.</p> 21 - SYSTEME ELECTRIQUE 2 <p>Vue éclatée 21 pour TGB LANDMAX 1000 – retrouvez la liste complète des composants d'origine et identifiez rapidement la pièce compatible.</p> 21 - SYSTEME ELECTRIQUE 2 <p>Vue éclatée 21 pour TGB LANDMAX 1000 CAB – retrouvez la liste complète des composants d'origine et identifiez rapidement la pièce compatible.</p> 22 - SYSTEME ELECTRIQUE 3 <p>Vue éclatée 22 pour TGB BLADE 550 FLX – retrouvez la liste complète des composants d'origine et identifiez rapidement la pièce compatible.</p> 22 - SYSTEME ELECTRIQUE 3 <p>Vue éclatée 22 pour TGB BLADE 600 FLX – retrouvez la liste complète des composants d'origine et identifiez rapidement la pièce compatible.</p> 22 - SYSTEME ELECTRIQUE 3 <p>Vue éclatée 22 pour TGB BLADE 600 LTX ABS – retrouvez la liste complète des composants d'origine et identifiez rapidement la pièce compatible.</p> 22 - SYSTEME ELECTRIQUE 3 <p>Vue éclatée 22 pour TGB LANDMAX 1000 – retrouvez la liste complète des composants d'origine et identifiez rapidement la pièce compatible.</p> 22 - SYSTEME ELECTRIQUE 3 <p>Vue éclatée 22 pour TGB LANDMAX 1000 CAB – retrouvez la liste complète des composants d'origine et identifiez rapidement la pièce compatible.</p> 23 - RELAIS SUPPORTS <p>Vue éclatée 23 pour TGB LANDMAX 1000 – retrouvez la liste complète des composants d'origine et identifiez rapidement la pièce compatible.</p> 23 - RELAIS SUPPORTS <p>Vue éclatée 23 pour TGB LANDMAX 1000 CAB – retrouvez la liste complète des composants d'origine et identifiez rapidement la pièce compatible.</p> 23 - SUPPORTS <p>Vue éclatée 23 pour TGB BLADE 550 FLX – retrouvez la liste complète des composants d'origine et identifiez rapidement la pièce compatible.</p> 23 - SUPPORTS <p>Vue éclatée 23 pour TGB BLADE 600 FLX – retrouvez la liste complète des composants d'origine et identifiez rapidement la pièce compatible.</p> 23 - SUPPORTS <p>Vue éclatée 23 pour TGB BLADE 600 LTX ABS – retrouvez la liste complète des composants d'origine et identifiez rapidement la pièce compatible.</p> 24 - CONTROLEUR... <p>Vue éclatée 24 pour TGB LANDMAX 1000 – retrouvez la liste complète des composants d'origine et identifiez rapidement la pièce compatible.</p> 24 - ECLAIRAGE INT MONITEUR... <p>Vue éclatée 24 pour TGB LANDMAX 1000 CAB – retrouvez la liste complète des composants d'origine et identifiez rapidement la pièce compatible.</p> 24 - SUPPORTS MOTEUR <p>Vue éclatée 24 pour TGB BLADE 550 FLX – retrouvez la liste complète des composants d'origine et identifiez rapidement la pièce compatible.</p> 24 - SUPPORTS MOTEUR <p>Vue éclatée 24 pour TGB BLADE 600 FLX – retrouvez la liste complète des composants d'origine et identifiez rapidement la pièce compatible.</p> 24 - SUPPORTS MOTEUR <p>Vue éclatée 24 pour TGB BLADE 600 LTX ABS – retrouvez la liste complète des composants d'origine et identifiez rapidement la pièce compatible.</p> 25 - COMPTEUR <p>Vue éclatée 25 pour TGB LANDMAX 1000 – retrouvez la liste complète des composants d'origine et identifiez rapidement la pièce compatible.</p> 25 - CONTROLEUR... <p>Vue éclatée 25 pour TGB LANDMAX 1000 CAB – retrouvez la liste complète des composants d'origine et identifiez rapidement la pièce compatible.</p> 25 - MOTEUR DE DIFFERENTIEL <p>Vue éclatée 25 pour TGB BLADE 550 FLX – retrouvez la liste complète des composants d'origine et identifiez rapidement la pièce compatible.</p> 25 - MOTEUR DE DIFFERENTIEL <p>Vue éclatée 25 pour TGB BLADE 600 FLX – retrouvez la liste complète des composants d'origine et identifiez rapidement la pièce compatible.</p> 25 - MOTEUR DE DIFFERENTIEL <p>Vue éclatée 25 pour TGB BLADE 600 LTX ABS – retrouvez la liste complète des composants d'origine et identifiez rapidement la pièce compatible.</p> 26 - COMPTEUR <p>Vue éclatée 26 pour TGB LANDMAX 1000 CAB – retrouvez la liste complète des composants d'origine et identifiez rapidement la pièce compatible.</p> 26 - DIRECTION ASSISTEE... <p>Vue éclatée 26 pour TGB BLADE 550 FLX – retrouvez la liste complète des composants d'origine et identifiez rapidement la pièce compatible.</p> 26 - DIRECTION ASSISTEE... <p>Vue éclatée 26 pour TGB BLADE 600 LTX ABS – retrouvez la liste complète des composants d'origine et identifiez rapidement la pièce compatible.</p> 26 - ECLAIRAGE AVANT <p>Vue éclatée 26 pour TGB LANDMAX 1000 – retrouvez la liste complète des composants d'origine et identifiez rapidement la pièce compatible.</p> 26 - SUPPORTS DIFFERENTIEL... <p>Vue éclatée 26 pour TGB BLADE 600 FLX – retrouvez la liste complète des composants d'origine et identifiez rapidement la pièce compatible.</p> 27 - COMPTEUR <p>Vue éclatée 27 pour TGB BLADE 550 FLX – retrouvez la liste complète des composants d'origine et identifiez rapidement la pièce compatible.</p> 27 - COMPTEUR <p>Vue éclatée 27 pour TGB BLADE 600 LTX ABS – retrouvez la liste complète des composants d'origine et identifiez rapidement la pièce compatible.</p> 27 - DIRECTION ASSISTEE... <p>Vue éclatée 27 pour TGB BLADE 600 FLX – retrouvez la liste complète des composants d'origine et identifiez rapidement la pièce compatible.</p> 27 - ECLAIRAGE ARRIERE <p>Vue éclatée 27 pour TGB LANDMAX 1000 – retrouvez la liste complète des composants d'origine et identifiez rapidement la pièce compatible.</p> 27 - ECLAIRAGE AVANT <p>Vue éclatée 27 pour TGB LANDMAX 1000 CAB – retrouvez la liste complète des composants d'origine et identifiez rapidement la pièce compatible.</p> Affichage 1-100 de 539 article(s) 1 2 3 … 6 Suivant Retour en haut
17 - VARIATEUR <p>Vue éclatée 17 pour TGB BLADE 600 FLX – retrouvez la liste complète des composants d'origine et identifiez rapidement la pièce compatible.</p> 17 - VARIATEUR <p>Vue éclatée 17 pour TGB BLADE 600 LTX ABS – retrouvez la liste complète des composants d'origine et identifiez rapidement la pièce compatible.</p> 18 - ENSEMBLE DIFFERENTIEL... <p>Vue éclatée 18 pour TGB LANDMAX 1000 – retrouvez la liste complète des composants d'origine et identifiez rapidement la pièce compatible.</p> 18 - ENSEMBLE DIFFERENTIEL... <p>Vue éclatée 18 pour TGB LANDMAX 1000 CAB – retrouvez la liste complète des composants d'origine et identifiez rapidement la pièce compatible.</p> 18 - ENSEMBLE ECHAPPEMENT <p>Vue éclatée 18 pour TGB BLADE 550 FLX – retrouvez la liste complète des composants d'origine et identifiez rapidement la pièce compatible.</p> 18 - ENSEMBLE ECHAPPEMENT <p>Vue éclatée 18 pour TGB BLADE 600 FLX – retrouvez la liste complète des composants d'origine et identifiez rapidement la pièce compatible.</p> 18 - ENSEMBLE ECHAPPEMENT <p>Vue éclatée 18 pour TGB BLADE 600 LTX ABS – retrouvez la liste complète des composants d'origine et identifiez rapidement la pièce compatible.</p> 19 - DIRECTION ASSISTEE <p>Vue éclatée 19 pour TGB LANDMAX 1000 – retrouvez la liste complète des composants d'origine et identifiez rapidement la pièce compatible.</p> 19 - DIRECTION ASSISTEE <p>Vue éclatée 19 pour TGB LANDMAX 1000 CAB – retrouvez la liste complète des composants d'origine et identifiez rapidement la pièce compatible.</p> 19 - ENSEMBLE FILTRE A AIR <p>Vue éclatée 19 pour TGB BLADE 550 FLX – retrouvez la liste complète des composants d'origine et identifiez rapidement la pièce compatible.</p> 19 - ENSEMBLE FILTRE A AIR <p>Vue éclatée 19 pour TGB BLADE 600 FLX – retrouvez la liste complète des composants d'origine et identifiez rapidement la pièce compatible.</p> 19 - ENSEMBLE FILTRE A AIR <p>Vue éclatée 19 pour TGB BLADE 600 LTX ABS – retrouvez la liste complète des composants d'origine et identifiez rapidement la pièce compatible.</p> 2 - SYSTEME ADMISSION <p>Vue éclatée 2 pour TGB BLADE 550 FLX – retrouvez la liste complète des composants d'origine et identifiez rapidement la pièce compatible.</p> 2 - SYSTEME ADMISSION <p>Vue éclatée 2 pour TGB BLADE 600 FLX – retrouvez la liste complète des composants d'origine et identifiez rapidement la pièce compatible.</p> 2 - SYSTEME ADMISSION <p>Vue éclatée 2 pour TGB BLADE 600 LTX ABS – retrouvez la liste complète des composants d'origine et identifiez rapidement la pièce compatible.</p> 2 - SYSTEME ADMISSION <p>Vue éclatée 2 pour TGB LANDMAX 1000 – retrouvez la liste complète des composants d'origine et identifiez rapidement la pièce compatible.</p> 2 - SYSTEME ADMISSION <p>Vue éclatée 2 pour TGB LANDMAX 1000 CAB – retrouvez la liste complète des composants d'origine et identifiez rapidement la pièce compatible.</p> 20 - ENSEMBLE REFROIDISSEMENT <p>Vue éclatée 20 pour TGB BLADE 550 FLX – retrouvez la liste complète des composants d'origine et identifiez rapidement la pièce compatible.</p> 20 - ENSEMBLE REFROIDISSEMENT <p>Vue éclatée 20 pour TGB BLADE 600 FLX – retrouvez la liste complète des composants d'origine et identifiez rapidement la pièce compatible.</p> 20 - ENSEMBLE REFROIDISSEMENT <p>Vue éclatée 20 pour TGB BLADE 600 LTX ABS – retrouvez la liste complète des composants d'origine et identifiez rapidement la pièce compatible.</p> 20 - ENSEMBLE REFROIDISSEMENT <p>Vue éclatée 20 pour TGB LANDMAX 1000 – retrouvez la liste complète des composants d'origine et identifiez rapidement la pièce compatible.</p> 20 - ENSEMBLE REFROIDISSEMENT <p>Vue éclatée 20 pour TGB LANDMAX 1000 CAB – retrouvez la liste complète des composants d'origine et identifiez rapidement la pièce compatible.</p> 21 - SYSTEME ELECTRIQUE 2 <p>Vue éclatée 21 pour TGB BLADE 550 FLX – retrouvez la liste complète des composants d'origine et identifiez rapidement la pièce compatible.</p> 21 - SYSTEME ELECTRIQUE 2 <p>Vue éclatée 21 pour TGB BLADE 600 FLX – retrouvez la liste complète des composants d'origine et identifiez rapidement la pièce compatible.</p> 21 - SYSTEME ELECTRIQUE 2 <p>Vue éclatée 21 pour TGB BLADE 600 LTX ABS – retrouvez la liste complète des composants d'origine et identifiez rapidement la pièce compatible.</p> 21 - SYSTEME ELECTRIQUE 2 <p>Vue éclatée 21 pour TGB LANDMAX 1000 – retrouvez la liste complète des composants d'origine et identifiez rapidement la pièce compatible.</p> 21 - SYSTEME ELECTRIQUE 2 <p>Vue éclatée 21 pour TGB LANDMAX 1000 CAB – retrouvez la liste complète des composants d'origine et identifiez rapidement la pièce compatible.</p> 22 - SYSTEME ELECTRIQUE 3 <p>Vue éclatée 22 pour TGB BLADE 550 FLX – retrouvez la liste complète des composants d'origine et identifiez rapidement la pièce compatible.</p> 22 - SYSTEME ELECTRIQUE 3 <p>Vue éclatée 22 pour TGB BLADE 600 FLX – retrouvez la liste complète des composants d'origine et identifiez rapidement la pièce compatible.</p> 22 - SYSTEME ELECTRIQUE 3 <p>Vue éclatée 22 pour TGB BLADE 600 LTX ABS – retrouvez la liste complète des composants d'origine et identifiez rapidement la pièce compatible.</p> 22 - SYSTEME ELECTRIQUE 3 <p>Vue éclatée 22 pour TGB LANDMAX 1000 – retrouvez la liste complète des composants d'origine et identifiez rapidement la pièce compatible.</p> 22 - SYSTEME ELECTRIQUE 3 <p>Vue éclatée 22 pour TGB LANDMAX 1000 CAB – retrouvez la liste complète des composants d'origine et identifiez rapidement la pièce compatible.</p> 23 - RELAIS SUPPORTS <p>Vue éclatée 23 pour TGB LANDMAX 1000 – retrouvez la liste complète des composants d'origine et identifiez rapidement la pièce compatible.</p> 23 - RELAIS SUPPORTS <p>Vue éclatée 23 pour TGB LANDMAX 1000 CAB – retrouvez la liste complète des composants d'origine et identifiez rapidement la pièce compatible.</p> 23 - SUPPORTS <p>Vue éclatée 23 pour TGB BLADE 550 FLX – retrouvez la liste complète des composants d'origine et identifiez rapidement la pièce compatible.</p> 23 - SUPPORTS <p>Vue éclatée 23 pour TGB BLADE 600 FLX – retrouvez la liste complète des composants d'origine et identifiez rapidement la pièce compatible.</p> 23 - SUPPORTS <p>Vue éclatée 23 pour TGB BLADE 600 LTX ABS – retrouvez la liste complète des composants d'origine et identifiez rapidement la pièce compatible.</p> 24 - CONTROLEUR... <p>Vue éclatée 24 pour TGB LANDMAX 1000 – retrouvez la liste complète des composants d'origine et identifiez rapidement la pièce compatible.</p> 24 - ECLAIRAGE INT MONITEUR... <p>Vue éclatée 24 pour TGB LANDMAX 1000 CAB – retrouvez la liste complète des composants d'origine et identifiez rapidement la pièce compatible.</p> 24 - SUPPORTS MOTEUR <p>Vue éclatée 24 pour TGB BLADE 550 FLX – retrouvez la liste complète des composants d'origine et identifiez rapidement la pièce compatible.</p> 24 - SUPPORTS MOTEUR <p>Vue éclatée 24 pour TGB BLADE 600 FLX – retrouvez la liste complète des composants d'origine et identifiez rapidement la pièce compatible.</p> 24 - SUPPORTS MOTEUR <p>Vue éclatée 24 pour TGB BLADE 600 LTX ABS – retrouvez la liste complète des composants d'origine et identifiez rapidement la pièce compatible.</p> 25 - COMPTEUR <p>Vue éclatée 25 pour TGB LANDMAX 1000 – retrouvez la liste complète des composants d'origine et identifiez rapidement la pièce compatible.</p> 25 - CONTROLEUR... <p>Vue éclatée 25 pour TGB LANDMAX 1000 CAB – retrouvez la liste complète des composants d'origine et identifiez rapidement la pièce compatible.</p> 25 - MOTEUR DE DIFFERENTIEL <p>Vue éclatée 25 pour TGB BLADE 550 FLX – retrouvez la liste complète des composants d'origine et identifiez rapidement la pièce compatible.</p> 25 - MOTEUR DE DIFFERENTIEL <p>Vue éclatée 25 pour TGB BLADE 600 FLX – retrouvez la liste complète des composants d'origine et identifiez rapidement la pièce compatible.</p> 25 - MOTEUR DE DIFFERENTIEL <p>Vue éclatée 25 pour TGB BLADE 600 LTX ABS – retrouvez la liste complète des composants d'origine et identifiez rapidement la pièce compatible.</p> 26 - COMPTEUR <p>Vue éclatée 26 pour TGB LANDMAX 1000 CAB – retrouvez la liste complète des composants d'origine et identifiez rapidement la pièce compatible.</p> 26 - DIRECTION ASSISTEE... <p>Vue éclatée 26 pour TGB BLADE 550 FLX – retrouvez la liste complète des composants d'origine et identifiez rapidement la pièce compatible.</p> 26 - DIRECTION ASSISTEE... <p>Vue éclatée 26 pour TGB BLADE 600 LTX ABS – retrouvez la liste complète des composants d'origine et identifiez rapidement la pièce compatible.</p> 26 - ECLAIRAGE AVANT <p>Vue éclatée 26 pour TGB LANDMAX 1000 – retrouvez la liste complète des composants d'origine et identifiez rapidement la pièce compatible.</p> 26 - SUPPORTS DIFFERENTIEL... <p>Vue éclatée 26 pour TGB BLADE 600 FLX – retrouvez la liste complète des composants d'origine et identifiez rapidement la pièce compatible.</p> 27 - COMPTEUR <p>Vue éclatée 27 pour TGB BLADE 550 FLX – retrouvez la liste complète des composants d'origine et identifiez rapidement la pièce compatible.</p> 27 - COMPTEUR <p>Vue éclatée 27 pour TGB BLADE 600 LTX ABS – retrouvez la liste complète des composants d'origine et identifiez rapidement la pièce compatible.</p> 27 - DIRECTION ASSISTEE... <p>Vue éclatée 27 pour TGB BLADE 600 FLX – retrouvez la liste complète des composants d'origine et identifiez rapidement la pièce compatible.</p> 27 - ECLAIRAGE ARRIERE <p>Vue éclatée 27 pour TGB LANDMAX 1000 – retrouvez la liste complète des composants d'origine et identifiez rapidement la pièce compatible.</p> 27 - ECLAIRAGE AVANT <p>Vue éclatée 27 pour TGB LANDMAX 1000 CAB – retrouvez la liste complète des composants d'origine et identifiez rapidement la pièce compatible.</p> Affichage 1-100 de 539 article(s) 1 2 3 … 6 Suivant Retour en haut
17 - VARIATEUR <p>Vue éclatée 17 pour TGB BLADE 600 LTX ABS – retrouvez la liste complète des composants d'origine et identifiez rapidement la pièce compatible.</p> 18 - ENSEMBLE DIFFERENTIEL... <p>Vue éclatée 18 pour TGB LANDMAX 1000 – retrouvez la liste complète des composants d'origine et identifiez rapidement la pièce compatible.</p> 18 - ENSEMBLE DIFFERENTIEL... <p>Vue éclatée 18 pour TGB LANDMAX 1000 CAB – retrouvez la liste complète des composants d'origine et identifiez rapidement la pièce compatible.</p> 18 - ENSEMBLE ECHAPPEMENT <p>Vue éclatée 18 pour TGB BLADE 550 FLX – retrouvez la liste complète des composants d'origine et identifiez rapidement la pièce compatible.</p> 18 - ENSEMBLE ECHAPPEMENT <p>Vue éclatée 18 pour TGB BLADE 600 FLX – retrouvez la liste complète des composants d'origine et identifiez rapidement la pièce compatible.</p> 18 - ENSEMBLE ECHAPPEMENT <p>Vue éclatée 18 pour TGB BLADE 600 LTX ABS – retrouvez la liste complète des composants d'origine et identifiez rapidement la pièce compatible.</p> 19 - DIRECTION ASSISTEE <p>Vue éclatée 19 pour TGB LANDMAX 1000 – retrouvez la liste complète des composants d'origine et identifiez rapidement la pièce compatible.</p> 19 - DIRECTION ASSISTEE <p>Vue éclatée 19 pour TGB LANDMAX 1000 CAB – retrouvez la liste complète des composants d'origine et identifiez rapidement la pièce compatible.</p> 19 - ENSEMBLE FILTRE A AIR <p>Vue éclatée 19 pour TGB BLADE 550 FLX – retrouvez la liste complète des composants d'origine et identifiez rapidement la pièce compatible.</p> 19 - ENSEMBLE FILTRE A AIR <p>Vue éclatée 19 pour TGB BLADE 600 FLX – retrouvez la liste complète des composants d'origine et identifiez rapidement la pièce compatible.</p> 19 - ENSEMBLE FILTRE A AIR <p>Vue éclatée 19 pour TGB BLADE 600 LTX ABS – retrouvez la liste complète des composants d'origine et identifiez rapidement la pièce compatible.</p> 2 - SYSTEME ADMISSION <p>Vue éclatée 2 pour TGB BLADE 550 FLX – retrouvez la liste complète des composants d'origine et identifiez rapidement la pièce compatible.</p> 2 - SYSTEME ADMISSION <p>Vue éclatée 2 pour TGB BLADE 600 FLX – retrouvez la liste complète des composants d'origine et identifiez rapidement la pièce compatible.</p> 2 - SYSTEME ADMISSION <p>Vue éclatée 2 pour TGB BLADE 600 LTX ABS – retrouvez la liste complète des composants d'origine et identifiez rapidement la pièce compatible.</p> 2 - SYSTEME ADMISSION <p>Vue éclatée 2 pour TGB LANDMAX 1000 – retrouvez la liste complète des composants d'origine et identifiez rapidement la pièce compatible.</p> 2 - SYSTEME ADMISSION <p>Vue éclatée 2 pour TGB LANDMAX 1000 CAB – retrouvez la liste complète des composants d'origine et identifiez rapidement la pièce compatible.</p> 20 - ENSEMBLE REFROIDISSEMENT <p>Vue éclatée 20 pour TGB BLADE 550 FLX – retrouvez la liste complète des composants d'origine et identifiez rapidement la pièce compatible.</p> 20 - ENSEMBLE REFROIDISSEMENT <p>Vue éclatée 20 pour TGB BLADE 600 FLX – retrouvez la liste complète des composants d'origine et identifiez rapidement la pièce compatible.</p> 20 - ENSEMBLE REFROIDISSEMENT <p>Vue éclatée 20 pour TGB BLADE 600 LTX ABS – retrouvez la liste complète des composants d'origine et identifiez rapidement la pièce compatible.</p> 20 - ENSEMBLE REFROIDISSEMENT <p>Vue éclatée 20 pour TGB LANDMAX 1000 – retrouvez la liste complète des composants d'origine et identifiez rapidement la pièce compatible.</p> 20 - ENSEMBLE REFROIDISSEMENT <p>Vue éclatée 20 pour TGB LANDMAX 1000 CAB – retrouvez la liste complète des composants d'origine et identifiez rapidement la pièce compatible.</p> 21 - SYSTEME ELECTRIQUE 2 <p>Vue éclatée 21 pour TGB BLADE 550 FLX – retrouvez la liste complète des composants d'origine et identifiez rapidement la pièce compatible.</p> 21 - SYSTEME ELECTRIQUE 2 <p>Vue éclatée 21 pour TGB BLADE 600 FLX – retrouvez la liste complète des composants d'origine et identifiez rapidement la pièce compatible.</p> 21 - SYSTEME ELECTRIQUE 2 <p>Vue éclatée 21 pour TGB BLADE 600 LTX ABS – retrouvez la liste complète des composants d'origine et identifiez rapidement la pièce compatible.</p> 21 - SYSTEME ELECTRIQUE 2 <p>Vue éclatée 21 pour TGB LANDMAX 1000 – retrouvez la liste complète des composants d'origine et identifiez rapidement la pièce compatible.</p> 21 - SYSTEME ELECTRIQUE 2 <p>Vue éclatée 21 pour TGB LANDMAX 1000 CAB – retrouvez la liste complète des composants d'origine et identifiez rapidement la pièce compatible.</p> 22 - SYSTEME ELECTRIQUE 3 <p>Vue éclatée 22 pour TGB BLADE 550 FLX – retrouvez la liste complète des composants d'origine et identifiez rapidement la pièce compatible.</p> 22 - SYSTEME ELECTRIQUE 3 <p>Vue éclatée 22 pour TGB BLADE 600 FLX – retrouvez la liste complète des composants d'origine et identifiez rapidement la pièce compatible.</p> 22 - SYSTEME ELECTRIQUE 3 <p>Vue éclatée 22 pour TGB BLADE 600 LTX ABS – retrouvez la liste complète des composants d'origine et identifiez rapidement la pièce compatible.</p> 22 - SYSTEME ELECTRIQUE 3 <p>Vue éclatée 22 pour TGB LANDMAX 1000 – retrouvez la liste complète des composants d'origine et identifiez rapidement la pièce compatible.</p> 22 - SYSTEME ELECTRIQUE 3 <p>Vue éclatée 22 pour TGB LANDMAX 1000 CAB – retrouvez la liste complète des composants d'origine et identifiez rapidement la pièce compatible.</p> 23 - RELAIS SUPPORTS <p>Vue éclatée 23 pour TGB LANDMAX 1000 – retrouvez la liste complète des composants d'origine et identifiez rapidement la pièce compatible.</p> 23 - RELAIS SUPPORTS <p>Vue éclatée 23 pour TGB LANDMAX 1000 CAB – retrouvez la liste complète des composants d'origine et identifiez rapidement la pièce compatible.</p> 23 - SUPPORTS <p>Vue éclatée 23 pour TGB BLADE 550 FLX – retrouvez la liste complète des composants d'origine et identifiez rapidement la pièce compatible.</p> 23 - SUPPORTS <p>Vue éclatée 23 pour TGB BLADE 600 FLX – retrouvez la liste complète des composants d'origine et identifiez rapidement la pièce compatible.</p> 23 - SUPPORTS <p>Vue éclatée 23 pour TGB BLADE 600 LTX ABS – retrouvez la liste complète des composants d'origine et identifiez rapidement la pièce compatible.</p> 24 - CONTROLEUR... <p>Vue éclatée 24 pour TGB LANDMAX 1000 – retrouvez la liste complète des composants d'origine et identifiez rapidement la pièce compatible.</p> 24 - ECLAIRAGE INT MONITEUR... <p>Vue éclatée 24 pour TGB LANDMAX 1000 CAB – retrouvez la liste complète des composants d'origine et identifiez rapidement la pièce compatible.</p> 24 - SUPPORTS MOTEUR <p>Vue éclatée 24 pour TGB BLADE 550 FLX – retrouvez la liste complète des composants d'origine et identifiez rapidement la pièce compatible.</p> 24 - SUPPORTS MOTEUR <p>Vue éclatée 24 pour TGB BLADE 600 FLX – retrouvez la liste complète des composants d'origine et identifiez rapidement la pièce compatible.</p> 24 - SUPPORTS MOTEUR <p>Vue éclatée 24 pour TGB BLADE 600 LTX ABS – retrouvez la liste complète des composants d'origine et identifiez rapidement la pièce compatible.</p> 25 - COMPTEUR <p>Vue éclatée 25 pour TGB LANDMAX 1000 – retrouvez la liste complète des composants d'origine et identifiez rapidement la pièce compatible.</p> 25 - CONTROLEUR... <p>Vue éclatée 25 pour TGB LANDMAX 1000 CAB – retrouvez la liste complète des composants d'origine et identifiez rapidement la pièce compatible.</p> 25 - MOTEUR DE DIFFERENTIEL <p>Vue éclatée 25 pour TGB BLADE 550 FLX – retrouvez la liste complète des composants d'origine et identifiez rapidement la pièce compatible.</p> 25 - MOTEUR DE DIFFERENTIEL <p>Vue éclatée 25 pour TGB BLADE 600 FLX – retrouvez la liste complète des composants d'origine et identifiez rapidement la pièce compatible.</p> 25 - MOTEUR DE DIFFERENTIEL <p>Vue éclatée 25 pour TGB BLADE 600 LTX ABS – retrouvez la liste complète des composants d'origine et identifiez rapidement la pièce compatible.</p> 26 - COMPTEUR <p>Vue éclatée 26 pour TGB LANDMAX 1000 CAB – retrouvez la liste complète des composants d'origine et identifiez rapidement la pièce compatible.</p> 26 - DIRECTION ASSISTEE... <p>Vue éclatée 26 pour TGB BLADE 550 FLX – retrouvez la liste complète des composants d'origine et identifiez rapidement la pièce compatible.</p> 26 - DIRECTION ASSISTEE... <p>Vue éclatée 26 pour TGB BLADE 600 LTX ABS – retrouvez la liste complète des composants d'origine et identifiez rapidement la pièce compatible.</p> 26 - ECLAIRAGE AVANT <p>Vue éclatée 26 pour TGB LANDMAX 1000 – retrouvez la liste complète des composants d'origine et identifiez rapidement la pièce compatible.</p> 26 - SUPPORTS DIFFERENTIEL... <p>Vue éclatée 26 pour TGB BLADE 600 FLX – retrouvez la liste complète des composants d'origine et identifiez rapidement la pièce compatible.</p> 27 - COMPTEUR <p>Vue éclatée 27 pour TGB BLADE 550 FLX – retrouvez la liste complète des composants d'origine et identifiez rapidement la pièce compatible.</p> 27 - COMPTEUR <p>Vue éclatée 27 pour TGB BLADE 600 LTX ABS – retrouvez la liste complète des composants d'origine et identifiez rapidement la pièce compatible.</p> 27 - DIRECTION ASSISTEE... <p>Vue éclatée 27 pour TGB BLADE 600 FLX – retrouvez la liste complète des composants d'origine et identifiez rapidement la pièce compatible.</p> 27 - ECLAIRAGE ARRIERE <p>Vue éclatée 27 pour TGB LANDMAX 1000 – retrouvez la liste complète des composants d'origine et identifiez rapidement la pièce compatible.</p> 27 - ECLAIRAGE AVANT <p>Vue éclatée 27 pour TGB LANDMAX 1000 CAB – retrouvez la liste complète des composants d'origine et identifiez rapidement la pièce compatible.</p> Affichage 1-100 de 539 article(s) 1 2 3 … 6 Suivant Retour en haut
18 - ENSEMBLE DIFFERENTIEL... <p>Vue éclatée 18 pour TGB LANDMAX 1000 – retrouvez la liste complète des composants d'origine et identifiez rapidement la pièce compatible.</p> 18 - ENSEMBLE DIFFERENTIEL... <p>Vue éclatée 18 pour TGB LANDMAX 1000 CAB – retrouvez la liste complète des composants d'origine et identifiez rapidement la pièce compatible.</p> 18 - ENSEMBLE ECHAPPEMENT <p>Vue éclatée 18 pour TGB BLADE 550 FLX – retrouvez la liste complète des composants d'origine et identifiez rapidement la pièce compatible.</p> 18 - ENSEMBLE ECHAPPEMENT <p>Vue éclatée 18 pour TGB BLADE 600 FLX – retrouvez la liste complète des composants d'origine et identifiez rapidement la pièce compatible.</p> 18 - ENSEMBLE ECHAPPEMENT <p>Vue éclatée 18 pour TGB BLADE 600 LTX ABS – retrouvez la liste complète des composants d'origine et identifiez rapidement la pièce compatible.</p> 19 - DIRECTION ASSISTEE <p>Vue éclatée 19 pour TGB LANDMAX 1000 – retrouvez la liste complète des composants d'origine et identifiez rapidement la pièce compatible.</p> 19 - DIRECTION ASSISTEE <p>Vue éclatée 19 pour TGB LANDMAX 1000 CAB – retrouvez la liste complète des composants d'origine et identifiez rapidement la pièce compatible.</p> 19 - ENSEMBLE FILTRE A AIR <p>Vue éclatée 19 pour TGB BLADE 550 FLX – retrouvez la liste complète des composants d'origine et identifiez rapidement la pièce compatible.</p> 19 - ENSEMBLE FILTRE A AIR <p>Vue éclatée 19 pour TGB BLADE 600 FLX – retrouvez la liste complète des composants d'origine et identifiez rapidement la pièce compatible.</p> 19 - ENSEMBLE FILTRE A AIR <p>Vue éclatée 19 pour TGB BLADE 600 LTX ABS – retrouvez la liste complète des composants d'origine et identifiez rapidement la pièce compatible.</p> 2 - SYSTEME ADMISSION <p>Vue éclatée 2 pour TGB BLADE 550 FLX – retrouvez la liste complète des composants d'origine et identifiez rapidement la pièce compatible.</p> 2 - SYSTEME ADMISSION <p>Vue éclatée 2 pour TGB BLADE 600 FLX – retrouvez la liste complète des composants d'origine et identifiez rapidement la pièce compatible.</p> 2 - SYSTEME ADMISSION <p>Vue éclatée 2 pour TGB BLADE 600 LTX ABS – retrouvez la liste complète des composants d'origine et identifiez rapidement la pièce compatible.</p> 2 - SYSTEME ADMISSION <p>Vue éclatée 2 pour TGB LANDMAX 1000 – retrouvez la liste complète des composants d'origine et identifiez rapidement la pièce compatible.</p> 2 - SYSTEME ADMISSION <p>Vue éclatée 2 pour TGB LANDMAX 1000 CAB – retrouvez la liste complète des composants d'origine et identifiez rapidement la pièce compatible.</p> 20 - ENSEMBLE REFROIDISSEMENT <p>Vue éclatée 20 pour TGB BLADE 550 FLX – retrouvez la liste complète des composants d'origine et identifiez rapidement la pièce compatible.</p> 20 - ENSEMBLE REFROIDISSEMENT <p>Vue éclatée 20 pour TGB BLADE 600 FLX – retrouvez la liste complète des composants d'origine et identifiez rapidement la pièce compatible.</p> 20 - ENSEMBLE REFROIDISSEMENT <p>Vue éclatée 20 pour TGB BLADE 600 LTX ABS – retrouvez la liste complète des composants d'origine et identifiez rapidement la pièce compatible.</p> 20 - ENSEMBLE REFROIDISSEMENT <p>Vue éclatée 20 pour TGB LANDMAX 1000 – retrouvez la liste complète des composants d'origine et identifiez rapidement la pièce compatible.</p> 20 - ENSEMBLE REFROIDISSEMENT <p>Vue éclatée 20 pour TGB LANDMAX 1000 CAB – retrouvez la liste complète des composants d'origine et identifiez rapidement la pièce compatible.</p> 21 - SYSTEME ELECTRIQUE 2 <p>Vue éclatée 21 pour TGB BLADE 550 FLX – retrouvez la liste complète des composants d'origine et identifiez rapidement la pièce compatible.</p> 21 - SYSTEME ELECTRIQUE 2 <p>Vue éclatée 21 pour TGB BLADE 600 FLX – retrouvez la liste complète des composants d'origine et identifiez rapidement la pièce compatible.</p> 21 - SYSTEME ELECTRIQUE 2 <p>Vue éclatée 21 pour TGB BLADE 600 LTX ABS – retrouvez la liste complète des composants d'origine et identifiez rapidement la pièce compatible.</p> 21 - SYSTEME ELECTRIQUE 2 <p>Vue éclatée 21 pour TGB LANDMAX 1000 – retrouvez la liste complète des composants d'origine et identifiez rapidement la pièce compatible.</p> 21 - SYSTEME ELECTRIQUE 2 <p>Vue éclatée 21 pour TGB LANDMAX 1000 CAB – retrouvez la liste complète des composants d'origine et identifiez rapidement la pièce compatible.</p> 22 - SYSTEME ELECTRIQUE 3 <p>Vue éclatée 22 pour TGB BLADE 550 FLX – retrouvez la liste complète des composants d'origine et identifiez rapidement la pièce compatible.</p> 22 - SYSTEME ELECTRIQUE 3 <p>Vue éclatée 22 pour TGB BLADE 600 FLX – retrouvez la liste complète des composants d'origine et identifiez rapidement la pièce compatible.</p> 22 - SYSTEME ELECTRIQUE 3 <p>Vue éclatée 22 pour TGB BLADE 600 LTX ABS – retrouvez la liste complète des composants d'origine et identifiez rapidement la pièce compatible.</p> 22 - SYSTEME ELECTRIQUE 3 <p>Vue éclatée 22 pour TGB LANDMAX 1000 – retrouvez la liste complète des composants d'origine et identifiez rapidement la pièce compatible.</p> 22 - SYSTEME ELECTRIQUE 3 <p>Vue éclatée 22 pour TGB LANDMAX 1000 CAB – retrouvez la liste complète des composants d'origine et identifiez rapidement la pièce compatible.</p> 23 - RELAIS SUPPORTS <p>Vue éclatée 23 pour TGB LANDMAX 1000 – retrouvez la liste complète des composants d'origine et identifiez rapidement la pièce compatible.</p> 23 - RELAIS SUPPORTS <p>Vue éclatée 23 pour TGB LANDMAX 1000 CAB – retrouvez la liste complète des composants d'origine et identifiez rapidement la pièce compatible.</p> 23 - SUPPORTS <p>Vue éclatée 23 pour TGB BLADE 550 FLX – retrouvez la liste complète des composants d'origine et identifiez rapidement la pièce compatible.</p> 23 - SUPPORTS <p>Vue éclatée 23 pour TGB BLADE 600 FLX – retrouvez la liste complète des composants d'origine et identifiez rapidement la pièce compatible.</p> 23 - SUPPORTS <p>Vue éclatée 23 pour TGB BLADE 600 LTX ABS – retrouvez la liste complète des composants d'origine et identifiez rapidement la pièce compatible.</p> 24 - CONTROLEUR... <p>Vue éclatée 24 pour TGB LANDMAX 1000 – retrouvez la liste complète des composants d'origine et identifiez rapidement la pièce compatible.</p> 24 - ECLAIRAGE INT MONITEUR... <p>Vue éclatée 24 pour TGB LANDMAX 1000 CAB – retrouvez la liste complète des composants d'origine et identifiez rapidement la pièce compatible.</p> 24 - SUPPORTS MOTEUR <p>Vue éclatée 24 pour TGB BLADE 550 FLX – retrouvez la liste complète des composants d'origine et identifiez rapidement la pièce compatible.</p> 24 - SUPPORTS MOTEUR <p>Vue éclatée 24 pour TGB BLADE 600 FLX – retrouvez la liste complète des composants d'origine et identifiez rapidement la pièce compatible.</p> 24 - SUPPORTS MOTEUR <p>Vue éclatée 24 pour TGB BLADE 600 LTX ABS – retrouvez la liste complète des composants d'origine et identifiez rapidement la pièce compatible.</p> 25 - COMPTEUR <p>Vue éclatée 25 pour TGB LANDMAX 1000 – retrouvez la liste complète des composants d'origine et identifiez rapidement la pièce compatible.</p> 25 - CONTROLEUR... <p>Vue éclatée 25 pour TGB LANDMAX 1000 CAB – retrouvez la liste complète des composants d'origine et identifiez rapidement la pièce compatible.</p> 25 - MOTEUR DE DIFFERENTIEL <p>Vue éclatée 25 pour TGB BLADE 550 FLX – retrouvez la liste complète des composants d'origine et identifiez rapidement la pièce compatible.</p> 25 - MOTEUR DE DIFFERENTIEL <p>Vue éclatée 25 pour TGB BLADE 600 FLX – retrouvez la liste complète des composants d'origine et identifiez rapidement la pièce compatible.</p> 25 - MOTEUR DE DIFFERENTIEL <p>Vue éclatée 25 pour TGB BLADE 600 LTX ABS – retrouvez la liste complète des composants d'origine et identifiez rapidement la pièce compatible.</p> 26 - COMPTEUR <p>Vue éclatée 26 pour TGB LANDMAX 1000 CAB – retrouvez la liste complète des composants d'origine et identifiez rapidement la pièce compatible.</p> 26 - DIRECTION ASSISTEE... <p>Vue éclatée 26 pour TGB BLADE 550 FLX – retrouvez la liste complète des composants d'origine et identifiez rapidement la pièce compatible.</p> 26 - DIRECTION ASSISTEE... <p>Vue éclatée 26 pour TGB BLADE 600 LTX ABS – retrouvez la liste complète des composants d'origine et identifiez rapidement la pièce compatible.</p> 26 - ECLAIRAGE AVANT <p>Vue éclatée 26 pour TGB LANDMAX 1000 – retrouvez la liste complète des composants d'origine et identifiez rapidement la pièce compatible.</p> 26 - SUPPORTS DIFFERENTIEL... <p>Vue éclatée 26 pour TGB BLADE 600 FLX – retrouvez la liste complète des composants d'origine et identifiez rapidement la pièce compatible.</p> 27 - COMPTEUR <p>Vue éclatée 27 pour TGB BLADE 550 FLX – retrouvez la liste complète des composants d'origine et identifiez rapidement la pièce compatible.</p> 27 - COMPTEUR <p>Vue éclatée 27 pour TGB BLADE 600 LTX ABS – retrouvez la liste complète des composants d'origine et identifiez rapidement la pièce compatible.</p> 27 - DIRECTION ASSISTEE... <p>Vue éclatée 27 pour TGB BLADE 600 FLX – retrouvez la liste complète des composants d'origine et identifiez rapidement la pièce compatible.</p> 27 - ECLAIRAGE ARRIERE <p>Vue éclatée 27 pour TGB LANDMAX 1000 – retrouvez la liste complète des composants d'origine et identifiez rapidement la pièce compatible.</p> 27 - ECLAIRAGE AVANT <p>Vue éclatée 27 pour TGB LANDMAX 1000 CAB – retrouvez la liste complète des composants d'origine et identifiez rapidement la pièce compatible.</p> Affichage 1-100 de 539 article(s) 1 2 3 … 6 Suivant Retour en haut
18 - ENSEMBLE DIFFERENTIEL... <p>Vue éclatée 18 pour TGB LANDMAX 1000 CAB – retrouvez la liste complète des composants d'origine et identifiez rapidement la pièce compatible.</p> 18 - ENSEMBLE ECHAPPEMENT <p>Vue éclatée 18 pour TGB BLADE 550 FLX – retrouvez la liste complète des composants d'origine et identifiez rapidement la pièce compatible.</p> 18 - ENSEMBLE ECHAPPEMENT <p>Vue éclatée 18 pour TGB BLADE 600 FLX – retrouvez la liste complète des composants d'origine et identifiez rapidement la pièce compatible.</p> 18 - ENSEMBLE ECHAPPEMENT <p>Vue éclatée 18 pour TGB BLADE 600 LTX ABS – retrouvez la liste complète des composants d'origine et identifiez rapidement la pièce compatible.</p> 19 - DIRECTION ASSISTEE <p>Vue éclatée 19 pour TGB LANDMAX 1000 – retrouvez la liste complète des composants d'origine et identifiez rapidement la pièce compatible.</p> 19 - DIRECTION ASSISTEE <p>Vue éclatée 19 pour TGB LANDMAX 1000 CAB – retrouvez la liste complète des composants d'origine et identifiez rapidement la pièce compatible.</p> 19 - ENSEMBLE FILTRE A AIR <p>Vue éclatée 19 pour TGB BLADE 550 FLX – retrouvez la liste complète des composants d'origine et identifiez rapidement la pièce compatible.</p> 19 - ENSEMBLE FILTRE A AIR <p>Vue éclatée 19 pour TGB BLADE 600 FLX – retrouvez la liste complète des composants d'origine et identifiez rapidement la pièce compatible.</p> 19 - ENSEMBLE FILTRE A AIR <p>Vue éclatée 19 pour TGB BLADE 600 LTX ABS – retrouvez la liste complète des composants d'origine et identifiez rapidement la pièce compatible.</p> 2 - SYSTEME ADMISSION <p>Vue éclatée 2 pour TGB BLADE 550 FLX – retrouvez la liste complète des composants d'origine et identifiez rapidement la pièce compatible.</p> 2 - SYSTEME ADMISSION <p>Vue éclatée 2 pour TGB BLADE 600 FLX – retrouvez la liste complète des composants d'origine et identifiez rapidement la pièce compatible.</p> 2 - SYSTEME ADMISSION <p>Vue éclatée 2 pour TGB BLADE 600 LTX ABS – retrouvez la liste complète des composants d'origine et identifiez rapidement la pièce compatible.</p> 2 - SYSTEME ADMISSION <p>Vue éclatée 2 pour TGB LANDMAX 1000 – retrouvez la liste complète des composants d'origine et identifiez rapidement la pièce compatible.</p> 2 - SYSTEME ADMISSION <p>Vue éclatée 2 pour TGB LANDMAX 1000 CAB – retrouvez la liste complète des composants d'origine et identifiez rapidement la pièce compatible.</p> 20 - ENSEMBLE REFROIDISSEMENT <p>Vue éclatée 20 pour TGB BLADE 550 FLX – retrouvez la liste complète des composants d'origine et identifiez rapidement la pièce compatible.</p> 20 - ENSEMBLE REFROIDISSEMENT <p>Vue éclatée 20 pour TGB BLADE 600 FLX – retrouvez la liste complète des composants d'origine et identifiez rapidement la pièce compatible.</p> 20 - ENSEMBLE REFROIDISSEMENT <p>Vue éclatée 20 pour TGB BLADE 600 LTX ABS – retrouvez la liste complète des composants d'origine et identifiez rapidement la pièce compatible.</p> 20 - ENSEMBLE REFROIDISSEMENT <p>Vue éclatée 20 pour TGB LANDMAX 1000 – retrouvez la liste complète des composants d'origine et identifiez rapidement la pièce compatible.</p> 20 - ENSEMBLE REFROIDISSEMENT <p>Vue éclatée 20 pour TGB LANDMAX 1000 CAB – retrouvez la liste complète des composants d'origine et identifiez rapidement la pièce compatible.</p> 21 - SYSTEME ELECTRIQUE 2 <p>Vue éclatée 21 pour TGB BLADE 550 FLX – retrouvez la liste complète des composants d'origine et identifiez rapidement la pièce compatible.</p> 21 - SYSTEME ELECTRIQUE 2 <p>Vue éclatée 21 pour TGB BLADE 600 FLX – retrouvez la liste complète des composants d'origine et identifiez rapidement la pièce compatible.</p> 21 - SYSTEME ELECTRIQUE 2 <p>Vue éclatée 21 pour TGB BLADE 600 LTX ABS – retrouvez la liste complète des composants d'origine et identifiez rapidement la pièce compatible.</p> 21 - SYSTEME ELECTRIQUE 2 <p>Vue éclatée 21 pour TGB LANDMAX 1000 – retrouvez la liste complète des composants d'origine et identifiez rapidement la pièce compatible.</p> 21 - SYSTEME ELECTRIQUE 2 <p>Vue éclatée 21 pour TGB LANDMAX 1000 CAB – retrouvez la liste complète des composants d'origine et identifiez rapidement la pièce compatible.</p> 22 - SYSTEME ELECTRIQUE 3 <p>Vue éclatée 22 pour TGB BLADE 550 FLX – retrouvez la liste complète des composants d'origine et identifiez rapidement la pièce compatible.</p> 22 - SYSTEME ELECTRIQUE 3 <p>Vue éclatée 22 pour TGB BLADE 600 FLX – retrouvez la liste complète des composants d'origine et identifiez rapidement la pièce compatible.</p> 22 - SYSTEME ELECTRIQUE 3 <p>Vue éclatée 22 pour TGB BLADE 600 LTX ABS – retrouvez la liste complète des composants d'origine et identifiez rapidement la pièce compatible.</p> 22 - SYSTEME ELECTRIQUE 3 <p>Vue éclatée 22 pour TGB LANDMAX 1000 – retrouvez la liste complète des composants d'origine et identifiez rapidement la pièce compatible.</p> 22 - SYSTEME ELECTRIQUE 3 <p>Vue éclatée 22 pour TGB LANDMAX 1000 CAB – retrouvez la liste complète des composants d'origine et identifiez rapidement la pièce compatible.</p> 23 - RELAIS SUPPORTS <p>Vue éclatée 23 pour TGB LANDMAX 1000 – retrouvez la liste complète des composants d'origine et identifiez rapidement la pièce compatible.</p> 23 - RELAIS SUPPORTS <p>Vue éclatée 23 pour TGB LANDMAX 1000 CAB – retrouvez la liste complète des composants d'origine et identifiez rapidement la pièce compatible.</p> 23 - SUPPORTS <p>Vue éclatée 23 pour TGB BLADE 550 FLX – retrouvez la liste complète des composants d'origine et identifiez rapidement la pièce compatible.</p> 23 - SUPPORTS <p>Vue éclatée 23 pour TGB BLADE 600 FLX – retrouvez la liste complète des composants d'origine et identifiez rapidement la pièce compatible.</p> 23 - SUPPORTS <p>Vue éclatée 23 pour TGB BLADE 600 LTX ABS – retrouvez la liste complète des composants d'origine et identifiez rapidement la pièce compatible.</p> 24 - CONTROLEUR... <p>Vue éclatée 24 pour TGB LANDMAX 1000 – retrouvez la liste complète des composants d'origine et identifiez rapidement la pièce compatible.</p> 24 - ECLAIRAGE INT MONITEUR... <p>Vue éclatée 24 pour TGB LANDMAX 1000 CAB – retrouvez la liste complète des composants d'origine et identifiez rapidement la pièce compatible.</p> 24 - SUPPORTS MOTEUR <p>Vue éclatée 24 pour TGB BLADE 550 FLX – retrouvez la liste complète des composants d'origine et identifiez rapidement la pièce compatible.</p> 24 - SUPPORTS MOTEUR <p>Vue éclatée 24 pour TGB BLADE 600 FLX – retrouvez la liste complète des composants d'origine et identifiez rapidement la pièce compatible.</p> 24 - SUPPORTS MOTEUR <p>Vue éclatée 24 pour TGB BLADE 600 LTX ABS – retrouvez la liste complète des composants d'origine et identifiez rapidement la pièce compatible.</p> 25 - COMPTEUR <p>Vue éclatée 25 pour TGB LANDMAX 1000 – retrouvez la liste complète des composants d'origine et identifiez rapidement la pièce compatible.</p> 25 - CONTROLEUR... <p>Vue éclatée 25 pour TGB LANDMAX 1000 CAB – retrouvez la liste complète des composants d'origine et identifiez rapidement la pièce compatible.</p> 25 - MOTEUR DE DIFFERENTIEL <p>Vue éclatée 25 pour TGB BLADE 550 FLX – retrouvez la liste complète des composants d'origine et identifiez rapidement la pièce compatible.</p> 25 - MOTEUR DE DIFFERENTIEL <p>Vue éclatée 25 pour TGB BLADE 600 FLX – retrouvez la liste complète des composants d'origine et identifiez rapidement la pièce compatible.</p> 25 - MOTEUR DE DIFFERENTIEL <p>Vue éclatée 25 pour TGB BLADE 600 LTX ABS – retrouvez la liste complète des composants d'origine et identifiez rapidement la pièce compatible.</p> 26 - COMPTEUR <p>Vue éclatée 26 pour TGB LANDMAX 1000 CAB – retrouvez la liste complète des composants d'origine et identifiez rapidement la pièce compatible.</p> 26 - DIRECTION ASSISTEE... <p>Vue éclatée 26 pour TGB BLADE 550 FLX – retrouvez la liste complète des composants d'origine et identifiez rapidement la pièce compatible.</p> 26 - DIRECTION ASSISTEE... <p>Vue éclatée 26 pour TGB BLADE 600 LTX ABS – retrouvez la liste complète des composants d'origine et identifiez rapidement la pièce compatible.</p> 26 - ECLAIRAGE AVANT <p>Vue éclatée 26 pour TGB LANDMAX 1000 – retrouvez la liste complète des composants d'origine et identifiez rapidement la pièce compatible.</p> 26 - SUPPORTS DIFFERENTIEL... <p>Vue éclatée 26 pour TGB BLADE 600 FLX – retrouvez la liste complète des composants d'origine et identifiez rapidement la pièce compatible.</p> 27 - COMPTEUR <p>Vue éclatée 27 pour TGB BLADE 550 FLX – retrouvez la liste complète des composants d'origine et identifiez rapidement la pièce compatible.</p> 27 - COMPTEUR <p>Vue éclatée 27 pour TGB BLADE 600 LTX ABS – retrouvez la liste complète des composants d'origine et identifiez rapidement la pièce compatible.</p> 27 - DIRECTION ASSISTEE... <p>Vue éclatée 27 pour TGB BLADE 600 FLX – retrouvez la liste complète des composants d'origine et identifiez rapidement la pièce compatible.</p> 27 - ECLAIRAGE ARRIERE <p>Vue éclatée 27 pour TGB LANDMAX 1000 – retrouvez la liste complète des composants d'origine et identifiez rapidement la pièce compatible.</p> 27 - ECLAIRAGE AVANT <p>Vue éclatée 27 pour TGB LANDMAX 1000 CAB – retrouvez la liste complète des composants d'origine et identifiez rapidement la pièce compatible.</p> Affichage 1-100 de 539 article(s) 1 2 3 … 6 Suivant Retour en haut
18 - ENSEMBLE ECHAPPEMENT <p>Vue éclatée 18 pour TGB BLADE 550 FLX – retrouvez la liste complète des composants d'origine et identifiez rapidement la pièce compatible.</p> 18 - ENSEMBLE ECHAPPEMENT <p>Vue éclatée 18 pour TGB BLADE 600 FLX – retrouvez la liste complète des composants d'origine et identifiez rapidement la pièce compatible.</p> 18 - ENSEMBLE ECHAPPEMENT <p>Vue éclatée 18 pour TGB BLADE 600 LTX ABS – retrouvez la liste complète des composants d'origine et identifiez rapidement la pièce compatible.</p> 19 - DIRECTION ASSISTEE <p>Vue éclatée 19 pour TGB LANDMAX 1000 – retrouvez la liste complète des composants d'origine et identifiez rapidement la pièce compatible.</p> 19 - DIRECTION ASSISTEE <p>Vue éclatée 19 pour TGB LANDMAX 1000 CAB – retrouvez la liste complète des composants d'origine et identifiez rapidement la pièce compatible.</p> 19 - ENSEMBLE FILTRE A AIR <p>Vue éclatée 19 pour TGB BLADE 550 FLX – retrouvez la liste complète des composants d'origine et identifiez rapidement la pièce compatible.</p> 19 - ENSEMBLE FILTRE A AIR <p>Vue éclatée 19 pour TGB BLADE 600 FLX – retrouvez la liste complète des composants d'origine et identifiez rapidement la pièce compatible.</p> 19 - ENSEMBLE FILTRE A AIR <p>Vue éclatée 19 pour TGB BLADE 600 LTX ABS – retrouvez la liste complète des composants d'origine et identifiez rapidement la pièce compatible.</p> 2 - SYSTEME ADMISSION <p>Vue éclatée 2 pour TGB BLADE 550 FLX – retrouvez la liste complète des composants d'origine et identifiez rapidement la pièce compatible.</p> 2 - SYSTEME ADMISSION <p>Vue éclatée 2 pour TGB BLADE 600 FLX – retrouvez la liste complète des composants d'origine et identifiez rapidement la pièce compatible.</p> 2 - SYSTEME ADMISSION <p>Vue éclatée 2 pour TGB BLADE 600 LTX ABS – retrouvez la liste complète des composants d'origine et identifiez rapidement la pièce compatible.</p> 2 - SYSTEME ADMISSION <p>Vue éclatée 2 pour TGB LANDMAX 1000 – retrouvez la liste complète des composants d'origine et identifiez rapidement la pièce compatible.</p> 2 - SYSTEME ADMISSION <p>Vue éclatée 2 pour TGB LANDMAX 1000 CAB – retrouvez la liste complète des composants d'origine et identifiez rapidement la pièce compatible.</p> 20 - ENSEMBLE REFROIDISSEMENT <p>Vue éclatée 20 pour TGB BLADE 550 FLX – retrouvez la liste complète des composants d'origine et identifiez rapidement la pièce compatible.</p> 20 - ENSEMBLE REFROIDISSEMENT <p>Vue éclatée 20 pour TGB BLADE 600 FLX – retrouvez la liste complète des composants d'origine et identifiez rapidement la pièce compatible.</p> 20 - ENSEMBLE REFROIDISSEMENT <p>Vue éclatée 20 pour TGB BLADE 600 LTX ABS – retrouvez la liste complète des composants d'origine et identifiez rapidement la pièce compatible.</p> 20 - ENSEMBLE REFROIDISSEMENT <p>Vue éclatée 20 pour TGB LANDMAX 1000 – retrouvez la liste complète des composants d'origine et identifiez rapidement la pièce compatible.</p> 20 - ENSEMBLE REFROIDISSEMENT <p>Vue éclatée 20 pour TGB LANDMAX 1000 CAB – retrouvez la liste complète des composants d'origine et identifiez rapidement la pièce compatible.</p> 21 - SYSTEME ELECTRIQUE 2 <p>Vue éclatée 21 pour TGB BLADE 550 FLX – retrouvez la liste complète des composants d'origine et identifiez rapidement la pièce compatible.</p> 21 - SYSTEME ELECTRIQUE 2 <p>Vue éclatée 21 pour TGB BLADE 600 FLX – retrouvez la liste complète des composants d'origine et identifiez rapidement la pièce compatible.</p> 21 - SYSTEME ELECTRIQUE 2 <p>Vue éclatée 21 pour TGB BLADE 600 LTX ABS – retrouvez la liste complète des composants d'origine et identifiez rapidement la pièce compatible.</p> 21 - SYSTEME ELECTRIQUE 2 <p>Vue éclatée 21 pour TGB LANDMAX 1000 – retrouvez la liste complète des composants d'origine et identifiez rapidement la pièce compatible.</p> 21 - SYSTEME ELECTRIQUE 2 <p>Vue éclatée 21 pour TGB LANDMAX 1000 CAB – retrouvez la liste complète des composants d'origine et identifiez rapidement la pièce compatible.</p> 22 - SYSTEME ELECTRIQUE 3 <p>Vue éclatée 22 pour TGB BLADE 550 FLX – retrouvez la liste complète des composants d'origine et identifiez rapidement la pièce compatible.</p> 22 - SYSTEME ELECTRIQUE 3 <p>Vue éclatée 22 pour TGB BLADE 600 FLX – retrouvez la liste complète des composants d'origine et identifiez rapidement la pièce compatible.</p> 22 - SYSTEME ELECTRIQUE 3 <p>Vue éclatée 22 pour TGB BLADE 600 LTX ABS – retrouvez la liste complète des composants d'origine et identifiez rapidement la pièce compatible.</p> 22 - SYSTEME ELECTRIQUE 3 <p>Vue éclatée 22 pour TGB LANDMAX 1000 – retrouvez la liste complète des composants d'origine et identifiez rapidement la pièce compatible.</p> 22 - SYSTEME ELECTRIQUE 3 <p>Vue éclatée 22 pour TGB LANDMAX 1000 CAB – retrouvez la liste complète des composants d'origine et identifiez rapidement la pièce compatible.</p> 23 - RELAIS SUPPORTS <p>Vue éclatée 23 pour TGB LANDMAX 1000 – retrouvez la liste complète des composants d'origine et identifiez rapidement la pièce compatible.</p> 23 - RELAIS SUPPORTS <p>Vue éclatée 23 pour TGB LANDMAX 1000 CAB – retrouvez la liste complète des composants d'origine et identifiez rapidement la pièce compatible.</p> 23 - SUPPORTS <p>Vue éclatée 23 pour TGB BLADE 550 FLX – retrouvez la liste complète des composants d'origine et identifiez rapidement la pièce compatible.</p> 23 - SUPPORTS <p>Vue éclatée 23 pour TGB BLADE 600 FLX – retrouvez la liste complète des composants d'origine et identifiez rapidement la pièce compatible.</p> 23 - SUPPORTS <p>Vue éclatée 23 pour TGB BLADE 600 LTX ABS – retrouvez la liste complète des composants d'origine et identifiez rapidement la pièce compatible.</p> 24 - CONTROLEUR... <p>Vue éclatée 24 pour TGB LANDMAX 1000 – retrouvez la liste complète des composants d'origine et identifiez rapidement la pièce compatible.</p> 24 - ECLAIRAGE INT MONITEUR... <p>Vue éclatée 24 pour TGB LANDMAX 1000 CAB – retrouvez la liste complète des composants d'origine et identifiez rapidement la pièce compatible.</p> 24 - SUPPORTS MOTEUR <p>Vue éclatée 24 pour TGB BLADE 550 FLX – retrouvez la liste complète des composants d'origine et identifiez rapidement la pièce compatible.</p> 24 - SUPPORTS MOTEUR <p>Vue éclatée 24 pour TGB BLADE 600 FLX – retrouvez la liste complète des composants d'origine et identifiez rapidement la pièce compatible.</p> 24 - SUPPORTS MOTEUR <p>Vue éclatée 24 pour TGB BLADE 600 LTX ABS – retrouvez la liste complète des composants d'origine et identifiez rapidement la pièce compatible.</p> 25 - COMPTEUR <p>Vue éclatée 25 pour TGB LANDMAX 1000 – retrouvez la liste complète des composants d'origine et identifiez rapidement la pièce compatible.</p> 25 - CONTROLEUR... <p>Vue éclatée 25 pour TGB LANDMAX 1000 CAB – retrouvez la liste complète des composants d'origine et identifiez rapidement la pièce compatible.</p> 25 - MOTEUR DE DIFFERENTIEL <p>Vue éclatée 25 pour TGB BLADE 550 FLX – retrouvez la liste complète des composants d'origine et identifiez rapidement la pièce compatible.</p> 25 - MOTEUR DE DIFFERENTIEL <p>Vue éclatée 25 pour TGB BLADE 600 FLX – retrouvez la liste complète des composants d'origine et identifiez rapidement la pièce compatible.</p> 25 - MOTEUR DE DIFFERENTIEL <p>Vue éclatée 25 pour TGB BLADE 600 LTX ABS – retrouvez la liste complète des composants d'origine et identifiez rapidement la pièce compatible.</p> 26 - COMPTEUR <p>Vue éclatée 26 pour TGB LANDMAX 1000 CAB – retrouvez la liste complète des composants d'origine et identifiez rapidement la pièce compatible.</p> 26 - DIRECTION ASSISTEE... <p>Vue éclatée 26 pour TGB BLADE 550 FLX – retrouvez la liste complète des composants d'origine et identifiez rapidement la pièce compatible.</p> 26 - DIRECTION ASSISTEE... <p>Vue éclatée 26 pour TGB BLADE 600 LTX ABS – retrouvez la liste complète des composants d'origine et identifiez rapidement la pièce compatible.</p> 26 - ECLAIRAGE AVANT <p>Vue éclatée 26 pour TGB LANDMAX 1000 – retrouvez la liste complète des composants d'origine et identifiez rapidement la pièce compatible.</p> 26 - SUPPORTS DIFFERENTIEL... <p>Vue éclatée 26 pour TGB BLADE 600 FLX – retrouvez la liste complète des composants d'origine et identifiez rapidement la pièce compatible.</p> 27 - COMPTEUR <p>Vue éclatée 27 pour TGB BLADE 550 FLX – retrouvez la liste complète des composants d'origine et identifiez rapidement la pièce compatible.</p> 27 - COMPTEUR <p>Vue éclatée 27 pour TGB BLADE 600 LTX ABS – retrouvez la liste complète des composants d'origine et identifiez rapidement la pièce compatible.</p> 27 - DIRECTION ASSISTEE... <p>Vue éclatée 27 pour TGB BLADE 600 FLX – retrouvez la liste complète des composants d'origine et identifiez rapidement la pièce compatible.</p> 27 - ECLAIRAGE ARRIERE <p>Vue éclatée 27 pour TGB LANDMAX 1000 – retrouvez la liste complète des composants d'origine et identifiez rapidement la pièce compatible.</p> 27 - ECLAIRAGE AVANT <p>Vue éclatée 27 pour TGB LANDMAX 1000 CAB – retrouvez la liste complète des composants d'origine et identifiez rapidement la pièce compatible.</p> Affichage 1-100 de 539 article(s) 1 2 3 … 6 Suivant Retour en haut
18 - ENSEMBLE ECHAPPEMENT <p>Vue éclatée 18 pour TGB BLADE 600 FLX – retrouvez la liste complète des composants d'origine et identifiez rapidement la pièce compatible.</p> 18 - ENSEMBLE ECHAPPEMENT <p>Vue éclatée 18 pour TGB BLADE 600 LTX ABS – retrouvez la liste complète des composants d'origine et identifiez rapidement la pièce compatible.</p> 19 - DIRECTION ASSISTEE <p>Vue éclatée 19 pour TGB LANDMAX 1000 – retrouvez la liste complète des composants d'origine et identifiez rapidement la pièce compatible.</p> 19 - DIRECTION ASSISTEE <p>Vue éclatée 19 pour TGB LANDMAX 1000 CAB – retrouvez la liste complète des composants d'origine et identifiez rapidement la pièce compatible.</p> 19 - ENSEMBLE FILTRE A AIR <p>Vue éclatée 19 pour TGB BLADE 550 FLX – retrouvez la liste complète des composants d'origine et identifiez rapidement la pièce compatible.</p> 19 - ENSEMBLE FILTRE A AIR <p>Vue éclatée 19 pour TGB BLADE 600 FLX – retrouvez la liste complète des composants d'origine et identifiez rapidement la pièce compatible.</p> 19 - ENSEMBLE FILTRE A AIR <p>Vue éclatée 19 pour TGB BLADE 600 LTX ABS – retrouvez la liste complète des composants d'origine et identifiez rapidement la pièce compatible.</p> 2 - SYSTEME ADMISSION <p>Vue éclatée 2 pour TGB BLADE 550 FLX – retrouvez la liste complète des composants d'origine et identifiez rapidement la pièce compatible.</p> 2 - SYSTEME ADMISSION <p>Vue éclatée 2 pour TGB BLADE 600 FLX – retrouvez la liste complète des composants d'origine et identifiez rapidement la pièce compatible.</p> 2 - SYSTEME ADMISSION <p>Vue éclatée 2 pour TGB BLADE 600 LTX ABS – retrouvez la liste complète des composants d'origine et identifiez rapidement la pièce compatible.</p> 2 - SYSTEME ADMISSION <p>Vue éclatée 2 pour TGB LANDMAX 1000 – retrouvez la liste complète des composants d'origine et identifiez rapidement la pièce compatible.</p> 2 - SYSTEME ADMISSION <p>Vue éclatée 2 pour TGB LANDMAX 1000 CAB – retrouvez la liste complète des composants d'origine et identifiez rapidement la pièce compatible.</p> 20 - ENSEMBLE REFROIDISSEMENT <p>Vue éclatée 20 pour TGB BLADE 550 FLX – retrouvez la liste complète des composants d'origine et identifiez rapidement la pièce compatible.</p> 20 - ENSEMBLE REFROIDISSEMENT <p>Vue éclatée 20 pour TGB BLADE 600 FLX – retrouvez la liste complète des composants d'origine et identifiez rapidement la pièce compatible.</p> 20 - ENSEMBLE REFROIDISSEMENT <p>Vue éclatée 20 pour TGB BLADE 600 LTX ABS – retrouvez la liste complète des composants d'origine et identifiez rapidement la pièce compatible.</p> 20 - ENSEMBLE REFROIDISSEMENT <p>Vue éclatée 20 pour TGB LANDMAX 1000 – retrouvez la liste complète des composants d'origine et identifiez rapidement la pièce compatible.</p> 20 - ENSEMBLE REFROIDISSEMENT <p>Vue éclatée 20 pour TGB LANDMAX 1000 CAB – retrouvez la liste complète des composants d'origine et identifiez rapidement la pièce compatible.</p> 21 - SYSTEME ELECTRIQUE 2 <p>Vue éclatée 21 pour TGB BLADE 550 FLX – retrouvez la liste complète des composants d'origine et identifiez rapidement la pièce compatible.</p> 21 - SYSTEME ELECTRIQUE 2 <p>Vue éclatée 21 pour TGB BLADE 600 FLX – retrouvez la liste complète des composants d'origine et identifiez rapidement la pièce compatible.</p> 21 - SYSTEME ELECTRIQUE 2 <p>Vue éclatée 21 pour TGB BLADE 600 LTX ABS – retrouvez la liste complète des composants d'origine et identifiez rapidement la pièce compatible.</p> 21 - SYSTEME ELECTRIQUE 2 <p>Vue éclatée 21 pour TGB LANDMAX 1000 – retrouvez la liste complète des composants d'origine et identifiez rapidement la pièce compatible.</p> 21 - SYSTEME ELECTRIQUE 2 <p>Vue éclatée 21 pour TGB LANDMAX 1000 CAB – retrouvez la liste complète des composants d'origine et identifiez rapidement la pièce compatible.</p> 22 - SYSTEME ELECTRIQUE 3 <p>Vue éclatée 22 pour TGB BLADE 550 FLX – retrouvez la liste complète des composants d'origine et identifiez rapidement la pièce compatible.</p> 22 - SYSTEME ELECTRIQUE 3 <p>Vue éclatée 22 pour TGB BLADE 600 FLX – retrouvez la liste complète des composants d'origine et identifiez rapidement la pièce compatible.</p> 22 - SYSTEME ELECTRIQUE 3 <p>Vue éclatée 22 pour TGB BLADE 600 LTX ABS – retrouvez la liste complète des composants d'origine et identifiez rapidement la pièce compatible.</p> 22 - SYSTEME ELECTRIQUE 3 <p>Vue éclatée 22 pour TGB LANDMAX 1000 – retrouvez la liste complète des composants d'origine et identifiez rapidement la pièce compatible.</p> 22 - SYSTEME ELECTRIQUE 3 <p>Vue éclatée 22 pour TGB LANDMAX 1000 CAB – retrouvez la liste complète des composants d'origine et identifiez rapidement la pièce compatible.</p> 23 - RELAIS SUPPORTS <p>Vue éclatée 23 pour TGB LANDMAX 1000 – retrouvez la liste complète des composants d'origine et identifiez rapidement la pièce compatible.</p> 23 - RELAIS SUPPORTS <p>Vue éclatée 23 pour TGB LANDMAX 1000 CAB – retrouvez la liste complète des composants d'origine et identifiez rapidement la pièce compatible.</p> 23 - SUPPORTS <p>Vue éclatée 23 pour TGB BLADE 550 FLX – retrouvez la liste complète des composants d'origine et identifiez rapidement la pièce compatible.</p> 23 - SUPPORTS <p>Vue éclatée 23 pour TGB BLADE 600 FLX – retrouvez la liste complète des composants d'origine et identifiez rapidement la pièce compatible.</p> 23 - SUPPORTS <p>Vue éclatée 23 pour TGB BLADE 600 LTX ABS – retrouvez la liste complète des composants d'origine et identifiez rapidement la pièce compatible.</p> 24 - CONTROLEUR... <p>Vue éclatée 24 pour TGB LANDMAX 1000 – retrouvez la liste complète des composants d'origine et identifiez rapidement la pièce compatible.</p> 24 - ECLAIRAGE INT MONITEUR... <p>Vue éclatée 24 pour TGB LANDMAX 1000 CAB – retrouvez la liste complète des composants d'origine et identifiez rapidement la pièce compatible.</p> 24 - SUPPORTS MOTEUR <p>Vue éclatée 24 pour TGB BLADE 550 FLX – retrouvez la liste complète des composants d'origine et identifiez rapidement la pièce compatible.</p> 24 - SUPPORTS MOTEUR <p>Vue éclatée 24 pour TGB BLADE 600 FLX – retrouvez la liste complète des composants d'origine et identifiez rapidement la pièce compatible.</p> 24 - SUPPORTS MOTEUR <p>Vue éclatée 24 pour TGB BLADE 600 LTX ABS – retrouvez la liste complète des composants d'origine et identifiez rapidement la pièce compatible.</p> 25 - COMPTEUR <p>Vue éclatée 25 pour TGB LANDMAX 1000 – retrouvez la liste complète des composants d'origine et identifiez rapidement la pièce compatible.</p> 25 - CONTROLEUR... <p>Vue éclatée 25 pour TGB LANDMAX 1000 CAB – retrouvez la liste complète des composants d'origine et identifiez rapidement la pièce compatible.</p> 25 - MOTEUR DE DIFFERENTIEL <p>Vue éclatée 25 pour TGB BLADE 550 FLX – retrouvez la liste complète des composants d'origine et identifiez rapidement la pièce compatible.</p> 25 - MOTEUR DE DIFFERENTIEL <p>Vue éclatée 25 pour TGB BLADE 600 FLX – retrouvez la liste complète des composants d'origine et identifiez rapidement la pièce compatible.</p> 25 - MOTEUR DE DIFFERENTIEL <p>Vue éclatée 25 pour TGB BLADE 600 LTX ABS – retrouvez la liste complète des composants d'origine et identifiez rapidement la pièce compatible.</p> 26 - COMPTEUR <p>Vue éclatée 26 pour TGB LANDMAX 1000 CAB – retrouvez la liste complète des composants d'origine et identifiez rapidement la pièce compatible.</p> 26 - DIRECTION ASSISTEE... <p>Vue éclatée 26 pour TGB BLADE 550 FLX – retrouvez la liste complète des composants d'origine et identifiez rapidement la pièce compatible.</p> 26 - DIRECTION ASSISTEE... <p>Vue éclatée 26 pour TGB BLADE 600 LTX ABS – retrouvez la liste complète des composants d'origine et identifiez rapidement la pièce compatible.</p> 26 - ECLAIRAGE AVANT <p>Vue éclatée 26 pour TGB LANDMAX 1000 – retrouvez la liste complète des composants d'origine et identifiez rapidement la pièce compatible.</p> 26 - SUPPORTS DIFFERENTIEL... <p>Vue éclatée 26 pour TGB BLADE 600 FLX – retrouvez la liste complète des composants d'origine et identifiez rapidement la pièce compatible.</p> 27 - COMPTEUR <p>Vue éclatée 27 pour TGB BLADE 550 FLX – retrouvez la liste complète des composants d'origine et identifiez rapidement la pièce compatible.</p> 27 - COMPTEUR <p>Vue éclatée 27 pour TGB BLADE 600 LTX ABS – retrouvez la liste complète des composants d'origine et identifiez rapidement la pièce compatible.</p> 27 - DIRECTION ASSISTEE... <p>Vue éclatée 27 pour TGB BLADE 600 FLX – retrouvez la liste complète des composants d'origine et identifiez rapidement la pièce compatible.</p> 27 - ECLAIRAGE ARRIERE <p>Vue éclatée 27 pour TGB LANDMAX 1000 – retrouvez la liste complète des composants d'origine et identifiez rapidement la pièce compatible.</p> 27 - ECLAIRAGE AVANT <p>Vue éclatée 27 pour TGB LANDMAX 1000 CAB – retrouvez la liste complète des composants d'origine et identifiez rapidement la pièce compatible.</p> Affichage 1-100 de 539 article(s) 1 2 3 … 6 Suivant Retour en haut
18 - ENSEMBLE ECHAPPEMENT <p>Vue éclatée 18 pour TGB BLADE 600 LTX ABS – retrouvez la liste complète des composants d'origine et identifiez rapidement la pièce compatible.</p> 19 - DIRECTION ASSISTEE <p>Vue éclatée 19 pour TGB LANDMAX 1000 – retrouvez la liste complète des composants d'origine et identifiez rapidement la pièce compatible.</p> 19 - DIRECTION ASSISTEE <p>Vue éclatée 19 pour TGB LANDMAX 1000 CAB – retrouvez la liste complète des composants d'origine et identifiez rapidement la pièce compatible.</p> 19 - ENSEMBLE FILTRE A AIR <p>Vue éclatée 19 pour TGB BLADE 550 FLX – retrouvez la liste complète des composants d'origine et identifiez rapidement la pièce compatible.</p> 19 - ENSEMBLE FILTRE A AIR <p>Vue éclatée 19 pour TGB BLADE 600 FLX – retrouvez la liste complète des composants d'origine et identifiez rapidement la pièce compatible.</p> 19 - ENSEMBLE FILTRE A AIR <p>Vue éclatée 19 pour TGB BLADE 600 LTX ABS – retrouvez la liste complète des composants d'origine et identifiez rapidement la pièce compatible.</p> 2 - SYSTEME ADMISSION <p>Vue éclatée 2 pour TGB BLADE 550 FLX – retrouvez la liste complète des composants d'origine et identifiez rapidement la pièce compatible.</p> 2 - SYSTEME ADMISSION <p>Vue éclatée 2 pour TGB BLADE 600 FLX – retrouvez la liste complète des composants d'origine et identifiez rapidement la pièce compatible.</p> 2 - SYSTEME ADMISSION <p>Vue éclatée 2 pour TGB BLADE 600 LTX ABS – retrouvez la liste complète des composants d'origine et identifiez rapidement la pièce compatible.</p> 2 - SYSTEME ADMISSION <p>Vue éclatée 2 pour TGB LANDMAX 1000 – retrouvez la liste complète des composants d'origine et identifiez rapidement la pièce compatible.</p> 2 - SYSTEME ADMISSION <p>Vue éclatée 2 pour TGB LANDMAX 1000 CAB – retrouvez la liste complète des composants d'origine et identifiez rapidement la pièce compatible.</p> 20 - ENSEMBLE REFROIDISSEMENT <p>Vue éclatée 20 pour TGB BLADE 550 FLX – retrouvez la liste complète des composants d'origine et identifiez rapidement la pièce compatible.</p> 20 - ENSEMBLE REFROIDISSEMENT <p>Vue éclatée 20 pour TGB BLADE 600 FLX – retrouvez la liste complète des composants d'origine et identifiez rapidement la pièce compatible.</p> 20 - ENSEMBLE REFROIDISSEMENT <p>Vue éclatée 20 pour TGB BLADE 600 LTX ABS – retrouvez la liste complète des composants d'origine et identifiez rapidement la pièce compatible.</p> 20 - ENSEMBLE REFROIDISSEMENT <p>Vue éclatée 20 pour TGB LANDMAX 1000 – retrouvez la liste complète des composants d'origine et identifiez rapidement la pièce compatible.</p> 20 - ENSEMBLE REFROIDISSEMENT <p>Vue éclatée 20 pour TGB LANDMAX 1000 CAB – retrouvez la liste complète des composants d'origine et identifiez rapidement la pièce compatible.</p> 21 - SYSTEME ELECTRIQUE 2 <p>Vue éclatée 21 pour TGB BLADE 550 FLX – retrouvez la liste complète des composants d'origine et identifiez rapidement la pièce compatible.</p> 21 - SYSTEME ELECTRIQUE 2 <p>Vue éclatée 21 pour TGB BLADE 600 FLX – retrouvez la liste complète des composants d'origine et identifiez rapidement la pièce compatible.</p> 21 - SYSTEME ELECTRIQUE 2 <p>Vue éclatée 21 pour TGB BLADE 600 LTX ABS – retrouvez la liste complète des composants d'origine et identifiez rapidement la pièce compatible.</p> 21 - SYSTEME ELECTRIQUE 2 <p>Vue éclatée 21 pour TGB LANDMAX 1000 – retrouvez la liste complète des composants d'origine et identifiez rapidement la pièce compatible.</p> 21 - SYSTEME ELECTRIQUE 2 <p>Vue éclatée 21 pour TGB LANDMAX 1000 CAB – retrouvez la liste complète des composants d'origine et identifiez rapidement la pièce compatible.</p> 22 - SYSTEME ELECTRIQUE 3 <p>Vue éclatée 22 pour TGB BLADE 550 FLX – retrouvez la liste complète des composants d'origine et identifiez rapidement la pièce compatible.</p> 22 - SYSTEME ELECTRIQUE 3 <p>Vue éclatée 22 pour TGB BLADE 600 FLX – retrouvez la liste complète des composants d'origine et identifiez rapidement la pièce compatible.</p> 22 - SYSTEME ELECTRIQUE 3 <p>Vue éclatée 22 pour TGB BLADE 600 LTX ABS – retrouvez la liste complète des composants d'origine et identifiez rapidement la pièce compatible.</p> 22 - SYSTEME ELECTRIQUE 3 <p>Vue éclatée 22 pour TGB LANDMAX 1000 – retrouvez la liste complète des composants d'origine et identifiez rapidement la pièce compatible.</p> 22 - SYSTEME ELECTRIQUE 3 <p>Vue éclatée 22 pour TGB LANDMAX 1000 CAB – retrouvez la liste complète des composants d'origine et identifiez rapidement la pièce compatible.</p> 23 - RELAIS SUPPORTS <p>Vue éclatée 23 pour TGB LANDMAX 1000 – retrouvez la liste complète des composants d'origine et identifiez rapidement la pièce compatible.</p> 23 - RELAIS SUPPORTS <p>Vue éclatée 23 pour TGB LANDMAX 1000 CAB – retrouvez la liste complète des composants d'origine et identifiez rapidement la pièce compatible.</p> 23 - SUPPORTS <p>Vue éclatée 23 pour TGB BLADE 550 FLX – retrouvez la liste complète des composants d'origine et identifiez rapidement la pièce compatible.</p> 23 - SUPPORTS <p>Vue éclatée 23 pour TGB BLADE 600 FLX – retrouvez la liste complète des composants d'origine et identifiez rapidement la pièce compatible.</p> 23 - SUPPORTS <p>Vue éclatée 23 pour TGB BLADE 600 LTX ABS – retrouvez la liste complète des composants d'origine et identifiez rapidement la pièce compatible.</p> 24 - CONTROLEUR... <p>Vue éclatée 24 pour TGB LANDMAX 1000 – retrouvez la liste complète des composants d'origine et identifiez rapidement la pièce compatible.</p> 24 - ECLAIRAGE INT MONITEUR... <p>Vue éclatée 24 pour TGB LANDMAX 1000 CAB – retrouvez la liste complète des composants d'origine et identifiez rapidement la pièce compatible.</p> 24 - SUPPORTS MOTEUR <p>Vue éclatée 24 pour TGB BLADE 550 FLX – retrouvez la liste complète des composants d'origine et identifiez rapidement la pièce compatible.</p> 24 - SUPPORTS MOTEUR <p>Vue éclatée 24 pour TGB BLADE 600 FLX – retrouvez la liste complète des composants d'origine et identifiez rapidement la pièce compatible.</p> 24 - SUPPORTS MOTEUR <p>Vue éclatée 24 pour TGB BLADE 600 LTX ABS – retrouvez la liste complète des composants d'origine et identifiez rapidement la pièce compatible.</p> 25 - COMPTEUR <p>Vue éclatée 25 pour TGB LANDMAX 1000 – retrouvez la liste complète des composants d'origine et identifiez rapidement la pièce compatible.</p> 25 - CONTROLEUR... <p>Vue éclatée 25 pour TGB LANDMAX 1000 CAB – retrouvez la liste complète des composants d'origine et identifiez rapidement la pièce compatible.</p> 25 - MOTEUR DE DIFFERENTIEL <p>Vue éclatée 25 pour TGB BLADE 550 FLX – retrouvez la liste complète des composants d'origine et identifiez rapidement la pièce compatible.</p> 25 - MOTEUR DE DIFFERENTIEL <p>Vue éclatée 25 pour TGB BLADE 600 FLX – retrouvez la liste complète des composants d'origine et identifiez rapidement la pièce compatible.</p> 25 - MOTEUR DE DIFFERENTIEL <p>Vue éclatée 25 pour TGB BLADE 600 LTX ABS – retrouvez la liste complète des composants d'origine et identifiez rapidement la pièce compatible.</p> 26 - COMPTEUR <p>Vue éclatée 26 pour TGB LANDMAX 1000 CAB – retrouvez la liste complète des composants d'origine et identifiez rapidement la pièce compatible.</p> 26 - DIRECTION ASSISTEE... <p>Vue éclatée 26 pour TGB BLADE 550 FLX – retrouvez la liste complète des composants d'origine et identifiez rapidement la pièce compatible.</p> 26 - DIRECTION ASSISTEE... <p>Vue éclatée 26 pour TGB BLADE 600 LTX ABS – retrouvez la liste complète des composants d'origine et identifiez rapidement la pièce compatible.</p> 26 - ECLAIRAGE AVANT <p>Vue éclatée 26 pour TGB LANDMAX 1000 – retrouvez la liste complète des composants d'origine et identifiez rapidement la pièce compatible.</p> 26 - SUPPORTS DIFFERENTIEL... <p>Vue éclatée 26 pour TGB BLADE 600 FLX – retrouvez la liste complète des composants d'origine et identifiez rapidement la pièce compatible.</p> 27 - COMPTEUR <p>Vue éclatée 27 pour TGB BLADE 550 FLX – retrouvez la liste complète des composants d'origine et identifiez rapidement la pièce compatible.</p> 27 - COMPTEUR <p>Vue éclatée 27 pour TGB BLADE 600 LTX ABS – retrouvez la liste complète des composants d'origine et identifiez rapidement la pièce compatible.</p> 27 - DIRECTION ASSISTEE... <p>Vue éclatée 27 pour TGB BLADE 600 FLX – retrouvez la liste complète des composants d'origine et identifiez rapidement la pièce compatible.</p> 27 - ECLAIRAGE ARRIERE <p>Vue éclatée 27 pour TGB LANDMAX 1000 – retrouvez la liste complète des composants d'origine et identifiez rapidement la pièce compatible.</p> 27 - ECLAIRAGE AVANT <p>Vue éclatée 27 pour TGB LANDMAX 1000 CAB – retrouvez la liste complète des composants d'origine et identifiez rapidement la pièce compatible.</p> Affichage 1-100 de 539 article(s) 1 2 3 … 6 Suivant Retour en haut
19 - DIRECTION ASSISTEE <p>Vue éclatée 19 pour TGB LANDMAX 1000 – retrouvez la liste complète des composants d'origine et identifiez rapidement la pièce compatible.</p> 19 - DIRECTION ASSISTEE <p>Vue éclatée 19 pour TGB LANDMAX 1000 CAB – retrouvez la liste complète des composants d'origine et identifiez rapidement la pièce compatible.</p> 19 - ENSEMBLE FILTRE A AIR <p>Vue éclatée 19 pour TGB BLADE 550 FLX – retrouvez la liste complète des composants d'origine et identifiez rapidement la pièce compatible.</p> 19 - ENSEMBLE FILTRE A AIR <p>Vue éclatée 19 pour TGB BLADE 600 FLX – retrouvez la liste complète des composants d'origine et identifiez rapidement la pièce compatible.</p> 19 - ENSEMBLE FILTRE A AIR <p>Vue éclatée 19 pour TGB BLADE 600 LTX ABS – retrouvez la liste complète des composants d'origine et identifiez rapidement la pièce compatible.</p> 2 - SYSTEME ADMISSION <p>Vue éclatée 2 pour TGB BLADE 550 FLX – retrouvez la liste complète des composants d'origine et identifiez rapidement la pièce compatible.</p> 2 - SYSTEME ADMISSION <p>Vue éclatée 2 pour TGB BLADE 600 FLX – retrouvez la liste complète des composants d'origine et identifiez rapidement la pièce compatible.</p> 2 - SYSTEME ADMISSION <p>Vue éclatée 2 pour TGB BLADE 600 LTX ABS – retrouvez la liste complète des composants d'origine et identifiez rapidement la pièce compatible.</p> 2 - SYSTEME ADMISSION <p>Vue éclatée 2 pour TGB LANDMAX 1000 – retrouvez la liste complète des composants d'origine et identifiez rapidement la pièce compatible.</p> 2 - SYSTEME ADMISSION <p>Vue éclatée 2 pour TGB LANDMAX 1000 CAB – retrouvez la liste complète des composants d'origine et identifiez rapidement la pièce compatible.</p> 20 - ENSEMBLE REFROIDISSEMENT <p>Vue éclatée 20 pour TGB BLADE 550 FLX – retrouvez la liste complète des composants d'origine et identifiez rapidement la pièce compatible.</p> 20 - ENSEMBLE REFROIDISSEMENT <p>Vue éclatée 20 pour TGB BLADE 600 FLX – retrouvez la liste complète des composants d'origine et identifiez rapidement la pièce compatible.</p> 20 - ENSEMBLE REFROIDISSEMENT <p>Vue éclatée 20 pour TGB BLADE 600 LTX ABS – retrouvez la liste complète des composants d'origine et identifiez rapidement la pièce compatible.</p> 20 - ENSEMBLE REFROIDISSEMENT <p>Vue éclatée 20 pour TGB LANDMAX 1000 – retrouvez la liste complète des composants d'origine et identifiez rapidement la pièce compatible.</p> 20 - ENSEMBLE REFROIDISSEMENT <p>Vue éclatée 20 pour TGB LANDMAX 1000 CAB – retrouvez la liste complète des composants d'origine et identifiez rapidement la pièce compatible.</p> 21 - SYSTEME ELECTRIQUE 2 <p>Vue éclatée 21 pour TGB BLADE 550 FLX – retrouvez la liste complète des composants d'origine et identifiez rapidement la pièce compatible.</p> 21 - SYSTEME ELECTRIQUE 2 <p>Vue éclatée 21 pour TGB BLADE 600 FLX – retrouvez la liste complète des composants d'origine et identifiez rapidement la pièce compatible.</p> 21 - SYSTEME ELECTRIQUE 2 <p>Vue éclatée 21 pour TGB BLADE 600 LTX ABS – retrouvez la liste complète des composants d'origine et identifiez rapidement la pièce compatible.</p> 21 - SYSTEME ELECTRIQUE 2 <p>Vue éclatée 21 pour TGB LANDMAX 1000 – retrouvez la liste complète des composants d'origine et identifiez rapidement la pièce compatible.</p> 21 - SYSTEME ELECTRIQUE 2 <p>Vue éclatée 21 pour TGB LANDMAX 1000 CAB – retrouvez la liste complète des composants d'origine et identifiez rapidement la pièce compatible.</p> 22 - SYSTEME ELECTRIQUE 3 <p>Vue éclatée 22 pour TGB BLADE 550 FLX – retrouvez la liste complète des composants d'origine et identifiez rapidement la pièce compatible.</p> 22 - SYSTEME ELECTRIQUE 3 <p>Vue éclatée 22 pour TGB BLADE 600 FLX – retrouvez la liste complète des composants d'origine et identifiez rapidement la pièce compatible.</p> 22 - SYSTEME ELECTRIQUE 3 <p>Vue éclatée 22 pour TGB BLADE 600 LTX ABS – retrouvez la liste complète des composants d'origine et identifiez rapidement la pièce compatible.</p> 22 - SYSTEME ELECTRIQUE 3 <p>Vue éclatée 22 pour TGB LANDMAX 1000 – retrouvez la liste complète des composants d'origine et identifiez rapidement la pièce compatible.</p> 22 - SYSTEME ELECTRIQUE 3 <p>Vue éclatée 22 pour TGB LANDMAX 1000 CAB – retrouvez la liste complète des composants d'origine et identifiez rapidement la pièce compatible.</p> 23 - RELAIS SUPPORTS <p>Vue éclatée 23 pour TGB LANDMAX 1000 – retrouvez la liste complète des composants d'origine et identifiez rapidement la pièce compatible.</p> 23 - RELAIS SUPPORTS <p>Vue éclatée 23 pour TGB LANDMAX 1000 CAB – retrouvez la liste complète des composants d'origine et identifiez rapidement la pièce compatible.</p> 23 - SUPPORTS <p>Vue éclatée 23 pour TGB BLADE 550 FLX – retrouvez la liste complète des composants d'origine et identifiez rapidement la pièce compatible.</p> 23 - SUPPORTS <p>Vue éclatée 23 pour TGB BLADE 600 FLX – retrouvez la liste complète des composants d'origine et identifiez rapidement la pièce compatible.</p> 23 - SUPPORTS <p>Vue éclatée 23 pour TGB BLADE 600 LTX ABS – retrouvez la liste complète des composants d'origine et identifiez rapidement la pièce compatible.</p> 24 - CONTROLEUR... <p>Vue éclatée 24 pour TGB LANDMAX 1000 – retrouvez la liste complète des composants d'origine et identifiez rapidement la pièce compatible.</p> 24 - ECLAIRAGE INT MONITEUR... <p>Vue éclatée 24 pour TGB LANDMAX 1000 CAB – retrouvez la liste complète des composants d'origine et identifiez rapidement la pièce compatible.</p> 24 - SUPPORTS MOTEUR <p>Vue éclatée 24 pour TGB BLADE 550 FLX – retrouvez la liste complète des composants d'origine et identifiez rapidement la pièce compatible.</p> 24 - SUPPORTS MOTEUR <p>Vue éclatée 24 pour TGB BLADE 600 FLX – retrouvez la liste complète des composants d'origine et identifiez rapidement la pièce compatible.</p> 24 - SUPPORTS MOTEUR <p>Vue éclatée 24 pour TGB BLADE 600 LTX ABS – retrouvez la liste complète des composants d'origine et identifiez rapidement la pièce compatible.</p> 25 - COMPTEUR <p>Vue éclatée 25 pour TGB LANDMAX 1000 – retrouvez la liste complète des composants d'origine et identifiez rapidement la pièce compatible.</p> 25 - CONTROLEUR... <p>Vue éclatée 25 pour TGB LANDMAX 1000 CAB – retrouvez la liste complète des composants d'origine et identifiez rapidement la pièce compatible.</p> 25 - MOTEUR DE DIFFERENTIEL <p>Vue éclatée 25 pour TGB BLADE 550 FLX – retrouvez la liste complète des composants d'origine et identifiez rapidement la pièce compatible.</p> 25 - MOTEUR DE DIFFERENTIEL <p>Vue éclatée 25 pour TGB BLADE 600 FLX – retrouvez la liste complète des composants d'origine et identifiez rapidement la pièce compatible.</p> 25 - MOTEUR DE DIFFERENTIEL <p>Vue éclatée 25 pour TGB BLADE 600 LTX ABS – retrouvez la liste complète des composants d'origine et identifiez rapidement la pièce compatible.</p> 26 - COMPTEUR <p>Vue éclatée 26 pour TGB LANDMAX 1000 CAB – retrouvez la liste complète des composants d'origine et identifiez rapidement la pièce compatible.</p> 26 - DIRECTION ASSISTEE... <p>Vue éclatée 26 pour TGB BLADE 550 FLX – retrouvez la liste complète des composants d'origine et identifiez rapidement la pièce compatible.</p> 26 - DIRECTION ASSISTEE... <p>Vue éclatée 26 pour TGB BLADE 600 LTX ABS – retrouvez la liste complète des composants d'origine et identifiez rapidement la pièce compatible.</p> 26 - ECLAIRAGE AVANT <p>Vue éclatée 26 pour TGB LANDMAX 1000 – retrouvez la liste complète des composants d'origine et identifiez rapidement la pièce compatible.</p> 26 - SUPPORTS DIFFERENTIEL... <p>Vue éclatée 26 pour TGB BLADE 600 FLX – retrouvez la liste complète des composants d'origine et identifiez rapidement la pièce compatible.</p> 27 - COMPTEUR <p>Vue éclatée 27 pour TGB BLADE 550 FLX – retrouvez la liste complète des composants d'origine et identifiez rapidement la pièce compatible.</p> 27 - COMPTEUR <p>Vue éclatée 27 pour TGB BLADE 600 LTX ABS – retrouvez la liste complète des composants d'origine et identifiez rapidement la pièce compatible.</p> 27 - DIRECTION ASSISTEE... <p>Vue éclatée 27 pour TGB BLADE 600 FLX – retrouvez la liste complète des composants d'origine et identifiez rapidement la pièce compatible.</p> 27 - ECLAIRAGE ARRIERE <p>Vue éclatée 27 pour TGB LANDMAX 1000 – retrouvez la liste complète des composants d'origine et identifiez rapidement la pièce compatible.</p> 27 - ECLAIRAGE AVANT <p>Vue éclatée 27 pour TGB LANDMAX 1000 CAB – retrouvez la liste complète des composants d'origine et identifiez rapidement la pièce compatible.</p> Affichage 1-100 de 539 article(s) 1 2 3 … 6 Suivant Retour en haut
19 - DIRECTION ASSISTEE <p>Vue éclatée 19 pour TGB LANDMAX 1000 CAB – retrouvez la liste complète des composants d'origine et identifiez rapidement la pièce compatible.</p> 19 - ENSEMBLE FILTRE A AIR <p>Vue éclatée 19 pour TGB BLADE 550 FLX – retrouvez la liste complète des composants d'origine et identifiez rapidement la pièce compatible.</p> 19 - ENSEMBLE FILTRE A AIR <p>Vue éclatée 19 pour TGB BLADE 600 FLX – retrouvez la liste complète des composants d'origine et identifiez rapidement la pièce compatible.</p> 19 - ENSEMBLE FILTRE A AIR <p>Vue éclatée 19 pour TGB BLADE 600 LTX ABS – retrouvez la liste complète des composants d'origine et identifiez rapidement la pièce compatible.</p> 2 - SYSTEME ADMISSION <p>Vue éclatée 2 pour TGB BLADE 550 FLX – retrouvez la liste complète des composants d'origine et identifiez rapidement la pièce compatible.</p> 2 - SYSTEME ADMISSION <p>Vue éclatée 2 pour TGB BLADE 600 FLX – retrouvez la liste complète des composants d'origine et identifiez rapidement la pièce compatible.</p> 2 - SYSTEME ADMISSION <p>Vue éclatée 2 pour TGB BLADE 600 LTX ABS – retrouvez la liste complète des composants d'origine et identifiez rapidement la pièce compatible.</p> 2 - SYSTEME ADMISSION <p>Vue éclatée 2 pour TGB LANDMAX 1000 – retrouvez la liste complète des composants d'origine et identifiez rapidement la pièce compatible.</p> 2 - SYSTEME ADMISSION <p>Vue éclatée 2 pour TGB LANDMAX 1000 CAB – retrouvez la liste complète des composants d'origine et identifiez rapidement la pièce compatible.</p> 20 - ENSEMBLE REFROIDISSEMENT <p>Vue éclatée 20 pour TGB BLADE 550 FLX – retrouvez la liste complète des composants d'origine et identifiez rapidement la pièce compatible.</p> 20 - ENSEMBLE REFROIDISSEMENT <p>Vue éclatée 20 pour TGB BLADE 600 FLX – retrouvez la liste complète des composants d'origine et identifiez rapidement la pièce compatible.</p> 20 - ENSEMBLE REFROIDISSEMENT <p>Vue éclatée 20 pour TGB BLADE 600 LTX ABS – retrouvez la liste complète des composants d'origine et identifiez rapidement la pièce compatible.</p> 20 - ENSEMBLE REFROIDISSEMENT <p>Vue éclatée 20 pour TGB LANDMAX 1000 – retrouvez la liste complète des composants d'origine et identifiez rapidement la pièce compatible.</p> 20 - ENSEMBLE REFROIDISSEMENT <p>Vue éclatée 20 pour TGB LANDMAX 1000 CAB – retrouvez la liste complète des composants d'origine et identifiez rapidement la pièce compatible.</p> 21 - SYSTEME ELECTRIQUE 2 <p>Vue éclatée 21 pour TGB BLADE 550 FLX – retrouvez la liste complète des composants d'origine et identifiez rapidement la pièce compatible.</p> 21 - SYSTEME ELECTRIQUE 2 <p>Vue éclatée 21 pour TGB BLADE 600 FLX – retrouvez la liste complète des composants d'origine et identifiez rapidement la pièce compatible.</p> 21 - SYSTEME ELECTRIQUE 2 <p>Vue éclatée 21 pour TGB BLADE 600 LTX ABS – retrouvez la liste complète des composants d'origine et identifiez rapidement la pièce compatible.</p> 21 - SYSTEME ELECTRIQUE 2 <p>Vue éclatée 21 pour TGB LANDMAX 1000 – retrouvez la liste complète des composants d'origine et identifiez rapidement la pièce compatible.</p> 21 - SYSTEME ELECTRIQUE 2 <p>Vue éclatée 21 pour TGB LANDMAX 1000 CAB – retrouvez la liste complète des composants d'origine et identifiez rapidement la pièce compatible.</p> 22 - SYSTEME ELECTRIQUE 3 <p>Vue éclatée 22 pour TGB BLADE 550 FLX – retrouvez la liste complète des composants d'origine et identifiez rapidement la pièce compatible.</p> 22 - SYSTEME ELECTRIQUE 3 <p>Vue éclatée 22 pour TGB BLADE 600 FLX – retrouvez la liste complète des composants d'origine et identifiez rapidement la pièce compatible.</p> 22 - SYSTEME ELECTRIQUE 3 <p>Vue éclatée 22 pour TGB BLADE 600 LTX ABS – retrouvez la liste complète des composants d'origine et identifiez rapidement la pièce compatible.</p> 22 - SYSTEME ELECTRIQUE 3 <p>Vue éclatée 22 pour TGB LANDMAX 1000 – retrouvez la liste complète des composants d'origine et identifiez rapidement la pièce compatible.</p> 22 - SYSTEME ELECTRIQUE 3 <p>Vue éclatée 22 pour TGB LANDMAX 1000 CAB – retrouvez la liste complète des composants d'origine et identifiez rapidement la pièce compatible.</p> 23 - RELAIS SUPPORTS <p>Vue éclatée 23 pour TGB LANDMAX 1000 – retrouvez la liste complète des composants d'origine et identifiez rapidement la pièce compatible.</p> 23 - RELAIS SUPPORTS <p>Vue éclatée 23 pour TGB LANDMAX 1000 CAB – retrouvez la liste complète des composants d'origine et identifiez rapidement la pièce compatible.</p> 23 - SUPPORTS <p>Vue éclatée 23 pour TGB BLADE 550 FLX – retrouvez la liste complète des composants d'origine et identifiez rapidement la pièce compatible.</p> 23 - SUPPORTS <p>Vue éclatée 23 pour TGB BLADE 600 FLX – retrouvez la liste complète des composants d'origine et identifiez rapidement la pièce compatible.</p> 23 - SUPPORTS <p>Vue éclatée 23 pour TGB BLADE 600 LTX ABS – retrouvez la liste complète des composants d'origine et identifiez rapidement la pièce compatible.</p> 24 - CONTROLEUR... <p>Vue éclatée 24 pour TGB LANDMAX 1000 – retrouvez la liste complète des composants d'origine et identifiez rapidement la pièce compatible.</p> 24 - ECLAIRAGE INT MONITEUR... <p>Vue éclatée 24 pour TGB LANDMAX 1000 CAB – retrouvez la liste complète des composants d'origine et identifiez rapidement la pièce compatible.</p> 24 - SUPPORTS MOTEUR <p>Vue éclatée 24 pour TGB BLADE 550 FLX – retrouvez la liste complète des composants d'origine et identifiez rapidement la pièce compatible.</p> 24 - SUPPORTS MOTEUR <p>Vue éclatée 24 pour TGB BLADE 600 FLX – retrouvez la liste complète des composants d'origine et identifiez rapidement la pièce compatible.</p> 24 - SUPPORTS MOTEUR <p>Vue éclatée 24 pour TGB BLADE 600 LTX ABS – retrouvez la liste complète des composants d'origine et identifiez rapidement la pièce compatible.</p> 25 - COMPTEUR <p>Vue éclatée 25 pour TGB LANDMAX 1000 – retrouvez la liste complète des composants d'origine et identifiez rapidement la pièce compatible.</p> 25 - CONTROLEUR... <p>Vue éclatée 25 pour TGB LANDMAX 1000 CAB – retrouvez la liste complète des composants d'origine et identifiez rapidement la pièce compatible.</p> 25 - MOTEUR DE DIFFERENTIEL <p>Vue éclatée 25 pour TGB BLADE 550 FLX – retrouvez la liste complète des composants d'origine et identifiez rapidement la pièce compatible.</p> 25 - MOTEUR DE DIFFERENTIEL <p>Vue éclatée 25 pour TGB BLADE 600 FLX – retrouvez la liste complète des composants d'origine et identifiez rapidement la pièce compatible.</p> 25 - MOTEUR DE DIFFERENTIEL <p>Vue éclatée 25 pour TGB BLADE 600 LTX ABS – retrouvez la liste complète des composants d'origine et identifiez rapidement la pièce compatible.</p> 26 - COMPTEUR <p>Vue éclatée 26 pour TGB LANDMAX 1000 CAB – retrouvez la liste complète des composants d'origine et identifiez rapidement la pièce compatible.</p> 26 - DIRECTION ASSISTEE... <p>Vue éclatée 26 pour TGB BLADE 550 FLX – retrouvez la liste complète des composants d'origine et identifiez rapidement la pièce compatible.</p> 26 - DIRECTION ASSISTEE... <p>Vue éclatée 26 pour TGB BLADE 600 LTX ABS – retrouvez la liste complète des composants d'origine et identifiez rapidement la pièce compatible.</p> 26 - ECLAIRAGE AVANT <p>Vue éclatée 26 pour TGB LANDMAX 1000 – retrouvez la liste complète des composants d'origine et identifiez rapidement la pièce compatible.</p> 26 - SUPPORTS DIFFERENTIEL... <p>Vue éclatée 26 pour TGB BLADE 600 FLX – retrouvez la liste complète des composants d'origine et identifiez rapidement la pièce compatible.</p> 27 - COMPTEUR <p>Vue éclatée 27 pour TGB BLADE 550 FLX – retrouvez la liste complète des composants d'origine et identifiez rapidement la pièce compatible.</p> 27 - COMPTEUR <p>Vue éclatée 27 pour TGB BLADE 600 LTX ABS – retrouvez la liste complète des composants d'origine et identifiez rapidement la pièce compatible.</p> 27 - DIRECTION ASSISTEE... <p>Vue éclatée 27 pour TGB BLADE 600 FLX – retrouvez la liste complète des composants d'origine et identifiez rapidement la pièce compatible.</p> 27 - ECLAIRAGE ARRIERE <p>Vue éclatée 27 pour TGB LANDMAX 1000 – retrouvez la liste complète des composants d'origine et identifiez rapidement la pièce compatible.</p> 27 - ECLAIRAGE AVANT <p>Vue éclatée 27 pour TGB LANDMAX 1000 CAB – retrouvez la liste complète des composants d'origine et identifiez rapidement la pièce compatible.</p> Affichage 1-100 de 539 article(s) 1 2 3 … 6 Suivant Retour en haut
19 - ENSEMBLE FILTRE A AIR <p>Vue éclatée 19 pour TGB BLADE 550 FLX – retrouvez la liste complète des composants d'origine et identifiez rapidement la pièce compatible.</p> 19 - ENSEMBLE FILTRE A AIR <p>Vue éclatée 19 pour TGB BLADE 600 FLX – retrouvez la liste complète des composants d'origine et identifiez rapidement la pièce compatible.</p> 19 - ENSEMBLE FILTRE A AIR <p>Vue éclatée 19 pour TGB BLADE 600 LTX ABS – retrouvez la liste complète des composants d'origine et identifiez rapidement la pièce compatible.</p> 2 - SYSTEME ADMISSION <p>Vue éclatée 2 pour TGB BLADE 550 FLX – retrouvez la liste complète des composants d'origine et identifiez rapidement la pièce compatible.</p> 2 - SYSTEME ADMISSION <p>Vue éclatée 2 pour TGB BLADE 600 FLX – retrouvez la liste complète des composants d'origine et identifiez rapidement la pièce compatible.</p> 2 - SYSTEME ADMISSION <p>Vue éclatée 2 pour TGB BLADE 600 LTX ABS – retrouvez la liste complète des composants d'origine et identifiez rapidement la pièce compatible.</p> 2 - SYSTEME ADMISSION <p>Vue éclatée 2 pour TGB LANDMAX 1000 – retrouvez la liste complète des composants d'origine et identifiez rapidement la pièce compatible.</p> 2 - SYSTEME ADMISSION <p>Vue éclatée 2 pour TGB LANDMAX 1000 CAB – retrouvez la liste complète des composants d'origine et identifiez rapidement la pièce compatible.</p> 20 - ENSEMBLE REFROIDISSEMENT <p>Vue éclatée 20 pour TGB BLADE 550 FLX – retrouvez la liste complète des composants d'origine et identifiez rapidement la pièce compatible.</p> 20 - ENSEMBLE REFROIDISSEMENT <p>Vue éclatée 20 pour TGB BLADE 600 FLX – retrouvez la liste complète des composants d'origine et identifiez rapidement la pièce compatible.</p> 20 - ENSEMBLE REFROIDISSEMENT <p>Vue éclatée 20 pour TGB BLADE 600 LTX ABS – retrouvez la liste complète des composants d'origine et identifiez rapidement la pièce compatible.</p> 20 - ENSEMBLE REFROIDISSEMENT <p>Vue éclatée 20 pour TGB LANDMAX 1000 – retrouvez la liste complète des composants d'origine et identifiez rapidement la pièce compatible.</p> 20 - ENSEMBLE REFROIDISSEMENT <p>Vue éclatée 20 pour TGB LANDMAX 1000 CAB – retrouvez la liste complète des composants d'origine et identifiez rapidement la pièce compatible.</p> 21 - SYSTEME ELECTRIQUE 2 <p>Vue éclatée 21 pour TGB BLADE 550 FLX – retrouvez la liste complète des composants d'origine et identifiez rapidement la pièce compatible.</p> 21 - SYSTEME ELECTRIQUE 2 <p>Vue éclatée 21 pour TGB BLADE 600 FLX – retrouvez la liste complète des composants d'origine et identifiez rapidement la pièce compatible.</p> 21 - SYSTEME ELECTRIQUE 2 <p>Vue éclatée 21 pour TGB BLADE 600 LTX ABS – retrouvez la liste complète des composants d'origine et identifiez rapidement la pièce compatible.</p> 21 - SYSTEME ELECTRIQUE 2 <p>Vue éclatée 21 pour TGB LANDMAX 1000 – retrouvez la liste complète des composants d'origine et identifiez rapidement la pièce compatible.</p> 21 - SYSTEME ELECTRIQUE 2 <p>Vue éclatée 21 pour TGB LANDMAX 1000 CAB – retrouvez la liste complète des composants d'origine et identifiez rapidement la pièce compatible.</p> 22 - SYSTEME ELECTRIQUE 3 <p>Vue éclatée 22 pour TGB BLADE 550 FLX – retrouvez la liste complète des composants d'origine et identifiez rapidement la pièce compatible.</p> 22 - SYSTEME ELECTRIQUE 3 <p>Vue éclatée 22 pour TGB BLADE 600 FLX – retrouvez la liste complète des composants d'origine et identifiez rapidement la pièce compatible.</p> 22 - SYSTEME ELECTRIQUE 3 <p>Vue éclatée 22 pour TGB BLADE 600 LTX ABS – retrouvez la liste complète des composants d'origine et identifiez rapidement la pièce compatible.</p> 22 - SYSTEME ELECTRIQUE 3 <p>Vue éclatée 22 pour TGB LANDMAX 1000 – retrouvez la liste complète des composants d'origine et identifiez rapidement la pièce compatible.</p> 22 - SYSTEME ELECTRIQUE 3 <p>Vue éclatée 22 pour TGB LANDMAX 1000 CAB – retrouvez la liste complète des composants d'origine et identifiez rapidement la pièce compatible.</p> 23 - RELAIS SUPPORTS <p>Vue éclatée 23 pour TGB LANDMAX 1000 – retrouvez la liste complète des composants d'origine et identifiez rapidement la pièce compatible.</p> 23 - RELAIS SUPPORTS <p>Vue éclatée 23 pour TGB LANDMAX 1000 CAB – retrouvez la liste complète des composants d'origine et identifiez rapidement la pièce compatible.</p> 23 - SUPPORTS <p>Vue éclatée 23 pour TGB BLADE 550 FLX – retrouvez la liste complète des composants d'origine et identifiez rapidement la pièce compatible.</p> 23 - SUPPORTS <p>Vue éclatée 23 pour TGB BLADE 600 FLX – retrouvez la liste complète des composants d'origine et identifiez rapidement la pièce compatible.</p> 23 - SUPPORTS <p>Vue éclatée 23 pour TGB BLADE 600 LTX ABS – retrouvez la liste complète des composants d'origine et identifiez rapidement la pièce compatible.</p> 24 - CONTROLEUR... <p>Vue éclatée 24 pour TGB LANDMAX 1000 – retrouvez la liste complète des composants d'origine et identifiez rapidement la pièce compatible.</p> 24 - ECLAIRAGE INT MONITEUR... <p>Vue éclatée 24 pour TGB LANDMAX 1000 CAB – retrouvez la liste complète des composants d'origine et identifiez rapidement la pièce compatible.</p> 24 - SUPPORTS MOTEUR <p>Vue éclatée 24 pour TGB BLADE 550 FLX – retrouvez la liste complète des composants d'origine et identifiez rapidement la pièce compatible.</p> 24 - SUPPORTS MOTEUR <p>Vue éclatée 24 pour TGB BLADE 600 FLX – retrouvez la liste complète des composants d'origine et identifiez rapidement la pièce compatible.</p> 24 - SUPPORTS MOTEUR <p>Vue éclatée 24 pour TGB BLADE 600 LTX ABS – retrouvez la liste complète des composants d'origine et identifiez rapidement la pièce compatible.</p> 25 - COMPTEUR <p>Vue éclatée 25 pour TGB LANDMAX 1000 – retrouvez la liste complète des composants d'origine et identifiez rapidement la pièce compatible.</p> 25 - CONTROLEUR... <p>Vue éclatée 25 pour TGB LANDMAX 1000 CAB – retrouvez la liste complète des composants d'origine et identifiez rapidement la pièce compatible.</p> 25 - MOTEUR DE DIFFERENTIEL <p>Vue éclatée 25 pour TGB BLADE 550 FLX – retrouvez la liste complète des composants d'origine et identifiez rapidement la pièce compatible.</p> 25 - MOTEUR DE DIFFERENTIEL <p>Vue éclatée 25 pour TGB BLADE 600 FLX – retrouvez la liste complète des composants d'origine et identifiez rapidement la pièce compatible.</p> 25 - MOTEUR DE DIFFERENTIEL <p>Vue éclatée 25 pour TGB BLADE 600 LTX ABS – retrouvez la liste complète des composants d'origine et identifiez rapidement la pièce compatible.</p> 26 - COMPTEUR <p>Vue éclatée 26 pour TGB LANDMAX 1000 CAB – retrouvez la liste complète des composants d'origine et identifiez rapidement la pièce compatible.</p> 26 - DIRECTION ASSISTEE... <p>Vue éclatée 26 pour TGB BLADE 550 FLX – retrouvez la liste complète des composants d'origine et identifiez rapidement la pièce compatible.</p> 26 - DIRECTION ASSISTEE... <p>Vue éclatée 26 pour TGB BLADE 600 LTX ABS – retrouvez la liste complète des composants d'origine et identifiez rapidement la pièce compatible.</p> 26 - ECLAIRAGE AVANT <p>Vue éclatée 26 pour TGB LANDMAX 1000 – retrouvez la liste complète des composants d'origine et identifiez rapidement la pièce compatible.</p> 26 - SUPPORTS DIFFERENTIEL... <p>Vue éclatée 26 pour TGB BLADE 600 FLX – retrouvez la liste complète des composants d'origine et identifiez rapidement la pièce compatible.</p> 27 - COMPTEUR <p>Vue éclatée 27 pour TGB BLADE 550 FLX – retrouvez la liste complète des composants d'origine et identifiez rapidement la pièce compatible.</p> 27 - COMPTEUR <p>Vue éclatée 27 pour TGB BLADE 600 LTX ABS – retrouvez la liste complète des composants d'origine et identifiez rapidement la pièce compatible.</p> 27 - DIRECTION ASSISTEE... <p>Vue éclatée 27 pour TGB BLADE 600 FLX – retrouvez la liste complète des composants d'origine et identifiez rapidement la pièce compatible.</p> 27 - ECLAIRAGE ARRIERE <p>Vue éclatée 27 pour TGB LANDMAX 1000 – retrouvez la liste complète des composants d'origine et identifiez rapidement la pièce compatible.</p> 27 - ECLAIRAGE AVANT <p>Vue éclatée 27 pour TGB LANDMAX 1000 CAB – retrouvez la liste complète des composants d'origine et identifiez rapidement la pièce compatible.</p> Affichage 1-100 de 539 article(s) 1 2 3 … 6 Suivant Retour en haut
19 - ENSEMBLE FILTRE A AIR <p>Vue éclatée 19 pour TGB BLADE 600 FLX – retrouvez la liste complète des composants d'origine et identifiez rapidement la pièce compatible.</p> 19 - ENSEMBLE FILTRE A AIR <p>Vue éclatée 19 pour TGB BLADE 600 LTX ABS – retrouvez la liste complète des composants d'origine et identifiez rapidement la pièce compatible.</p> 2 - SYSTEME ADMISSION <p>Vue éclatée 2 pour TGB BLADE 550 FLX – retrouvez la liste complète des composants d'origine et identifiez rapidement la pièce compatible.</p> 2 - SYSTEME ADMISSION <p>Vue éclatée 2 pour TGB BLADE 600 FLX – retrouvez la liste complète des composants d'origine et identifiez rapidement la pièce compatible.</p> 2 - SYSTEME ADMISSION <p>Vue éclatée 2 pour TGB BLADE 600 LTX ABS – retrouvez la liste complète des composants d'origine et identifiez rapidement la pièce compatible.</p> 2 - SYSTEME ADMISSION <p>Vue éclatée 2 pour TGB LANDMAX 1000 – retrouvez la liste complète des composants d'origine et identifiez rapidement la pièce compatible.</p> 2 - SYSTEME ADMISSION <p>Vue éclatée 2 pour TGB LANDMAX 1000 CAB – retrouvez la liste complète des composants d'origine et identifiez rapidement la pièce compatible.</p> 20 - ENSEMBLE REFROIDISSEMENT <p>Vue éclatée 20 pour TGB BLADE 550 FLX – retrouvez la liste complète des composants d'origine et identifiez rapidement la pièce compatible.</p> 20 - ENSEMBLE REFROIDISSEMENT <p>Vue éclatée 20 pour TGB BLADE 600 FLX – retrouvez la liste complète des composants d'origine et identifiez rapidement la pièce compatible.</p> 20 - ENSEMBLE REFROIDISSEMENT <p>Vue éclatée 20 pour TGB BLADE 600 LTX ABS – retrouvez la liste complète des composants d'origine et identifiez rapidement la pièce compatible.</p> 20 - ENSEMBLE REFROIDISSEMENT <p>Vue éclatée 20 pour TGB LANDMAX 1000 – retrouvez la liste complète des composants d'origine et identifiez rapidement la pièce compatible.</p> 20 - ENSEMBLE REFROIDISSEMENT <p>Vue éclatée 20 pour TGB LANDMAX 1000 CAB – retrouvez la liste complète des composants d'origine et identifiez rapidement la pièce compatible.</p> 21 - SYSTEME ELECTRIQUE 2 <p>Vue éclatée 21 pour TGB BLADE 550 FLX – retrouvez la liste complète des composants d'origine et identifiez rapidement la pièce compatible.</p> 21 - SYSTEME ELECTRIQUE 2 <p>Vue éclatée 21 pour TGB BLADE 600 FLX – retrouvez la liste complète des composants d'origine et identifiez rapidement la pièce compatible.</p> 21 - SYSTEME ELECTRIQUE 2 <p>Vue éclatée 21 pour TGB BLADE 600 LTX ABS – retrouvez la liste complète des composants d'origine et identifiez rapidement la pièce compatible.</p> 21 - SYSTEME ELECTRIQUE 2 <p>Vue éclatée 21 pour TGB LANDMAX 1000 – retrouvez la liste complète des composants d'origine et identifiez rapidement la pièce compatible.</p> 21 - SYSTEME ELECTRIQUE 2 <p>Vue éclatée 21 pour TGB LANDMAX 1000 CAB – retrouvez la liste complète des composants d'origine et identifiez rapidement la pièce compatible.</p> 22 - SYSTEME ELECTRIQUE 3 <p>Vue éclatée 22 pour TGB BLADE 550 FLX – retrouvez la liste complète des composants d'origine et identifiez rapidement la pièce compatible.</p> 22 - SYSTEME ELECTRIQUE 3 <p>Vue éclatée 22 pour TGB BLADE 600 FLX – retrouvez la liste complète des composants d'origine et identifiez rapidement la pièce compatible.</p> 22 - SYSTEME ELECTRIQUE 3 <p>Vue éclatée 22 pour TGB BLADE 600 LTX ABS – retrouvez la liste complète des composants d'origine et identifiez rapidement la pièce compatible.</p> 22 - SYSTEME ELECTRIQUE 3 <p>Vue éclatée 22 pour TGB LANDMAX 1000 – retrouvez la liste complète des composants d'origine et identifiez rapidement la pièce compatible.</p> 22 - SYSTEME ELECTRIQUE 3 <p>Vue éclatée 22 pour TGB LANDMAX 1000 CAB – retrouvez la liste complète des composants d'origine et identifiez rapidement la pièce compatible.</p> 23 - RELAIS SUPPORTS <p>Vue éclatée 23 pour TGB LANDMAX 1000 – retrouvez la liste complète des composants d'origine et identifiez rapidement la pièce compatible.</p> 23 - RELAIS SUPPORTS <p>Vue éclatée 23 pour TGB LANDMAX 1000 CAB – retrouvez la liste complète des composants d'origine et identifiez rapidement la pièce compatible.</p> 23 - SUPPORTS <p>Vue éclatée 23 pour TGB BLADE 550 FLX – retrouvez la liste complète des composants d'origine et identifiez rapidement la pièce compatible.</p> 23 - SUPPORTS <p>Vue éclatée 23 pour TGB BLADE 600 FLX – retrouvez la liste complète des composants d'origine et identifiez rapidement la pièce compatible.</p> 23 - SUPPORTS <p>Vue éclatée 23 pour TGB BLADE 600 LTX ABS – retrouvez la liste complète des composants d'origine et identifiez rapidement la pièce compatible.</p> 24 - CONTROLEUR... <p>Vue éclatée 24 pour TGB LANDMAX 1000 – retrouvez la liste complète des composants d'origine et identifiez rapidement la pièce compatible.</p> 24 - ECLAIRAGE INT MONITEUR... <p>Vue éclatée 24 pour TGB LANDMAX 1000 CAB – retrouvez la liste complète des composants d'origine et identifiez rapidement la pièce compatible.</p> 24 - SUPPORTS MOTEUR <p>Vue éclatée 24 pour TGB BLADE 550 FLX – retrouvez la liste complète des composants d'origine et identifiez rapidement la pièce compatible.</p> 24 - SUPPORTS MOTEUR <p>Vue éclatée 24 pour TGB BLADE 600 FLX – retrouvez la liste complète des composants d'origine et identifiez rapidement la pièce compatible.</p> 24 - SUPPORTS MOTEUR <p>Vue éclatée 24 pour TGB BLADE 600 LTX ABS – retrouvez la liste complète des composants d'origine et identifiez rapidement la pièce compatible.</p> 25 - COMPTEUR <p>Vue éclatée 25 pour TGB LANDMAX 1000 – retrouvez la liste complète des composants d'origine et identifiez rapidement la pièce compatible.</p> 25 - CONTROLEUR... <p>Vue éclatée 25 pour TGB LANDMAX 1000 CAB – retrouvez la liste complète des composants d'origine et identifiez rapidement la pièce compatible.</p> 25 - MOTEUR DE DIFFERENTIEL <p>Vue éclatée 25 pour TGB BLADE 550 FLX – retrouvez la liste complète des composants d'origine et identifiez rapidement la pièce compatible.</p> 25 - MOTEUR DE DIFFERENTIEL <p>Vue éclatée 25 pour TGB BLADE 600 FLX – retrouvez la liste complète des composants d'origine et identifiez rapidement la pièce compatible.</p> 25 - MOTEUR DE DIFFERENTIEL <p>Vue éclatée 25 pour TGB BLADE 600 LTX ABS – retrouvez la liste complète des composants d'origine et identifiez rapidement la pièce compatible.</p> 26 - COMPTEUR <p>Vue éclatée 26 pour TGB LANDMAX 1000 CAB – retrouvez la liste complète des composants d'origine et identifiez rapidement la pièce compatible.</p> 26 - DIRECTION ASSISTEE... <p>Vue éclatée 26 pour TGB BLADE 550 FLX – retrouvez la liste complète des composants d'origine et identifiez rapidement la pièce compatible.</p> 26 - DIRECTION ASSISTEE... <p>Vue éclatée 26 pour TGB BLADE 600 LTX ABS – retrouvez la liste complète des composants d'origine et identifiez rapidement la pièce compatible.</p> 26 - ECLAIRAGE AVANT <p>Vue éclatée 26 pour TGB LANDMAX 1000 – retrouvez la liste complète des composants d'origine et identifiez rapidement la pièce compatible.</p> 26 - SUPPORTS DIFFERENTIEL... <p>Vue éclatée 26 pour TGB BLADE 600 FLX – retrouvez la liste complète des composants d'origine et identifiez rapidement la pièce compatible.</p> 27 - COMPTEUR <p>Vue éclatée 27 pour TGB BLADE 550 FLX – retrouvez la liste complète des composants d'origine et identifiez rapidement la pièce compatible.</p> 27 - COMPTEUR <p>Vue éclatée 27 pour TGB BLADE 600 LTX ABS – retrouvez la liste complète des composants d'origine et identifiez rapidement la pièce compatible.</p> 27 - DIRECTION ASSISTEE... <p>Vue éclatée 27 pour TGB BLADE 600 FLX – retrouvez la liste complète des composants d'origine et identifiez rapidement la pièce compatible.</p> 27 - ECLAIRAGE ARRIERE <p>Vue éclatée 27 pour TGB LANDMAX 1000 – retrouvez la liste complète des composants d'origine et identifiez rapidement la pièce compatible.</p> 27 - ECLAIRAGE AVANT <p>Vue éclatée 27 pour TGB LANDMAX 1000 CAB – retrouvez la liste complète des composants d'origine et identifiez rapidement la pièce compatible.</p> Affichage 1-100 de 539 article(s) 1 2 3 … 6 Suivant Retour en haut
19 - ENSEMBLE FILTRE A AIR <p>Vue éclatée 19 pour TGB BLADE 600 LTX ABS – retrouvez la liste complète des composants d'origine et identifiez rapidement la pièce compatible.</p> 2 - SYSTEME ADMISSION <p>Vue éclatée 2 pour TGB BLADE 550 FLX – retrouvez la liste complète des composants d'origine et identifiez rapidement la pièce compatible.</p> 2 - SYSTEME ADMISSION <p>Vue éclatée 2 pour TGB BLADE 600 FLX – retrouvez la liste complète des composants d'origine et identifiez rapidement la pièce compatible.</p> 2 - SYSTEME ADMISSION <p>Vue éclatée 2 pour TGB BLADE 600 LTX ABS – retrouvez la liste complète des composants d'origine et identifiez rapidement la pièce compatible.</p> 2 - SYSTEME ADMISSION <p>Vue éclatée 2 pour TGB LANDMAX 1000 – retrouvez la liste complète des composants d'origine et identifiez rapidement la pièce compatible.</p> 2 - SYSTEME ADMISSION <p>Vue éclatée 2 pour TGB LANDMAX 1000 CAB – retrouvez la liste complète des composants d'origine et identifiez rapidement la pièce compatible.</p> 20 - ENSEMBLE REFROIDISSEMENT <p>Vue éclatée 20 pour TGB BLADE 550 FLX – retrouvez la liste complète des composants d'origine et identifiez rapidement la pièce compatible.</p> 20 - ENSEMBLE REFROIDISSEMENT <p>Vue éclatée 20 pour TGB BLADE 600 FLX – retrouvez la liste complète des composants d'origine et identifiez rapidement la pièce compatible.</p> 20 - ENSEMBLE REFROIDISSEMENT <p>Vue éclatée 20 pour TGB BLADE 600 LTX ABS – retrouvez la liste complète des composants d'origine et identifiez rapidement la pièce compatible.</p> 20 - ENSEMBLE REFROIDISSEMENT <p>Vue éclatée 20 pour TGB LANDMAX 1000 – retrouvez la liste complète des composants d'origine et identifiez rapidement la pièce compatible.</p> 20 - ENSEMBLE REFROIDISSEMENT <p>Vue éclatée 20 pour TGB LANDMAX 1000 CAB – retrouvez la liste complète des composants d'origine et identifiez rapidement la pièce compatible.</p> 21 - SYSTEME ELECTRIQUE 2 <p>Vue éclatée 21 pour TGB BLADE 550 FLX – retrouvez la liste complète des composants d'origine et identifiez rapidement la pièce compatible.</p> 21 - SYSTEME ELECTRIQUE 2 <p>Vue éclatée 21 pour TGB BLADE 600 FLX – retrouvez la liste complète des composants d'origine et identifiez rapidement la pièce compatible.</p> 21 - SYSTEME ELECTRIQUE 2 <p>Vue éclatée 21 pour TGB BLADE 600 LTX ABS – retrouvez la liste complète des composants d'origine et identifiez rapidement la pièce compatible.</p> 21 - SYSTEME ELECTRIQUE 2 <p>Vue éclatée 21 pour TGB LANDMAX 1000 – retrouvez la liste complète des composants d'origine et identifiez rapidement la pièce compatible.</p> 21 - SYSTEME ELECTRIQUE 2 <p>Vue éclatée 21 pour TGB LANDMAX 1000 CAB – retrouvez la liste complète des composants d'origine et identifiez rapidement la pièce compatible.</p> 22 - SYSTEME ELECTRIQUE 3 <p>Vue éclatée 22 pour TGB BLADE 550 FLX – retrouvez la liste complète des composants d'origine et identifiez rapidement la pièce compatible.</p> 22 - SYSTEME ELECTRIQUE 3 <p>Vue éclatée 22 pour TGB BLADE 600 FLX – retrouvez la liste complète des composants d'origine et identifiez rapidement la pièce compatible.</p> 22 - SYSTEME ELECTRIQUE 3 <p>Vue éclatée 22 pour TGB BLADE 600 LTX ABS – retrouvez la liste complète des composants d'origine et identifiez rapidement la pièce compatible.</p> 22 - SYSTEME ELECTRIQUE 3 <p>Vue éclatée 22 pour TGB LANDMAX 1000 – retrouvez la liste complète des composants d'origine et identifiez rapidement la pièce compatible.</p> 22 - SYSTEME ELECTRIQUE 3 <p>Vue éclatée 22 pour TGB LANDMAX 1000 CAB – retrouvez la liste complète des composants d'origine et identifiez rapidement la pièce compatible.</p> 23 - RELAIS SUPPORTS <p>Vue éclatée 23 pour TGB LANDMAX 1000 – retrouvez la liste complète des composants d'origine et identifiez rapidement la pièce compatible.</p> 23 - RELAIS SUPPORTS <p>Vue éclatée 23 pour TGB LANDMAX 1000 CAB – retrouvez la liste complète des composants d'origine et identifiez rapidement la pièce compatible.</p> 23 - SUPPORTS <p>Vue éclatée 23 pour TGB BLADE 550 FLX – retrouvez la liste complète des composants d'origine et identifiez rapidement la pièce compatible.</p> 23 - SUPPORTS <p>Vue éclatée 23 pour TGB BLADE 600 FLX – retrouvez la liste complète des composants d'origine et identifiez rapidement la pièce compatible.</p> 23 - SUPPORTS <p>Vue éclatée 23 pour TGB BLADE 600 LTX ABS – retrouvez la liste complète des composants d'origine et identifiez rapidement la pièce compatible.</p> 24 - CONTROLEUR... <p>Vue éclatée 24 pour TGB LANDMAX 1000 – retrouvez la liste complète des composants d'origine et identifiez rapidement la pièce compatible.</p> 24 - ECLAIRAGE INT MONITEUR... <p>Vue éclatée 24 pour TGB LANDMAX 1000 CAB – retrouvez la liste complète des composants d'origine et identifiez rapidement la pièce compatible.</p> 24 - SUPPORTS MOTEUR <p>Vue éclatée 24 pour TGB BLADE 550 FLX – retrouvez la liste complète des composants d'origine et identifiez rapidement la pièce compatible.</p> 24 - SUPPORTS MOTEUR <p>Vue éclatée 24 pour TGB BLADE 600 FLX – retrouvez la liste complète des composants d'origine et identifiez rapidement la pièce compatible.</p> 24 - SUPPORTS MOTEUR <p>Vue éclatée 24 pour TGB BLADE 600 LTX ABS – retrouvez la liste complète des composants d'origine et identifiez rapidement la pièce compatible.</p> 25 - COMPTEUR <p>Vue éclatée 25 pour TGB LANDMAX 1000 – retrouvez la liste complète des composants d'origine et identifiez rapidement la pièce compatible.</p> 25 - CONTROLEUR... <p>Vue éclatée 25 pour TGB LANDMAX 1000 CAB – retrouvez la liste complète des composants d'origine et identifiez rapidement la pièce compatible.</p> 25 - MOTEUR DE DIFFERENTIEL <p>Vue éclatée 25 pour TGB BLADE 550 FLX – retrouvez la liste complète des composants d'origine et identifiez rapidement la pièce compatible.</p> 25 - MOTEUR DE DIFFERENTIEL <p>Vue éclatée 25 pour TGB BLADE 600 FLX – retrouvez la liste complète des composants d'origine et identifiez rapidement la pièce compatible.</p> 25 - MOTEUR DE DIFFERENTIEL <p>Vue éclatée 25 pour TGB BLADE 600 LTX ABS – retrouvez la liste complète des composants d'origine et identifiez rapidement la pièce compatible.</p> 26 - COMPTEUR <p>Vue éclatée 26 pour TGB LANDMAX 1000 CAB – retrouvez la liste complète des composants d'origine et identifiez rapidement la pièce compatible.</p> 26 - DIRECTION ASSISTEE... <p>Vue éclatée 26 pour TGB BLADE 550 FLX – retrouvez la liste complète des composants d'origine et identifiez rapidement la pièce compatible.</p> 26 - DIRECTION ASSISTEE... <p>Vue éclatée 26 pour TGB BLADE 600 LTX ABS – retrouvez la liste complète des composants d'origine et identifiez rapidement la pièce compatible.</p> 26 - ECLAIRAGE AVANT <p>Vue éclatée 26 pour TGB LANDMAX 1000 – retrouvez la liste complète des composants d'origine et identifiez rapidement la pièce compatible.</p> 26 - SUPPORTS DIFFERENTIEL... <p>Vue éclatée 26 pour TGB BLADE 600 FLX – retrouvez la liste complète des composants d'origine et identifiez rapidement la pièce compatible.</p> 27 - COMPTEUR <p>Vue éclatée 27 pour TGB BLADE 550 FLX – retrouvez la liste complète des composants d'origine et identifiez rapidement la pièce compatible.</p> 27 - COMPTEUR <p>Vue éclatée 27 pour TGB BLADE 600 LTX ABS – retrouvez la liste complète des composants d'origine et identifiez rapidement la pièce compatible.</p> 27 - DIRECTION ASSISTEE... <p>Vue éclatée 27 pour TGB BLADE 600 FLX – retrouvez la liste complète des composants d'origine et identifiez rapidement la pièce compatible.</p> 27 - ECLAIRAGE ARRIERE <p>Vue éclatée 27 pour TGB LANDMAX 1000 – retrouvez la liste complète des composants d'origine et identifiez rapidement la pièce compatible.</p> 27 - ECLAIRAGE AVANT <p>Vue éclatée 27 pour TGB LANDMAX 1000 CAB – retrouvez la liste complète des composants d'origine et identifiez rapidement la pièce compatible.</p> Affichage 1-100 de 539 article(s) 1 2 3 … 6 Suivant Retour en haut
2 - SYSTEME ADMISSION <p>Vue éclatée 2 pour TGB BLADE 550 FLX – retrouvez la liste complète des composants d'origine et identifiez rapidement la pièce compatible.</p> 2 - SYSTEME ADMISSION <p>Vue éclatée 2 pour TGB BLADE 600 FLX – retrouvez la liste complète des composants d'origine et identifiez rapidement la pièce compatible.</p> 2 - SYSTEME ADMISSION <p>Vue éclatée 2 pour TGB BLADE 600 LTX ABS – retrouvez la liste complète des composants d'origine et identifiez rapidement la pièce compatible.</p> 2 - SYSTEME ADMISSION <p>Vue éclatée 2 pour TGB LANDMAX 1000 – retrouvez la liste complète des composants d'origine et identifiez rapidement la pièce compatible.</p> 2 - SYSTEME ADMISSION <p>Vue éclatée 2 pour TGB LANDMAX 1000 CAB – retrouvez la liste complète des composants d'origine et identifiez rapidement la pièce compatible.</p> 20 - ENSEMBLE REFROIDISSEMENT <p>Vue éclatée 20 pour TGB BLADE 550 FLX – retrouvez la liste complète des composants d'origine et identifiez rapidement la pièce compatible.</p> 20 - ENSEMBLE REFROIDISSEMENT <p>Vue éclatée 20 pour TGB BLADE 600 FLX – retrouvez la liste complète des composants d'origine et identifiez rapidement la pièce compatible.</p> 20 - ENSEMBLE REFROIDISSEMENT <p>Vue éclatée 20 pour TGB BLADE 600 LTX ABS – retrouvez la liste complète des composants d'origine et identifiez rapidement la pièce compatible.</p> 20 - ENSEMBLE REFROIDISSEMENT <p>Vue éclatée 20 pour TGB LANDMAX 1000 – retrouvez la liste complète des composants d'origine et identifiez rapidement la pièce compatible.</p> 20 - ENSEMBLE REFROIDISSEMENT <p>Vue éclatée 20 pour TGB LANDMAX 1000 CAB – retrouvez la liste complète des composants d'origine et identifiez rapidement la pièce compatible.</p> 21 - SYSTEME ELECTRIQUE 2 <p>Vue éclatée 21 pour TGB BLADE 550 FLX – retrouvez la liste complète des composants d'origine et identifiez rapidement la pièce compatible.</p> 21 - SYSTEME ELECTRIQUE 2 <p>Vue éclatée 21 pour TGB BLADE 600 FLX – retrouvez la liste complète des composants d'origine et identifiez rapidement la pièce compatible.</p> 21 - SYSTEME ELECTRIQUE 2 <p>Vue éclatée 21 pour TGB BLADE 600 LTX ABS – retrouvez la liste complète des composants d'origine et identifiez rapidement la pièce compatible.</p> 21 - SYSTEME ELECTRIQUE 2 <p>Vue éclatée 21 pour TGB LANDMAX 1000 – retrouvez la liste complète des composants d'origine et identifiez rapidement la pièce compatible.</p> 21 - SYSTEME ELECTRIQUE 2 <p>Vue éclatée 21 pour TGB LANDMAX 1000 CAB – retrouvez la liste complète des composants d'origine et identifiez rapidement la pièce compatible.</p> 22 - SYSTEME ELECTRIQUE 3 <p>Vue éclatée 22 pour TGB BLADE 550 FLX – retrouvez la liste complète des composants d'origine et identifiez rapidement la pièce compatible.</p> 22 - SYSTEME ELECTRIQUE 3 <p>Vue éclatée 22 pour TGB BLADE 600 FLX – retrouvez la liste complète des composants d'origine et identifiez rapidement la pièce compatible.</p> 22 - SYSTEME ELECTRIQUE 3 <p>Vue éclatée 22 pour TGB BLADE 600 LTX ABS – retrouvez la liste complète des composants d'origine et identifiez rapidement la pièce compatible.</p> 22 - SYSTEME ELECTRIQUE 3 <p>Vue éclatée 22 pour TGB LANDMAX 1000 – retrouvez la liste complète des composants d'origine et identifiez rapidement la pièce compatible.</p> 22 - SYSTEME ELECTRIQUE 3 <p>Vue éclatée 22 pour TGB LANDMAX 1000 CAB – retrouvez la liste complète des composants d'origine et identifiez rapidement la pièce compatible.</p> 23 - RELAIS SUPPORTS <p>Vue éclatée 23 pour TGB LANDMAX 1000 – retrouvez la liste complète des composants d'origine et identifiez rapidement la pièce compatible.</p> 23 - RELAIS SUPPORTS <p>Vue éclatée 23 pour TGB LANDMAX 1000 CAB – retrouvez la liste complète des composants d'origine et identifiez rapidement la pièce compatible.</p> 23 - SUPPORTS <p>Vue éclatée 23 pour TGB BLADE 550 FLX – retrouvez la liste complète des composants d'origine et identifiez rapidement la pièce compatible.</p> 23 - SUPPORTS <p>Vue éclatée 23 pour TGB BLADE 600 FLX – retrouvez la liste complète des composants d'origine et identifiez rapidement la pièce compatible.</p> 23 - SUPPORTS <p>Vue éclatée 23 pour TGB BLADE 600 LTX ABS – retrouvez la liste complète des composants d'origine et identifiez rapidement la pièce compatible.</p> 24 - CONTROLEUR... <p>Vue éclatée 24 pour TGB LANDMAX 1000 – retrouvez la liste complète des composants d'origine et identifiez rapidement la pièce compatible.</p> 24 - ECLAIRAGE INT MONITEUR... <p>Vue éclatée 24 pour TGB LANDMAX 1000 CAB – retrouvez la liste complète des composants d'origine et identifiez rapidement la pièce compatible.</p> 24 - SUPPORTS MOTEUR <p>Vue éclatée 24 pour TGB BLADE 550 FLX – retrouvez la liste complète des composants d'origine et identifiez rapidement la pièce compatible.</p> 24 - SUPPORTS MOTEUR <p>Vue éclatée 24 pour TGB BLADE 600 FLX – retrouvez la liste complète des composants d'origine et identifiez rapidement la pièce compatible.</p> 24 - SUPPORTS MOTEUR <p>Vue éclatée 24 pour TGB BLADE 600 LTX ABS – retrouvez la liste complète des composants d'origine et identifiez rapidement la pièce compatible.</p> 25 - COMPTEUR <p>Vue éclatée 25 pour TGB LANDMAX 1000 – retrouvez la liste complète des composants d'origine et identifiez rapidement la pièce compatible.</p> 25 - CONTROLEUR... <p>Vue éclatée 25 pour TGB LANDMAX 1000 CAB – retrouvez la liste complète des composants d'origine et identifiez rapidement la pièce compatible.</p> 25 - MOTEUR DE DIFFERENTIEL <p>Vue éclatée 25 pour TGB BLADE 550 FLX – retrouvez la liste complète des composants d'origine et identifiez rapidement la pièce compatible.</p> 25 - MOTEUR DE DIFFERENTIEL <p>Vue éclatée 25 pour TGB BLADE 600 FLX – retrouvez la liste complète des composants d'origine et identifiez rapidement la pièce compatible.</p> 25 - MOTEUR DE DIFFERENTIEL <p>Vue éclatée 25 pour TGB BLADE 600 LTX ABS – retrouvez la liste complète des composants d'origine et identifiez rapidement la pièce compatible.</p> 26 - COMPTEUR <p>Vue éclatée 26 pour TGB LANDMAX 1000 CAB – retrouvez la liste complète des composants d'origine et identifiez rapidement la pièce compatible.</p> 26 - DIRECTION ASSISTEE... <p>Vue éclatée 26 pour TGB BLADE 550 FLX – retrouvez la liste complète des composants d'origine et identifiez rapidement la pièce compatible.</p> 26 - DIRECTION ASSISTEE... <p>Vue éclatée 26 pour TGB BLADE 600 LTX ABS – retrouvez la liste complète des composants d'origine et identifiez rapidement la pièce compatible.</p> 26 - ECLAIRAGE AVANT <p>Vue éclatée 26 pour TGB LANDMAX 1000 – retrouvez la liste complète des composants d'origine et identifiez rapidement la pièce compatible.</p> 26 - SUPPORTS DIFFERENTIEL... <p>Vue éclatée 26 pour TGB BLADE 600 FLX – retrouvez la liste complète des composants d'origine et identifiez rapidement la pièce compatible.</p> 27 - COMPTEUR <p>Vue éclatée 27 pour TGB BLADE 550 FLX – retrouvez la liste complète des composants d'origine et identifiez rapidement la pièce compatible.</p> 27 - COMPTEUR <p>Vue éclatée 27 pour TGB BLADE 600 LTX ABS – retrouvez la liste complète des composants d'origine et identifiez rapidement la pièce compatible.</p> 27 - DIRECTION ASSISTEE... <p>Vue éclatée 27 pour TGB BLADE 600 FLX – retrouvez la liste complète des composants d'origine et identifiez rapidement la pièce compatible.</p> 27 - ECLAIRAGE ARRIERE <p>Vue éclatée 27 pour TGB LANDMAX 1000 – retrouvez la liste complète des composants d'origine et identifiez rapidement la pièce compatible.</p> 27 - ECLAIRAGE AVANT <p>Vue éclatée 27 pour TGB LANDMAX 1000 CAB – retrouvez la liste complète des composants d'origine et identifiez rapidement la pièce compatible.</p> Affichage 1-100 de 539 article(s) 1 2 3 … 6 Suivant Retour en haut
2 - SYSTEME ADMISSION <p>Vue éclatée 2 pour TGB BLADE 600 FLX – retrouvez la liste complète des composants d'origine et identifiez rapidement la pièce compatible.</p> 2 - SYSTEME ADMISSION <p>Vue éclatée 2 pour TGB BLADE 600 LTX ABS – retrouvez la liste complète des composants d'origine et identifiez rapidement la pièce compatible.</p> 2 - SYSTEME ADMISSION <p>Vue éclatée 2 pour TGB LANDMAX 1000 – retrouvez la liste complète des composants d'origine et identifiez rapidement la pièce compatible.</p> 2 - SYSTEME ADMISSION <p>Vue éclatée 2 pour TGB LANDMAX 1000 CAB – retrouvez la liste complète des composants d'origine et identifiez rapidement la pièce compatible.</p> 20 - ENSEMBLE REFROIDISSEMENT <p>Vue éclatée 20 pour TGB BLADE 550 FLX – retrouvez la liste complète des composants d'origine et identifiez rapidement la pièce compatible.</p> 20 - ENSEMBLE REFROIDISSEMENT <p>Vue éclatée 20 pour TGB BLADE 600 FLX – retrouvez la liste complète des composants d'origine et identifiez rapidement la pièce compatible.</p> 20 - ENSEMBLE REFROIDISSEMENT <p>Vue éclatée 20 pour TGB BLADE 600 LTX ABS – retrouvez la liste complète des composants d'origine et identifiez rapidement la pièce compatible.</p> 20 - ENSEMBLE REFROIDISSEMENT <p>Vue éclatée 20 pour TGB LANDMAX 1000 – retrouvez la liste complète des composants d'origine et identifiez rapidement la pièce compatible.</p> 20 - ENSEMBLE REFROIDISSEMENT <p>Vue éclatée 20 pour TGB LANDMAX 1000 CAB – retrouvez la liste complète des composants d'origine et identifiez rapidement la pièce compatible.</p> 21 - SYSTEME ELECTRIQUE 2 <p>Vue éclatée 21 pour TGB BLADE 550 FLX – retrouvez la liste complète des composants d'origine et identifiez rapidement la pièce compatible.</p> 21 - SYSTEME ELECTRIQUE 2 <p>Vue éclatée 21 pour TGB BLADE 600 FLX – retrouvez la liste complète des composants d'origine et identifiez rapidement la pièce compatible.</p> 21 - SYSTEME ELECTRIQUE 2 <p>Vue éclatée 21 pour TGB BLADE 600 LTX ABS – retrouvez la liste complète des composants d'origine et identifiez rapidement la pièce compatible.</p> 21 - SYSTEME ELECTRIQUE 2 <p>Vue éclatée 21 pour TGB LANDMAX 1000 – retrouvez la liste complète des composants d'origine et identifiez rapidement la pièce compatible.</p> 21 - SYSTEME ELECTRIQUE 2 <p>Vue éclatée 21 pour TGB LANDMAX 1000 CAB – retrouvez la liste complète des composants d'origine et identifiez rapidement la pièce compatible.</p> 22 - SYSTEME ELECTRIQUE 3 <p>Vue éclatée 22 pour TGB BLADE 550 FLX – retrouvez la liste complète des composants d'origine et identifiez rapidement la pièce compatible.</p> 22 - SYSTEME ELECTRIQUE 3 <p>Vue éclatée 22 pour TGB BLADE 600 FLX – retrouvez la liste complète des composants d'origine et identifiez rapidement la pièce compatible.</p> 22 - SYSTEME ELECTRIQUE 3 <p>Vue éclatée 22 pour TGB BLADE 600 LTX ABS – retrouvez la liste complète des composants d'origine et identifiez rapidement la pièce compatible.</p> 22 - SYSTEME ELECTRIQUE 3 <p>Vue éclatée 22 pour TGB LANDMAX 1000 – retrouvez la liste complète des composants d'origine et identifiez rapidement la pièce compatible.</p> 22 - SYSTEME ELECTRIQUE 3 <p>Vue éclatée 22 pour TGB LANDMAX 1000 CAB – retrouvez la liste complète des composants d'origine et identifiez rapidement la pièce compatible.</p> 23 - RELAIS SUPPORTS <p>Vue éclatée 23 pour TGB LANDMAX 1000 – retrouvez la liste complète des composants d'origine et identifiez rapidement la pièce compatible.</p> 23 - RELAIS SUPPORTS <p>Vue éclatée 23 pour TGB LANDMAX 1000 CAB – retrouvez la liste complète des composants d'origine et identifiez rapidement la pièce compatible.</p> 23 - SUPPORTS <p>Vue éclatée 23 pour TGB BLADE 550 FLX – retrouvez la liste complète des composants d'origine et identifiez rapidement la pièce compatible.</p> 23 - SUPPORTS <p>Vue éclatée 23 pour TGB BLADE 600 FLX – retrouvez la liste complète des composants d'origine et identifiez rapidement la pièce compatible.</p> 23 - SUPPORTS <p>Vue éclatée 23 pour TGB BLADE 600 LTX ABS – retrouvez la liste complète des composants d'origine et identifiez rapidement la pièce compatible.</p> 24 - CONTROLEUR... <p>Vue éclatée 24 pour TGB LANDMAX 1000 – retrouvez la liste complète des composants d'origine et identifiez rapidement la pièce compatible.</p> 24 - ECLAIRAGE INT MONITEUR... <p>Vue éclatée 24 pour TGB LANDMAX 1000 CAB – retrouvez la liste complète des composants d'origine et identifiez rapidement la pièce compatible.</p> 24 - SUPPORTS MOTEUR <p>Vue éclatée 24 pour TGB BLADE 550 FLX – retrouvez la liste complète des composants d'origine et identifiez rapidement la pièce compatible.</p> 24 - SUPPORTS MOTEUR <p>Vue éclatée 24 pour TGB BLADE 600 FLX – retrouvez la liste complète des composants d'origine et identifiez rapidement la pièce compatible.</p> 24 - SUPPORTS MOTEUR <p>Vue éclatée 24 pour TGB BLADE 600 LTX ABS – retrouvez la liste complète des composants d'origine et identifiez rapidement la pièce compatible.</p> 25 - COMPTEUR <p>Vue éclatée 25 pour TGB LANDMAX 1000 – retrouvez la liste complète des composants d'origine et identifiez rapidement la pièce compatible.</p> 25 - CONTROLEUR... <p>Vue éclatée 25 pour TGB LANDMAX 1000 CAB – retrouvez la liste complète des composants d'origine et identifiez rapidement la pièce compatible.</p> 25 - MOTEUR DE DIFFERENTIEL <p>Vue éclatée 25 pour TGB BLADE 550 FLX – retrouvez la liste complète des composants d'origine et identifiez rapidement la pièce compatible.</p> 25 - MOTEUR DE DIFFERENTIEL <p>Vue éclatée 25 pour TGB BLADE 600 FLX – retrouvez la liste complète des composants d'origine et identifiez rapidement la pièce compatible.</p> 25 - MOTEUR DE DIFFERENTIEL <p>Vue éclatée 25 pour TGB BLADE 600 LTX ABS – retrouvez la liste complète des composants d'origine et identifiez rapidement la pièce compatible.</p> 26 - COMPTEUR <p>Vue éclatée 26 pour TGB LANDMAX 1000 CAB – retrouvez la liste complète des composants d'origine et identifiez rapidement la pièce compatible.</p> 26 - DIRECTION ASSISTEE... <p>Vue éclatée 26 pour TGB BLADE 550 FLX – retrouvez la liste complète des composants d'origine et identifiez rapidement la pièce compatible.</p> 26 - DIRECTION ASSISTEE... <p>Vue éclatée 26 pour TGB BLADE 600 LTX ABS – retrouvez la liste complète des composants d'origine et identifiez rapidement la pièce compatible.</p> 26 - ECLAIRAGE AVANT <p>Vue éclatée 26 pour TGB LANDMAX 1000 – retrouvez la liste complète des composants d'origine et identifiez rapidement la pièce compatible.</p> 26 - SUPPORTS DIFFERENTIEL... <p>Vue éclatée 26 pour TGB BLADE 600 FLX – retrouvez la liste complète des composants d'origine et identifiez rapidement la pièce compatible.</p> 27 - COMPTEUR <p>Vue éclatée 27 pour TGB BLADE 550 FLX – retrouvez la liste complète des composants d'origine et identifiez rapidement la pièce compatible.</p> 27 - COMPTEUR <p>Vue éclatée 27 pour TGB BLADE 600 LTX ABS – retrouvez la liste complète des composants d'origine et identifiez rapidement la pièce compatible.</p> 27 - DIRECTION ASSISTEE... <p>Vue éclatée 27 pour TGB BLADE 600 FLX – retrouvez la liste complète des composants d'origine et identifiez rapidement la pièce compatible.</p> 27 - ECLAIRAGE ARRIERE <p>Vue éclatée 27 pour TGB LANDMAX 1000 – retrouvez la liste complète des composants d'origine et identifiez rapidement la pièce compatible.</p> 27 - ECLAIRAGE AVANT <p>Vue éclatée 27 pour TGB LANDMAX 1000 CAB – retrouvez la liste complète des composants d'origine et identifiez rapidement la pièce compatible.</p> Affichage 1-100 de 539 article(s) 1 2 3 … 6 Suivant Retour en haut
2 - SYSTEME ADMISSION <p>Vue éclatée 2 pour TGB BLADE 600 LTX ABS – retrouvez la liste complète des composants d'origine et identifiez rapidement la pièce compatible.</p> 2 - SYSTEME ADMISSION <p>Vue éclatée 2 pour TGB LANDMAX 1000 – retrouvez la liste complète des composants d'origine et identifiez rapidement la pièce compatible.</p> 2 - SYSTEME ADMISSION <p>Vue éclatée 2 pour TGB LANDMAX 1000 CAB – retrouvez la liste complète des composants d'origine et identifiez rapidement la pièce compatible.</p> 20 - ENSEMBLE REFROIDISSEMENT <p>Vue éclatée 20 pour TGB BLADE 550 FLX – retrouvez la liste complète des composants d'origine et identifiez rapidement la pièce compatible.</p> 20 - ENSEMBLE REFROIDISSEMENT <p>Vue éclatée 20 pour TGB BLADE 600 FLX – retrouvez la liste complète des composants d'origine et identifiez rapidement la pièce compatible.</p> 20 - ENSEMBLE REFROIDISSEMENT <p>Vue éclatée 20 pour TGB BLADE 600 LTX ABS – retrouvez la liste complète des composants d'origine et identifiez rapidement la pièce compatible.</p> 20 - ENSEMBLE REFROIDISSEMENT <p>Vue éclatée 20 pour TGB LANDMAX 1000 – retrouvez la liste complète des composants d'origine et identifiez rapidement la pièce compatible.</p> 20 - ENSEMBLE REFROIDISSEMENT <p>Vue éclatée 20 pour TGB LANDMAX 1000 CAB – retrouvez la liste complète des composants d'origine et identifiez rapidement la pièce compatible.</p> 21 - SYSTEME ELECTRIQUE 2 <p>Vue éclatée 21 pour TGB BLADE 550 FLX – retrouvez la liste complète des composants d'origine et identifiez rapidement la pièce compatible.</p> 21 - SYSTEME ELECTRIQUE 2 <p>Vue éclatée 21 pour TGB BLADE 600 FLX – retrouvez la liste complète des composants d'origine et identifiez rapidement la pièce compatible.</p> 21 - SYSTEME ELECTRIQUE 2 <p>Vue éclatée 21 pour TGB BLADE 600 LTX ABS – retrouvez la liste complète des composants d'origine et identifiez rapidement la pièce compatible.</p> 21 - SYSTEME ELECTRIQUE 2 <p>Vue éclatée 21 pour TGB LANDMAX 1000 – retrouvez la liste complète des composants d'origine et identifiez rapidement la pièce compatible.</p> 21 - SYSTEME ELECTRIQUE 2 <p>Vue éclatée 21 pour TGB LANDMAX 1000 CAB – retrouvez la liste complète des composants d'origine et identifiez rapidement la pièce compatible.</p> 22 - SYSTEME ELECTRIQUE 3 <p>Vue éclatée 22 pour TGB BLADE 550 FLX – retrouvez la liste complète des composants d'origine et identifiez rapidement la pièce compatible.</p> 22 - SYSTEME ELECTRIQUE 3 <p>Vue éclatée 22 pour TGB BLADE 600 FLX – retrouvez la liste complète des composants d'origine et identifiez rapidement la pièce compatible.</p> 22 - SYSTEME ELECTRIQUE 3 <p>Vue éclatée 22 pour TGB BLADE 600 LTX ABS – retrouvez la liste complète des composants d'origine et identifiez rapidement la pièce compatible.</p> 22 - SYSTEME ELECTRIQUE 3 <p>Vue éclatée 22 pour TGB LANDMAX 1000 – retrouvez la liste complète des composants d'origine et identifiez rapidement la pièce compatible.</p> 22 - SYSTEME ELECTRIQUE 3 <p>Vue éclatée 22 pour TGB LANDMAX 1000 CAB – retrouvez la liste complète des composants d'origine et identifiez rapidement la pièce compatible.</p> 23 - RELAIS SUPPORTS <p>Vue éclatée 23 pour TGB LANDMAX 1000 – retrouvez la liste complète des composants d'origine et identifiez rapidement la pièce compatible.</p> 23 - RELAIS SUPPORTS <p>Vue éclatée 23 pour TGB LANDMAX 1000 CAB – retrouvez la liste complète des composants d'origine et identifiez rapidement la pièce compatible.</p> 23 - SUPPORTS <p>Vue éclatée 23 pour TGB BLADE 550 FLX – retrouvez la liste complète des composants d'origine et identifiez rapidement la pièce compatible.</p> 23 - SUPPORTS <p>Vue éclatée 23 pour TGB BLADE 600 FLX – retrouvez la liste complète des composants d'origine et identifiez rapidement la pièce compatible.</p> 23 - SUPPORTS <p>Vue éclatée 23 pour TGB BLADE 600 LTX ABS – retrouvez la liste complète des composants d'origine et identifiez rapidement la pièce compatible.</p> 24 - CONTROLEUR... <p>Vue éclatée 24 pour TGB LANDMAX 1000 – retrouvez la liste complète des composants d'origine et identifiez rapidement la pièce compatible.</p> 24 - ECLAIRAGE INT MONITEUR... <p>Vue éclatée 24 pour TGB LANDMAX 1000 CAB – retrouvez la liste complète des composants d'origine et identifiez rapidement la pièce compatible.</p> 24 - SUPPORTS MOTEUR <p>Vue éclatée 24 pour TGB BLADE 550 FLX – retrouvez la liste complète des composants d'origine et identifiez rapidement la pièce compatible.</p> 24 - SUPPORTS MOTEUR <p>Vue éclatée 24 pour TGB BLADE 600 FLX – retrouvez la liste complète des composants d'origine et identifiez rapidement la pièce compatible.</p> 24 - SUPPORTS MOTEUR <p>Vue éclatée 24 pour TGB BLADE 600 LTX ABS – retrouvez la liste complète des composants d'origine et identifiez rapidement la pièce compatible.</p> 25 - COMPTEUR <p>Vue éclatée 25 pour TGB LANDMAX 1000 – retrouvez la liste complète des composants d'origine et identifiez rapidement la pièce compatible.</p> 25 - CONTROLEUR... <p>Vue éclatée 25 pour TGB LANDMAX 1000 CAB – retrouvez la liste complète des composants d'origine et identifiez rapidement la pièce compatible.</p> 25 - MOTEUR DE DIFFERENTIEL <p>Vue éclatée 25 pour TGB BLADE 550 FLX – retrouvez la liste complète des composants d'origine et identifiez rapidement la pièce compatible.</p> 25 - MOTEUR DE DIFFERENTIEL <p>Vue éclatée 25 pour TGB BLADE 600 FLX – retrouvez la liste complète des composants d'origine et identifiez rapidement la pièce compatible.</p> 25 - MOTEUR DE DIFFERENTIEL <p>Vue éclatée 25 pour TGB BLADE 600 LTX ABS – retrouvez la liste complète des composants d'origine et identifiez rapidement la pièce compatible.</p> 26 - COMPTEUR <p>Vue éclatée 26 pour TGB LANDMAX 1000 CAB – retrouvez la liste complète des composants d'origine et identifiez rapidement la pièce compatible.</p> 26 - DIRECTION ASSISTEE... <p>Vue éclatée 26 pour TGB BLADE 550 FLX – retrouvez la liste complète des composants d'origine et identifiez rapidement la pièce compatible.</p> 26 - DIRECTION ASSISTEE... <p>Vue éclatée 26 pour TGB BLADE 600 LTX ABS – retrouvez la liste complète des composants d'origine et identifiez rapidement la pièce compatible.</p> 26 - ECLAIRAGE AVANT <p>Vue éclatée 26 pour TGB LANDMAX 1000 – retrouvez la liste complète des composants d'origine et identifiez rapidement la pièce compatible.</p> 26 - SUPPORTS DIFFERENTIEL... <p>Vue éclatée 26 pour TGB BLADE 600 FLX – retrouvez la liste complète des composants d'origine et identifiez rapidement la pièce compatible.</p> 27 - COMPTEUR <p>Vue éclatée 27 pour TGB BLADE 550 FLX – retrouvez la liste complète des composants d'origine et identifiez rapidement la pièce compatible.</p> 27 - COMPTEUR <p>Vue éclatée 27 pour TGB BLADE 600 LTX ABS – retrouvez la liste complète des composants d'origine et identifiez rapidement la pièce compatible.</p> 27 - DIRECTION ASSISTEE... <p>Vue éclatée 27 pour TGB BLADE 600 FLX – retrouvez la liste complète des composants d'origine et identifiez rapidement la pièce compatible.</p> 27 - ECLAIRAGE ARRIERE <p>Vue éclatée 27 pour TGB LANDMAX 1000 – retrouvez la liste complète des composants d'origine et identifiez rapidement la pièce compatible.</p> 27 - ECLAIRAGE AVANT <p>Vue éclatée 27 pour TGB LANDMAX 1000 CAB – retrouvez la liste complète des composants d'origine et identifiez rapidement la pièce compatible.</p> Affichage 1-100 de 539 article(s) 1 2 3 … 6 Suivant Retour en haut
2 - SYSTEME ADMISSION <p>Vue éclatée 2 pour TGB LANDMAX 1000 – retrouvez la liste complète des composants d'origine et identifiez rapidement la pièce compatible.</p> 2 - SYSTEME ADMISSION <p>Vue éclatée 2 pour TGB LANDMAX 1000 CAB – retrouvez la liste complète des composants d'origine et identifiez rapidement la pièce compatible.</p> 20 - ENSEMBLE REFROIDISSEMENT <p>Vue éclatée 20 pour TGB BLADE 550 FLX – retrouvez la liste complète des composants d'origine et identifiez rapidement la pièce compatible.</p> 20 - ENSEMBLE REFROIDISSEMENT <p>Vue éclatée 20 pour TGB BLADE 600 FLX – retrouvez la liste complète des composants d'origine et identifiez rapidement la pièce compatible.</p> 20 - ENSEMBLE REFROIDISSEMENT <p>Vue éclatée 20 pour TGB BLADE 600 LTX ABS – retrouvez la liste complète des composants d'origine et identifiez rapidement la pièce compatible.</p> 20 - ENSEMBLE REFROIDISSEMENT <p>Vue éclatée 20 pour TGB LANDMAX 1000 – retrouvez la liste complète des composants d'origine et identifiez rapidement la pièce compatible.</p> 20 - ENSEMBLE REFROIDISSEMENT <p>Vue éclatée 20 pour TGB LANDMAX 1000 CAB – retrouvez la liste complète des composants d'origine et identifiez rapidement la pièce compatible.</p> 21 - SYSTEME ELECTRIQUE 2 <p>Vue éclatée 21 pour TGB BLADE 550 FLX – retrouvez la liste complète des composants d'origine et identifiez rapidement la pièce compatible.</p> 21 - SYSTEME ELECTRIQUE 2 <p>Vue éclatée 21 pour TGB BLADE 600 FLX – retrouvez la liste complète des composants d'origine et identifiez rapidement la pièce compatible.</p> 21 - SYSTEME ELECTRIQUE 2 <p>Vue éclatée 21 pour TGB BLADE 600 LTX ABS – retrouvez la liste complète des composants d'origine et identifiez rapidement la pièce compatible.</p> 21 - SYSTEME ELECTRIQUE 2 <p>Vue éclatée 21 pour TGB LANDMAX 1000 – retrouvez la liste complète des composants d'origine et identifiez rapidement la pièce compatible.</p> 21 - SYSTEME ELECTRIQUE 2 <p>Vue éclatée 21 pour TGB LANDMAX 1000 CAB – retrouvez la liste complète des composants d'origine et identifiez rapidement la pièce compatible.</p> 22 - SYSTEME ELECTRIQUE 3 <p>Vue éclatée 22 pour TGB BLADE 550 FLX – retrouvez la liste complète des composants d'origine et identifiez rapidement la pièce compatible.</p> 22 - SYSTEME ELECTRIQUE 3 <p>Vue éclatée 22 pour TGB BLADE 600 FLX – retrouvez la liste complète des composants d'origine et identifiez rapidement la pièce compatible.</p> 22 - SYSTEME ELECTRIQUE 3 <p>Vue éclatée 22 pour TGB BLADE 600 LTX ABS – retrouvez la liste complète des composants d'origine et identifiez rapidement la pièce compatible.</p> 22 - SYSTEME ELECTRIQUE 3 <p>Vue éclatée 22 pour TGB LANDMAX 1000 – retrouvez la liste complète des composants d'origine et identifiez rapidement la pièce compatible.</p> 22 - SYSTEME ELECTRIQUE 3 <p>Vue éclatée 22 pour TGB LANDMAX 1000 CAB – retrouvez la liste complète des composants d'origine et identifiez rapidement la pièce compatible.</p> 23 - RELAIS SUPPORTS <p>Vue éclatée 23 pour TGB LANDMAX 1000 – retrouvez la liste complète des composants d'origine et identifiez rapidement la pièce compatible.</p> 23 - RELAIS SUPPORTS <p>Vue éclatée 23 pour TGB LANDMAX 1000 CAB – retrouvez la liste complète des composants d'origine et identifiez rapidement la pièce compatible.</p> 23 - SUPPORTS <p>Vue éclatée 23 pour TGB BLADE 550 FLX – retrouvez la liste complète des composants d'origine et identifiez rapidement la pièce compatible.</p> 23 - SUPPORTS <p>Vue éclatée 23 pour TGB BLADE 600 FLX – retrouvez la liste complète des composants d'origine et identifiez rapidement la pièce compatible.</p> 23 - SUPPORTS <p>Vue éclatée 23 pour TGB BLADE 600 LTX ABS – retrouvez la liste complète des composants d'origine et identifiez rapidement la pièce compatible.</p> 24 - CONTROLEUR... <p>Vue éclatée 24 pour TGB LANDMAX 1000 – retrouvez la liste complète des composants d'origine et identifiez rapidement la pièce compatible.</p> 24 - ECLAIRAGE INT MONITEUR... <p>Vue éclatée 24 pour TGB LANDMAX 1000 CAB – retrouvez la liste complète des composants d'origine et identifiez rapidement la pièce compatible.</p> 24 - SUPPORTS MOTEUR <p>Vue éclatée 24 pour TGB BLADE 550 FLX – retrouvez la liste complète des composants d'origine et identifiez rapidement la pièce compatible.</p> 24 - SUPPORTS MOTEUR <p>Vue éclatée 24 pour TGB BLADE 600 FLX – retrouvez la liste complète des composants d'origine et identifiez rapidement la pièce compatible.</p> 24 - SUPPORTS MOTEUR <p>Vue éclatée 24 pour TGB BLADE 600 LTX ABS – retrouvez la liste complète des composants d'origine et identifiez rapidement la pièce compatible.</p> 25 - COMPTEUR <p>Vue éclatée 25 pour TGB LANDMAX 1000 – retrouvez la liste complète des composants d'origine et identifiez rapidement la pièce compatible.</p> 25 - CONTROLEUR... <p>Vue éclatée 25 pour TGB LANDMAX 1000 CAB – retrouvez la liste complète des composants d'origine et identifiez rapidement la pièce compatible.</p> 25 - MOTEUR DE DIFFERENTIEL <p>Vue éclatée 25 pour TGB BLADE 550 FLX – retrouvez la liste complète des composants d'origine et identifiez rapidement la pièce compatible.</p> 25 - MOTEUR DE DIFFERENTIEL <p>Vue éclatée 25 pour TGB BLADE 600 FLX – retrouvez la liste complète des composants d'origine et identifiez rapidement la pièce compatible.</p> 25 - MOTEUR DE DIFFERENTIEL <p>Vue éclatée 25 pour TGB BLADE 600 LTX ABS – retrouvez la liste complète des composants d'origine et identifiez rapidement la pièce compatible.</p> 26 - COMPTEUR <p>Vue éclatée 26 pour TGB LANDMAX 1000 CAB – retrouvez la liste complète des composants d'origine et identifiez rapidement la pièce compatible.</p> 26 - DIRECTION ASSISTEE... <p>Vue éclatée 26 pour TGB BLADE 550 FLX – retrouvez la liste complète des composants d'origine et identifiez rapidement la pièce compatible.</p> 26 - DIRECTION ASSISTEE... <p>Vue éclatée 26 pour TGB BLADE 600 LTX ABS – retrouvez la liste complète des composants d'origine et identifiez rapidement la pièce compatible.</p> 26 - ECLAIRAGE AVANT <p>Vue éclatée 26 pour TGB LANDMAX 1000 – retrouvez la liste complète des composants d'origine et identifiez rapidement la pièce compatible.</p> 26 - SUPPORTS DIFFERENTIEL... <p>Vue éclatée 26 pour TGB BLADE 600 FLX – retrouvez la liste complète des composants d'origine et identifiez rapidement la pièce compatible.</p> 27 - COMPTEUR <p>Vue éclatée 27 pour TGB BLADE 550 FLX – retrouvez la liste complète des composants d'origine et identifiez rapidement la pièce compatible.</p> 27 - COMPTEUR <p>Vue éclatée 27 pour TGB BLADE 600 LTX ABS – retrouvez la liste complète des composants d'origine et identifiez rapidement la pièce compatible.</p> 27 - DIRECTION ASSISTEE... <p>Vue éclatée 27 pour TGB BLADE 600 FLX – retrouvez la liste complète des composants d'origine et identifiez rapidement la pièce compatible.</p> 27 - ECLAIRAGE ARRIERE <p>Vue éclatée 27 pour TGB LANDMAX 1000 – retrouvez la liste complète des composants d'origine et identifiez rapidement la pièce compatible.</p> 27 - ECLAIRAGE AVANT <p>Vue éclatée 27 pour TGB LANDMAX 1000 CAB – retrouvez la liste complète des composants d'origine et identifiez rapidement la pièce compatible.</p> Affichage 1-100 de 539 article(s) 1 2 3 … 6 Suivant Retour en haut
2 - SYSTEME ADMISSION <p>Vue éclatée 2 pour TGB LANDMAX 1000 CAB – retrouvez la liste complète des composants d'origine et identifiez rapidement la pièce compatible.</p> 20 - ENSEMBLE REFROIDISSEMENT <p>Vue éclatée 20 pour TGB BLADE 550 FLX – retrouvez la liste complète des composants d'origine et identifiez rapidement la pièce compatible.</p> 20 - ENSEMBLE REFROIDISSEMENT <p>Vue éclatée 20 pour TGB BLADE 600 FLX – retrouvez la liste complète des composants d'origine et identifiez rapidement la pièce compatible.</p> 20 - ENSEMBLE REFROIDISSEMENT <p>Vue éclatée 20 pour TGB BLADE 600 LTX ABS – retrouvez la liste complète des composants d'origine et identifiez rapidement la pièce compatible.</p> 20 - ENSEMBLE REFROIDISSEMENT <p>Vue éclatée 20 pour TGB LANDMAX 1000 – retrouvez la liste complète des composants d'origine et identifiez rapidement la pièce compatible.</p> 20 - ENSEMBLE REFROIDISSEMENT <p>Vue éclatée 20 pour TGB LANDMAX 1000 CAB – retrouvez la liste complète des composants d'origine et identifiez rapidement la pièce compatible.</p> 21 - SYSTEME ELECTRIQUE 2 <p>Vue éclatée 21 pour TGB BLADE 550 FLX – retrouvez la liste complète des composants d'origine et identifiez rapidement la pièce compatible.</p> 21 - SYSTEME ELECTRIQUE 2 <p>Vue éclatée 21 pour TGB BLADE 600 FLX – retrouvez la liste complète des composants d'origine et identifiez rapidement la pièce compatible.</p> 21 - SYSTEME ELECTRIQUE 2 <p>Vue éclatée 21 pour TGB BLADE 600 LTX ABS – retrouvez la liste complète des composants d'origine et identifiez rapidement la pièce compatible.</p> 21 - SYSTEME ELECTRIQUE 2 <p>Vue éclatée 21 pour TGB LANDMAX 1000 – retrouvez la liste complète des composants d'origine et identifiez rapidement la pièce compatible.</p> 21 - SYSTEME ELECTRIQUE 2 <p>Vue éclatée 21 pour TGB LANDMAX 1000 CAB – retrouvez la liste complète des composants d'origine et identifiez rapidement la pièce compatible.</p> 22 - SYSTEME ELECTRIQUE 3 <p>Vue éclatée 22 pour TGB BLADE 550 FLX – retrouvez la liste complète des composants d'origine et identifiez rapidement la pièce compatible.</p> 22 - SYSTEME ELECTRIQUE 3 <p>Vue éclatée 22 pour TGB BLADE 600 FLX – retrouvez la liste complète des composants d'origine et identifiez rapidement la pièce compatible.</p> 22 - SYSTEME ELECTRIQUE 3 <p>Vue éclatée 22 pour TGB BLADE 600 LTX ABS – retrouvez la liste complète des composants d'origine et identifiez rapidement la pièce compatible.</p> 22 - SYSTEME ELECTRIQUE 3 <p>Vue éclatée 22 pour TGB LANDMAX 1000 – retrouvez la liste complète des composants d'origine et identifiez rapidement la pièce compatible.</p> 22 - SYSTEME ELECTRIQUE 3 <p>Vue éclatée 22 pour TGB LANDMAX 1000 CAB – retrouvez la liste complète des composants d'origine et identifiez rapidement la pièce compatible.</p> 23 - RELAIS SUPPORTS <p>Vue éclatée 23 pour TGB LANDMAX 1000 – retrouvez la liste complète des composants d'origine et identifiez rapidement la pièce compatible.</p> 23 - RELAIS SUPPORTS <p>Vue éclatée 23 pour TGB LANDMAX 1000 CAB – retrouvez la liste complète des composants d'origine et identifiez rapidement la pièce compatible.</p> 23 - SUPPORTS <p>Vue éclatée 23 pour TGB BLADE 550 FLX – retrouvez la liste complète des composants d'origine et identifiez rapidement la pièce compatible.</p> 23 - SUPPORTS <p>Vue éclatée 23 pour TGB BLADE 600 FLX – retrouvez la liste complète des composants d'origine et identifiez rapidement la pièce compatible.</p> 23 - SUPPORTS <p>Vue éclatée 23 pour TGB BLADE 600 LTX ABS – retrouvez la liste complète des composants d'origine et identifiez rapidement la pièce compatible.</p> 24 - CONTROLEUR... <p>Vue éclatée 24 pour TGB LANDMAX 1000 – retrouvez la liste complète des composants d'origine et identifiez rapidement la pièce compatible.</p> 24 - ECLAIRAGE INT MONITEUR... <p>Vue éclatée 24 pour TGB LANDMAX 1000 CAB – retrouvez la liste complète des composants d'origine et identifiez rapidement la pièce compatible.</p> 24 - SUPPORTS MOTEUR <p>Vue éclatée 24 pour TGB BLADE 550 FLX – retrouvez la liste complète des composants d'origine et identifiez rapidement la pièce compatible.</p> 24 - SUPPORTS MOTEUR <p>Vue éclatée 24 pour TGB BLADE 600 FLX – retrouvez la liste complète des composants d'origine et identifiez rapidement la pièce compatible.</p> 24 - SUPPORTS MOTEUR <p>Vue éclatée 24 pour TGB BLADE 600 LTX ABS – retrouvez la liste complète des composants d'origine et identifiez rapidement la pièce compatible.</p> 25 - COMPTEUR <p>Vue éclatée 25 pour TGB LANDMAX 1000 – retrouvez la liste complète des composants d'origine et identifiez rapidement la pièce compatible.</p> 25 - CONTROLEUR... <p>Vue éclatée 25 pour TGB LANDMAX 1000 CAB – retrouvez la liste complète des composants d'origine et identifiez rapidement la pièce compatible.</p> 25 - MOTEUR DE DIFFERENTIEL <p>Vue éclatée 25 pour TGB BLADE 550 FLX – retrouvez la liste complète des composants d'origine et identifiez rapidement la pièce compatible.</p> 25 - MOTEUR DE DIFFERENTIEL <p>Vue éclatée 25 pour TGB BLADE 600 FLX – retrouvez la liste complète des composants d'origine et identifiez rapidement la pièce compatible.</p> 25 - MOTEUR DE DIFFERENTIEL <p>Vue éclatée 25 pour TGB BLADE 600 LTX ABS – retrouvez la liste complète des composants d'origine et identifiez rapidement la pièce compatible.</p> 26 - COMPTEUR <p>Vue éclatée 26 pour TGB LANDMAX 1000 CAB – retrouvez la liste complète des composants d'origine et identifiez rapidement la pièce compatible.</p> 26 - DIRECTION ASSISTEE... <p>Vue éclatée 26 pour TGB BLADE 550 FLX – retrouvez la liste complète des composants d'origine et identifiez rapidement la pièce compatible.</p> 26 - DIRECTION ASSISTEE... <p>Vue éclatée 26 pour TGB BLADE 600 LTX ABS – retrouvez la liste complète des composants d'origine et identifiez rapidement la pièce compatible.</p> 26 - ECLAIRAGE AVANT <p>Vue éclatée 26 pour TGB LANDMAX 1000 – retrouvez la liste complète des composants d'origine et identifiez rapidement la pièce compatible.</p> 26 - SUPPORTS DIFFERENTIEL... <p>Vue éclatée 26 pour TGB BLADE 600 FLX – retrouvez la liste complète des composants d'origine et identifiez rapidement la pièce compatible.</p> 27 - COMPTEUR <p>Vue éclatée 27 pour TGB BLADE 550 FLX – retrouvez la liste complète des composants d'origine et identifiez rapidement la pièce compatible.</p> 27 - COMPTEUR <p>Vue éclatée 27 pour TGB BLADE 600 LTX ABS – retrouvez la liste complète des composants d'origine et identifiez rapidement la pièce compatible.</p> 27 - DIRECTION ASSISTEE... <p>Vue éclatée 27 pour TGB BLADE 600 FLX – retrouvez la liste complète des composants d'origine et identifiez rapidement la pièce compatible.</p> 27 - ECLAIRAGE ARRIERE <p>Vue éclatée 27 pour TGB LANDMAX 1000 – retrouvez la liste complète des composants d'origine et identifiez rapidement la pièce compatible.</p> 27 - ECLAIRAGE AVANT <p>Vue éclatée 27 pour TGB LANDMAX 1000 CAB – retrouvez la liste complète des composants d'origine et identifiez rapidement la pièce compatible.</p> Affichage 1-100 de 539 article(s) 1 2 3 … 6 Suivant Retour en haut
20 - ENSEMBLE REFROIDISSEMENT <p>Vue éclatée 20 pour TGB BLADE 550 FLX – retrouvez la liste complète des composants d'origine et identifiez rapidement la pièce compatible.</p> 20 - ENSEMBLE REFROIDISSEMENT <p>Vue éclatée 20 pour TGB BLADE 600 FLX – retrouvez la liste complète des composants d'origine et identifiez rapidement la pièce compatible.</p> 20 - ENSEMBLE REFROIDISSEMENT <p>Vue éclatée 20 pour TGB BLADE 600 LTX ABS – retrouvez la liste complète des composants d'origine et identifiez rapidement la pièce compatible.</p> 20 - ENSEMBLE REFROIDISSEMENT <p>Vue éclatée 20 pour TGB LANDMAX 1000 – retrouvez la liste complète des composants d'origine et identifiez rapidement la pièce compatible.</p> 20 - ENSEMBLE REFROIDISSEMENT <p>Vue éclatée 20 pour TGB LANDMAX 1000 CAB – retrouvez la liste complète des composants d'origine et identifiez rapidement la pièce compatible.</p> 21 - SYSTEME ELECTRIQUE 2 <p>Vue éclatée 21 pour TGB BLADE 550 FLX – retrouvez la liste complète des composants d'origine et identifiez rapidement la pièce compatible.</p> 21 - SYSTEME ELECTRIQUE 2 <p>Vue éclatée 21 pour TGB BLADE 600 FLX – retrouvez la liste complète des composants d'origine et identifiez rapidement la pièce compatible.</p> 21 - SYSTEME ELECTRIQUE 2 <p>Vue éclatée 21 pour TGB BLADE 600 LTX ABS – retrouvez la liste complète des composants d'origine et identifiez rapidement la pièce compatible.</p> 21 - SYSTEME ELECTRIQUE 2 <p>Vue éclatée 21 pour TGB LANDMAX 1000 – retrouvez la liste complète des composants d'origine et identifiez rapidement la pièce compatible.</p> 21 - SYSTEME ELECTRIQUE 2 <p>Vue éclatée 21 pour TGB LANDMAX 1000 CAB – retrouvez la liste complète des composants d'origine et identifiez rapidement la pièce compatible.</p> 22 - SYSTEME ELECTRIQUE 3 <p>Vue éclatée 22 pour TGB BLADE 550 FLX – retrouvez la liste complète des composants d'origine et identifiez rapidement la pièce compatible.</p> 22 - SYSTEME ELECTRIQUE 3 <p>Vue éclatée 22 pour TGB BLADE 600 FLX – retrouvez la liste complète des composants d'origine et identifiez rapidement la pièce compatible.</p> 22 - SYSTEME ELECTRIQUE 3 <p>Vue éclatée 22 pour TGB BLADE 600 LTX ABS – retrouvez la liste complète des composants d'origine et identifiez rapidement la pièce compatible.</p> 22 - SYSTEME ELECTRIQUE 3 <p>Vue éclatée 22 pour TGB LANDMAX 1000 – retrouvez la liste complète des composants d'origine et identifiez rapidement la pièce compatible.</p> 22 - SYSTEME ELECTRIQUE 3 <p>Vue éclatée 22 pour TGB LANDMAX 1000 CAB – retrouvez la liste complète des composants d'origine et identifiez rapidement la pièce compatible.</p> 23 - RELAIS SUPPORTS <p>Vue éclatée 23 pour TGB LANDMAX 1000 – retrouvez la liste complète des composants d'origine et identifiez rapidement la pièce compatible.</p> 23 - RELAIS SUPPORTS <p>Vue éclatée 23 pour TGB LANDMAX 1000 CAB – retrouvez la liste complète des composants d'origine et identifiez rapidement la pièce compatible.</p> 23 - SUPPORTS <p>Vue éclatée 23 pour TGB BLADE 550 FLX – retrouvez la liste complète des composants d'origine et identifiez rapidement la pièce compatible.</p> 23 - SUPPORTS <p>Vue éclatée 23 pour TGB BLADE 600 FLX – retrouvez la liste complète des composants d'origine et identifiez rapidement la pièce compatible.</p> 23 - SUPPORTS <p>Vue éclatée 23 pour TGB BLADE 600 LTX ABS – retrouvez la liste complète des composants d'origine et identifiez rapidement la pièce compatible.</p> 24 - CONTROLEUR... <p>Vue éclatée 24 pour TGB LANDMAX 1000 – retrouvez la liste complète des composants d'origine et identifiez rapidement la pièce compatible.</p> 24 - ECLAIRAGE INT MONITEUR... <p>Vue éclatée 24 pour TGB LANDMAX 1000 CAB – retrouvez la liste complète des composants d'origine et identifiez rapidement la pièce compatible.</p> 24 - SUPPORTS MOTEUR <p>Vue éclatée 24 pour TGB BLADE 550 FLX – retrouvez la liste complète des composants d'origine et identifiez rapidement la pièce compatible.</p> 24 - SUPPORTS MOTEUR <p>Vue éclatée 24 pour TGB BLADE 600 FLX – retrouvez la liste complète des composants d'origine et identifiez rapidement la pièce compatible.</p> 24 - SUPPORTS MOTEUR <p>Vue éclatée 24 pour TGB BLADE 600 LTX ABS – retrouvez la liste complète des composants d'origine et identifiez rapidement la pièce compatible.</p> 25 - COMPTEUR <p>Vue éclatée 25 pour TGB LANDMAX 1000 – retrouvez la liste complète des composants d'origine et identifiez rapidement la pièce compatible.</p> 25 - CONTROLEUR... <p>Vue éclatée 25 pour TGB LANDMAX 1000 CAB – retrouvez la liste complète des composants d'origine et identifiez rapidement la pièce compatible.</p> 25 - MOTEUR DE DIFFERENTIEL <p>Vue éclatée 25 pour TGB BLADE 550 FLX – retrouvez la liste complète des composants d'origine et identifiez rapidement la pièce compatible.</p> 25 - MOTEUR DE DIFFERENTIEL <p>Vue éclatée 25 pour TGB BLADE 600 FLX – retrouvez la liste complète des composants d'origine et identifiez rapidement la pièce compatible.</p> 25 - MOTEUR DE DIFFERENTIEL <p>Vue éclatée 25 pour TGB BLADE 600 LTX ABS – retrouvez la liste complète des composants d'origine et identifiez rapidement la pièce compatible.</p> 26 - COMPTEUR <p>Vue éclatée 26 pour TGB LANDMAX 1000 CAB – retrouvez la liste complète des composants d'origine et identifiez rapidement la pièce compatible.</p> 26 - DIRECTION ASSISTEE... <p>Vue éclatée 26 pour TGB BLADE 550 FLX – retrouvez la liste complète des composants d'origine et identifiez rapidement la pièce compatible.</p> 26 - DIRECTION ASSISTEE... <p>Vue éclatée 26 pour TGB BLADE 600 LTX ABS – retrouvez la liste complète des composants d'origine et identifiez rapidement la pièce compatible.</p> 26 - ECLAIRAGE AVANT <p>Vue éclatée 26 pour TGB LANDMAX 1000 – retrouvez la liste complète des composants d'origine et identifiez rapidement la pièce compatible.</p> 26 - SUPPORTS DIFFERENTIEL... <p>Vue éclatée 26 pour TGB BLADE 600 FLX – retrouvez la liste complète des composants d'origine et identifiez rapidement la pièce compatible.</p> 27 - COMPTEUR <p>Vue éclatée 27 pour TGB BLADE 550 FLX – retrouvez la liste complète des composants d'origine et identifiez rapidement la pièce compatible.</p> 27 - COMPTEUR <p>Vue éclatée 27 pour TGB BLADE 600 LTX ABS – retrouvez la liste complète des composants d'origine et identifiez rapidement la pièce compatible.</p> 27 - DIRECTION ASSISTEE... <p>Vue éclatée 27 pour TGB BLADE 600 FLX – retrouvez la liste complète des composants d'origine et identifiez rapidement la pièce compatible.</p> 27 - ECLAIRAGE ARRIERE <p>Vue éclatée 27 pour TGB LANDMAX 1000 – retrouvez la liste complète des composants d'origine et identifiez rapidement la pièce compatible.</p> 27 - ECLAIRAGE AVANT <p>Vue éclatée 27 pour TGB LANDMAX 1000 CAB – retrouvez la liste complète des composants d'origine et identifiez rapidement la pièce compatible.</p> Affichage 1-100 de 539 article(s) 1 2 3 … 6 Suivant Retour en haut
20 - ENSEMBLE REFROIDISSEMENT <p>Vue éclatée 20 pour TGB BLADE 600 FLX – retrouvez la liste complète des composants d'origine et identifiez rapidement la pièce compatible.</p> 20 - ENSEMBLE REFROIDISSEMENT <p>Vue éclatée 20 pour TGB BLADE 600 LTX ABS – retrouvez la liste complète des composants d'origine et identifiez rapidement la pièce compatible.</p> 20 - ENSEMBLE REFROIDISSEMENT <p>Vue éclatée 20 pour TGB LANDMAX 1000 – retrouvez la liste complète des composants d'origine et identifiez rapidement la pièce compatible.</p> 20 - ENSEMBLE REFROIDISSEMENT <p>Vue éclatée 20 pour TGB LANDMAX 1000 CAB – retrouvez la liste complète des composants d'origine et identifiez rapidement la pièce compatible.</p> 21 - SYSTEME ELECTRIQUE 2 <p>Vue éclatée 21 pour TGB BLADE 550 FLX – retrouvez la liste complète des composants d'origine et identifiez rapidement la pièce compatible.</p> 21 - SYSTEME ELECTRIQUE 2 <p>Vue éclatée 21 pour TGB BLADE 600 FLX – retrouvez la liste complète des composants d'origine et identifiez rapidement la pièce compatible.</p> 21 - SYSTEME ELECTRIQUE 2 <p>Vue éclatée 21 pour TGB BLADE 600 LTX ABS – retrouvez la liste complète des composants d'origine et identifiez rapidement la pièce compatible.</p> 21 - SYSTEME ELECTRIQUE 2 <p>Vue éclatée 21 pour TGB LANDMAX 1000 – retrouvez la liste complète des composants d'origine et identifiez rapidement la pièce compatible.</p> 21 - SYSTEME ELECTRIQUE 2 <p>Vue éclatée 21 pour TGB LANDMAX 1000 CAB – retrouvez la liste complète des composants d'origine et identifiez rapidement la pièce compatible.</p> 22 - SYSTEME ELECTRIQUE 3 <p>Vue éclatée 22 pour TGB BLADE 550 FLX – retrouvez la liste complète des composants d'origine et identifiez rapidement la pièce compatible.</p> 22 - SYSTEME ELECTRIQUE 3 <p>Vue éclatée 22 pour TGB BLADE 600 FLX – retrouvez la liste complète des composants d'origine et identifiez rapidement la pièce compatible.</p> 22 - SYSTEME ELECTRIQUE 3 <p>Vue éclatée 22 pour TGB BLADE 600 LTX ABS – retrouvez la liste complète des composants d'origine et identifiez rapidement la pièce compatible.</p> 22 - SYSTEME ELECTRIQUE 3 <p>Vue éclatée 22 pour TGB LANDMAX 1000 – retrouvez la liste complète des composants d'origine et identifiez rapidement la pièce compatible.</p> 22 - SYSTEME ELECTRIQUE 3 <p>Vue éclatée 22 pour TGB LANDMAX 1000 CAB – retrouvez la liste complète des composants d'origine et identifiez rapidement la pièce compatible.</p> 23 - RELAIS SUPPORTS <p>Vue éclatée 23 pour TGB LANDMAX 1000 – retrouvez la liste complète des composants d'origine et identifiez rapidement la pièce compatible.</p> 23 - RELAIS SUPPORTS <p>Vue éclatée 23 pour TGB LANDMAX 1000 CAB – retrouvez la liste complète des composants d'origine et identifiez rapidement la pièce compatible.</p> 23 - SUPPORTS <p>Vue éclatée 23 pour TGB BLADE 550 FLX – retrouvez la liste complète des composants d'origine et identifiez rapidement la pièce compatible.</p> 23 - SUPPORTS <p>Vue éclatée 23 pour TGB BLADE 600 FLX – retrouvez la liste complète des composants d'origine et identifiez rapidement la pièce compatible.</p> 23 - SUPPORTS <p>Vue éclatée 23 pour TGB BLADE 600 LTX ABS – retrouvez la liste complète des composants d'origine et identifiez rapidement la pièce compatible.</p> 24 - CONTROLEUR... <p>Vue éclatée 24 pour TGB LANDMAX 1000 – retrouvez la liste complète des composants d'origine et identifiez rapidement la pièce compatible.</p> 24 - ECLAIRAGE INT MONITEUR... <p>Vue éclatée 24 pour TGB LANDMAX 1000 CAB – retrouvez la liste complète des composants d'origine et identifiez rapidement la pièce compatible.</p> 24 - SUPPORTS MOTEUR <p>Vue éclatée 24 pour TGB BLADE 550 FLX – retrouvez la liste complète des composants d'origine et identifiez rapidement la pièce compatible.</p> 24 - SUPPORTS MOTEUR <p>Vue éclatée 24 pour TGB BLADE 600 FLX – retrouvez la liste complète des composants d'origine et identifiez rapidement la pièce compatible.</p> 24 - SUPPORTS MOTEUR <p>Vue éclatée 24 pour TGB BLADE 600 LTX ABS – retrouvez la liste complète des composants d'origine et identifiez rapidement la pièce compatible.</p> 25 - COMPTEUR <p>Vue éclatée 25 pour TGB LANDMAX 1000 – retrouvez la liste complète des composants d'origine et identifiez rapidement la pièce compatible.</p> 25 - CONTROLEUR... <p>Vue éclatée 25 pour TGB LANDMAX 1000 CAB – retrouvez la liste complète des composants d'origine et identifiez rapidement la pièce compatible.</p> 25 - MOTEUR DE DIFFERENTIEL <p>Vue éclatée 25 pour TGB BLADE 550 FLX – retrouvez la liste complète des composants d'origine et identifiez rapidement la pièce compatible.</p> 25 - MOTEUR DE DIFFERENTIEL <p>Vue éclatée 25 pour TGB BLADE 600 FLX – retrouvez la liste complète des composants d'origine et identifiez rapidement la pièce compatible.</p> 25 - MOTEUR DE DIFFERENTIEL <p>Vue éclatée 25 pour TGB BLADE 600 LTX ABS – retrouvez la liste complète des composants d'origine et identifiez rapidement la pièce compatible.</p> 26 - COMPTEUR <p>Vue éclatée 26 pour TGB LANDMAX 1000 CAB – retrouvez la liste complète des composants d'origine et identifiez rapidement la pièce compatible.</p> 26 - DIRECTION ASSISTEE... <p>Vue éclatée 26 pour TGB BLADE 550 FLX – retrouvez la liste complète des composants d'origine et identifiez rapidement la pièce compatible.</p> 26 - DIRECTION ASSISTEE... <p>Vue éclatée 26 pour TGB BLADE 600 LTX ABS – retrouvez la liste complète des composants d'origine et identifiez rapidement la pièce compatible.</p> 26 - ECLAIRAGE AVANT <p>Vue éclatée 26 pour TGB LANDMAX 1000 – retrouvez la liste complète des composants d'origine et identifiez rapidement la pièce compatible.</p> 26 - SUPPORTS DIFFERENTIEL... <p>Vue éclatée 26 pour TGB BLADE 600 FLX – retrouvez la liste complète des composants d'origine et identifiez rapidement la pièce compatible.</p> 27 - COMPTEUR <p>Vue éclatée 27 pour TGB BLADE 550 FLX – retrouvez la liste complète des composants d'origine et identifiez rapidement la pièce compatible.</p> 27 - COMPTEUR <p>Vue éclatée 27 pour TGB BLADE 600 LTX ABS – retrouvez la liste complète des composants d'origine et identifiez rapidement la pièce compatible.</p> 27 - DIRECTION ASSISTEE... <p>Vue éclatée 27 pour TGB BLADE 600 FLX – retrouvez la liste complète des composants d'origine et identifiez rapidement la pièce compatible.</p> 27 - ECLAIRAGE ARRIERE <p>Vue éclatée 27 pour TGB LANDMAX 1000 – retrouvez la liste complète des composants d'origine et identifiez rapidement la pièce compatible.</p> 27 - ECLAIRAGE AVANT <p>Vue éclatée 27 pour TGB LANDMAX 1000 CAB – retrouvez la liste complète des composants d'origine et identifiez rapidement la pièce compatible.</p> Affichage 1-100 de 539 article(s) 1 2 3 … 6 Suivant Retour en haut
20 - ENSEMBLE REFROIDISSEMENT <p>Vue éclatée 20 pour TGB BLADE 600 LTX ABS – retrouvez la liste complète des composants d'origine et identifiez rapidement la pièce compatible.</p> 20 - ENSEMBLE REFROIDISSEMENT <p>Vue éclatée 20 pour TGB LANDMAX 1000 – retrouvez la liste complète des composants d'origine et identifiez rapidement la pièce compatible.</p> 20 - ENSEMBLE REFROIDISSEMENT <p>Vue éclatée 20 pour TGB LANDMAX 1000 CAB – retrouvez la liste complète des composants d'origine et identifiez rapidement la pièce compatible.</p> 21 - SYSTEME ELECTRIQUE 2 <p>Vue éclatée 21 pour TGB BLADE 550 FLX – retrouvez la liste complète des composants d'origine et identifiez rapidement la pièce compatible.</p> 21 - SYSTEME ELECTRIQUE 2 <p>Vue éclatée 21 pour TGB BLADE 600 FLX – retrouvez la liste complète des composants d'origine et identifiez rapidement la pièce compatible.</p> 21 - SYSTEME ELECTRIQUE 2 <p>Vue éclatée 21 pour TGB BLADE 600 LTX ABS – retrouvez la liste complète des composants d'origine et identifiez rapidement la pièce compatible.</p> 21 - SYSTEME ELECTRIQUE 2 <p>Vue éclatée 21 pour TGB LANDMAX 1000 – retrouvez la liste complète des composants d'origine et identifiez rapidement la pièce compatible.</p> 21 - SYSTEME ELECTRIQUE 2 <p>Vue éclatée 21 pour TGB LANDMAX 1000 CAB – retrouvez la liste complète des composants d'origine et identifiez rapidement la pièce compatible.</p> 22 - SYSTEME ELECTRIQUE 3 <p>Vue éclatée 22 pour TGB BLADE 550 FLX – retrouvez la liste complète des composants d'origine et identifiez rapidement la pièce compatible.</p> 22 - SYSTEME ELECTRIQUE 3 <p>Vue éclatée 22 pour TGB BLADE 600 FLX – retrouvez la liste complète des composants d'origine et identifiez rapidement la pièce compatible.</p> 22 - SYSTEME ELECTRIQUE 3 <p>Vue éclatée 22 pour TGB BLADE 600 LTX ABS – retrouvez la liste complète des composants d'origine et identifiez rapidement la pièce compatible.</p> 22 - SYSTEME ELECTRIQUE 3 <p>Vue éclatée 22 pour TGB LANDMAX 1000 – retrouvez la liste complète des composants d'origine et identifiez rapidement la pièce compatible.</p> 22 - SYSTEME ELECTRIQUE 3 <p>Vue éclatée 22 pour TGB LANDMAX 1000 CAB – retrouvez la liste complète des composants d'origine et identifiez rapidement la pièce compatible.</p> 23 - RELAIS SUPPORTS <p>Vue éclatée 23 pour TGB LANDMAX 1000 – retrouvez la liste complète des composants d'origine et identifiez rapidement la pièce compatible.</p> 23 - RELAIS SUPPORTS <p>Vue éclatée 23 pour TGB LANDMAX 1000 CAB – retrouvez la liste complète des composants d'origine et identifiez rapidement la pièce compatible.</p> 23 - SUPPORTS <p>Vue éclatée 23 pour TGB BLADE 550 FLX – retrouvez la liste complète des composants d'origine et identifiez rapidement la pièce compatible.</p> 23 - SUPPORTS <p>Vue éclatée 23 pour TGB BLADE 600 FLX – retrouvez la liste complète des composants d'origine et identifiez rapidement la pièce compatible.</p> 23 - SUPPORTS <p>Vue éclatée 23 pour TGB BLADE 600 LTX ABS – retrouvez la liste complète des composants d'origine et identifiez rapidement la pièce compatible.</p> 24 - CONTROLEUR... <p>Vue éclatée 24 pour TGB LANDMAX 1000 – retrouvez la liste complète des composants d'origine et identifiez rapidement la pièce compatible.</p> 24 - ECLAIRAGE INT MONITEUR... <p>Vue éclatée 24 pour TGB LANDMAX 1000 CAB – retrouvez la liste complète des composants d'origine et identifiez rapidement la pièce compatible.</p> 24 - SUPPORTS MOTEUR <p>Vue éclatée 24 pour TGB BLADE 550 FLX – retrouvez la liste complète des composants d'origine et identifiez rapidement la pièce compatible.</p> 24 - SUPPORTS MOTEUR <p>Vue éclatée 24 pour TGB BLADE 600 FLX – retrouvez la liste complète des composants d'origine et identifiez rapidement la pièce compatible.</p> 24 - SUPPORTS MOTEUR <p>Vue éclatée 24 pour TGB BLADE 600 LTX ABS – retrouvez la liste complète des composants d'origine et identifiez rapidement la pièce compatible.</p> 25 - COMPTEUR <p>Vue éclatée 25 pour TGB LANDMAX 1000 – retrouvez la liste complète des composants d'origine et identifiez rapidement la pièce compatible.</p> 25 - CONTROLEUR... <p>Vue éclatée 25 pour TGB LANDMAX 1000 CAB – retrouvez la liste complète des composants d'origine et identifiez rapidement la pièce compatible.</p> 25 - MOTEUR DE DIFFERENTIEL <p>Vue éclatée 25 pour TGB BLADE 550 FLX – retrouvez la liste complète des composants d'origine et identifiez rapidement la pièce compatible.</p> 25 - MOTEUR DE DIFFERENTIEL <p>Vue éclatée 25 pour TGB BLADE 600 FLX – retrouvez la liste complète des composants d'origine et identifiez rapidement la pièce compatible.</p> 25 - MOTEUR DE DIFFERENTIEL <p>Vue éclatée 25 pour TGB BLADE 600 LTX ABS – retrouvez la liste complète des composants d'origine et identifiez rapidement la pièce compatible.</p> 26 - COMPTEUR <p>Vue éclatée 26 pour TGB LANDMAX 1000 CAB – retrouvez la liste complète des composants d'origine et identifiez rapidement la pièce compatible.</p> 26 - DIRECTION ASSISTEE... <p>Vue éclatée 26 pour TGB BLADE 550 FLX – retrouvez la liste complète des composants d'origine et identifiez rapidement la pièce compatible.</p> 26 - DIRECTION ASSISTEE... <p>Vue éclatée 26 pour TGB BLADE 600 LTX ABS – retrouvez la liste complète des composants d'origine et identifiez rapidement la pièce compatible.</p> 26 - ECLAIRAGE AVANT <p>Vue éclatée 26 pour TGB LANDMAX 1000 – retrouvez la liste complète des composants d'origine et identifiez rapidement la pièce compatible.</p> 26 - SUPPORTS DIFFERENTIEL... <p>Vue éclatée 26 pour TGB BLADE 600 FLX – retrouvez la liste complète des composants d'origine et identifiez rapidement la pièce compatible.</p> 27 - COMPTEUR <p>Vue éclatée 27 pour TGB BLADE 550 FLX – retrouvez la liste complète des composants d'origine et identifiez rapidement la pièce compatible.</p> 27 - COMPTEUR <p>Vue éclatée 27 pour TGB BLADE 600 LTX ABS – retrouvez la liste complète des composants d'origine et identifiez rapidement la pièce compatible.</p> 27 - DIRECTION ASSISTEE... <p>Vue éclatée 27 pour TGB BLADE 600 FLX – retrouvez la liste complète des composants d'origine et identifiez rapidement la pièce compatible.</p> 27 - ECLAIRAGE ARRIERE <p>Vue éclatée 27 pour TGB LANDMAX 1000 – retrouvez la liste complète des composants d'origine et identifiez rapidement la pièce compatible.</p> 27 - ECLAIRAGE AVANT <p>Vue éclatée 27 pour TGB LANDMAX 1000 CAB – retrouvez la liste complète des composants d'origine et identifiez rapidement la pièce compatible.</p> Affichage 1-100 de 539 article(s) 1 2 3 … 6 Suivant Retour en haut
20 - ENSEMBLE REFROIDISSEMENT <p>Vue éclatée 20 pour TGB LANDMAX 1000 – retrouvez la liste complète des composants d'origine et identifiez rapidement la pièce compatible.</p> 20 - ENSEMBLE REFROIDISSEMENT <p>Vue éclatée 20 pour TGB LANDMAX 1000 CAB – retrouvez la liste complète des composants d'origine et identifiez rapidement la pièce compatible.</p> 21 - SYSTEME ELECTRIQUE 2 <p>Vue éclatée 21 pour TGB BLADE 550 FLX – retrouvez la liste complète des composants d'origine et identifiez rapidement la pièce compatible.</p> 21 - SYSTEME ELECTRIQUE 2 <p>Vue éclatée 21 pour TGB BLADE 600 FLX – retrouvez la liste complète des composants d'origine et identifiez rapidement la pièce compatible.</p> 21 - SYSTEME ELECTRIQUE 2 <p>Vue éclatée 21 pour TGB BLADE 600 LTX ABS – retrouvez la liste complète des composants d'origine et identifiez rapidement la pièce compatible.</p> 21 - SYSTEME ELECTRIQUE 2 <p>Vue éclatée 21 pour TGB LANDMAX 1000 – retrouvez la liste complète des composants d'origine et identifiez rapidement la pièce compatible.</p> 21 - SYSTEME ELECTRIQUE 2 <p>Vue éclatée 21 pour TGB LANDMAX 1000 CAB – retrouvez la liste complète des composants d'origine et identifiez rapidement la pièce compatible.</p> 22 - SYSTEME ELECTRIQUE 3 <p>Vue éclatée 22 pour TGB BLADE 550 FLX – retrouvez la liste complète des composants d'origine et identifiez rapidement la pièce compatible.</p> 22 - SYSTEME ELECTRIQUE 3 <p>Vue éclatée 22 pour TGB BLADE 600 FLX – retrouvez la liste complète des composants d'origine et identifiez rapidement la pièce compatible.</p> 22 - SYSTEME ELECTRIQUE 3 <p>Vue éclatée 22 pour TGB BLADE 600 LTX ABS – retrouvez la liste complète des composants d'origine et identifiez rapidement la pièce compatible.</p> 22 - SYSTEME ELECTRIQUE 3 <p>Vue éclatée 22 pour TGB LANDMAX 1000 – retrouvez la liste complète des composants d'origine et identifiez rapidement la pièce compatible.</p> 22 - SYSTEME ELECTRIQUE 3 <p>Vue éclatée 22 pour TGB LANDMAX 1000 CAB – retrouvez la liste complète des composants d'origine et identifiez rapidement la pièce compatible.</p> 23 - RELAIS SUPPORTS <p>Vue éclatée 23 pour TGB LANDMAX 1000 – retrouvez la liste complète des composants d'origine et identifiez rapidement la pièce compatible.</p> 23 - RELAIS SUPPORTS <p>Vue éclatée 23 pour TGB LANDMAX 1000 CAB – retrouvez la liste complète des composants d'origine et identifiez rapidement la pièce compatible.</p> 23 - SUPPORTS <p>Vue éclatée 23 pour TGB BLADE 550 FLX – retrouvez la liste complète des composants d'origine et identifiez rapidement la pièce compatible.</p> 23 - SUPPORTS <p>Vue éclatée 23 pour TGB BLADE 600 FLX – retrouvez la liste complète des composants d'origine et identifiez rapidement la pièce compatible.</p> 23 - SUPPORTS <p>Vue éclatée 23 pour TGB BLADE 600 LTX ABS – retrouvez la liste complète des composants d'origine et identifiez rapidement la pièce compatible.</p> 24 - CONTROLEUR... <p>Vue éclatée 24 pour TGB LANDMAX 1000 – retrouvez la liste complète des composants d'origine et identifiez rapidement la pièce compatible.</p> 24 - ECLAIRAGE INT MONITEUR... <p>Vue éclatée 24 pour TGB LANDMAX 1000 CAB – retrouvez la liste complète des composants d'origine et identifiez rapidement la pièce compatible.</p> 24 - SUPPORTS MOTEUR <p>Vue éclatée 24 pour TGB BLADE 550 FLX – retrouvez la liste complète des composants d'origine et identifiez rapidement la pièce compatible.</p> 24 - SUPPORTS MOTEUR <p>Vue éclatée 24 pour TGB BLADE 600 FLX – retrouvez la liste complète des composants d'origine et identifiez rapidement la pièce compatible.</p> 24 - SUPPORTS MOTEUR <p>Vue éclatée 24 pour TGB BLADE 600 LTX ABS – retrouvez la liste complète des composants d'origine et identifiez rapidement la pièce compatible.</p> 25 - COMPTEUR <p>Vue éclatée 25 pour TGB LANDMAX 1000 – retrouvez la liste complète des composants d'origine et identifiez rapidement la pièce compatible.</p> 25 - CONTROLEUR... <p>Vue éclatée 25 pour TGB LANDMAX 1000 CAB – retrouvez la liste complète des composants d'origine et identifiez rapidement la pièce compatible.</p> 25 - MOTEUR DE DIFFERENTIEL <p>Vue éclatée 25 pour TGB BLADE 550 FLX – retrouvez la liste complète des composants d'origine et identifiez rapidement la pièce compatible.</p> 25 - MOTEUR DE DIFFERENTIEL <p>Vue éclatée 25 pour TGB BLADE 600 FLX – retrouvez la liste complète des composants d'origine et identifiez rapidement la pièce compatible.</p> 25 - MOTEUR DE DIFFERENTIEL <p>Vue éclatée 25 pour TGB BLADE 600 LTX ABS – retrouvez la liste complète des composants d'origine et identifiez rapidement la pièce compatible.</p> 26 - COMPTEUR <p>Vue éclatée 26 pour TGB LANDMAX 1000 CAB – retrouvez la liste complète des composants d'origine et identifiez rapidement la pièce compatible.</p> 26 - DIRECTION ASSISTEE... <p>Vue éclatée 26 pour TGB BLADE 550 FLX – retrouvez la liste complète des composants d'origine et identifiez rapidement la pièce compatible.</p> 26 - DIRECTION ASSISTEE... <p>Vue éclatée 26 pour TGB BLADE 600 LTX ABS – retrouvez la liste complète des composants d'origine et identifiez rapidement la pièce compatible.</p> 26 - ECLAIRAGE AVANT <p>Vue éclatée 26 pour TGB LANDMAX 1000 – retrouvez la liste complète des composants d'origine et identifiez rapidement la pièce compatible.</p> 26 - SUPPORTS DIFFERENTIEL... <p>Vue éclatée 26 pour TGB BLADE 600 FLX – retrouvez la liste complète des composants d'origine et identifiez rapidement la pièce compatible.</p> 27 - COMPTEUR <p>Vue éclatée 27 pour TGB BLADE 550 FLX – retrouvez la liste complète des composants d'origine et identifiez rapidement la pièce compatible.</p> 27 - COMPTEUR <p>Vue éclatée 27 pour TGB BLADE 600 LTX ABS – retrouvez la liste complète des composants d'origine et identifiez rapidement la pièce compatible.</p> 27 - DIRECTION ASSISTEE... <p>Vue éclatée 27 pour TGB BLADE 600 FLX – retrouvez la liste complète des composants d'origine et identifiez rapidement la pièce compatible.</p> 27 - ECLAIRAGE ARRIERE <p>Vue éclatée 27 pour TGB LANDMAX 1000 – retrouvez la liste complète des composants d'origine et identifiez rapidement la pièce compatible.</p> 27 - ECLAIRAGE AVANT <p>Vue éclatée 27 pour TGB LANDMAX 1000 CAB – retrouvez la liste complète des composants d'origine et identifiez rapidement la pièce compatible.</p> Affichage 1-100 de 539 article(s) 1 2 3 … 6 Suivant Retour en haut
20 - ENSEMBLE REFROIDISSEMENT <p>Vue éclatée 20 pour TGB LANDMAX 1000 CAB – retrouvez la liste complète des composants d'origine et identifiez rapidement la pièce compatible.</p> 21 - SYSTEME ELECTRIQUE 2 <p>Vue éclatée 21 pour TGB BLADE 550 FLX – retrouvez la liste complète des composants d'origine et identifiez rapidement la pièce compatible.</p> 21 - SYSTEME ELECTRIQUE 2 <p>Vue éclatée 21 pour TGB BLADE 600 FLX – retrouvez la liste complète des composants d'origine et identifiez rapidement la pièce compatible.</p> 21 - SYSTEME ELECTRIQUE 2 <p>Vue éclatée 21 pour TGB BLADE 600 LTX ABS – retrouvez la liste complète des composants d'origine et identifiez rapidement la pièce compatible.</p> 21 - SYSTEME ELECTRIQUE 2 <p>Vue éclatée 21 pour TGB LANDMAX 1000 – retrouvez la liste complète des composants d'origine et identifiez rapidement la pièce compatible.</p> 21 - SYSTEME ELECTRIQUE 2 <p>Vue éclatée 21 pour TGB LANDMAX 1000 CAB – retrouvez la liste complète des composants d'origine et identifiez rapidement la pièce compatible.</p> 22 - SYSTEME ELECTRIQUE 3 <p>Vue éclatée 22 pour TGB BLADE 550 FLX – retrouvez la liste complète des composants d'origine et identifiez rapidement la pièce compatible.</p> 22 - SYSTEME ELECTRIQUE 3 <p>Vue éclatée 22 pour TGB BLADE 600 FLX – retrouvez la liste complète des composants d'origine et identifiez rapidement la pièce compatible.</p> 22 - SYSTEME ELECTRIQUE 3 <p>Vue éclatée 22 pour TGB BLADE 600 LTX ABS – retrouvez la liste complète des composants d'origine et identifiez rapidement la pièce compatible.</p> 22 - SYSTEME ELECTRIQUE 3 <p>Vue éclatée 22 pour TGB LANDMAX 1000 – retrouvez la liste complète des composants d'origine et identifiez rapidement la pièce compatible.</p> 22 - SYSTEME ELECTRIQUE 3 <p>Vue éclatée 22 pour TGB LANDMAX 1000 CAB – retrouvez la liste complète des composants d'origine et identifiez rapidement la pièce compatible.</p> 23 - RELAIS SUPPORTS <p>Vue éclatée 23 pour TGB LANDMAX 1000 – retrouvez la liste complète des composants d'origine et identifiez rapidement la pièce compatible.</p> 23 - RELAIS SUPPORTS <p>Vue éclatée 23 pour TGB LANDMAX 1000 CAB – retrouvez la liste complète des composants d'origine et identifiez rapidement la pièce compatible.</p> 23 - SUPPORTS <p>Vue éclatée 23 pour TGB BLADE 550 FLX – retrouvez la liste complète des composants d'origine et identifiez rapidement la pièce compatible.</p> 23 - SUPPORTS <p>Vue éclatée 23 pour TGB BLADE 600 FLX – retrouvez la liste complète des composants d'origine et identifiez rapidement la pièce compatible.</p> 23 - SUPPORTS <p>Vue éclatée 23 pour TGB BLADE 600 LTX ABS – retrouvez la liste complète des composants d'origine et identifiez rapidement la pièce compatible.</p> 24 - CONTROLEUR... <p>Vue éclatée 24 pour TGB LANDMAX 1000 – retrouvez la liste complète des composants d'origine et identifiez rapidement la pièce compatible.</p> 24 - ECLAIRAGE INT MONITEUR... <p>Vue éclatée 24 pour TGB LANDMAX 1000 CAB – retrouvez la liste complète des composants d'origine et identifiez rapidement la pièce compatible.</p> 24 - SUPPORTS MOTEUR <p>Vue éclatée 24 pour TGB BLADE 550 FLX – retrouvez la liste complète des composants d'origine et identifiez rapidement la pièce compatible.</p> 24 - SUPPORTS MOTEUR <p>Vue éclatée 24 pour TGB BLADE 600 FLX – retrouvez la liste complète des composants d'origine et identifiez rapidement la pièce compatible.</p> 24 - SUPPORTS MOTEUR <p>Vue éclatée 24 pour TGB BLADE 600 LTX ABS – retrouvez la liste complète des composants d'origine et identifiez rapidement la pièce compatible.</p> 25 - COMPTEUR <p>Vue éclatée 25 pour TGB LANDMAX 1000 – retrouvez la liste complète des composants d'origine et identifiez rapidement la pièce compatible.</p> 25 - CONTROLEUR... <p>Vue éclatée 25 pour TGB LANDMAX 1000 CAB – retrouvez la liste complète des composants d'origine et identifiez rapidement la pièce compatible.</p> 25 - MOTEUR DE DIFFERENTIEL <p>Vue éclatée 25 pour TGB BLADE 550 FLX – retrouvez la liste complète des composants d'origine et identifiez rapidement la pièce compatible.</p> 25 - MOTEUR DE DIFFERENTIEL <p>Vue éclatée 25 pour TGB BLADE 600 FLX – retrouvez la liste complète des composants d'origine et identifiez rapidement la pièce compatible.</p> 25 - MOTEUR DE DIFFERENTIEL <p>Vue éclatée 25 pour TGB BLADE 600 LTX ABS – retrouvez la liste complète des composants d'origine et identifiez rapidement la pièce compatible.</p> 26 - COMPTEUR <p>Vue éclatée 26 pour TGB LANDMAX 1000 CAB – retrouvez la liste complète des composants d'origine et identifiez rapidement la pièce compatible.</p> 26 - DIRECTION ASSISTEE... <p>Vue éclatée 26 pour TGB BLADE 550 FLX – retrouvez la liste complète des composants d'origine et identifiez rapidement la pièce compatible.</p> 26 - DIRECTION ASSISTEE... <p>Vue éclatée 26 pour TGB BLADE 600 LTX ABS – retrouvez la liste complète des composants d'origine et identifiez rapidement la pièce compatible.</p> 26 - ECLAIRAGE AVANT <p>Vue éclatée 26 pour TGB LANDMAX 1000 – retrouvez la liste complète des composants d'origine et identifiez rapidement la pièce compatible.</p> 26 - SUPPORTS DIFFERENTIEL... <p>Vue éclatée 26 pour TGB BLADE 600 FLX – retrouvez la liste complète des composants d'origine et identifiez rapidement la pièce compatible.</p> 27 - COMPTEUR <p>Vue éclatée 27 pour TGB BLADE 550 FLX – retrouvez la liste complète des composants d'origine et identifiez rapidement la pièce compatible.</p> 27 - COMPTEUR <p>Vue éclatée 27 pour TGB BLADE 600 LTX ABS – retrouvez la liste complète des composants d'origine et identifiez rapidement la pièce compatible.</p> 27 - DIRECTION ASSISTEE... <p>Vue éclatée 27 pour TGB BLADE 600 FLX – retrouvez la liste complète des composants d'origine et identifiez rapidement la pièce compatible.</p> 27 - ECLAIRAGE ARRIERE <p>Vue éclatée 27 pour TGB LANDMAX 1000 – retrouvez la liste complète des composants d'origine et identifiez rapidement la pièce compatible.</p> 27 - ECLAIRAGE AVANT <p>Vue éclatée 27 pour TGB LANDMAX 1000 CAB – retrouvez la liste complète des composants d'origine et identifiez rapidement la pièce compatible.</p> Affichage 1-100 de 539 article(s) 1 2 3 … 6 Suivant Retour en haut
21 - SYSTEME ELECTRIQUE 2 <p>Vue éclatée 21 pour TGB BLADE 550 FLX – retrouvez la liste complète des composants d'origine et identifiez rapidement la pièce compatible.</p> 21 - SYSTEME ELECTRIQUE 2 <p>Vue éclatée 21 pour TGB BLADE 600 FLX – retrouvez la liste complète des composants d'origine et identifiez rapidement la pièce compatible.</p> 21 - SYSTEME ELECTRIQUE 2 <p>Vue éclatée 21 pour TGB BLADE 600 LTX ABS – retrouvez la liste complète des composants d'origine et identifiez rapidement la pièce compatible.</p> 21 - SYSTEME ELECTRIQUE 2 <p>Vue éclatée 21 pour TGB LANDMAX 1000 – retrouvez la liste complète des composants d'origine et identifiez rapidement la pièce compatible.</p> 21 - SYSTEME ELECTRIQUE 2 <p>Vue éclatée 21 pour TGB LANDMAX 1000 CAB – retrouvez la liste complète des composants d'origine et identifiez rapidement la pièce compatible.</p> 22 - SYSTEME ELECTRIQUE 3 <p>Vue éclatée 22 pour TGB BLADE 550 FLX – retrouvez la liste complète des composants d'origine et identifiez rapidement la pièce compatible.</p> 22 - SYSTEME ELECTRIQUE 3 <p>Vue éclatée 22 pour TGB BLADE 600 FLX – retrouvez la liste complète des composants d'origine et identifiez rapidement la pièce compatible.</p> 22 - SYSTEME ELECTRIQUE 3 <p>Vue éclatée 22 pour TGB BLADE 600 LTX ABS – retrouvez la liste complète des composants d'origine et identifiez rapidement la pièce compatible.</p> 22 - SYSTEME ELECTRIQUE 3 <p>Vue éclatée 22 pour TGB LANDMAX 1000 – retrouvez la liste complète des composants d'origine et identifiez rapidement la pièce compatible.</p> 22 - SYSTEME ELECTRIQUE 3 <p>Vue éclatée 22 pour TGB LANDMAX 1000 CAB – retrouvez la liste complète des composants d'origine et identifiez rapidement la pièce compatible.</p> 23 - RELAIS SUPPORTS <p>Vue éclatée 23 pour TGB LANDMAX 1000 – retrouvez la liste complète des composants d'origine et identifiez rapidement la pièce compatible.</p> 23 - RELAIS SUPPORTS <p>Vue éclatée 23 pour TGB LANDMAX 1000 CAB – retrouvez la liste complète des composants d'origine et identifiez rapidement la pièce compatible.</p> 23 - SUPPORTS <p>Vue éclatée 23 pour TGB BLADE 550 FLX – retrouvez la liste complète des composants d'origine et identifiez rapidement la pièce compatible.</p> 23 - SUPPORTS <p>Vue éclatée 23 pour TGB BLADE 600 FLX – retrouvez la liste complète des composants d'origine et identifiez rapidement la pièce compatible.</p> 23 - SUPPORTS <p>Vue éclatée 23 pour TGB BLADE 600 LTX ABS – retrouvez la liste complète des composants d'origine et identifiez rapidement la pièce compatible.</p> 24 - CONTROLEUR... <p>Vue éclatée 24 pour TGB LANDMAX 1000 – retrouvez la liste complète des composants d'origine et identifiez rapidement la pièce compatible.</p> 24 - ECLAIRAGE INT MONITEUR... <p>Vue éclatée 24 pour TGB LANDMAX 1000 CAB – retrouvez la liste complète des composants d'origine et identifiez rapidement la pièce compatible.</p> 24 - SUPPORTS MOTEUR <p>Vue éclatée 24 pour TGB BLADE 550 FLX – retrouvez la liste complète des composants d'origine et identifiez rapidement la pièce compatible.</p> 24 - SUPPORTS MOTEUR <p>Vue éclatée 24 pour TGB BLADE 600 FLX – retrouvez la liste complète des composants d'origine et identifiez rapidement la pièce compatible.</p> 24 - SUPPORTS MOTEUR <p>Vue éclatée 24 pour TGB BLADE 600 LTX ABS – retrouvez la liste complète des composants d'origine et identifiez rapidement la pièce compatible.</p> 25 - COMPTEUR <p>Vue éclatée 25 pour TGB LANDMAX 1000 – retrouvez la liste complète des composants d'origine et identifiez rapidement la pièce compatible.</p> 25 - CONTROLEUR... <p>Vue éclatée 25 pour TGB LANDMAX 1000 CAB – retrouvez la liste complète des composants d'origine et identifiez rapidement la pièce compatible.</p> 25 - MOTEUR DE DIFFERENTIEL <p>Vue éclatée 25 pour TGB BLADE 550 FLX – retrouvez la liste complète des composants d'origine et identifiez rapidement la pièce compatible.</p> 25 - MOTEUR DE DIFFERENTIEL <p>Vue éclatée 25 pour TGB BLADE 600 FLX – retrouvez la liste complète des composants d'origine et identifiez rapidement la pièce compatible.</p> 25 - MOTEUR DE DIFFERENTIEL <p>Vue éclatée 25 pour TGB BLADE 600 LTX ABS – retrouvez la liste complète des composants d'origine et identifiez rapidement la pièce compatible.</p> 26 - COMPTEUR <p>Vue éclatée 26 pour TGB LANDMAX 1000 CAB – retrouvez la liste complète des composants d'origine et identifiez rapidement la pièce compatible.</p> 26 - DIRECTION ASSISTEE... <p>Vue éclatée 26 pour TGB BLADE 550 FLX – retrouvez la liste complète des composants d'origine et identifiez rapidement la pièce compatible.</p> 26 - DIRECTION ASSISTEE... <p>Vue éclatée 26 pour TGB BLADE 600 LTX ABS – retrouvez la liste complète des composants d'origine et identifiez rapidement la pièce compatible.</p> 26 - ECLAIRAGE AVANT <p>Vue éclatée 26 pour TGB LANDMAX 1000 – retrouvez la liste complète des composants d'origine et identifiez rapidement la pièce compatible.</p> 26 - SUPPORTS DIFFERENTIEL... <p>Vue éclatée 26 pour TGB BLADE 600 FLX – retrouvez la liste complète des composants d'origine et identifiez rapidement la pièce compatible.</p> 27 - COMPTEUR <p>Vue éclatée 27 pour TGB BLADE 550 FLX – retrouvez la liste complète des composants d'origine et identifiez rapidement la pièce compatible.</p> 27 - COMPTEUR <p>Vue éclatée 27 pour TGB BLADE 600 LTX ABS – retrouvez la liste complète des composants d'origine et identifiez rapidement la pièce compatible.</p> 27 - DIRECTION ASSISTEE... <p>Vue éclatée 27 pour TGB BLADE 600 FLX – retrouvez la liste complète des composants d'origine et identifiez rapidement la pièce compatible.</p> 27 - ECLAIRAGE ARRIERE <p>Vue éclatée 27 pour TGB LANDMAX 1000 – retrouvez la liste complète des composants d'origine et identifiez rapidement la pièce compatible.</p> 27 - ECLAIRAGE AVANT <p>Vue éclatée 27 pour TGB LANDMAX 1000 CAB – retrouvez la liste complète des composants d'origine et identifiez rapidement la pièce compatible.</p> Affichage 1-100 de 539 article(s) 1 2 3 … 6 Suivant Retour en haut
21 - SYSTEME ELECTRIQUE 2 <p>Vue éclatée 21 pour TGB BLADE 600 FLX – retrouvez la liste complète des composants d'origine et identifiez rapidement la pièce compatible.</p> 21 - SYSTEME ELECTRIQUE 2 <p>Vue éclatée 21 pour TGB BLADE 600 LTX ABS – retrouvez la liste complète des composants d'origine et identifiez rapidement la pièce compatible.</p> 21 - SYSTEME ELECTRIQUE 2 <p>Vue éclatée 21 pour TGB LANDMAX 1000 – retrouvez la liste complète des composants d'origine et identifiez rapidement la pièce compatible.</p> 21 - SYSTEME ELECTRIQUE 2 <p>Vue éclatée 21 pour TGB LANDMAX 1000 CAB – retrouvez la liste complète des composants d'origine et identifiez rapidement la pièce compatible.</p> 22 - SYSTEME ELECTRIQUE 3 <p>Vue éclatée 22 pour TGB BLADE 550 FLX – retrouvez la liste complète des composants d'origine et identifiez rapidement la pièce compatible.</p> 22 - SYSTEME ELECTRIQUE 3 <p>Vue éclatée 22 pour TGB BLADE 600 FLX – retrouvez la liste complète des composants d'origine et identifiez rapidement la pièce compatible.</p> 22 - SYSTEME ELECTRIQUE 3 <p>Vue éclatée 22 pour TGB BLADE 600 LTX ABS – retrouvez la liste complète des composants d'origine et identifiez rapidement la pièce compatible.</p> 22 - SYSTEME ELECTRIQUE 3 <p>Vue éclatée 22 pour TGB LANDMAX 1000 – retrouvez la liste complète des composants d'origine et identifiez rapidement la pièce compatible.</p> 22 - SYSTEME ELECTRIQUE 3 <p>Vue éclatée 22 pour TGB LANDMAX 1000 CAB – retrouvez la liste complète des composants d'origine et identifiez rapidement la pièce compatible.</p> 23 - RELAIS SUPPORTS <p>Vue éclatée 23 pour TGB LANDMAX 1000 – retrouvez la liste complète des composants d'origine et identifiez rapidement la pièce compatible.</p> 23 - RELAIS SUPPORTS <p>Vue éclatée 23 pour TGB LANDMAX 1000 CAB – retrouvez la liste complète des composants d'origine et identifiez rapidement la pièce compatible.</p> 23 - SUPPORTS <p>Vue éclatée 23 pour TGB BLADE 550 FLX – retrouvez la liste complète des composants d'origine et identifiez rapidement la pièce compatible.</p> 23 - SUPPORTS <p>Vue éclatée 23 pour TGB BLADE 600 FLX – retrouvez la liste complète des composants d'origine et identifiez rapidement la pièce compatible.</p> 23 - SUPPORTS <p>Vue éclatée 23 pour TGB BLADE 600 LTX ABS – retrouvez la liste complète des composants d'origine et identifiez rapidement la pièce compatible.</p> 24 - CONTROLEUR... <p>Vue éclatée 24 pour TGB LANDMAX 1000 – retrouvez la liste complète des composants d'origine et identifiez rapidement la pièce compatible.</p> 24 - ECLAIRAGE INT MONITEUR... <p>Vue éclatée 24 pour TGB LANDMAX 1000 CAB – retrouvez la liste complète des composants d'origine et identifiez rapidement la pièce compatible.</p> 24 - SUPPORTS MOTEUR <p>Vue éclatée 24 pour TGB BLADE 550 FLX – retrouvez la liste complète des composants d'origine et identifiez rapidement la pièce compatible.</p> 24 - SUPPORTS MOTEUR <p>Vue éclatée 24 pour TGB BLADE 600 FLX – retrouvez la liste complète des composants d'origine et identifiez rapidement la pièce compatible.</p> 24 - SUPPORTS MOTEUR <p>Vue éclatée 24 pour TGB BLADE 600 LTX ABS – retrouvez la liste complète des composants d'origine et identifiez rapidement la pièce compatible.</p> 25 - COMPTEUR <p>Vue éclatée 25 pour TGB LANDMAX 1000 – retrouvez la liste complète des composants d'origine et identifiez rapidement la pièce compatible.</p> 25 - CONTROLEUR... <p>Vue éclatée 25 pour TGB LANDMAX 1000 CAB – retrouvez la liste complète des composants d'origine et identifiez rapidement la pièce compatible.</p> 25 - MOTEUR DE DIFFERENTIEL <p>Vue éclatée 25 pour TGB BLADE 550 FLX – retrouvez la liste complète des composants d'origine et identifiez rapidement la pièce compatible.</p> 25 - MOTEUR DE DIFFERENTIEL <p>Vue éclatée 25 pour TGB BLADE 600 FLX – retrouvez la liste complète des composants d'origine et identifiez rapidement la pièce compatible.</p> 25 - MOTEUR DE DIFFERENTIEL <p>Vue éclatée 25 pour TGB BLADE 600 LTX ABS – retrouvez la liste complète des composants d'origine et identifiez rapidement la pièce compatible.</p> 26 - COMPTEUR <p>Vue éclatée 26 pour TGB LANDMAX 1000 CAB – retrouvez la liste complète des composants d'origine et identifiez rapidement la pièce compatible.</p> 26 - DIRECTION ASSISTEE... <p>Vue éclatée 26 pour TGB BLADE 550 FLX – retrouvez la liste complète des composants d'origine et identifiez rapidement la pièce compatible.</p> 26 - DIRECTION ASSISTEE... <p>Vue éclatée 26 pour TGB BLADE 600 LTX ABS – retrouvez la liste complète des composants d'origine et identifiez rapidement la pièce compatible.</p> 26 - ECLAIRAGE AVANT <p>Vue éclatée 26 pour TGB LANDMAX 1000 – retrouvez la liste complète des composants d'origine et identifiez rapidement la pièce compatible.</p> 26 - SUPPORTS DIFFERENTIEL... <p>Vue éclatée 26 pour TGB BLADE 600 FLX – retrouvez la liste complète des composants d'origine et identifiez rapidement la pièce compatible.</p> 27 - COMPTEUR <p>Vue éclatée 27 pour TGB BLADE 550 FLX – retrouvez la liste complète des composants d'origine et identifiez rapidement la pièce compatible.</p> 27 - COMPTEUR <p>Vue éclatée 27 pour TGB BLADE 600 LTX ABS – retrouvez la liste complète des composants d'origine et identifiez rapidement la pièce compatible.</p> 27 - DIRECTION ASSISTEE... <p>Vue éclatée 27 pour TGB BLADE 600 FLX – retrouvez la liste complète des composants d'origine et identifiez rapidement la pièce compatible.</p> 27 - ECLAIRAGE ARRIERE <p>Vue éclatée 27 pour TGB LANDMAX 1000 – retrouvez la liste complète des composants d'origine et identifiez rapidement la pièce compatible.</p> 27 - ECLAIRAGE AVANT <p>Vue éclatée 27 pour TGB LANDMAX 1000 CAB – retrouvez la liste complète des composants d'origine et identifiez rapidement la pièce compatible.</p> Affichage 1-100 de 539 article(s) 1 2 3 … 6 Suivant Retour en haut
21 - SYSTEME ELECTRIQUE 2 <p>Vue éclatée 21 pour TGB BLADE 600 LTX ABS – retrouvez la liste complète des composants d'origine et identifiez rapidement la pièce compatible.</p> 21 - SYSTEME ELECTRIQUE 2 <p>Vue éclatée 21 pour TGB LANDMAX 1000 – retrouvez la liste complète des composants d'origine et identifiez rapidement la pièce compatible.</p> 21 - SYSTEME ELECTRIQUE 2 <p>Vue éclatée 21 pour TGB LANDMAX 1000 CAB – retrouvez la liste complète des composants d'origine et identifiez rapidement la pièce compatible.</p> 22 - SYSTEME ELECTRIQUE 3 <p>Vue éclatée 22 pour TGB BLADE 550 FLX – retrouvez la liste complète des composants d'origine et identifiez rapidement la pièce compatible.</p> 22 - SYSTEME ELECTRIQUE 3 <p>Vue éclatée 22 pour TGB BLADE 600 FLX – retrouvez la liste complète des composants d'origine et identifiez rapidement la pièce compatible.</p> 22 - SYSTEME ELECTRIQUE 3 <p>Vue éclatée 22 pour TGB BLADE 600 LTX ABS – retrouvez la liste complète des composants d'origine et identifiez rapidement la pièce compatible.</p> 22 - SYSTEME ELECTRIQUE 3 <p>Vue éclatée 22 pour TGB LANDMAX 1000 – retrouvez la liste complète des composants d'origine et identifiez rapidement la pièce compatible.</p> 22 - SYSTEME ELECTRIQUE 3 <p>Vue éclatée 22 pour TGB LANDMAX 1000 CAB – retrouvez la liste complète des composants d'origine et identifiez rapidement la pièce compatible.</p> 23 - RELAIS SUPPORTS <p>Vue éclatée 23 pour TGB LANDMAX 1000 – retrouvez la liste complète des composants d'origine et identifiez rapidement la pièce compatible.</p> 23 - RELAIS SUPPORTS <p>Vue éclatée 23 pour TGB LANDMAX 1000 CAB – retrouvez la liste complète des composants d'origine et identifiez rapidement la pièce compatible.</p> 23 - SUPPORTS <p>Vue éclatée 23 pour TGB BLADE 550 FLX – retrouvez la liste complète des composants d'origine et identifiez rapidement la pièce compatible.</p> 23 - SUPPORTS <p>Vue éclatée 23 pour TGB BLADE 600 FLX – retrouvez la liste complète des composants d'origine et identifiez rapidement la pièce compatible.</p> 23 - SUPPORTS <p>Vue éclatée 23 pour TGB BLADE 600 LTX ABS – retrouvez la liste complète des composants d'origine et identifiez rapidement la pièce compatible.</p> 24 - CONTROLEUR... <p>Vue éclatée 24 pour TGB LANDMAX 1000 – retrouvez la liste complète des composants d'origine et identifiez rapidement la pièce compatible.</p> 24 - ECLAIRAGE INT MONITEUR... <p>Vue éclatée 24 pour TGB LANDMAX 1000 CAB – retrouvez la liste complète des composants d'origine et identifiez rapidement la pièce compatible.</p> 24 - SUPPORTS MOTEUR <p>Vue éclatée 24 pour TGB BLADE 550 FLX – retrouvez la liste complète des composants d'origine et identifiez rapidement la pièce compatible.</p> 24 - SUPPORTS MOTEUR <p>Vue éclatée 24 pour TGB BLADE 600 FLX – retrouvez la liste complète des composants d'origine et identifiez rapidement la pièce compatible.</p> 24 - SUPPORTS MOTEUR <p>Vue éclatée 24 pour TGB BLADE 600 LTX ABS – retrouvez la liste complète des composants d'origine et identifiez rapidement la pièce compatible.</p> 25 - COMPTEUR <p>Vue éclatée 25 pour TGB LANDMAX 1000 – retrouvez la liste complète des composants d'origine et identifiez rapidement la pièce compatible.</p> 25 - CONTROLEUR... <p>Vue éclatée 25 pour TGB LANDMAX 1000 CAB – retrouvez la liste complète des composants d'origine et identifiez rapidement la pièce compatible.</p> 25 - MOTEUR DE DIFFERENTIEL <p>Vue éclatée 25 pour TGB BLADE 550 FLX – retrouvez la liste complète des composants d'origine et identifiez rapidement la pièce compatible.</p> 25 - MOTEUR DE DIFFERENTIEL <p>Vue éclatée 25 pour TGB BLADE 600 FLX – retrouvez la liste complète des composants d'origine et identifiez rapidement la pièce compatible.</p> 25 - MOTEUR DE DIFFERENTIEL <p>Vue éclatée 25 pour TGB BLADE 600 LTX ABS – retrouvez la liste complète des composants d'origine et identifiez rapidement la pièce compatible.</p> 26 - COMPTEUR <p>Vue éclatée 26 pour TGB LANDMAX 1000 CAB – retrouvez la liste complète des composants d'origine et identifiez rapidement la pièce compatible.</p> 26 - DIRECTION ASSISTEE... <p>Vue éclatée 26 pour TGB BLADE 550 FLX – retrouvez la liste complète des composants d'origine et identifiez rapidement la pièce compatible.</p> 26 - DIRECTION ASSISTEE... <p>Vue éclatée 26 pour TGB BLADE 600 LTX ABS – retrouvez la liste complète des composants d'origine et identifiez rapidement la pièce compatible.</p> 26 - ECLAIRAGE AVANT <p>Vue éclatée 26 pour TGB LANDMAX 1000 – retrouvez la liste complète des composants d'origine et identifiez rapidement la pièce compatible.</p> 26 - SUPPORTS DIFFERENTIEL... <p>Vue éclatée 26 pour TGB BLADE 600 FLX – retrouvez la liste complète des composants d'origine et identifiez rapidement la pièce compatible.</p> 27 - COMPTEUR <p>Vue éclatée 27 pour TGB BLADE 550 FLX – retrouvez la liste complète des composants d'origine et identifiez rapidement la pièce compatible.</p> 27 - COMPTEUR <p>Vue éclatée 27 pour TGB BLADE 600 LTX ABS – retrouvez la liste complète des composants d'origine et identifiez rapidement la pièce compatible.</p> 27 - DIRECTION ASSISTEE... <p>Vue éclatée 27 pour TGB BLADE 600 FLX – retrouvez la liste complète des composants d'origine et identifiez rapidement la pièce compatible.</p> 27 - ECLAIRAGE ARRIERE <p>Vue éclatée 27 pour TGB LANDMAX 1000 – retrouvez la liste complète des composants d'origine et identifiez rapidement la pièce compatible.</p> 27 - ECLAIRAGE AVANT <p>Vue éclatée 27 pour TGB LANDMAX 1000 CAB – retrouvez la liste complète des composants d'origine et identifiez rapidement la pièce compatible.</p> Affichage 1-100 de 539 article(s) 1 2 3 … 6 Suivant Retour en haut
21 - SYSTEME ELECTRIQUE 2 <p>Vue éclatée 21 pour TGB LANDMAX 1000 – retrouvez la liste complète des composants d'origine et identifiez rapidement la pièce compatible.</p> 21 - SYSTEME ELECTRIQUE 2 <p>Vue éclatée 21 pour TGB LANDMAX 1000 CAB – retrouvez la liste complète des composants d'origine et identifiez rapidement la pièce compatible.</p> 22 - SYSTEME ELECTRIQUE 3 <p>Vue éclatée 22 pour TGB BLADE 550 FLX – retrouvez la liste complète des composants d'origine et identifiez rapidement la pièce compatible.</p> 22 - SYSTEME ELECTRIQUE 3 <p>Vue éclatée 22 pour TGB BLADE 600 FLX – retrouvez la liste complète des composants d'origine et identifiez rapidement la pièce compatible.</p> 22 - SYSTEME ELECTRIQUE 3 <p>Vue éclatée 22 pour TGB BLADE 600 LTX ABS – retrouvez la liste complète des composants d'origine et identifiez rapidement la pièce compatible.</p> 22 - SYSTEME ELECTRIQUE 3 <p>Vue éclatée 22 pour TGB LANDMAX 1000 – retrouvez la liste complète des composants d'origine et identifiez rapidement la pièce compatible.</p> 22 - SYSTEME ELECTRIQUE 3 <p>Vue éclatée 22 pour TGB LANDMAX 1000 CAB – retrouvez la liste complète des composants d'origine et identifiez rapidement la pièce compatible.</p> 23 - RELAIS SUPPORTS <p>Vue éclatée 23 pour TGB LANDMAX 1000 – retrouvez la liste complète des composants d'origine et identifiez rapidement la pièce compatible.</p> 23 - RELAIS SUPPORTS <p>Vue éclatée 23 pour TGB LANDMAX 1000 CAB – retrouvez la liste complète des composants d'origine et identifiez rapidement la pièce compatible.</p> 23 - SUPPORTS <p>Vue éclatée 23 pour TGB BLADE 550 FLX – retrouvez la liste complète des composants d'origine et identifiez rapidement la pièce compatible.</p> 23 - SUPPORTS <p>Vue éclatée 23 pour TGB BLADE 600 FLX – retrouvez la liste complète des composants d'origine et identifiez rapidement la pièce compatible.</p> 23 - SUPPORTS <p>Vue éclatée 23 pour TGB BLADE 600 LTX ABS – retrouvez la liste complète des composants d'origine et identifiez rapidement la pièce compatible.</p> 24 - CONTROLEUR... <p>Vue éclatée 24 pour TGB LANDMAX 1000 – retrouvez la liste complète des composants d'origine et identifiez rapidement la pièce compatible.</p> 24 - ECLAIRAGE INT MONITEUR... <p>Vue éclatée 24 pour TGB LANDMAX 1000 CAB – retrouvez la liste complète des composants d'origine et identifiez rapidement la pièce compatible.</p> 24 - SUPPORTS MOTEUR <p>Vue éclatée 24 pour TGB BLADE 550 FLX – retrouvez la liste complète des composants d'origine et identifiez rapidement la pièce compatible.</p> 24 - SUPPORTS MOTEUR <p>Vue éclatée 24 pour TGB BLADE 600 FLX – retrouvez la liste complète des composants d'origine et identifiez rapidement la pièce compatible.</p> 24 - SUPPORTS MOTEUR <p>Vue éclatée 24 pour TGB BLADE 600 LTX ABS – retrouvez la liste complète des composants d'origine et identifiez rapidement la pièce compatible.</p> 25 - COMPTEUR <p>Vue éclatée 25 pour TGB LANDMAX 1000 – retrouvez la liste complète des composants d'origine et identifiez rapidement la pièce compatible.</p> 25 - CONTROLEUR... <p>Vue éclatée 25 pour TGB LANDMAX 1000 CAB – retrouvez la liste complète des composants d'origine et identifiez rapidement la pièce compatible.</p> 25 - MOTEUR DE DIFFERENTIEL <p>Vue éclatée 25 pour TGB BLADE 550 FLX – retrouvez la liste complète des composants d'origine et identifiez rapidement la pièce compatible.</p> 25 - MOTEUR DE DIFFERENTIEL <p>Vue éclatée 25 pour TGB BLADE 600 FLX – retrouvez la liste complète des composants d'origine et identifiez rapidement la pièce compatible.</p> 25 - MOTEUR DE DIFFERENTIEL <p>Vue éclatée 25 pour TGB BLADE 600 LTX ABS – retrouvez la liste complète des composants d'origine et identifiez rapidement la pièce compatible.</p> 26 - COMPTEUR <p>Vue éclatée 26 pour TGB LANDMAX 1000 CAB – retrouvez la liste complète des composants d'origine et identifiez rapidement la pièce compatible.</p> 26 - DIRECTION ASSISTEE... <p>Vue éclatée 26 pour TGB BLADE 550 FLX – retrouvez la liste complète des composants d'origine et identifiez rapidement la pièce compatible.</p> 26 - DIRECTION ASSISTEE... <p>Vue éclatée 26 pour TGB BLADE 600 LTX ABS – retrouvez la liste complète des composants d'origine et identifiez rapidement la pièce compatible.</p> 26 - ECLAIRAGE AVANT <p>Vue éclatée 26 pour TGB LANDMAX 1000 – retrouvez la liste complète des composants d'origine et identifiez rapidement la pièce compatible.</p> 26 - SUPPORTS DIFFERENTIEL... <p>Vue éclatée 26 pour TGB BLADE 600 FLX – retrouvez la liste complète des composants d'origine et identifiez rapidement la pièce compatible.</p> 27 - COMPTEUR <p>Vue éclatée 27 pour TGB BLADE 550 FLX – retrouvez la liste complète des composants d'origine et identifiez rapidement la pièce compatible.</p> 27 - COMPTEUR <p>Vue éclatée 27 pour TGB BLADE 600 LTX ABS – retrouvez la liste complète des composants d'origine et identifiez rapidement la pièce compatible.</p> 27 - DIRECTION ASSISTEE... <p>Vue éclatée 27 pour TGB BLADE 600 FLX – retrouvez la liste complète des composants d'origine et identifiez rapidement la pièce compatible.</p> 27 - ECLAIRAGE ARRIERE <p>Vue éclatée 27 pour TGB LANDMAX 1000 – retrouvez la liste complète des composants d'origine et identifiez rapidement la pièce compatible.</p> 27 - ECLAIRAGE AVANT <p>Vue éclatée 27 pour TGB LANDMAX 1000 CAB – retrouvez la liste complète des composants d'origine et identifiez rapidement la pièce compatible.</p> Affichage 1-100 de 539 article(s) 1 2 3 … 6 Suivant Retour en haut
21 - SYSTEME ELECTRIQUE 2 <p>Vue éclatée 21 pour TGB LANDMAX 1000 CAB – retrouvez la liste complète des composants d'origine et identifiez rapidement la pièce compatible.</p> 22 - SYSTEME ELECTRIQUE 3 <p>Vue éclatée 22 pour TGB BLADE 550 FLX – retrouvez la liste complète des composants d'origine et identifiez rapidement la pièce compatible.</p> 22 - SYSTEME ELECTRIQUE 3 <p>Vue éclatée 22 pour TGB BLADE 600 FLX – retrouvez la liste complète des composants d'origine et identifiez rapidement la pièce compatible.</p> 22 - SYSTEME ELECTRIQUE 3 <p>Vue éclatée 22 pour TGB BLADE 600 LTX ABS – retrouvez la liste complète des composants d'origine et identifiez rapidement la pièce compatible.</p> 22 - SYSTEME ELECTRIQUE 3 <p>Vue éclatée 22 pour TGB LANDMAX 1000 – retrouvez la liste complète des composants d'origine et identifiez rapidement la pièce compatible.</p> 22 - SYSTEME ELECTRIQUE 3 <p>Vue éclatée 22 pour TGB LANDMAX 1000 CAB – retrouvez la liste complète des composants d'origine et identifiez rapidement la pièce compatible.</p> 23 - RELAIS SUPPORTS <p>Vue éclatée 23 pour TGB LANDMAX 1000 – retrouvez la liste complète des composants d'origine et identifiez rapidement la pièce compatible.</p> 23 - RELAIS SUPPORTS <p>Vue éclatée 23 pour TGB LANDMAX 1000 CAB – retrouvez la liste complète des composants d'origine et identifiez rapidement la pièce compatible.</p> 23 - SUPPORTS <p>Vue éclatée 23 pour TGB BLADE 550 FLX – retrouvez la liste complète des composants d'origine et identifiez rapidement la pièce compatible.</p> 23 - SUPPORTS <p>Vue éclatée 23 pour TGB BLADE 600 FLX – retrouvez la liste complète des composants d'origine et identifiez rapidement la pièce compatible.</p> 23 - SUPPORTS <p>Vue éclatée 23 pour TGB BLADE 600 LTX ABS – retrouvez la liste complète des composants d'origine et identifiez rapidement la pièce compatible.</p> 24 - CONTROLEUR... <p>Vue éclatée 24 pour TGB LANDMAX 1000 – retrouvez la liste complète des composants d'origine et identifiez rapidement la pièce compatible.</p> 24 - ECLAIRAGE INT MONITEUR... <p>Vue éclatée 24 pour TGB LANDMAX 1000 CAB – retrouvez la liste complète des composants d'origine et identifiez rapidement la pièce compatible.</p> 24 - SUPPORTS MOTEUR <p>Vue éclatée 24 pour TGB BLADE 550 FLX – retrouvez la liste complète des composants d'origine et identifiez rapidement la pièce compatible.</p> 24 - SUPPORTS MOTEUR <p>Vue éclatée 24 pour TGB BLADE 600 FLX – retrouvez la liste complète des composants d'origine et identifiez rapidement la pièce compatible.</p> 24 - SUPPORTS MOTEUR <p>Vue éclatée 24 pour TGB BLADE 600 LTX ABS – retrouvez la liste complète des composants d'origine et identifiez rapidement la pièce compatible.</p> 25 - COMPTEUR <p>Vue éclatée 25 pour TGB LANDMAX 1000 – retrouvez la liste complète des composants d'origine et identifiez rapidement la pièce compatible.</p> 25 - CONTROLEUR... <p>Vue éclatée 25 pour TGB LANDMAX 1000 CAB – retrouvez la liste complète des composants d'origine et identifiez rapidement la pièce compatible.</p> 25 - MOTEUR DE DIFFERENTIEL <p>Vue éclatée 25 pour TGB BLADE 550 FLX – retrouvez la liste complète des composants d'origine et identifiez rapidement la pièce compatible.</p> 25 - MOTEUR DE DIFFERENTIEL <p>Vue éclatée 25 pour TGB BLADE 600 FLX – retrouvez la liste complète des composants d'origine et identifiez rapidement la pièce compatible.</p> 25 - MOTEUR DE DIFFERENTIEL <p>Vue éclatée 25 pour TGB BLADE 600 LTX ABS – retrouvez la liste complète des composants d'origine et identifiez rapidement la pièce compatible.</p> 26 - COMPTEUR <p>Vue éclatée 26 pour TGB LANDMAX 1000 CAB – retrouvez la liste complète des composants d'origine et identifiez rapidement la pièce compatible.</p> 26 - DIRECTION ASSISTEE... <p>Vue éclatée 26 pour TGB BLADE 550 FLX – retrouvez la liste complète des composants d'origine et identifiez rapidement la pièce compatible.</p> 26 - DIRECTION ASSISTEE... <p>Vue éclatée 26 pour TGB BLADE 600 LTX ABS – retrouvez la liste complète des composants d'origine et identifiez rapidement la pièce compatible.</p> 26 - ECLAIRAGE AVANT <p>Vue éclatée 26 pour TGB LANDMAX 1000 – retrouvez la liste complète des composants d'origine et identifiez rapidement la pièce compatible.</p> 26 - SUPPORTS DIFFERENTIEL... <p>Vue éclatée 26 pour TGB BLADE 600 FLX – retrouvez la liste complète des composants d'origine et identifiez rapidement la pièce compatible.</p> 27 - COMPTEUR <p>Vue éclatée 27 pour TGB BLADE 550 FLX – retrouvez la liste complète des composants d'origine et identifiez rapidement la pièce compatible.</p> 27 - COMPTEUR <p>Vue éclatée 27 pour TGB BLADE 600 LTX ABS – retrouvez la liste complète des composants d'origine et identifiez rapidement la pièce compatible.</p> 27 - DIRECTION ASSISTEE... <p>Vue éclatée 27 pour TGB BLADE 600 FLX – retrouvez la liste complète des composants d'origine et identifiez rapidement la pièce compatible.</p> 27 - ECLAIRAGE ARRIERE <p>Vue éclatée 27 pour TGB LANDMAX 1000 – retrouvez la liste complète des composants d'origine et identifiez rapidement la pièce compatible.</p> 27 - ECLAIRAGE AVANT <p>Vue éclatée 27 pour TGB LANDMAX 1000 CAB – retrouvez la liste complète des composants d'origine et identifiez rapidement la pièce compatible.</p> Affichage 1-100 de 539 article(s) 1 2 3 … 6 Suivant Retour en haut
22 - SYSTEME ELECTRIQUE 3 <p>Vue éclatée 22 pour TGB BLADE 550 FLX – retrouvez la liste complète des composants d'origine et identifiez rapidement la pièce compatible.</p> 22 - SYSTEME ELECTRIQUE 3 <p>Vue éclatée 22 pour TGB BLADE 600 FLX – retrouvez la liste complète des composants d'origine et identifiez rapidement la pièce compatible.</p> 22 - SYSTEME ELECTRIQUE 3 <p>Vue éclatée 22 pour TGB BLADE 600 LTX ABS – retrouvez la liste complète des composants d'origine et identifiez rapidement la pièce compatible.</p> 22 - SYSTEME ELECTRIQUE 3 <p>Vue éclatée 22 pour TGB LANDMAX 1000 – retrouvez la liste complète des composants d'origine et identifiez rapidement la pièce compatible.</p> 22 - SYSTEME ELECTRIQUE 3 <p>Vue éclatée 22 pour TGB LANDMAX 1000 CAB – retrouvez la liste complète des composants d'origine et identifiez rapidement la pièce compatible.</p> 23 - RELAIS SUPPORTS <p>Vue éclatée 23 pour TGB LANDMAX 1000 – retrouvez la liste complète des composants d'origine et identifiez rapidement la pièce compatible.</p> 23 - RELAIS SUPPORTS <p>Vue éclatée 23 pour TGB LANDMAX 1000 CAB – retrouvez la liste complète des composants d'origine et identifiez rapidement la pièce compatible.</p> 23 - SUPPORTS <p>Vue éclatée 23 pour TGB BLADE 550 FLX – retrouvez la liste complète des composants d'origine et identifiez rapidement la pièce compatible.</p> 23 - SUPPORTS <p>Vue éclatée 23 pour TGB BLADE 600 FLX – retrouvez la liste complète des composants d'origine et identifiez rapidement la pièce compatible.</p> 23 - SUPPORTS <p>Vue éclatée 23 pour TGB BLADE 600 LTX ABS – retrouvez la liste complète des composants d'origine et identifiez rapidement la pièce compatible.</p> 24 - CONTROLEUR... <p>Vue éclatée 24 pour TGB LANDMAX 1000 – retrouvez la liste complète des composants d'origine et identifiez rapidement la pièce compatible.</p> 24 - ECLAIRAGE INT MONITEUR... <p>Vue éclatée 24 pour TGB LANDMAX 1000 CAB – retrouvez la liste complète des composants d'origine et identifiez rapidement la pièce compatible.</p> 24 - SUPPORTS MOTEUR <p>Vue éclatée 24 pour TGB BLADE 550 FLX – retrouvez la liste complète des composants d'origine et identifiez rapidement la pièce compatible.</p> 24 - SUPPORTS MOTEUR <p>Vue éclatée 24 pour TGB BLADE 600 FLX – retrouvez la liste complète des composants d'origine et identifiez rapidement la pièce compatible.</p> 24 - SUPPORTS MOTEUR <p>Vue éclatée 24 pour TGB BLADE 600 LTX ABS – retrouvez la liste complète des composants d'origine et identifiez rapidement la pièce compatible.</p> 25 - COMPTEUR <p>Vue éclatée 25 pour TGB LANDMAX 1000 – retrouvez la liste complète des composants d'origine et identifiez rapidement la pièce compatible.</p> 25 - CONTROLEUR... <p>Vue éclatée 25 pour TGB LANDMAX 1000 CAB – retrouvez la liste complète des composants d'origine et identifiez rapidement la pièce compatible.</p> 25 - MOTEUR DE DIFFERENTIEL <p>Vue éclatée 25 pour TGB BLADE 550 FLX – retrouvez la liste complète des composants d'origine et identifiez rapidement la pièce compatible.</p> 25 - MOTEUR DE DIFFERENTIEL <p>Vue éclatée 25 pour TGB BLADE 600 FLX – retrouvez la liste complète des composants d'origine et identifiez rapidement la pièce compatible.</p> 25 - MOTEUR DE DIFFERENTIEL <p>Vue éclatée 25 pour TGB BLADE 600 LTX ABS – retrouvez la liste complète des composants d'origine et identifiez rapidement la pièce compatible.</p> 26 - COMPTEUR <p>Vue éclatée 26 pour TGB LANDMAX 1000 CAB – retrouvez la liste complète des composants d'origine et identifiez rapidement la pièce compatible.</p> 26 - DIRECTION ASSISTEE... <p>Vue éclatée 26 pour TGB BLADE 550 FLX – retrouvez la liste complète des composants d'origine et identifiez rapidement la pièce compatible.</p> 26 - DIRECTION ASSISTEE... <p>Vue éclatée 26 pour TGB BLADE 600 LTX ABS – retrouvez la liste complète des composants d'origine et identifiez rapidement la pièce compatible.</p> 26 - ECLAIRAGE AVANT <p>Vue éclatée 26 pour TGB LANDMAX 1000 – retrouvez la liste complète des composants d'origine et identifiez rapidement la pièce compatible.</p> 26 - SUPPORTS DIFFERENTIEL... <p>Vue éclatée 26 pour TGB BLADE 600 FLX – retrouvez la liste complète des composants d'origine et identifiez rapidement la pièce compatible.</p> 27 - COMPTEUR <p>Vue éclatée 27 pour TGB BLADE 550 FLX – retrouvez la liste complète des composants d'origine et identifiez rapidement la pièce compatible.</p> 27 - COMPTEUR <p>Vue éclatée 27 pour TGB BLADE 600 LTX ABS – retrouvez la liste complète des composants d'origine et identifiez rapidement la pièce compatible.</p> 27 - DIRECTION ASSISTEE... <p>Vue éclatée 27 pour TGB BLADE 600 FLX – retrouvez la liste complète des composants d'origine et identifiez rapidement la pièce compatible.</p> 27 - ECLAIRAGE ARRIERE <p>Vue éclatée 27 pour TGB LANDMAX 1000 – retrouvez la liste complète des composants d'origine et identifiez rapidement la pièce compatible.</p> 27 - ECLAIRAGE AVANT <p>Vue éclatée 27 pour TGB LANDMAX 1000 CAB – retrouvez la liste complète des composants d'origine et identifiez rapidement la pièce compatible.</p> Affichage 1-100 de 539 article(s) 1 2 3 … 6 Suivant Retour en haut
22 - SYSTEME ELECTRIQUE 3 <p>Vue éclatée 22 pour TGB BLADE 600 FLX – retrouvez la liste complète des composants d'origine et identifiez rapidement la pièce compatible.</p> 22 - SYSTEME ELECTRIQUE 3 <p>Vue éclatée 22 pour TGB BLADE 600 LTX ABS – retrouvez la liste complète des composants d'origine et identifiez rapidement la pièce compatible.</p> 22 - SYSTEME ELECTRIQUE 3 <p>Vue éclatée 22 pour TGB LANDMAX 1000 – retrouvez la liste complète des composants d'origine et identifiez rapidement la pièce compatible.</p> 22 - SYSTEME ELECTRIQUE 3 <p>Vue éclatée 22 pour TGB LANDMAX 1000 CAB – retrouvez la liste complète des composants d'origine et identifiez rapidement la pièce compatible.</p> 23 - RELAIS SUPPORTS <p>Vue éclatée 23 pour TGB LANDMAX 1000 – retrouvez la liste complète des composants d'origine et identifiez rapidement la pièce compatible.</p> 23 - RELAIS SUPPORTS <p>Vue éclatée 23 pour TGB LANDMAX 1000 CAB – retrouvez la liste complète des composants d'origine et identifiez rapidement la pièce compatible.</p> 23 - SUPPORTS <p>Vue éclatée 23 pour TGB BLADE 550 FLX – retrouvez la liste complète des composants d'origine et identifiez rapidement la pièce compatible.</p> 23 - SUPPORTS <p>Vue éclatée 23 pour TGB BLADE 600 FLX – retrouvez la liste complète des composants d'origine et identifiez rapidement la pièce compatible.</p> 23 - SUPPORTS <p>Vue éclatée 23 pour TGB BLADE 600 LTX ABS – retrouvez la liste complète des composants d'origine et identifiez rapidement la pièce compatible.</p> 24 - CONTROLEUR... <p>Vue éclatée 24 pour TGB LANDMAX 1000 – retrouvez la liste complète des composants d'origine et identifiez rapidement la pièce compatible.</p> 24 - ECLAIRAGE INT MONITEUR... <p>Vue éclatée 24 pour TGB LANDMAX 1000 CAB – retrouvez la liste complète des composants d'origine et identifiez rapidement la pièce compatible.</p> 24 - SUPPORTS MOTEUR <p>Vue éclatée 24 pour TGB BLADE 550 FLX – retrouvez la liste complète des composants d'origine et identifiez rapidement la pièce compatible.</p> 24 - SUPPORTS MOTEUR <p>Vue éclatée 24 pour TGB BLADE 600 FLX – retrouvez la liste complète des composants d'origine et identifiez rapidement la pièce compatible.</p> 24 - SUPPORTS MOTEUR <p>Vue éclatée 24 pour TGB BLADE 600 LTX ABS – retrouvez la liste complète des composants d'origine et identifiez rapidement la pièce compatible.</p> 25 - COMPTEUR <p>Vue éclatée 25 pour TGB LANDMAX 1000 – retrouvez la liste complète des composants d'origine et identifiez rapidement la pièce compatible.</p> 25 - CONTROLEUR... <p>Vue éclatée 25 pour TGB LANDMAX 1000 CAB – retrouvez la liste complète des composants d'origine et identifiez rapidement la pièce compatible.</p> 25 - MOTEUR DE DIFFERENTIEL <p>Vue éclatée 25 pour TGB BLADE 550 FLX – retrouvez la liste complète des composants d'origine et identifiez rapidement la pièce compatible.</p> 25 - MOTEUR DE DIFFERENTIEL <p>Vue éclatée 25 pour TGB BLADE 600 FLX – retrouvez la liste complète des composants d'origine et identifiez rapidement la pièce compatible.</p> 25 - MOTEUR DE DIFFERENTIEL <p>Vue éclatée 25 pour TGB BLADE 600 LTX ABS – retrouvez la liste complète des composants d'origine et identifiez rapidement la pièce compatible.</p> 26 - COMPTEUR <p>Vue éclatée 26 pour TGB LANDMAX 1000 CAB – retrouvez la liste complète des composants d'origine et identifiez rapidement la pièce compatible.</p> 26 - DIRECTION ASSISTEE... <p>Vue éclatée 26 pour TGB BLADE 550 FLX – retrouvez la liste complète des composants d'origine et identifiez rapidement la pièce compatible.</p> 26 - DIRECTION ASSISTEE... <p>Vue éclatée 26 pour TGB BLADE 600 LTX ABS – retrouvez la liste complète des composants d'origine et identifiez rapidement la pièce compatible.</p> 26 - ECLAIRAGE AVANT <p>Vue éclatée 26 pour TGB LANDMAX 1000 – retrouvez la liste complète des composants d'origine et identifiez rapidement la pièce compatible.</p> 26 - SUPPORTS DIFFERENTIEL... <p>Vue éclatée 26 pour TGB BLADE 600 FLX – retrouvez la liste complète des composants d'origine et identifiez rapidement la pièce compatible.</p> 27 - COMPTEUR <p>Vue éclatée 27 pour TGB BLADE 550 FLX – retrouvez la liste complète des composants d'origine et identifiez rapidement la pièce compatible.</p> 27 - COMPTEUR <p>Vue éclatée 27 pour TGB BLADE 600 LTX ABS – retrouvez la liste complète des composants d'origine et identifiez rapidement la pièce compatible.</p> 27 - DIRECTION ASSISTEE... <p>Vue éclatée 27 pour TGB BLADE 600 FLX – retrouvez la liste complète des composants d'origine et identifiez rapidement la pièce compatible.</p> 27 - ECLAIRAGE ARRIERE <p>Vue éclatée 27 pour TGB LANDMAX 1000 – retrouvez la liste complète des composants d'origine et identifiez rapidement la pièce compatible.</p> 27 - ECLAIRAGE AVANT <p>Vue éclatée 27 pour TGB LANDMAX 1000 CAB – retrouvez la liste complète des composants d'origine et identifiez rapidement la pièce compatible.</p> Affichage 1-100 de 539 article(s) 1 2 3 … 6 Suivant Retour en haut
22 - SYSTEME ELECTRIQUE 3 <p>Vue éclatée 22 pour TGB BLADE 600 LTX ABS – retrouvez la liste complète des composants d'origine et identifiez rapidement la pièce compatible.</p> 22 - SYSTEME ELECTRIQUE 3 <p>Vue éclatée 22 pour TGB LANDMAX 1000 – retrouvez la liste complète des composants d'origine et identifiez rapidement la pièce compatible.</p> 22 - SYSTEME ELECTRIQUE 3 <p>Vue éclatée 22 pour TGB LANDMAX 1000 CAB – retrouvez la liste complète des composants d'origine et identifiez rapidement la pièce compatible.</p> 23 - RELAIS SUPPORTS <p>Vue éclatée 23 pour TGB LANDMAX 1000 – retrouvez la liste complète des composants d'origine et identifiez rapidement la pièce compatible.</p> 23 - RELAIS SUPPORTS <p>Vue éclatée 23 pour TGB LANDMAX 1000 CAB – retrouvez la liste complète des composants d'origine et identifiez rapidement la pièce compatible.</p> 23 - SUPPORTS <p>Vue éclatée 23 pour TGB BLADE 550 FLX – retrouvez la liste complète des composants d'origine et identifiez rapidement la pièce compatible.</p> 23 - SUPPORTS <p>Vue éclatée 23 pour TGB BLADE 600 FLX – retrouvez la liste complète des composants d'origine et identifiez rapidement la pièce compatible.</p> 23 - SUPPORTS <p>Vue éclatée 23 pour TGB BLADE 600 LTX ABS – retrouvez la liste complète des composants d'origine et identifiez rapidement la pièce compatible.</p> 24 - CONTROLEUR... <p>Vue éclatée 24 pour TGB LANDMAX 1000 – retrouvez la liste complète des composants d'origine et identifiez rapidement la pièce compatible.</p> 24 - ECLAIRAGE INT MONITEUR... <p>Vue éclatée 24 pour TGB LANDMAX 1000 CAB – retrouvez la liste complète des composants d'origine et identifiez rapidement la pièce compatible.</p> 24 - SUPPORTS MOTEUR <p>Vue éclatée 24 pour TGB BLADE 550 FLX – retrouvez la liste complète des composants d'origine et identifiez rapidement la pièce compatible.</p> 24 - SUPPORTS MOTEUR <p>Vue éclatée 24 pour TGB BLADE 600 FLX – retrouvez la liste complète des composants d'origine et identifiez rapidement la pièce compatible.</p> 24 - SUPPORTS MOTEUR <p>Vue éclatée 24 pour TGB BLADE 600 LTX ABS – retrouvez la liste complète des composants d'origine et identifiez rapidement la pièce compatible.</p> 25 - COMPTEUR <p>Vue éclatée 25 pour TGB LANDMAX 1000 – retrouvez la liste complète des composants d'origine et identifiez rapidement la pièce compatible.</p> 25 - CONTROLEUR... <p>Vue éclatée 25 pour TGB LANDMAX 1000 CAB – retrouvez la liste complète des composants d'origine et identifiez rapidement la pièce compatible.</p> 25 - MOTEUR DE DIFFERENTIEL <p>Vue éclatée 25 pour TGB BLADE 550 FLX – retrouvez la liste complète des composants d'origine et identifiez rapidement la pièce compatible.</p> 25 - MOTEUR DE DIFFERENTIEL <p>Vue éclatée 25 pour TGB BLADE 600 FLX – retrouvez la liste complète des composants d'origine et identifiez rapidement la pièce compatible.</p> 25 - MOTEUR DE DIFFERENTIEL <p>Vue éclatée 25 pour TGB BLADE 600 LTX ABS – retrouvez la liste complète des composants d'origine et identifiez rapidement la pièce compatible.</p> 26 - COMPTEUR <p>Vue éclatée 26 pour TGB LANDMAX 1000 CAB – retrouvez la liste complète des composants d'origine et identifiez rapidement la pièce compatible.</p> 26 - DIRECTION ASSISTEE... <p>Vue éclatée 26 pour TGB BLADE 550 FLX – retrouvez la liste complète des composants d'origine et identifiez rapidement la pièce compatible.</p> 26 - DIRECTION ASSISTEE... <p>Vue éclatée 26 pour TGB BLADE 600 LTX ABS – retrouvez la liste complète des composants d'origine et identifiez rapidement la pièce compatible.</p> 26 - ECLAIRAGE AVANT <p>Vue éclatée 26 pour TGB LANDMAX 1000 – retrouvez la liste complète des composants d'origine et identifiez rapidement la pièce compatible.</p> 26 - SUPPORTS DIFFERENTIEL... <p>Vue éclatée 26 pour TGB BLADE 600 FLX – retrouvez la liste complète des composants d'origine et identifiez rapidement la pièce compatible.</p> 27 - COMPTEUR <p>Vue éclatée 27 pour TGB BLADE 550 FLX – retrouvez la liste complète des composants d'origine et identifiez rapidement la pièce compatible.</p> 27 - COMPTEUR <p>Vue éclatée 27 pour TGB BLADE 600 LTX ABS – retrouvez la liste complète des composants d'origine et identifiez rapidement la pièce compatible.</p> 27 - DIRECTION ASSISTEE... <p>Vue éclatée 27 pour TGB BLADE 600 FLX – retrouvez la liste complète des composants d'origine et identifiez rapidement la pièce compatible.</p> 27 - ECLAIRAGE ARRIERE <p>Vue éclatée 27 pour TGB LANDMAX 1000 – retrouvez la liste complète des composants d'origine et identifiez rapidement la pièce compatible.</p> 27 - ECLAIRAGE AVANT <p>Vue éclatée 27 pour TGB LANDMAX 1000 CAB – retrouvez la liste complète des composants d'origine et identifiez rapidement la pièce compatible.</p> Affichage 1-100 de 539 article(s) 1 2 3 … 6 Suivant Retour en haut
22 - SYSTEME ELECTRIQUE 3 <p>Vue éclatée 22 pour TGB LANDMAX 1000 – retrouvez la liste complète des composants d'origine et identifiez rapidement la pièce compatible.</p> 22 - SYSTEME ELECTRIQUE 3 <p>Vue éclatée 22 pour TGB LANDMAX 1000 CAB – retrouvez la liste complète des composants d'origine et identifiez rapidement la pièce compatible.</p> 23 - RELAIS SUPPORTS <p>Vue éclatée 23 pour TGB LANDMAX 1000 – retrouvez la liste complète des composants d'origine et identifiez rapidement la pièce compatible.</p> 23 - RELAIS SUPPORTS <p>Vue éclatée 23 pour TGB LANDMAX 1000 CAB – retrouvez la liste complète des composants d'origine et identifiez rapidement la pièce compatible.</p> 23 - SUPPORTS <p>Vue éclatée 23 pour TGB BLADE 550 FLX – retrouvez la liste complète des composants d'origine et identifiez rapidement la pièce compatible.</p> 23 - SUPPORTS <p>Vue éclatée 23 pour TGB BLADE 600 FLX – retrouvez la liste complète des composants d'origine et identifiez rapidement la pièce compatible.</p> 23 - SUPPORTS <p>Vue éclatée 23 pour TGB BLADE 600 LTX ABS – retrouvez la liste complète des composants d'origine et identifiez rapidement la pièce compatible.</p> 24 - CONTROLEUR... <p>Vue éclatée 24 pour TGB LANDMAX 1000 – retrouvez la liste complète des composants d'origine et identifiez rapidement la pièce compatible.</p> 24 - ECLAIRAGE INT MONITEUR... <p>Vue éclatée 24 pour TGB LANDMAX 1000 CAB – retrouvez la liste complète des composants d'origine et identifiez rapidement la pièce compatible.</p> 24 - SUPPORTS MOTEUR <p>Vue éclatée 24 pour TGB BLADE 550 FLX – retrouvez la liste complète des composants d'origine et identifiez rapidement la pièce compatible.</p> 24 - SUPPORTS MOTEUR <p>Vue éclatée 24 pour TGB BLADE 600 FLX – retrouvez la liste complète des composants d'origine et identifiez rapidement la pièce compatible.</p> 24 - SUPPORTS MOTEUR <p>Vue éclatée 24 pour TGB BLADE 600 LTX ABS – retrouvez la liste complète des composants d'origine et identifiez rapidement la pièce compatible.</p> 25 - COMPTEUR <p>Vue éclatée 25 pour TGB LANDMAX 1000 – retrouvez la liste complète des composants d'origine et identifiez rapidement la pièce compatible.</p> 25 - CONTROLEUR... <p>Vue éclatée 25 pour TGB LANDMAX 1000 CAB – retrouvez la liste complète des composants d'origine et identifiez rapidement la pièce compatible.</p> 25 - MOTEUR DE DIFFERENTIEL <p>Vue éclatée 25 pour TGB BLADE 550 FLX – retrouvez la liste complète des composants d'origine et identifiez rapidement la pièce compatible.</p> 25 - MOTEUR DE DIFFERENTIEL <p>Vue éclatée 25 pour TGB BLADE 600 FLX – retrouvez la liste complète des composants d'origine et identifiez rapidement la pièce compatible.</p> 25 - MOTEUR DE DIFFERENTIEL <p>Vue éclatée 25 pour TGB BLADE 600 LTX ABS – retrouvez la liste complète des composants d'origine et identifiez rapidement la pièce compatible.</p> 26 - COMPTEUR <p>Vue éclatée 26 pour TGB LANDMAX 1000 CAB – retrouvez la liste complète des composants d'origine et identifiez rapidement la pièce compatible.</p> 26 - DIRECTION ASSISTEE... <p>Vue éclatée 26 pour TGB BLADE 550 FLX – retrouvez la liste complète des composants d'origine et identifiez rapidement la pièce compatible.</p> 26 - DIRECTION ASSISTEE... <p>Vue éclatée 26 pour TGB BLADE 600 LTX ABS – retrouvez la liste complète des composants d'origine et identifiez rapidement la pièce compatible.</p> 26 - ECLAIRAGE AVANT <p>Vue éclatée 26 pour TGB LANDMAX 1000 – retrouvez la liste complète des composants d'origine et identifiez rapidement la pièce compatible.</p> 26 - SUPPORTS DIFFERENTIEL... <p>Vue éclatée 26 pour TGB BLADE 600 FLX – retrouvez la liste complète des composants d'origine et identifiez rapidement la pièce compatible.</p> 27 - COMPTEUR <p>Vue éclatée 27 pour TGB BLADE 550 FLX – retrouvez la liste complète des composants d'origine et identifiez rapidement la pièce compatible.</p> 27 - COMPTEUR <p>Vue éclatée 27 pour TGB BLADE 600 LTX ABS – retrouvez la liste complète des composants d'origine et identifiez rapidement la pièce compatible.</p> 27 - DIRECTION ASSISTEE... <p>Vue éclatée 27 pour TGB BLADE 600 FLX – retrouvez la liste complète des composants d'origine et identifiez rapidement la pièce compatible.</p> 27 - ECLAIRAGE ARRIERE <p>Vue éclatée 27 pour TGB LANDMAX 1000 – retrouvez la liste complète des composants d'origine et identifiez rapidement la pièce compatible.</p> 27 - ECLAIRAGE AVANT <p>Vue éclatée 27 pour TGB LANDMAX 1000 CAB – retrouvez la liste complète des composants d'origine et identifiez rapidement la pièce compatible.</p> Affichage 1-100 de 539 article(s) 1 2 3 … 6 Suivant Retour en haut
22 - SYSTEME ELECTRIQUE 3 <p>Vue éclatée 22 pour TGB LANDMAX 1000 CAB – retrouvez la liste complète des composants d'origine et identifiez rapidement la pièce compatible.</p> 23 - RELAIS SUPPORTS <p>Vue éclatée 23 pour TGB LANDMAX 1000 – retrouvez la liste complète des composants d'origine et identifiez rapidement la pièce compatible.</p> 23 - RELAIS SUPPORTS <p>Vue éclatée 23 pour TGB LANDMAX 1000 CAB – retrouvez la liste complète des composants d'origine et identifiez rapidement la pièce compatible.</p> 23 - SUPPORTS <p>Vue éclatée 23 pour TGB BLADE 550 FLX – retrouvez la liste complète des composants d'origine et identifiez rapidement la pièce compatible.</p> 23 - SUPPORTS <p>Vue éclatée 23 pour TGB BLADE 600 FLX – retrouvez la liste complète des composants d'origine et identifiez rapidement la pièce compatible.</p> 23 - SUPPORTS <p>Vue éclatée 23 pour TGB BLADE 600 LTX ABS – retrouvez la liste complète des composants d'origine et identifiez rapidement la pièce compatible.</p> 24 - CONTROLEUR... <p>Vue éclatée 24 pour TGB LANDMAX 1000 – retrouvez la liste complète des composants d'origine et identifiez rapidement la pièce compatible.</p> 24 - ECLAIRAGE INT MONITEUR... <p>Vue éclatée 24 pour TGB LANDMAX 1000 CAB – retrouvez la liste complète des composants d'origine et identifiez rapidement la pièce compatible.</p> 24 - SUPPORTS MOTEUR <p>Vue éclatée 24 pour TGB BLADE 550 FLX – retrouvez la liste complète des composants d'origine et identifiez rapidement la pièce compatible.</p> 24 - SUPPORTS MOTEUR <p>Vue éclatée 24 pour TGB BLADE 600 FLX – retrouvez la liste complète des composants d'origine et identifiez rapidement la pièce compatible.</p> 24 - SUPPORTS MOTEUR <p>Vue éclatée 24 pour TGB BLADE 600 LTX ABS – retrouvez la liste complète des composants d'origine et identifiez rapidement la pièce compatible.</p> 25 - COMPTEUR <p>Vue éclatée 25 pour TGB LANDMAX 1000 – retrouvez la liste complète des composants d'origine et identifiez rapidement la pièce compatible.</p> 25 - CONTROLEUR... <p>Vue éclatée 25 pour TGB LANDMAX 1000 CAB – retrouvez la liste complète des composants d'origine et identifiez rapidement la pièce compatible.</p> 25 - MOTEUR DE DIFFERENTIEL <p>Vue éclatée 25 pour TGB BLADE 550 FLX – retrouvez la liste complète des composants d'origine et identifiez rapidement la pièce compatible.</p> 25 - MOTEUR DE DIFFERENTIEL <p>Vue éclatée 25 pour TGB BLADE 600 FLX – retrouvez la liste complète des composants d'origine et identifiez rapidement la pièce compatible.</p> 25 - MOTEUR DE DIFFERENTIEL <p>Vue éclatée 25 pour TGB BLADE 600 LTX ABS – retrouvez la liste complète des composants d'origine et identifiez rapidement la pièce compatible.</p> 26 - COMPTEUR <p>Vue éclatée 26 pour TGB LANDMAX 1000 CAB – retrouvez la liste complète des composants d'origine et identifiez rapidement la pièce compatible.</p> 26 - DIRECTION ASSISTEE... <p>Vue éclatée 26 pour TGB BLADE 550 FLX – retrouvez la liste complète des composants d'origine et identifiez rapidement la pièce compatible.</p> 26 - DIRECTION ASSISTEE... <p>Vue éclatée 26 pour TGB BLADE 600 LTX ABS – retrouvez la liste complète des composants d'origine et identifiez rapidement la pièce compatible.</p> 26 - ECLAIRAGE AVANT <p>Vue éclatée 26 pour TGB LANDMAX 1000 – retrouvez la liste complète des composants d'origine et identifiez rapidement la pièce compatible.</p> 26 - SUPPORTS DIFFERENTIEL... <p>Vue éclatée 26 pour TGB BLADE 600 FLX – retrouvez la liste complète des composants d'origine et identifiez rapidement la pièce compatible.</p> 27 - COMPTEUR <p>Vue éclatée 27 pour TGB BLADE 550 FLX – retrouvez la liste complète des composants d'origine et identifiez rapidement la pièce compatible.</p> 27 - COMPTEUR <p>Vue éclatée 27 pour TGB BLADE 600 LTX ABS – retrouvez la liste complète des composants d'origine et identifiez rapidement la pièce compatible.</p> 27 - DIRECTION ASSISTEE... <p>Vue éclatée 27 pour TGB BLADE 600 FLX – retrouvez la liste complète des composants d'origine et identifiez rapidement la pièce compatible.</p> 27 - ECLAIRAGE ARRIERE <p>Vue éclatée 27 pour TGB LANDMAX 1000 – retrouvez la liste complète des composants d'origine et identifiez rapidement la pièce compatible.</p> 27 - ECLAIRAGE AVANT <p>Vue éclatée 27 pour TGB LANDMAX 1000 CAB – retrouvez la liste complète des composants d'origine et identifiez rapidement la pièce compatible.</p> Affichage 1-100 de 539 article(s) 1 2 3 … 6 Suivant Retour en haut
23 - RELAIS SUPPORTS <p>Vue éclatée 23 pour TGB LANDMAX 1000 – retrouvez la liste complète des composants d'origine et identifiez rapidement la pièce compatible.</p> 23 - RELAIS SUPPORTS <p>Vue éclatée 23 pour TGB LANDMAX 1000 CAB – retrouvez la liste complète des composants d'origine et identifiez rapidement la pièce compatible.</p> 23 - SUPPORTS <p>Vue éclatée 23 pour TGB BLADE 550 FLX – retrouvez la liste complète des composants d'origine et identifiez rapidement la pièce compatible.</p> 23 - SUPPORTS <p>Vue éclatée 23 pour TGB BLADE 600 FLX – retrouvez la liste complète des composants d'origine et identifiez rapidement la pièce compatible.</p> 23 - SUPPORTS <p>Vue éclatée 23 pour TGB BLADE 600 LTX ABS – retrouvez la liste complète des composants d'origine et identifiez rapidement la pièce compatible.</p> 24 - CONTROLEUR... <p>Vue éclatée 24 pour TGB LANDMAX 1000 – retrouvez la liste complète des composants d'origine et identifiez rapidement la pièce compatible.</p> 24 - ECLAIRAGE INT MONITEUR... <p>Vue éclatée 24 pour TGB LANDMAX 1000 CAB – retrouvez la liste complète des composants d'origine et identifiez rapidement la pièce compatible.</p> 24 - SUPPORTS MOTEUR <p>Vue éclatée 24 pour TGB BLADE 550 FLX – retrouvez la liste complète des composants d'origine et identifiez rapidement la pièce compatible.</p> 24 - SUPPORTS MOTEUR <p>Vue éclatée 24 pour TGB BLADE 600 FLX – retrouvez la liste complète des composants d'origine et identifiez rapidement la pièce compatible.</p> 24 - SUPPORTS MOTEUR <p>Vue éclatée 24 pour TGB BLADE 600 LTX ABS – retrouvez la liste complète des composants d'origine et identifiez rapidement la pièce compatible.</p> 25 - COMPTEUR <p>Vue éclatée 25 pour TGB LANDMAX 1000 – retrouvez la liste complète des composants d'origine et identifiez rapidement la pièce compatible.</p> 25 - CONTROLEUR... <p>Vue éclatée 25 pour TGB LANDMAX 1000 CAB – retrouvez la liste complète des composants d'origine et identifiez rapidement la pièce compatible.</p> 25 - MOTEUR DE DIFFERENTIEL <p>Vue éclatée 25 pour TGB BLADE 550 FLX – retrouvez la liste complète des composants d'origine et identifiez rapidement la pièce compatible.</p> 25 - MOTEUR DE DIFFERENTIEL <p>Vue éclatée 25 pour TGB BLADE 600 FLX – retrouvez la liste complète des composants d'origine et identifiez rapidement la pièce compatible.</p> 25 - MOTEUR DE DIFFERENTIEL <p>Vue éclatée 25 pour TGB BLADE 600 LTX ABS – retrouvez la liste complète des composants d'origine et identifiez rapidement la pièce compatible.</p> 26 - COMPTEUR <p>Vue éclatée 26 pour TGB LANDMAX 1000 CAB – retrouvez la liste complète des composants d'origine et identifiez rapidement la pièce compatible.</p> 26 - DIRECTION ASSISTEE... <p>Vue éclatée 26 pour TGB BLADE 550 FLX – retrouvez la liste complète des composants d'origine et identifiez rapidement la pièce compatible.</p> 26 - DIRECTION ASSISTEE... <p>Vue éclatée 26 pour TGB BLADE 600 LTX ABS – retrouvez la liste complète des composants d'origine et identifiez rapidement la pièce compatible.</p> 26 - ECLAIRAGE AVANT <p>Vue éclatée 26 pour TGB LANDMAX 1000 – retrouvez la liste complète des composants d'origine et identifiez rapidement la pièce compatible.</p> 26 - SUPPORTS DIFFERENTIEL... <p>Vue éclatée 26 pour TGB BLADE 600 FLX – retrouvez la liste complète des composants d'origine et identifiez rapidement la pièce compatible.</p> 27 - COMPTEUR <p>Vue éclatée 27 pour TGB BLADE 550 FLX – retrouvez la liste complète des composants d'origine et identifiez rapidement la pièce compatible.</p> 27 - COMPTEUR <p>Vue éclatée 27 pour TGB BLADE 600 LTX ABS – retrouvez la liste complète des composants d'origine et identifiez rapidement la pièce compatible.</p> 27 - DIRECTION ASSISTEE... <p>Vue éclatée 27 pour TGB BLADE 600 FLX – retrouvez la liste complète des composants d'origine et identifiez rapidement la pièce compatible.</p> 27 - ECLAIRAGE ARRIERE <p>Vue éclatée 27 pour TGB LANDMAX 1000 – retrouvez la liste complète des composants d'origine et identifiez rapidement la pièce compatible.</p> 27 - ECLAIRAGE AVANT <p>Vue éclatée 27 pour TGB LANDMAX 1000 CAB – retrouvez la liste complète des composants d'origine et identifiez rapidement la pièce compatible.</p> Affichage 1-100 de 539 article(s) 1 2 3 … 6 Suivant Retour en haut
23 - RELAIS SUPPORTS <p>Vue éclatée 23 pour TGB LANDMAX 1000 CAB – retrouvez la liste complète des composants d'origine et identifiez rapidement la pièce compatible.</p> 23 - SUPPORTS <p>Vue éclatée 23 pour TGB BLADE 550 FLX – retrouvez la liste complète des composants d'origine et identifiez rapidement la pièce compatible.</p> 23 - SUPPORTS <p>Vue éclatée 23 pour TGB BLADE 600 FLX – retrouvez la liste complète des composants d'origine et identifiez rapidement la pièce compatible.</p> 23 - SUPPORTS <p>Vue éclatée 23 pour TGB BLADE 600 LTX ABS – retrouvez la liste complète des composants d'origine et identifiez rapidement la pièce compatible.</p> 24 - CONTROLEUR... <p>Vue éclatée 24 pour TGB LANDMAX 1000 – retrouvez la liste complète des composants d'origine et identifiez rapidement la pièce compatible.</p> 24 - ECLAIRAGE INT MONITEUR... <p>Vue éclatée 24 pour TGB LANDMAX 1000 CAB – retrouvez la liste complète des composants d'origine et identifiez rapidement la pièce compatible.</p> 24 - SUPPORTS MOTEUR <p>Vue éclatée 24 pour TGB BLADE 550 FLX – retrouvez la liste complète des composants d'origine et identifiez rapidement la pièce compatible.</p> 24 - SUPPORTS MOTEUR <p>Vue éclatée 24 pour TGB BLADE 600 FLX – retrouvez la liste complète des composants d'origine et identifiez rapidement la pièce compatible.</p> 24 - SUPPORTS MOTEUR <p>Vue éclatée 24 pour TGB BLADE 600 LTX ABS – retrouvez la liste complète des composants d'origine et identifiez rapidement la pièce compatible.</p> 25 - COMPTEUR <p>Vue éclatée 25 pour TGB LANDMAX 1000 – retrouvez la liste complète des composants d'origine et identifiez rapidement la pièce compatible.</p> 25 - CONTROLEUR... <p>Vue éclatée 25 pour TGB LANDMAX 1000 CAB – retrouvez la liste complète des composants d'origine et identifiez rapidement la pièce compatible.</p> 25 - MOTEUR DE DIFFERENTIEL <p>Vue éclatée 25 pour TGB BLADE 550 FLX – retrouvez la liste complète des composants d'origine et identifiez rapidement la pièce compatible.</p> 25 - MOTEUR DE DIFFERENTIEL <p>Vue éclatée 25 pour TGB BLADE 600 FLX – retrouvez la liste complète des composants d'origine et identifiez rapidement la pièce compatible.</p> 25 - MOTEUR DE DIFFERENTIEL <p>Vue éclatée 25 pour TGB BLADE 600 LTX ABS – retrouvez la liste complète des composants d'origine et identifiez rapidement la pièce compatible.</p> 26 - COMPTEUR <p>Vue éclatée 26 pour TGB LANDMAX 1000 CAB – retrouvez la liste complète des composants d'origine et identifiez rapidement la pièce compatible.</p> 26 - DIRECTION ASSISTEE... <p>Vue éclatée 26 pour TGB BLADE 550 FLX – retrouvez la liste complète des composants d'origine et identifiez rapidement la pièce compatible.</p> 26 - DIRECTION ASSISTEE... <p>Vue éclatée 26 pour TGB BLADE 600 LTX ABS – retrouvez la liste complète des composants d'origine et identifiez rapidement la pièce compatible.</p> 26 - ECLAIRAGE AVANT <p>Vue éclatée 26 pour TGB LANDMAX 1000 – retrouvez la liste complète des composants d'origine et identifiez rapidement la pièce compatible.</p> 26 - SUPPORTS DIFFERENTIEL... <p>Vue éclatée 26 pour TGB BLADE 600 FLX – retrouvez la liste complète des composants d'origine et identifiez rapidement la pièce compatible.</p> 27 - COMPTEUR <p>Vue éclatée 27 pour TGB BLADE 550 FLX – retrouvez la liste complète des composants d'origine et identifiez rapidement la pièce compatible.</p> 27 - COMPTEUR <p>Vue éclatée 27 pour TGB BLADE 600 LTX ABS – retrouvez la liste complète des composants d'origine et identifiez rapidement la pièce compatible.</p> 27 - DIRECTION ASSISTEE... <p>Vue éclatée 27 pour TGB BLADE 600 FLX – retrouvez la liste complète des composants d'origine et identifiez rapidement la pièce compatible.</p> 27 - ECLAIRAGE ARRIERE <p>Vue éclatée 27 pour TGB LANDMAX 1000 – retrouvez la liste complète des composants d'origine et identifiez rapidement la pièce compatible.</p> 27 - ECLAIRAGE AVANT <p>Vue éclatée 27 pour TGB LANDMAX 1000 CAB – retrouvez la liste complète des composants d'origine et identifiez rapidement la pièce compatible.</p> Affichage 1-100 de 539 article(s) 1 2 3 … 6 Suivant Retour en haut
23 - SUPPORTS <p>Vue éclatée 23 pour TGB BLADE 550 FLX – retrouvez la liste complète des composants d'origine et identifiez rapidement la pièce compatible.</p> 23 - SUPPORTS <p>Vue éclatée 23 pour TGB BLADE 600 FLX – retrouvez la liste complète des composants d'origine et identifiez rapidement la pièce compatible.</p> 23 - SUPPORTS <p>Vue éclatée 23 pour TGB BLADE 600 LTX ABS – retrouvez la liste complète des composants d'origine et identifiez rapidement la pièce compatible.</p> 24 - CONTROLEUR... <p>Vue éclatée 24 pour TGB LANDMAX 1000 – retrouvez la liste complète des composants d'origine et identifiez rapidement la pièce compatible.</p> 24 - ECLAIRAGE INT MONITEUR... <p>Vue éclatée 24 pour TGB LANDMAX 1000 CAB – retrouvez la liste complète des composants d'origine et identifiez rapidement la pièce compatible.</p> 24 - SUPPORTS MOTEUR <p>Vue éclatée 24 pour TGB BLADE 550 FLX – retrouvez la liste complète des composants d'origine et identifiez rapidement la pièce compatible.</p> 24 - SUPPORTS MOTEUR <p>Vue éclatée 24 pour TGB BLADE 600 FLX – retrouvez la liste complète des composants d'origine et identifiez rapidement la pièce compatible.</p> 24 - SUPPORTS MOTEUR <p>Vue éclatée 24 pour TGB BLADE 600 LTX ABS – retrouvez la liste complète des composants d'origine et identifiez rapidement la pièce compatible.</p> 25 - COMPTEUR <p>Vue éclatée 25 pour TGB LANDMAX 1000 – retrouvez la liste complète des composants d'origine et identifiez rapidement la pièce compatible.</p> 25 - CONTROLEUR... <p>Vue éclatée 25 pour TGB LANDMAX 1000 CAB – retrouvez la liste complète des composants d'origine et identifiez rapidement la pièce compatible.</p> 25 - MOTEUR DE DIFFERENTIEL <p>Vue éclatée 25 pour TGB BLADE 550 FLX – retrouvez la liste complète des composants d'origine et identifiez rapidement la pièce compatible.</p> 25 - MOTEUR DE DIFFERENTIEL <p>Vue éclatée 25 pour TGB BLADE 600 FLX – retrouvez la liste complète des composants d'origine et identifiez rapidement la pièce compatible.</p> 25 - MOTEUR DE DIFFERENTIEL <p>Vue éclatée 25 pour TGB BLADE 600 LTX ABS – retrouvez la liste complète des composants d'origine et identifiez rapidement la pièce compatible.</p> 26 - COMPTEUR <p>Vue éclatée 26 pour TGB LANDMAX 1000 CAB – retrouvez la liste complète des composants d'origine et identifiez rapidement la pièce compatible.</p> 26 - DIRECTION ASSISTEE... <p>Vue éclatée 26 pour TGB BLADE 550 FLX – retrouvez la liste complète des composants d'origine et identifiez rapidement la pièce compatible.</p> 26 - DIRECTION ASSISTEE... <p>Vue éclatée 26 pour TGB BLADE 600 LTX ABS – retrouvez la liste complète des composants d'origine et identifiez rapidement la pièce compatible.</p> 26 - ECLAIRAGE AVANT <p>Vue éclatée 26 pour TGB LANDMAX 1000 – retrouvez la liste complète des composants d'origine et identifiez rapidement la pièce compatible.</p> 26 - SUPPORTS DIFFERENTIEL... <p>Vue éclatée 26 pour TGB BLADE 600 FLX – retrouvez la liste complète des composants d'origine et identifiez rapidement la pièce compatible.</p> 27 - COMPTEUR <p>Vue éclatée 27 pour TGB BLADE 550 FLX – retrouvez la liste complète des composants d'origine et identifiez rapidement la pièce compatible.</p> 27 - COMPTEUR <p>Vue éclatée 27 pour TGB BLADE 600 LTX ABS – retrouvez la liste complète des composants d'origine et identifiez rapidement la pièce compatible.</p> 27 - DIRECTION ASSISTEE... <p>Vue éclatée 27 pour TGB BLADE 600 FLX – retrouvez la liste complète des composants d'origine et identifiez rapidement la pièce compatible.</p> 27 - ECLAIRAGE ARRIERE <p>Vue éclatée 27 pour TGB LANDMAX 1000 – retrouvez la liste complète des composants d'origine et identifiez rapidement la pièce compatible.</p> 27 - ECLAIRAGE AVANT <p>Vue éclatée 27 pour TGB LANDMAX 1000 CAB – retrouvez la liste complète des composants d'origine et identifiez rapidement la pièce compatible.</p> Affichage 1-100 de 539 article(s) 1 2 3 … 6 Suivant Retour en haut
23 - SUPPORTS <p>Vue éclatée 23 pour TGB BLADE 600 FLX – retrouvez la liste complète des composants d'origine et identifiez rapidement la pièce compatible.</p> 23 - SUPPORTS <p>Vue éclatée 23 pour TGB BLADE 600 LTX ABS – retrouvez la liste complète des composants d'origine et identifiez rapidement la pièce compatible.</p> 24 - CONTROLEUR... <p>Vue éclatée 24 pour TGB LANDMAX 1000 – retrouvez la liste complète des composants d'origine et identifiez rapidement la pièce compatible.</p> 24 - ECLAIRAGE INT MONITEUR... <p>Vue éclatée 24 pour TGB LANDMAX 1000 CAB – retrouvez la liste complète des composants d'origine et identifiez rapidement la pièce compatible.</p> 24 - SUPPORTS MOTEUR <p>Vue éclatée 24 pour TGB BLADE 550 FLX – retrouvez la liste complète des composants d'origine et identifiez rapidement la pièce compatible.</p> 24 - SUPPORTS MOTEUR <p>Vue éclatée 24 pour TGB BLADE 600 FLX – retrouvez la liste complète des composants d'origine et identifiez rapidement la pièce compatible.</p> 24 - SUPPORTS MOTEUR <p>Vue éclatée 24 pour TGB BLADE 600 LTX ABS – retrouvez la liste complète des composants d'origine et identifiez rapidement la pièce compatible.</p> 25 - COMPTEUR <p>Vue éclatée 25 pour TGB LANDMAX 1000 – retrouvez la liste complète des composants d'origine et identifiez rapidement la pièce compatible.</p> 25 - CONTROLEUR... <p>Vue éclatée 25 pour TGB LANDMAX 1000 CAB – retrouvez la liste complète des composants d'origine et identifiez rapidement la pièce compatible.</p> 25 - MOTEUR DE DIFFERENTIEL <p>Vue éclatée 25 pour TGB BLADE 550 FLX – retrouvez la liste complète des composants d'origine et identifiez rapidement la pièce compatible.</p> 25 - MOTEUR DE DIFFERENTIEL <p>Vue éclatée 25 pour TGB BLADE 600 FLX – retrouvez la liste complète des composants d'origine et identifiez rapidement la pièce compatible.</p> 25 - MOTEUR DE DIFFERENTIEL <p>Vue éclatée 25 pour TGB BLADE 600 LTX ABS – retrouvez la liste complète des composants d'origine et identifiez rapidement la pièce compatible.</p> 26 - COMPTEUR <p>Vue éclatée 26 pour TGB LANDMAX 1000 CAB – retrouvez la liste complète des composants d'origine et identifiez rapidement la pièce compatible.</p> 26 - DIRECTION ASSISTEE... <p>Vue éclatée 26 pour TGB BLADE 550 FLX – retrouvez la liste complète des composants d'origine et identifiez rapidement la pièce compatible.</p> 26 - DIRECTION ASSISTEE... <p>Vue éclatée 26 pour TGB BLADE 600 LTX ABS – retrouvez la liste complète des composants d'origine et identifiez rapidement la pièce compatible.</p> 26 - ECLAIRAGE AVANT <p>Vue éclatée 26 pour TGB LANDMAX 1000 – retrouvez la liste complète des composants d'origine et identifiez rapidement la pièce compatible.</p> 26 - SUPPORTS DIFFERENTIEL... <p>Vue éclatée 26 pour TGB BLADE 600 FLX – retrouvez la liste complète des composants d'origine et identifiez rapidement la pièce compatible.</p> 27 - COMPTEUR <p>Vue éclatée 27 pour TGB BLADE 550 FLX – retrouvez la liste complète des composants d'origine et identifiez rapidement la pièce compatible.</p> 27 - COMPTEUR <p>Vue éclatée 27 pour TGB BLADE 600 LTX ABS – retrouvez la liste complète des composants d'origine et identifiez rapidement la pièce compatible.</p> 27 - DIRECTION ASSISTEE... <p>Vue éclatée 27 pour TGB BLADE 600 FLX – retrouvez la liste complète des composants d'origine et identifiez rapidement la pièce compatible.</p> 27 - ECLAIRAGE ARRIERE <p>Vue éclatée 27 pour TGB LANDMAX 1000 – retrouvez la liste complète des composants d'origine et identifiez rapidement la pièce compatible.</p> 27 - ECLAIRAGE AVANT <p>Vue éclatée 27 pour TGB LANDMAX 1000 CAB – retrouvez la liste complète des composants d'origine et identifiez rapidement la pièce compatible.</p> Affichage 1-100 de 539 article(s) 1 2 3 … 6 Suivant Retour en haut
23 - SUPPORTS <p>Vue éclatée 23 pour TGB BLADE 600 LTX ABS – retrouvez la liste complète des composants d'origine et identifiez rapidement la pièce compatible.</p> 24 - CONTROLEUR... <p>Vue éclatée 24 pour TGB LANDMAX 1000 – retrouvez la liste complète des composants d'origine et identifiez rapidement la pièce compatible.</p> 24 - ECLAIRAGE INT MONITEUR... <p>Vue éclatée 24 pour TGB LANDMAX 1000 CAB – retrouvez la liste complète des composants d'origine et identifiez rapidement la pièce compatible.</p> 24 - SUPPORTS MOTEUR <p>Vue éclatée 24 pour TGB BLADE 550 FLX – retrouvez la liste complète des composants d'origine et identifiez rapidement la pièce compatible.</p> 24 - SUPPORTS MOTEUR <p>Vue éclatée 24 pour TGB BLADE 600 FLX – retrouvez la liste complète des composants d'origine et identifiez rapidement la pièce compatible.</p> 24 - SUPPORTS MOTEUR <p>Vue éclatée 24 pour TGB BLADE 600 LTX ABS – retrouvez la liste complète des composants d'origine et identifiez rapidement la pièce compatible.</p> 25 - COMPTEUR <p>Vue éclatée 25 pour TGB LANDMAX 1000 – retrouvez la liste complète des composants d'origine et identifiez rapidement la pièce compatible.</p> 25 - CONTROLEUR... <p>Vue éclatée 25 pour TGB LANDMAX 1000 CAB – retrouvez la liste complète des composants d'origine et identifiez rapidement la pièce compatible.</p> 25 - MOTEUR DE DIFFERENTIEL <p>Vue éclatée 25 pour TGB BLADE 550 FLX – retrouvez la liste complète des composants d'origine et identifiez rapidement la pièce compatible.</p> 25 - MOTEUR DE DIFFERENTIEL <p>Vue éclatée 25 pour TGB BLADE 600 FLX – retrouvez la liste complète des composants d'origine et identifiez rapidement la pièce compatible.</p> 25 - MOTEUR DE DIFFERENTIEL <p>Vue éclatée 25 pour TGB BLADE 600 LTX ABS – retrouvez la liste complète des composants d'origine et identifiez rapidement la pièce compatible.</p> 26 - COMPTEUR <p>Vue éclatée 26 pour TGB LANDMAX 1000 CAB – retrouvez la liste complète des composants d'origine et identifiez rapidement la pièce compatible.</p> 26 - DIRECTION ASSISTEE... <p>Vue éclatée 26 pour TGB BLADE 550 FLX – retrouvez la liste complète des composants d'origine et identifiez rapidement la pièce compatible.</p> 26 - DIRECTION ASSISTEE... <p>Vue éclatée 26 pour TGB BLADE 600 LTX ABS – retrouvez la liste complète des composants d'origine et identifiez rapidement la pièce compatible.</p> 26 - ECLAIRAGE AVANT <p>Vue éclatée 26 pour TGB LANDMAX 1000 – retrouvez la liste complète des composants d'origine et identifiez rapidement la pièce compatible.</p> 26 - SUPPORTS DIFFERENTIEL... <p>Vue éclatée 26 pour TGB BLADE 600 FLX – retrouvez la liste complète des composants d'origine et identifiez rapidement la pièce compatible.</p> 27 - COMPTEUR <p>Vue éclatée 27 pour TGB BLADE 550 FLX – retrouvez la liste complète des composants d'origine et identifiez rapidement la pièce compatible.</p> 27 - COMPTEUR <p>Vue éclatée 27 pour TGB BLADE 600 LTX ABS – retrouvez la liste complète des composants d'origine et identifiez rapidement la pièce compatible.</p> 27 - DIRECTION ASSISTEE... <p>Vue éclatée 27 pour TGB BLADE 600 FLX – retrouvez la liste complète des composants d'origine et identifiez rapidement la pièce compatible.</p> 27 - ECLAIRAGE ARRIERE <p>Vue éclatée 27 pour TGB LANDMAX 1000 – retrouvez la liste complète des composants d'origine et identifiez rapidement la pièce compatible.</p> 27 - ECLAIRAGE AVANT <p>Vue éclatée 27 pour TGB LANDMAX 1000 CAB – retrouvez la liste complète des composants d'origine et identifiez rapidement la pièce compatible.</p> Affichage 1-100 de 539 article(s) 1 2 3 … 6 Suivant Retour en haut
24 - CONTROLEUR... <p>Vue éclatée 24 pour TGB LANDMAX 1000 – retrouvez la liste complète des composants d'origine et identifiez rapidement la pièce compatible.</p> 24 - ECLAIRAGE INT MONITEUR... <p>Vue éclatée 24 pour TGB LANDMAX 1000 CAB – retrouvez la liste complète des composants d'origine et identifiez rapidement la pièce compatible.</p> 24 - SUPPORTS MOTEUR <p>Vue éclatée 24 pour TGB BLADE 550 FLX – retrouvez la liste complète des composants d'origine et identifiez rapidement la pièce compatible.</p> 24 - SUPPORTS MOTEUR <p>Vue éclatée 24 pour TGB BLADE 600 FLX – retrouvez la liste complète des composants d'origine et identifiez rapidement la pièce compatible.</p> 24 - SUPPORTS MOTEUR <p>Vue éclatée 24 pour TGB BLADE 600 LTX ABS – retrouvez la liste complète des composants d'origine et identifiez rapidement la pièce compatible.</p> 25 - COMPTEUR <p>Vue éclatée 25 pour TGB LANDMAX 1000 – retrouvez la liste complète des composants d'origine et identifiez rapidement la pièce compatible.</p> 25 - CONTROLEUR... <p>Vue éclatée 25 pour TGB LANDMAX 1000 CAB – retrouvez la liste complète des composants d'origine et identifiez rapidement la pièce compatible.</p> 25 - MOTEUR DE DIFFERENTIEL <p>Vue éclatée 25 pour TGB BLADE 550 FLX – retrouvez la liste complète des composants d'origine et identifiez rapidement la pièce compatible.</p> 25 - MOTEUR DE DIFFERENTIEL <p>Vue éclatée 25 pour TGB BLADE 600 FLX – retrouvez la liste complète des composants d'origine et identifiez rapidement la pièce compatible.</p> 25 - MOTEUR DE DIFFERENTIEL <p>Vue éclatée 25 pour TGB BLADE 600 LTX ABS – retrouvez la liste complète des composants d'origine et identifiez rapidement la pièce compatible.</p> 26 - COMPTEUR <p>Vue éclatée 26 pour TGB LANDMAX 1000 CAB – retrouvez la liste complète des composants d'origine et identifiez rapidement la pièce compatible.</p> 26 - DIRECTION ASSISTEE... <p>Vue éclatée 26 pour TGB BLADE 550 FLX – retrouvez la liste complète des composants d'origine et identifiez rapidement la pièce compatible.</p> 26 - DIRECTION ASSISTEE... <p>Vue éclatée 26 pour TGB BLADE 600 LTX ABS – retrouvez la liste complète des composants d'origine et identifiez rapidement la pièce compatible.</p> 26 - ECLAIRAGE AVANT <p>Vue éclatée 26 pour TGB LANDMAX 1000 – retrouvez la liste complète des composants d'origine et identifiez rapidement la pièce compatible.</p> 26 - SUPPORTS DIFFERENTIEL... <p>Vue éclatée 26 pour TGB BLADE 600 FLX – retrouvez la liste complète des composants d'origine et identifiez rapidement la pièce compatible.</p> 27 - COMPTEUR <p>Vue éclatée 27 pour TGB BLADE 550 FLX – retrouvez la liste complète des composants d'origine et identifiez rapidement la pièce compatible.</p> 27 - COMPTEUR <p>Vue éclatée 27 pour TGB BLADE 600 LTX ABS – retrouvez la liste complète des composants d'origine et identifiez rapidement la pièce compatible.</p> 27 - DIRECTION ASSISTEE... <p>Vue éclatée 27 pour TGB BLADE 600 FLX – retrouvez la liste complète des composants d'origine et identifiez rapidement la pièce compatible.</p> 27 - ECLAIRAGE ARRIERE <p>Vue éclatée 27 pour TGB LANDMAX 1000 – retrouvez la liste complète des composants d'origine et identifiez rapidement la pièce compatible.</p> 27 - ECLAIRAGE AVANT <p>Vue éclatée 27 pour TGB LANDMAX 1000 CAB – retrouvez la liste complète des composants d'origine et identifiez rapidement la pièce compatible.</p> Affichage 1-100 de 539 article(s) 1 2 3 … 6 Suivant Retour en haut
24 - ECLAIRAGE INT MONITEUR... <p>Vue éclatée 24 pour TGB LANDMAX 1000 CAB – retrouvez la liste complète des composants d'origine et identifiez rapidement la pièce compatible.</p> 24 - SUPPORTS MOTEUR <p>Vue éclatée 24 pour TGB BLADE 550 FLX – retrouvez la liste complète des composants d'origine et identifiez rapidement la pièce compatible.</p> 24 - SUPPORTS MOTEUR <p>Vue éclatée 24 pour TGB BLADE 600 FLX – retrouvez la liste complète des composants d'origine et identifiez rapidement la pièce compatible.</p> 24 - SUPPORTS MOTEUR <p>Vue éclatée 24 pour TGB BLADE 600 LTX ABS – retrouvez la liste complète des composants d'origine et identifiez rapidement la pièce compatible.</p> 25 - COMPTEUR <p>Vue éclatée 25 pour TGB LANDMAX 1000 – retrouvez la liste complète des composants d'origine et identifiez rapidement la pièce compatible.</p> 25 - CONTROLEUR... <p>Vue éclatée 25 pour TGB LANDMAX 1000 CAB – retrouvez la liste complète des composants d'origine et identifiez rapidement la pièce compatible.</p> 25 - MOTEUR DE DIFFERENTIEL <p>Vue éclatée 25 pour TGB BLADE 550 FLX – retrouvez la liste complète des composants d'origine et identifiez rapidement la pièce compatible.</p> 25 - MOTEUR DE DIFFERENTIEL <p>Vue éclatée 25 pour TGB BLADE 600 FLX – retrouvez la liste complète des composants d'origine et identifiez rapidement la pièce compatible.</p> 25 - MOTEUR DE DIFFERENTIEL <p>Vue éclatée 25 pour TGB BLADE 600 LTX ABS – retrouvez la liste complète des composants d'origine et identifiez rapidement la pièce compatible.</p> 26 - COMPTEUR <p>Vue éclatée 26 pour TGB LANDMAX 1000 CAB – retrouvez la liste complète des composants d'origine et identifiez rapidement la pièce compatible.</p> 26 - DIRECTION ASSISTEE... <p>Vue éclatée 26 pour TGB BLADE 550 FLX – retrouvez la liste complète des composants d'origine et identifiez rapidement la pièce compatible.</p> 26 - DIRECTION ASSISTEE... <p>Vue éclatée 26 pour TGB BLADE 600 LTX ABS – retrouvez la liste complète des composants d'origine et identifiez rapidement la pièce compatible.</p> 26 - ECLAIRAGE AVANT <p>Vue éclatée 26 pour TGB LANDMAX 1000 – retrouvez la liste complète des composants d'origine et identifiez rapidement la pièce compatible.</p> 26 - SUPPORTS DIFFERENTIEL... <p>Vue éclatée 26 pour TGB BLADE 600 FLX – retrouvez la liste complète des composants d'origine et identifiez rapidement la pièce compatible.</p> 27 - COMPTEUR <p>Vue éclatée 27 pour TGB BLADE 550 FLX – retrouvez la liste complète des composants d'origine et identifiez rapidement la pièce compatible.</p> 27 - COMPTEUR <p>Vue éclatée 27 pour TGB BLADE 600 LTX ABS – retrouvez la liste complète des composants d'origine et identifiez rapidement la pièce compatible.</p> 27 - DIRECTION ASSISTEE... <p>Vue éclatée 27 pour TGB BLADE 600 FLX – retrouvez la liste complète des composants d'origine et identifiez rapidement la pièce compatible.</p> 27 - ECLAIRAGE ARRIERE <p>Vue éclatée 27 pour TGB LANDMAX 1000 – retrouvez la liste complète des composants d'origine et identifiez rapidement la pièce compatible.</p> 27 - ECLAIRAGE AVANT <p>Vue éclatée 27 pour TGB LANDMAX 1000 CAB – retrouvez la liste complète des composants d'origine et identifiez rapidement la pièce compatible.</p> Affichage 1-100 de 539 article(s) 1 2 3 … 6 Suivant Retour en haut
24 - SUPPORTS MOTEUR <p>Vue éclatée 24 pour TGB BLADE 550 FLX – retrouvez la liste complète des composants d'origine et identifiez rapidement la pièce compatible.</p> 24 - SUPPORTS MOTEUR <p>Vue éclatée 24 pour TGB BLADE 600 FLX – retrouvez la liste complète des composants d'origine et identifiez rapidement la pièce compatible.</p> 24 - SUPPORTS MOTEUR <p>Vue éclatée 24 pour TGB BLADE 600 LTX ABS – retrouvez la liste complète des composants d'origine et identifiez rapidement la pièce compatible.</p> 25 - COMPTEUR <p>Vue éclatée 25 pour TGB LANDMAX 1000 – retrouvez la liste complète des composants d'origine et identifiez rapidement la pièce compatible.</p> 25 - CONTROLEUR... <p>Vue éclatée 25 pour TGB LANDMAX 1000 CAB – retrouvez la liste complète des composants d'origine et identifiez rapidement la pièce compatible.</p> 25 - MOTEUR DE DIFFERENTIEL <p>Vue éclatée 25 pour TGB BLADE 550 FLX – retrouvez la liste complète des composants d'origine et identifiez rapidement la pièce compatible.</p> 25 - MOTEUR DE DIFFERENTIEL <p>Vue éclatée 25 pour TGB BLADE 600 FLX – retrouvez la liste complète des composants d'origine et identifiez rapidement la pièce compatible.</p> 25 - MOTEUR DE DIFFERENTIEL <p>Vue éclatée 25 pour TGB BLADE 600 LTX ABS – retrouvez la liste complète des composants d'origine et identifiez rapidement la pièce compatible.</p> 26 - COMPTEUR <p>Vue éclatée 26 pour TGB LANDMAX 1000 CAB – retrouvez la liste complète des composants d'origine et identifiez rapidement la pièce compatible.</p> 26 - DIRECTION ASSISTEE... <p>Vue éclatée 26 pour TGB BLADE 550 FLX – retrouvez la liste complète des composants d'origine et identifiez rapidement la pièce compatible.</p> 26 - DIRECTION ASSISTEE... <p>Vue éclatée 26 pour TGB BLADE 600 LTX ABS – retrouvez la liste complète des composants d'origine et identifiez rapidement la pièce compatible.</p> 26 - ECLAIRAGE AVANT <p>Vue éclatée 26 pour TGB LANDMAX 1000 – retrouvez la liste complète des composants d'origine et identifiez rapidement la pièce compatible.</p> 26 - SUPPORTS DIFFERENTIEL... <p>Vue éclatée 26 pour TGB BLADE 600 FLX – retrouvez la liste complète des composants d'origine et identifiez rapidement la pièce compatible.</p> 27 - COMPTEUR <p>Vue éclatée 27 pour TGB BLADE 550 FLX – retrouvez la liste complète des composants d'origine et identifiez rapidement la pièce compatible.</p> 27 - COMPTEUR <p>Vue éclatée 27 pour TGB BLADE 600 LTX ABS – retrouvez la liste complète des composants d'origine et identifiez rapidement la pièce compatible.</p> 27 - DIRECTION ASSISTEE... <p>Vue éclatée 27 pour TGB BLADE 600 FLX – retrouvez la liste complète des composants d'origine et identifiez rapidement la pièce compatible.</p> 27 - ECLAIRAGE ARRIERE <p>Vue éclatée 27 pour TGB LANDMAX 1000 – retrouvez la liste complète des composants d'origine et identifiez rapidement la pièce compatible.</p> 27 - ECLAIRAGE AVANT <p>Vue éclatée 27 pour TGB LANDMAX 1000 CAB – retrouvez la liste complète des composants d'origine et identifiez rapidement la pièce compatible.</p> Affichage 1-100 de 539 article(s) 1 2 3 … 6 Suivant Retour en haut
24 - SUPPORTS MOTEUR <p>Vue éclatée 24 pour TGB BLADE 600 FLX – retrouvez la liste complète des composants d'origine et identifiez rapidement la pièce compatible.</p> 24 - SUPPORTS MOTEUR <p>Vue éclatée 24 pour TGB BLADE 600 LTX ABS – retrouvez la liste complète des composants d'origine et identifiez rapidement la pièce compatible.</p> 25 - COMPTEUR <p>Vue éclatée 25 pour TGB LANDMAX 1000 – retrouvez la liste complète des composants d'origine et identifiez rapidement la pièce compatible.</p> 25 - CONTROLEUR... <p>Vue éclatée 25 pour TGB LANDMAX 1000 CAB – retrouvez la liste complète des composants d'origine et identifiez rapidement la pièce compatible.</p> 25 - MOTEUR DE DIFFERENTIEL <p>Vue éclatée 25 pour TGB BLADE 550 FLX – retrouvez la liste complète des composants d'origine et identifiez rapidement la pièce compatible.</p> 25 - MOTEUR DE DIFFERENTIEL <p>Vue éclatée 25 pour TGB BLADE 600 FLX – retrouvez la liste complète des composants d'origine et identifiez rapidement la pièce compatible.</p> 25 - MOTEUR DE DIFFERENTIEL <p>Vue éclatée 25 pour TGB BLADE 600 LTX ABS – retrouvez la liste complète des composants d'origine et identifiez rapidement la pièce compatible.</p> 26 - COMPTEUR <p>Vue éclatée 26 pour TGB LANDMAX 1000 CAB – retrouvez la liste complète des composants d'origine et identifiez rapidement la pièce compatible.</p> 26 - DIRECTION ASSISTEE... <p>Vue éclatée 26 pour TGB BLADE 550 FLX – retrouvez la liste complète des composants d'origine et identifiez rapidement la pièce compatible.</p> 26 - DIRECTION ASSISTEE... <p>Vue éclatée 26 pour TGB BLADE 600 LTX ABS – retrouvez la liste complète des composants d'origine et identifiez rapidement la pièce compatible.</p> 26 - ECLAIRAGE AVANT <p>Vue éclatée 26 pour TGB LANDMAX 1000 – retrouvez la liste complète des composants d'origine et identifiez rapidement la pièce compatible.</p> 26 - SUPPORTS DIFFERENTIEL... <p>Vue éclatée 26 pour TGB BLADE 600 FLX – retrouvez la liste complète des composants d'origine et identifiez rapidement la pièce compatible.</p> 27 - COMPTEUR <p>Vue éclatée 27 pour TGB BLADE 550 FLX – retrouvez la liste complète des composants d'origine et identifiez rapidement la pièce compatible.</p> 27 - COMPTEUR <p>Vue éclatée 27 pour TGB BLADE 600 LTX ABS – retrouvez la liste complète des composants d'origine et identifiez rapidement la pièce compatible.</p> 27 - DIRECTION ASSISTEE... <p>Vue éclatée 27 pour TGB BLADE 600 FLX – retrouvez la liste complète des composants d'origine et identifiez rapidement la pièce compatible.</p> 27 - ECLAIRAGE ARRIERE <p>Vue éclatée 27 pour TGB LANDMAX 1000 – retrouvez la liste complète des composants d'origine et identifiez rapidement la pièce compatible.</p> 27 - ECLAIRAGE AVANT <p>Vue éclatée 27 pour TGB LANDMAX 1000 CAB – retrouvez la liste complète des composants d'origine et identifiez rapidement la pièce compatible.</p> Affichage 1-100 de 539 article(s) 1 2 3 … 6 Suivant Retour en haut
24 - SUPPORTS MOTEUR <p>Vue éclatée 24 pour TGB BLADE 600 LTX ABS – retrouvez la liste complète des composants d'origine et identifiez rapidement la pièce compatible.</p> 25 - COMPTEUR <p>Vue éclatée 25 pour TGB LANDMAX 1000 – retrouvez la liste complète des composants d'origine et identifiez rapidement la pièce compatible.</p> 25 - CONTROLEUR... <p>Vue éclatée 25 pour TGB LANDMAX 1000 CAB – retrouvez la liste complète des composants d'origine et identifiez rapidement la pièce compatible.</p> 25 - MOTEUR DE DIFFERENTIEL <p>Vue éclatée 25 pour TGB BLADE 550 FLX – retrouvez la liste complète des composants d'origine et identifiez rapidement la pièce compatible.</p> 25 - MOTEUR DE DIFFERENTIEL <p>Vue éclatée 25 pour TGB BLADE 600 FLX – retrouvez la liste complète des composants d'origine et identifiez rapidement la pièce compatible.</p> 25 - MOTEUR DE DIFFERENTIEL <p>Vue éclatée 25 pour TGB BLADE 600 LTX ABS – retrouvez la liste complète des composants d'origine et identifiez rapidement la pièce compatible.</p> 26 - COMPTEUR <p>Vue éclatée 26 pour TGB LANDMAX 1000 CAB – retrouvez la liste complète des composants d'origine et identifiez rapidement la pièce compatible.</p> 26 - DIRECTION ASSISTEE... <p>Vue éclatée 26 pour TGB BLADE 550 FLX – retrouvez la liste complète des composants d'origine et identifiez rapidement la pièce compatible.</p> 26 - DIRECTION ASSISTEE... <p>Vue éclatée 26 pour TGB BLADE 600 LTX ABS – retrouvez la liste complète des composants d'origine et identifiez rapidement la pièce compatible.</p> 26 - ECLAIRAGE AVANT <p>Vue éclatée 26 pour TGB LANDMAX 1000 – retrouvez la liste complète des composants d'origine et identifiez rapidement la pièce compatible.</p> 26 - SUPPORTS DIFFERENTIEL... <p>Vue éclatée 26 pour TGB BLADE 600 FLX – retrouvez la liste complète des composants d'origine et identifiez rapidement la pièce compatible.</p> 27 - COMPTEUR <p>Vue éclatée 27 pour TGB BLADE 550 FLX – retrouvez la liste complète des composants d'origine et identifiez rapidement la pièce compatible.</p> 27 - COMPTEUR <p>Vue éclatée 27 pour TGB BLADE 600 LTX ABS – retrouvez la liste complète des composants d'origine et identifiez rapidement la pièce compatible.</p> 27 - DIRECTION ASSISTEE... <p>Vue éclatée 27 pour TGB BLADE 600 FLX – retrouvez la liste complète des composants d'origine et identifiez rapidement la pièce compatible.</p> 27 - ECLAIRAGE ARRIERE <p>Vue éclatée 27 pour TGB LANDMAX 1000 – retrouvez la liste complète des composants d'origine et identifiez rapidement la pièce compatible.</p> 27 - ECLAIRAGE AVANT <p>Vue éclatée 27 pour TGB LANDMAX 1000 CAB – retrouvez la liste complète des composants d'origine et identifiez rapidement la pièce compatible.</p> Affichage 1-100 de 539 article(s) 1 2 3 … 6 Suivant Retour en haut
25 - COMPTEUR <p>Vue éclatée 25 pour TGB LANDMAX 1000 – retrouvez la liste complète des composants d'origine et identifiez rapidement la pièce compatible.</p> 25 - CONTROLEUR... <p>Vue éclatée 25 pour TGB LANDMAX 1000 CAB – retrouvez la liste complète des composants d'origine et identifiez rapidement la pièce compatible.</p> 25 - MOTEUR DE DIFFERENTIEL <p>Vue éclatée 25 pour TGB BLADE 550 FLX – retrouvez la liste complète des composants d'origine et identifiez rapidement la pièce compatible.</p> 25 - MOTEUR DE DIFFERENTIEL <p>Vue éclatée 25 pour TGB BLADE 600 FLX – retrouvez la liste complète des composants d'origine et identifiez rapidement la pièce compatible.</p> 25 - MOTEUR DE DIFFERENTIEL <p>Vue éclatée 25 pour TGB BLADE 600 LTX ABS – retrouvez la liste complète des composants d'origine et identifiez rapidement la pièce compatible.</p> 26 - COMPTEUR <p>Vue éclatée 26 pour TGB LANDMAX 1000 CAB – retrouvez la liste complète des composants d'origine et identifiez rapidement la pièce compatible.</p> 26 - DIRECTION ASSISTEE... <p>Vue éclatée 26 pour TGB BLADE 550 FLX – retrouvez la liste complète des composants d'origine et identifiez rapidement la pièce compatible.</p> 26 - DIRECTION ASSISTEE... <p>Vue éclatée 26 pour TGB BLADE 600 LTX ABS – retrouvez la liste complète des composants d'origine et identifiez rapidement la pièce compatible.</p> 26 - ECLAIRAGE AVANT <p>Vue éclatée 26 pour TGB LANDMAX 1000 – retrouvez la liste complète des composants d'origine et identifiez rapidement la pièce compatible.</p> 26 - SUPPORTS DIFFERENTIEL... <p>Vue éclatée 26 pour TGB BLADE 600 FLX – retrouvez la liste complète des composants d'origine et identifiez rapidement la pièce compatible.</p> 27 - COMPTEUR <p>Vue éclatée 27 pour TGB BLADE 550 FLX – retrouvez la liste complète des composants d'origine et identifiez rapidement la pièce compatible.</p> 27 - COMPTEUR <p>Vue éclatée 27 pour TGB BLADE 600 LTX ABS – retrouvez la liste complète des composants d'origine et identifiez rapidement la pièce compatible.</p> 27 - DIRECTION ASSISTEE... <p>Vue éclatée 27 pour TGB BLADE 600 FLX – retrouvez la liste complète des composants d'origine et identifiez rapidement la pièce compatible.</p> 27 - ECLAIRAGE ARRIERE <p>Vue éclatée 27 pour TGB LANDMAX 1000 – retrouvez la liste complète des composants d'origine et identifiez rapidement la pièce compatible.</p> 27 - ECLAIRAGE AVANT <p>Vue éclatée 27 pour TGB LANDMAX 1000 CAB – retrouvez la liste complète des composants d'origine et identifiez rapidement la pièce compatible.</p> Affichage 1-100 de 539 article(s) 1 2 3 … 6 Suivant Retour en haut
25 - CONTROLEUR... <p>Vue éclatée 25 pour TGB LANDMAX 1000 CAB – retrouvez la liste complète des composants d'origine et identifiez rapidement la pièce compatible.</p> 25 - MOTEUR DE DIFFERENTIEL <p>Vue éclatée 25 pour TGB BLADE 550 FLX – retrouvez la liste complète des composants d'origine et identifiez rapidement la pièce compatible.</p> 25 - MOTEUR DE DIFFERENTIEL <p>Vue éclatée 25 pour TGB BLADE 600 FLX – retrouvez la liste complète des composants d'origine et identifiez rapidement la pièce compatible.</p> 25 - MOTEUR DE DIFFERENTIEL <p>Vue éclatée 25 pour TGB BLADE 600 LTX ABS – retrouvez la liste complète des composants d'origine et identifiez rapidement la pièce compatible.</p> 26 - COMPTEUR <p>Vue éclatée 26 pour TGB LANDMAX 1000 CAB – retrouvez la liste complète des composants d'origine et identifiez rapidement la pièce compatible.</p> 26 - DIRECTION ASSISTEE... <p>Vue éclatée 26 pour TGB BLADE 550 FLX – retrouvez la liste complète des composants d'origine et identifiez rapidement la pièce compatible.</p> 26 - DIRECTION ASSISTEE... <p>Vue éclatée 26 pour TGB BLADE 600 LTX ABS – retrouvez la liste complète des composants d'origine et identifiez rapidement la pièce compatible.</p> 26 - ECLAIRAGE AVANT <p>Vue éclatée 26 pour TGB LANDMAX 1000 – retrouvez la liste complète des composants d'origine et identifiez rapidement la pièce compatible.</p> 26 - SUPPORTS DIFFERENTIEL... <p>Vue éclatée 26 pour TGB BLADE 600 FLX – retrouvez la liste complète des composants d'origine et identifiez rapidement la pièce compatible.</p> 27 - COMPTEUR <p>Vue éclatée 27 pour TGB BLADE 550 FLX – retrouvez la liste complète des composants d'origine et identifiez rapidement la pièce compatible.</p> 27 - COMPTEUR <p>Vue éclatée 27 pour TGB BLADE 600 LTX ABS – retrouvez la liste complète des composants d'origine et identifiez rapidement la pièce compatible.</p> 27 - DIRECTION ASSISTEE... <p>Vue éclatée 27 pour TGB BLADE 600 FLX – retrouvez la liste complète des composants d'origine et identifiez rapidement la pièce compatible.</p> 27 - ECLAIRAGE ARRIERE <p>Vue éclatée 27 pour TGB LANDMAX 1000 – retrouvez la liste complète des composants d'origine et identifiez rapidement la pièce compatible.</p> 27 - ECLAIRAGE AVANT <p>Vue éclatée 27 pour TGB LANDMAX 1000 CAB – retrouvez la liste complète des composants d'origine et identifiez rapidement la pièce compatible.</p> Affichage 1-100 de 539 article(s) 1 2 3 … 6 Suivant Retour en haut
25 - MOTEUR DE DIFFERENTIEL <p>Vue éclatée 25 pour TGB BLADE 550 FLX – retrouvez la liste complète des composants d'origine et identifiez rapidement la pièce compatible.</p> 25 - MOTEUR DE DIFFERENTIEL <p>Vue éclatée 25 pour TGB BLADE 600 FLX – retrouvez la liste complète des composants d'origine et identifiez rapidement la pièce compatible.</p> 25 - MOTEUR DE DIFFERENTIEL <p>Vue éclatée 25 pour TGB BLADE 600 LTX ABS – retrouvez la liste complète des composants d'origine et identifiez rapidement la pièce compatible.</p> 26 - COMPTEUR <p>Vue éclatée 26 pour TGB LANDMAX 1000 CAB – retrouvez la liste complète des composants d'origine et identifiez rapidement la pièce compatible.</p> 26 - DIRECTION ASSISTEE... <p>Vue éclatée 26 pour TGB BLADE 550 FLX – retrouvez la liste complète des composants d'origine et identifiez rapidement la pièce compatible.</p> 26 - DIRECTION ASSISTEE... <p>Vue éclatée 26 pour TGB BLADE 600 LTX ABS – retrouvez la liste complète des composants d'origine et identifiez rapidement la pièce compatible.</p> 26 - ECLAIRAGE AVANT <p>Vue éclatée 26 pour TGB LANDMAX 1000 – retrouvez la liste complète des composants d'origine et identifiez rapidement la pièce compatible.</p> 26 - SUPPORTS DIFFERENTIEL... <p>Vue éclatée 26 pour TGB BLADE 600 FLX – retrouvez la liste complète des composants d'origine et identifiez rapidement la pièce compatible.</p> 27 - COMPTEUR <p>Vue éclatée 27 pour TGB BLADE 550 FLX – retrouvez la liste complète des composants d'origine et identifiez rapidement la pièce compatible.</p> 27 - COMPTEUR <p>Vue éclatée 27 pour TGB BLADE 600 LTX ABS – retrouvez la liste complète des composants d'origine et identifiez rapidement la pièce compatible.</p> 27 - DIRECTION ASSISTEE... <p>Vue éclatée 27 pour TGB BLADE 600 FLX – retrouvez la liste complète des composants d'origine et identifiez rapidement la pièce compatible.</p> 27 - ECLAIRAGE ARRIERE <p>Vue éclatée 27 pour TGB LANDMAX 1000 – retrouvez la liste complète des composants d'origine et identifiez rapidement la pièce compatible.</p> 27 - ECLAIRAGE AVANT <p>Vue éclatée 27 pour TGB LANDMAX 1000 CAB – retrouvez la liste complète des composants d'origine et identifiez rapidement la pièce compatible.</p> Affichage 1-100 de 539 article(s) 1 2 3 … 6 Suivant Retour en haut
25 - MOTEUR DE DIFFERENTIEL <p>Vue éclatée 25 pour TGB BLADE 600 FLX – retrouvez la liste complète des composants d'origine et identifiez rapidement la pièce compatible.</p> 25 - MOTEUR DE DIFFERENTIEL <p>Vue éclatée 25 pour TGB BLADE 600 LTX ABS – retrouvez la liste complète des composants d'origine et identifiez rapidement la pièce compatible.</p> 26 - COMPTEUR <p>Vue éclatée 26 pour TGB LANDMAX 1000 CAB – retrouvez la liste complète des composants d'origine et identifiez rapidement la pièce compatible.</p> 26 - DIRECTION ASSISTEE... <p>Vue éclatée 26 pour TGB BLADE 550 FLX – retrouvez la liste complète des composants d'origine et identifiez rapidement la pièce compatible.</p> 26 - DIRECTION ASSISTEE... <p>Vue éclatée 26 pour TGB BLADE 600 LTX ABS – retrouvez la liste complète des composants d'origine et identifiez rapidement la pièce compatible.</p> 26 - ECLAIRAGE AVANT <p>Vue éclatée 26 pour TGB LANDMAX 1000 – retrouvez la liste complète des composants d'origine et identifiez rapidement la pièce compatible.</p> 26 - SUPPORTS DIFFERENTIEL... <p>Vue éclatée 26 pour TGB BLADE 600 FLX – retrouvez la liste complète des composants d'origine et identifiez rapidement la pièce compatible.</p> 27 - COMPTEUR <p>Vue éclatée 27 pour TGB BLADE 550 FLX – retrouvez la liste complète des composants d'origine et identifiez rapidement la pièce compatible.</p> 27 - COMPTEUR <p>Vue éclatée 27 pour TGB BLADE 600 LTX ABS – retrouvez la liste complète des composants d'origine et identifiez rapidement la pièce compatible.</p> 27 - DIRECTION ASSISTEE... <p>Vue éclatée 27 pour TGB BLADE 600 FLX – retrouvez la liste complète des composants d'origine et identifiez rapidement la pièce compatible.</p> 27 - ECLAIRAGE ARRIERE <p>Vue éclatée 27 pour TGB LANDMAX 1000 – retrouvez la liste complète des composants d'origine et identifiez rapidement la pièce compatible.</p> 27 - ECLAIRAGE AVANT <p>Vue éclatée 27 pour TGB LANDMAX 1000 CAB – retrouvez la liste complète des composants d'origine et identifiez rapidement la pièce compatible.</p> Affichage 1-100 de 539 article(s) 1 2 3 … 6 Suivant Retour en haut
25 - MOTEUR DE DIFFERENTIEL <p>Vue éclatée 25 pour TGB BLADE 600 LTX ABS – retrouvez la liste complète des composants d'origine et identifiez rapidement la pièce compatible.</p> 26 - COMPTEUR <p>Vue éclatée 26 pour TGB LANDMAX 1000 CAB – retrouvez la liste complète des composants d'origine et identifiez rapidement la pièce compatible.</p> 26 - DIRECTION ASSISTEE... <p>Vue éclatée 26 pour TGB BLADE 550 FLX – retrouvez la liste complète des composants d'origine et identifiez rapidement la pièce compatible.</p> 26 - DIRECTION ASSISTEE... <p>Vue éclatée 26 pour TGB BLADE 600 LTX ABS – retrouvez la liste complète des composants d'origine et identifiez rapidement la pièce compatible.</p> 26 - ECLAIRAGE AVANT <p>Vue éclatée 26 pour TGB LANDMAX 1000 – retrouvez la liste complète des composants d'origine et identifiez rapidement la pièce compatible.</p> 26 - SUPPORTS DIFFERENTIEL... <p>Vue éclatée 26 pour TGB BLADE 600 FLX – retrouvez la liste complète des composants d'origine et identifiez rapidement la pièce compatible.</p> 27 - COMPTEUR <p>Vue éclatée 27 pour TGB BLADE 550 FLX – retrouvez la liste complète des composants d'origine et identifiez rapidement la pièce compatible.</p> 27 - COMPTEUR <p>Vue éclatée 27 pour TGB BLADE 600 LTX ABS – retrouvez la liste complète des composants d'origine et identifiez rapidement la pièce compatible.</p> 27 - DIRECTION ASSISTEE... <p>Vue éclatée 27 pour TGB BLADE 600 FLX – retrouvez la liste complète des composants d'origine et identifiez rapidement la pièce compatible.</p> 27 - ECLAIRAGE ARRIERE <p>Vue éclatée 27 pour TGB LANDMAX 1000 – retrouvez la liste complète des composants d'origine et identifiez rapidement la pièce compatible.</p> 27 - ECLAIRAGE AVANT <p>Vue éclatée 27 pour TGB LANDMAX 1000 CAB – retrouvez la liste complète des composants d'origine et identifiez rapidement la pièce compatible.</p> Affichage 1-100 de 539 article(s) 1 2 3 … 6 Suivant Retour en haut
26 - COMPTEUR <p>Vue éclatée 26 pour TGB LANDMAX 1000 CAB – retrouvez la liste complète des composants d'origine et identifiez rapidement la pièce compatible.</p> 26 - DIRECTION ASSISTEE... <p>Vue éclatée 26 pour TGB BLADE 550 FLX – retrouvez la liste complète des composants d'origine et identifiez rapidement la pièce compatible.</p> 26 - DIRECTION ASSISTEE... <p>Vue éclatée 26 pour TGB BLADE 600 LTX ABS – retrouvez la liste complète des composants d'origine et identifiez rapidement la pièce compatible.</p> 26 - ECLAIRAGE AVANT <p>Vue éclatée 26 pour TGB LANDMAX 1000 – retrouvez la liste complète des composants d'origine et identifiez rapidement la pièce compatible.</p> 26 - SUPPORTS DIFFERENTIEL... <p>Vue éclatée 26 pour TGB BLADE 600 FLX – retrouvez la liste complète des composants d'origine et identifiez rapidement la pièce compatible.</p> 27 - COMPTEUR <p>Vue éclatée 27 pour TGB BLADE 550 FLX – retrouvez la liste complète des composants d'origine et identifiez rapidement la pièce compatible.</p> 27 - COMPTEUR <p>Vue éclatée 27 pour TGB BLADE 600 LTX ABS – retrouvez la liste complète des composants d'origine et identifiez rapidement la pièce compatible.</p> 27 - DIRECTION ASSISTEE... <p>Vue éclatée 27 pour TGB BLADE 600 FLX – retrouvez la liste complète des composants d'origine et identifiez rapidement la pièce compatible.</p> 27 - ECLAIRAGE ARRIERE <p>Vue éclatée 27 pour TGB LANDMAX 1000 – retrouvez la liste complète des composants d'origine et identifiez rapidement la pièce compatible.</p> 27 - ECLAIRAGE AVANT <p>Vue éclatée 27 pour TGB LANDMAX 1000 CAB – retrouvez la liste complète des composants d'origine et identifiez rapidement la pièce compatible.</p> Affichage 1-100 de 539 article(s) 1 2 3 … 6 Suivant Retour en haut
26 - DIRECTION ASSISTEE... <p>Vue éclatée 26 pour TGB BLADE 550 FLX – retrouvez la liste complète des composants d'origine et identifiez rapidement la pièce compatible.</p> 26 - DIRECTION ASSISTEE... <p>Vue éclatée 26 pour TGB BLADE 600 LTX ABS – retrouvez la liste complète des composants d'origine et identifiez rapidement la pièce compatible.</p> 26 - ECLAIRAGE AVANT <p>Vue éclatée 26 pour TGB LANDMAX 1000 – retrouvez la liste complète des composants d'origine et identifiez rapidement la pièce compatible.</p> 26 - SUPPORTS DIFFERENTIEL... <p>Vue éclatée 26 pour TGB BLADE 600 FLX – retrouvez la liste complète des composants d'origine et identifiez rapidement la pièce compatible.</p> 27 - COMPTEUR <p>Vue éclatée 27 pour TGB BLADE 550 FLX – retrouvez la liste complète des composants d'origine et identifiez rapidement la pièce compatible.</p> 27 - COMPTEUR <p>Vue éclatée 27 pour TGB BLADE 600 LTX ABS – retrouvez la liste complète des composants d'origine et identifiez rapidement la pièce compatible.</p> 27 - DIRECTION ASSISTEE... <p>Vue éclatée 27 pour TGB BLADE 600 FLX – retrouvez la liste complète des composants d'origine et identifiez rapidement la pièce compatible.</p> 27 - ECLAIRAGE ARRIERE <p>Vue éclatée 27 pour TGB LANDMAX 1000 – retrouvez la liste complète des composants d'origine et identifiez rapidement la pièce compatible.</p> 27 - ECLAIRAGE AVANT <p>Vue éclatée 27 pour TGB LANDMAX 1000 CAB – retrouvez la liste complète des composants d'origine et identifiez rapidement la pièce compatible.</p> Affichage 1-100 de 539 article(s) 1 2 3 … 6 Suivant Retour en haut
26 - DIRECTION ASSISTEE... <p>Vue éclatée 26 pour TGB BLADE 600 LTX ABS – retrouvez la liste complète des composants d'origine et identifiez rapidement la pièce compatible.</p> 26 - ECLAIRAGE AVANT <p>Vue éclatée 26 pour TGB LANDMAX 1000 – retrouvez la liste complète des composants d'origine et identifiez rapidement la pièce compatible.</p> 26 - SUPPORTS DIFFERENTIEL... <p>Vue éclatée 26 pour TGB BLADE 600 FLX – retrouvez la liste complète des composants d'origine et identifiez rapidement la pièce compatible.</p> 27 - COMPTEUR <p>Vue éclatée 27 pour TGB BLADE 550 FLX – retrouvez la liste complète des composants d'origine et identifiez rapidement la pièce compatible.</p> 27 - COMPTEUR <p>Vue éclatée 27 pour TGB BLADE 600 LTX ABS – retrouvez la liste complète des composants d'origine et identifiez rapidement la pièce compatible.</p> 27 - DIRECTION ASSISTEE... <p>Vue éclatée 27 pour TGB BLADE 600 FLX – retrouvez la liste complète des composants d'origine et identifiez rapidement la pièce compatible.</p> 27 - ECLAIRAGE ARRIERE <p>Vue éclatée 27 pour TGB LANDMAX 1000 – retrouvez la liste complète des composants d'origine et identifiez rapidement la pièce compatible.</p> 27 - ECLAIRAGE AVANT <p>Vue éclatée 27 pour TGB LANDMAX 1000 CAB – retrouvez la liste complète des composants d'origine et identifiez rapidement la pièce compatible.</p> Affichage 1-100 de 539 article(s) 1 2 3 … 6 Suivant Retour en haut
26 - ECLAIRAGE AVANT <p>Vue éclatée 26 pour TGB LANDMAX 1000 – retrouvez la liste complète des composants d'origine et identifiez rapidement la pièce compatible.</p> 26 - SUPPORTS DIFFERENTIEL... <p>Vue éclatée 26 pour TGB BLADE 600 FLX – retrouvez la liste complète des composants d'origine et identifiez rapidement la pièce compatible.</p> 27 - COMPTEUR <p>Vue éclatée 27 pour TGB BLADE 550 FLX – retrouvez la liste complète des composants d'origine et identifiez rapidement la pièce compatible.</p> 27 - COMPTEUR <p>Vue éclatée 27 pour TGB BLADE 600 LTX ABS – retrouvez la liste complète des composants d'origine et identifiez rapidement la pièce compatible.</p> 27 - DIRECTION ASSISTEE... <p>Vue éclatée 27 pour TGB BLADE 600 FLX – retrouvez la liste complète des composants d'origine et identifiez rapidement la pièce compatible.</p> 27 - ECLAIRAGE ARRIERE <p>Vue éclatée 27 pour TGB LANDMAX 1000 – retrouvez la liste complète des composants d'origine et identifiez rapidement la pièce compatible.</p> 27 - ECLAIRAGE AVANT <p>Vue éclatée 27 pour TGB LANDMAX 1000 CAB – retrouvez la liste complète des composants d'origine et identifiez rapidement la pièce compatible.</p> Affichage 1-100 de 539 article(s) 1 2 3 … 6 Suivant Retour en haut
26 - SUPPORTS DIFFERENTIEL... <p>Vue éclatée 26 pour TGB BLADE 600 FLX – retrouvez la liste complète des composants d'origine et identifiez rapidement la pièce compatible.</p> 27 - COMPTEUR <p>Vue éclatée 27 pour TGB BLADE 550 FLX – retrouvez la liste complète des composants d'origine et identifiez rapidement la pièce compatible.</p> 27 - COMPTEUR <p>Vue éclatée 27 pour TGB BLADE 600 LTX ABS – retrouvez la liste complète des composants d'origine et identifiez rapidement la pièce compatible.</p> 27 - DIRECTION ASSISTEE... <p>Vue éclatée 27 pour TGB BLADE 600 FLX – retrouvez la liste complète des composants d'origine et identifiez rapidement la pièce compatible.</p> 27 - ECLAIRAGE ARRIERE <p>Vue éclatée 27 pour TGB LANDMAX 1000 – retrouvez la liste complète des composants d'origine et identifiez rapidement la pièce compatible.</p> 27 - ECLAIRAGE AVANT <p>Vue éclatée 27 pour TGB LANDMAX 1000 CAB – retrouvez la liste complète des composants d'origine et identifiez rapidement la pièce compatible.</p> Affichage 1-100 de 539 article(s) 1 2 3 … 6 Suivant Retour en haut
27 - COMPTEUR <p>Vue éclatée 27 pour TGB BLADE 550 FLX – retrouvez la liste complète des composants d'origine et identifiez rapidement la pièce compatible.</p> 27 - COMPTEUR <p>Vue éclatée 27 pour TGB BLADE 600 LTX ABS – retrouvez la liste complète des composants d'origine et identifiez rapidement la pièce compatible.</p> 27 - DIRECTION ASSISTEE... <p>Vue éclatée 27 pour TGB BLADE 600 FLX – retrouvez la liste complète des composants d'origine et identifiez rapidement la pièce compatible.</p> 27 - ECLAIRAGE ARRIERE <p>Vue éclatée 27 pour TGB LANDMAX 1000 – retrouvez la liste complète des composants d'origine et identifiez rapidement la pièce compatible.</p> 27 - ECLAIRAGE AVANT <p>Vue éclatée 27 pour TGB LANDMAX 1000 CAB – retrouvez la liste complète des composants d'origine et identifiez rapidement la pièce compatible.</p> Affichage 1-100 de 539 article(s) 1 2 3 … 6 Suivant Retour en haut
27 - COMPTEUR <p>Vue éclatée 27 pour TGB BLADE 600 LTX ABS – retrouvez la liste complète des composants d'origine et identifiez rapidement la pièce compatible.</p> 27 - DIRECTION ASSISTEE... <p>Vue éclatée 27 pour TGB BLADE 600 FLX – retrouvez la liste complète des composants d'origine et identifiez rapidement la pièce compatible.</p> 27 - ECLAIRAGE ARRIERE <p>Vue éclatée 27 pour TGB LANDMAX 1000 – retrouvez la liste complète des composants d'origine et identifiez rapidement la pièce compatible.</p> 27 - ECLAIRAGE AVANT <p>Vue éclatée 27 pour TGB LANDMAX 1000 CAB – retrouvez la liste complète des composants d'origine et identifiez rapidement la pièce compatible.</p> Affichage 1-100 de 539 article(s) 1 2 3 … 6 Suivant Retour en haut
27 - DIRECTION ASSISTEE... <p>Vue éclatée 27 pour TGB BLADE 600 FLX – retrouvez la liste complète des composants d'origine et identifiez rapidement la pièce compatible.</p> 27 - ECLAIRAGE ARRIERE <p>Vue éclatée 27 pour TGB LANDMAX 1000 – retrouvez la liste complète des composants d'origine et identifiez rapidement la pièce compatible.</p> 27 - ECLAIRAGE AVANT <p>Vue éclatée 27 pour TGB LANDMAX 1000 CAB – retrouvez la liste complète des composants d'origine et identifiez rapidement la pièce compatible.</p> Affichage 1-100 de 539 article(s) 1 2 3 … 6 Suivant Retour en haut
27 - ECLAIRAGE ARRIERE <p>Vue éclatée 27 pour TGB LANDMAX 1000 – retrouvez la liste complète des composants d'origine et identifiez rapidement la pièce compatible.</p> 27 - ECLAIRAGE AVANT <p>Vue éclatée 27 pour TGB LANDMAX 1000 CAB – retrouvez la liste complète des composants d'origine et identifiez rapidement la pièce compatible.</p> Affichage 1-100 de 539 article(s) 1 2 3 … 6 Suivant Retour en haut
27 - ECLAIRAGE AVANT <p>Vue éclatée 27 pour TGB LANDMAX 1000 CAB – retrouvez la liste complète des composants d'origine et identifiez rapidement la pièce compatible.</p> Affichage 1-100 de 539 article(s) 1 2 3 … 6 Suivant Retour en haut