icon
Hotline
03 72 79 00 10
| N° | Désignation | Prix TTC | Stock | |||
|---|---|---|---|---|---|---|
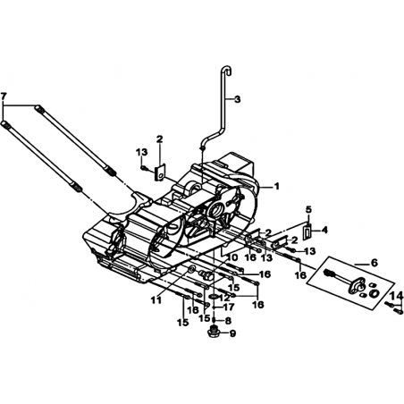
| REPERE 1, SI NO MOTEUR < 550457, UTILISER LA REF. CI-DESSOUS : | ||||||
| 01 |
DEMI CARTER GAUCHE 325 TGB Ref TGB-923610 |
572,52 € | not_interested |
|
||
| REPERE 1A, SI NO SERIE > 550458, UTILISER LA REF. CI-DESSOUS : | ||||||
| 01A |
DEMI CARTER GAUCHE 325 TGB Ref TGB-923645 |
367,32 € | not_interested |
|
||
| 02 |
PLAQUE FIXATION RENIFLARD TGB Ref TGB-923103 |
2,76 € | not_interested |
|
||
| 03 |
DURITE RENIFLARD TGB Ref TGB-923102 |
6,84 € | not_interested |
|
||
| 04 |
CONDUIT VIDANGE TGB Ref TGB-923104 |
3,60 € | not_interested |
|
||
| 05 |
CLIP CONDUIT VIDANGE TGB Ref TGB-923105 |
2,04 € | not_interested |
|
||
| 06 |
CONTACTEUR SELECTION TGB Ref TGB-923106 |
39,00 € | not_interested |
|
||
| 07 |
GOUJON CYLINDRE TGB Ref TGB-923107 |
39,00 € | not_interested |
|
||
| 08 |
RESSORT BILLE VEROUILLAGE TGB Ref TGB-923108 |
0,72 € | done_outline |
|
||
| 09 |
BOUCHON BILLE VEROUILLAGE TGB Ref TGB-923109 |
4,92 € | done_outline |
|
||
| LE REPERE 10 (TGB-923110) NE SE DETAILLE PLUS PAR LE FOURNISSEUR | ||||||
| 11 |
JOINT VIDANGE 12 MM TGB Ref TGB-923111 |
1,68 € | done_outline |
|
||
| 12 |
JOINT VIDANGE 14 MM TGB Ref TGB-923112 |
0,72 € | done_outline |
|
||
| 13 |
VIS EPAULEE 6X12 TGB Ref TGB-923098 |
0,72 € | not_interested |
|
||
| 14 |
VIS EPAULEE 6X18 Ref TGB-923113 |
0,72 € | not_interested |
|
||
| 15 |
VIS EPAULEE 6X50 Ref TGB-923114 |
1,56 € | not_interested |
|
||
| 16 |
VIS EPAULEE 6X70 Ref TGB-923115 |
2,04 € | not_interested |
|
||
| 17 |
BILLE VEROUILLAGE Ref TGB-923116 |
1,56 € | done_outline |
|
||
