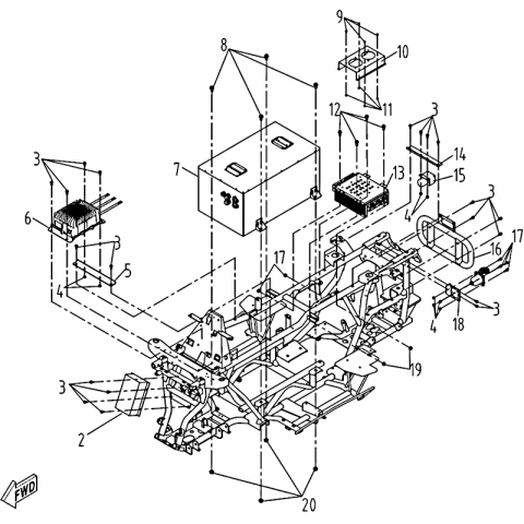
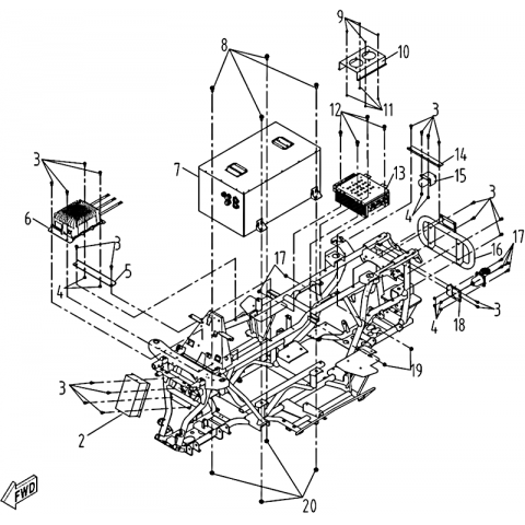
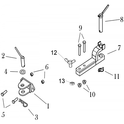
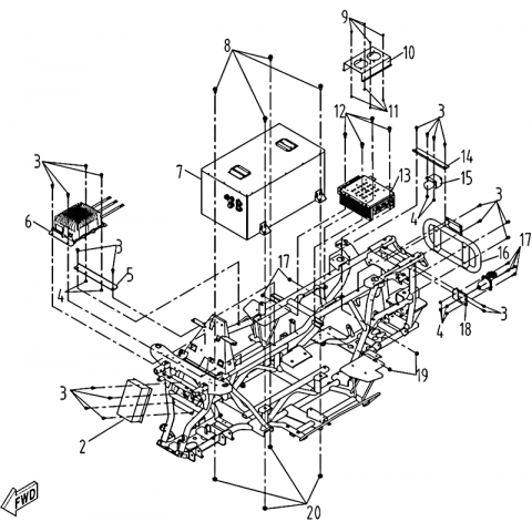
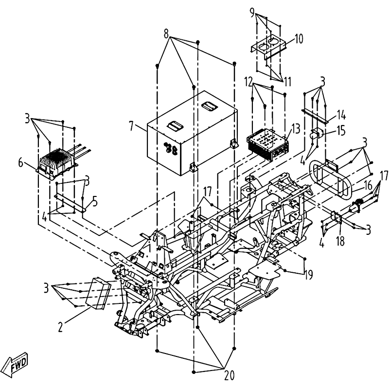
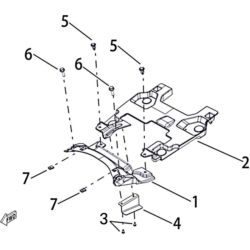
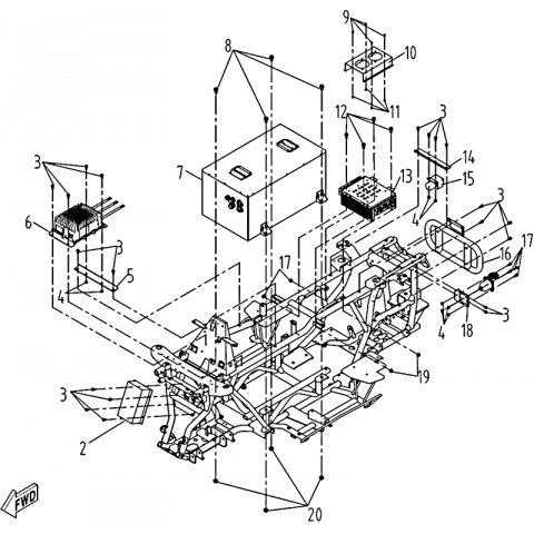
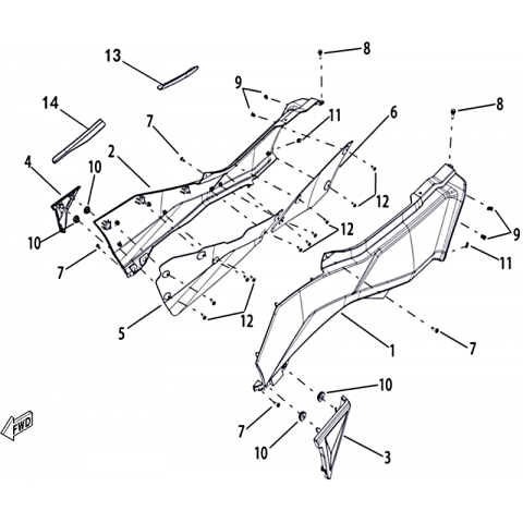
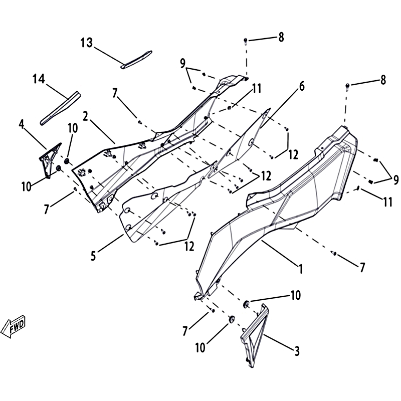
<p>Vue éclatée 1 pour HYTRACK JOBBER 1100 DMAXX BASIC – retrouvez la liste complète des composants d'origine et identifiez rapidement la pièce compatible.</p>
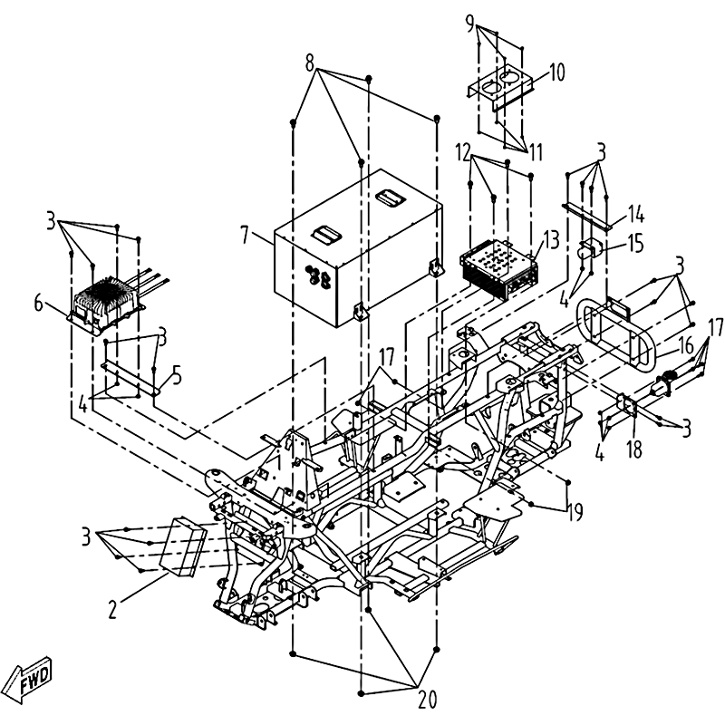
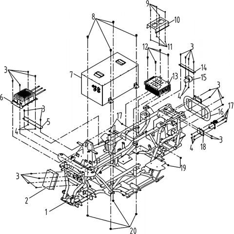
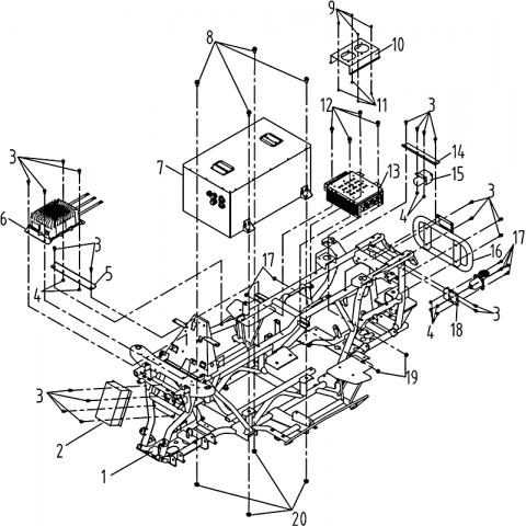
<p>Vue éclatée 1 pour HYTRACK JOBBER eV5 FULL 2024 – retrouvez la liste complète des composants d'origine et identifiez rapidement la pièce compatible.</p>
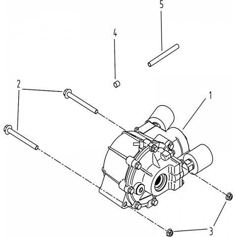
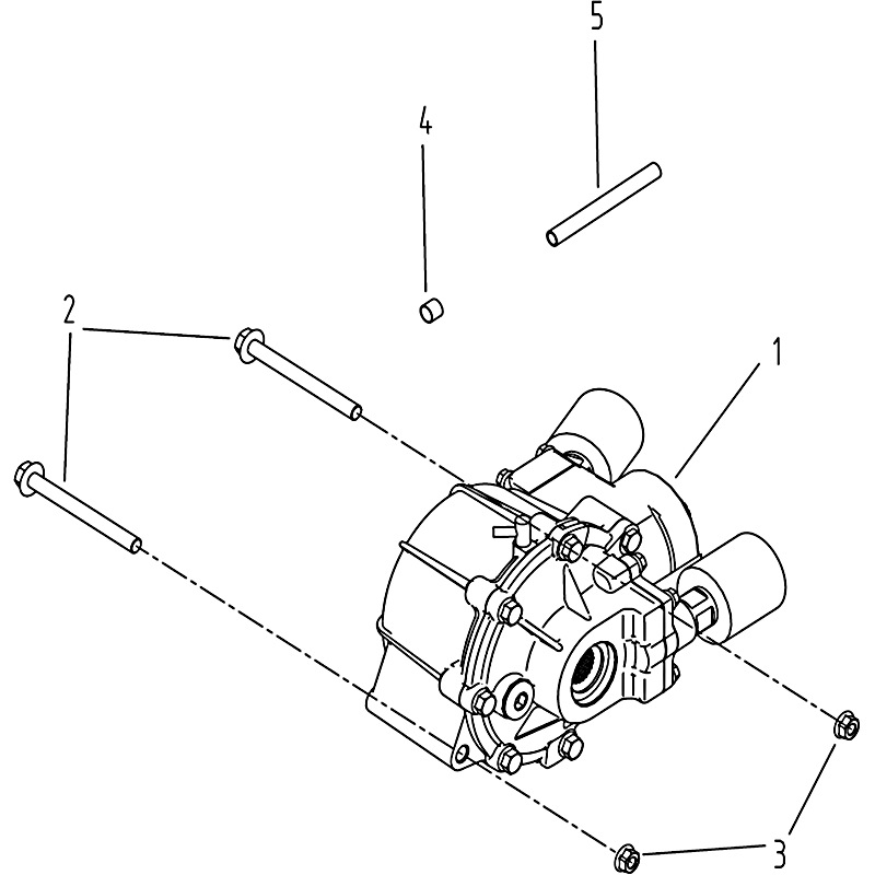
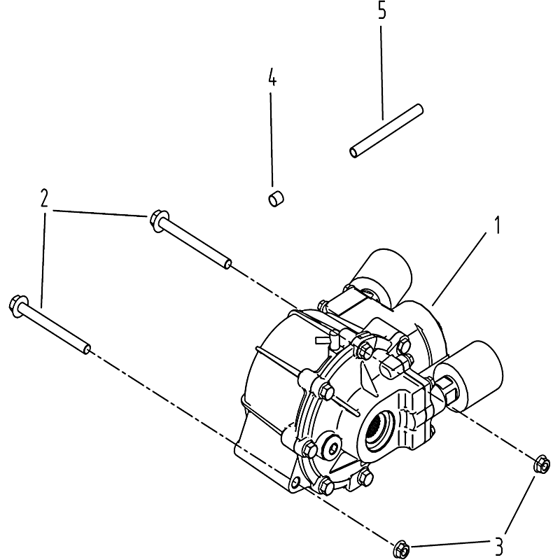
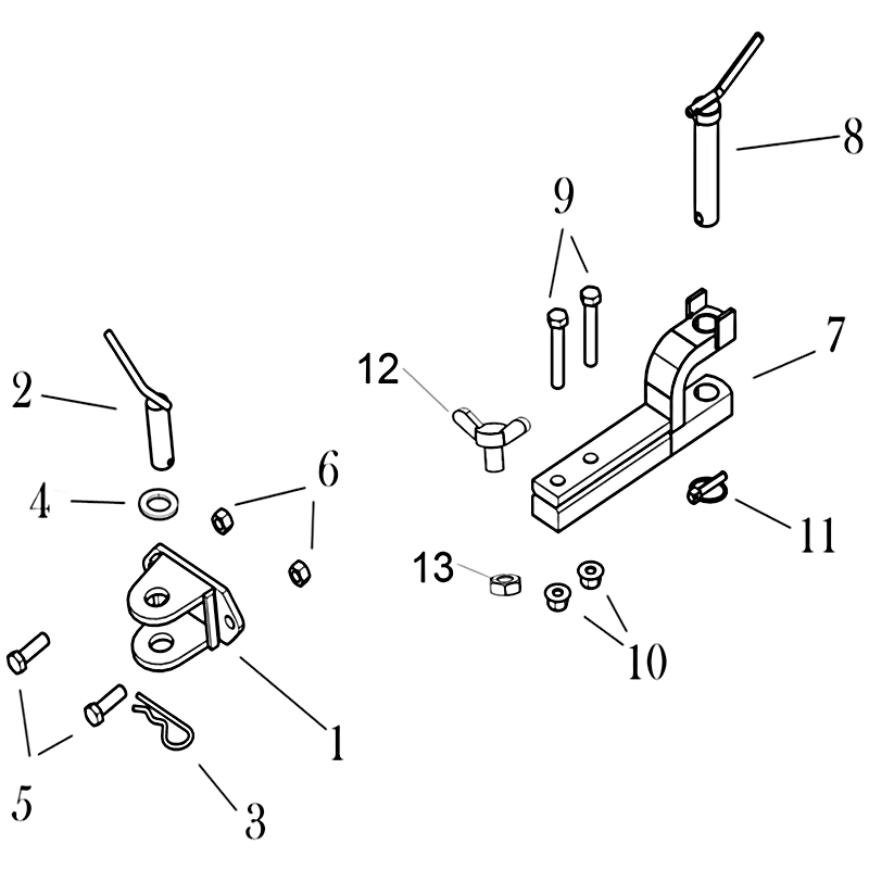
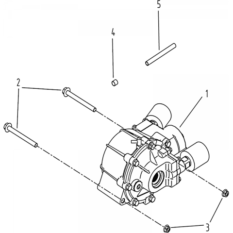
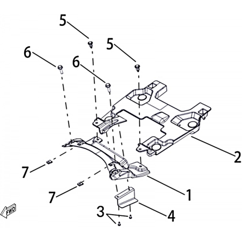
<p>Vue éclatée 10 pour HYTRACK JOBBER 1100 DMAXX BASIC – retrouvez la liste complète des composants d'origine et identifiez rapidement la pièce compatible.</p>
<p>Vue éclatée 10 pour HYTRACK JOBBER eV5 2024 – retrouvez la liste complète des composants d'origine et identifiez rapidement la pièce compatible.</p>
<p>Vue éclatée 10 pour HYTRACK JOBBER eV5 FULL 2024 – retrouvez la liste complète des composants d'origine et identifiez rapidement la pièce compatible.</p>
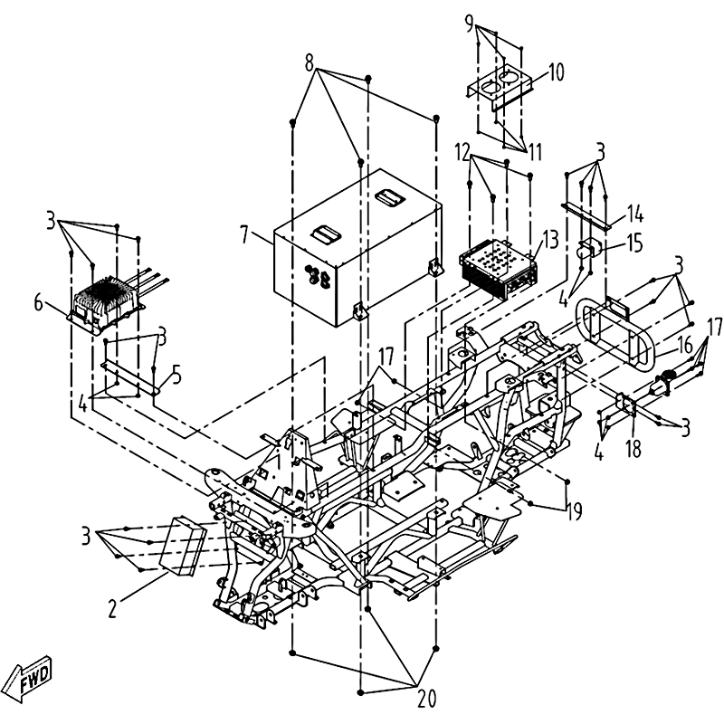
<p>Vue éclatée 11 pour HYTRACK JOBBER eV5 FULL 2024 – retrouvez la liste complète des composants d'origine et identifiez rapidement la pièce compatible.</p>
<p>Vue éclatée 11 pour HYTRACK JOBBER eV5 2024 – retrouvez la liste complète des composants d'origine et identifiez rapidement la pièce compatible.</p>
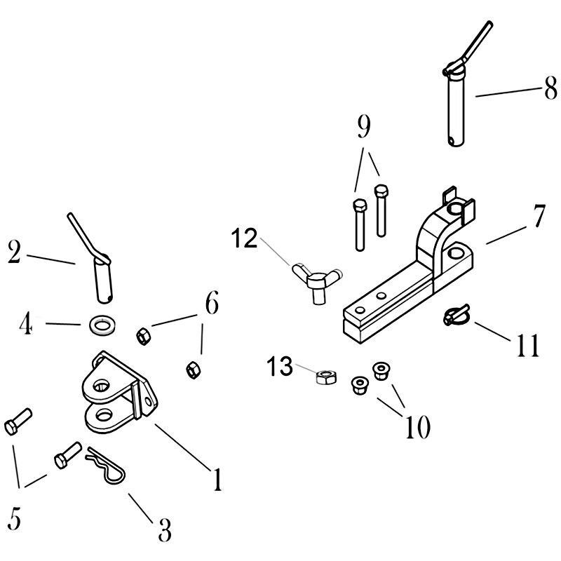
<p>Vue éclatée 11 pour HYTRACK JOBBER 1100 DMAXX BASIC – retrouvez la liste complète des composants d'origine et identifiez rapidement la pièce compatible.</p>
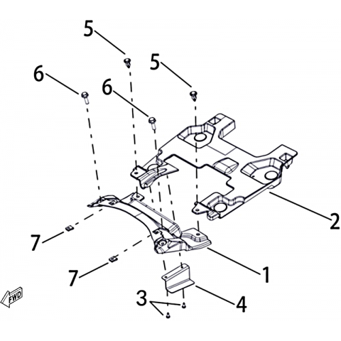
<p>Vue éclatée 12 pour HYTRACK JOBBER eV5 FULL 2024 – retrouvez la liste complète des composants d'origine et identifiez rapidement la pièce compatible.</p>
<p>Vue éclatée 12 pour HYTRACK JOBBER eV5 2024 – retrouvez la liste complète des composants d'origine et identifiez rapidement la pièce compatible.</p>
<p>Vue éclatée 12 pour HYTRACK JOBBER 1100 DMAXX BASIC – retrouvez la liste complète des composants d'origine et identifiez rapidement la pièce compatible.</p>
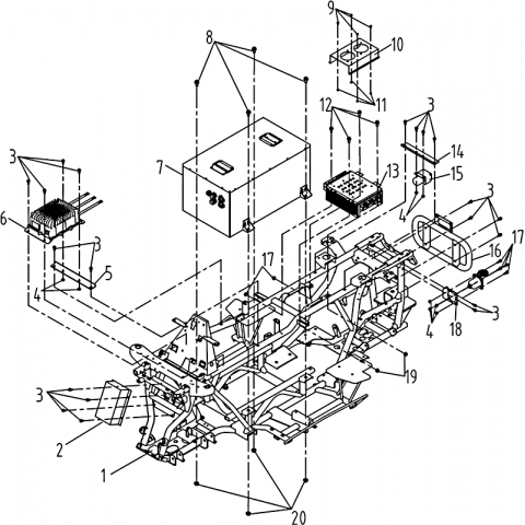
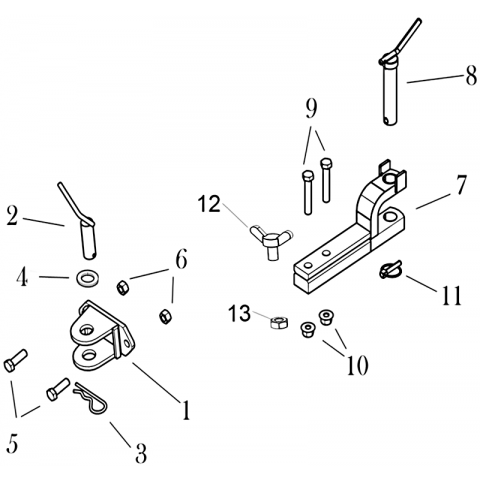
<p>Vue éclatée 13 pour HYTRACK JOBBER 1100 DMAXX BASIC – retrouvez la liste complète des composants d'origine et identifiez rapidement la pièce compatible.</p>
<p>Vue éclatée 13 pour HYTRACK JOBBER eV5 FULL 2024 – retrouvez la liste complète des composants d'origine et identifiez rapidement la pièce compatible.</p>
<p>Vue éclatée 13 pour HYTRACK JOBBER eV5 2024 – retrouvez la liste complète des composants d'origine et identifiez rapidement la pièce compatible.</p>
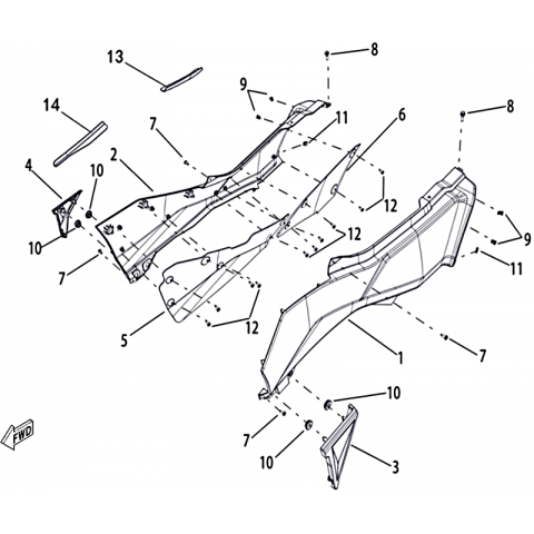
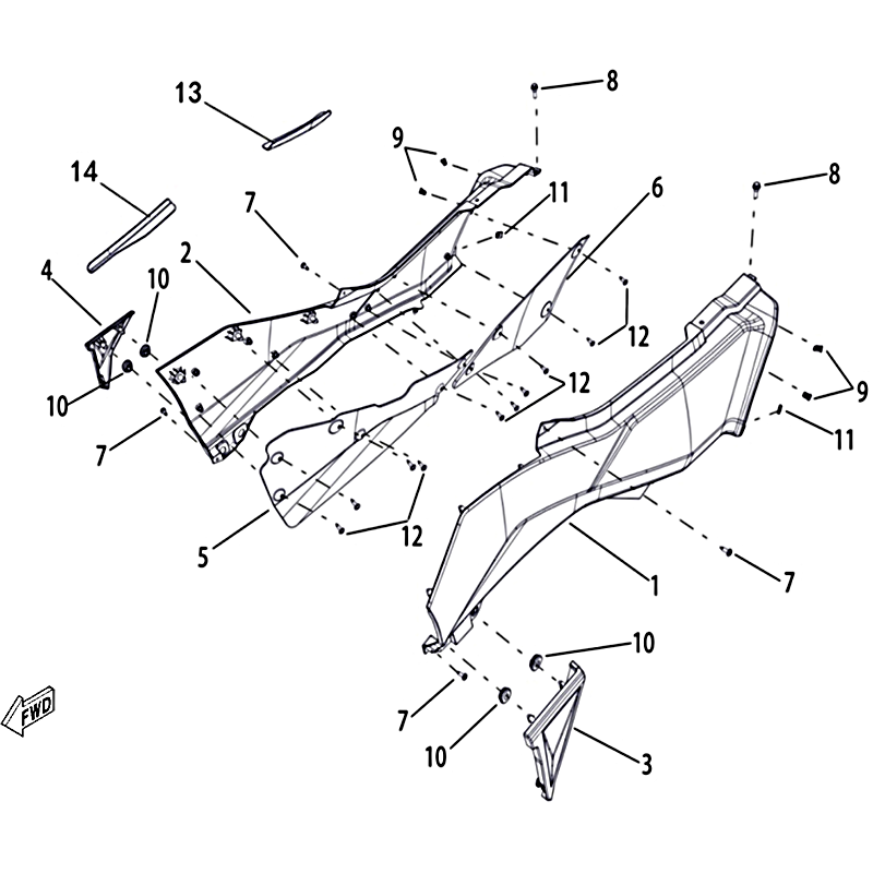
<p>Vue éclatée 14 pour HYTRACK JOBBER eV5 2024 – retrouvez la liste complète des composants d'origine et identifiez rapidement la pièce compatible.</p>
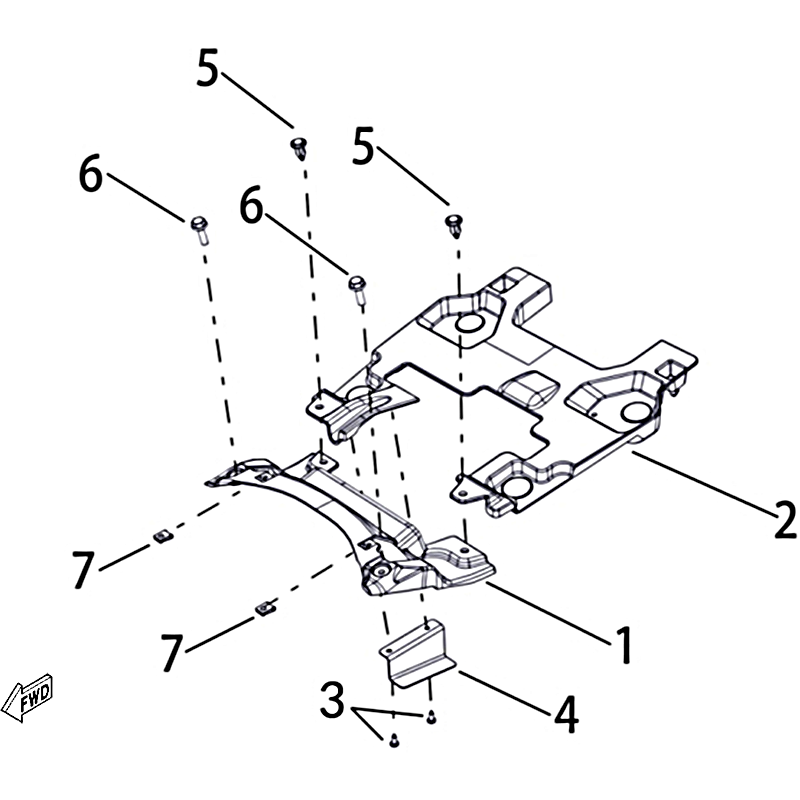
<p>Vue éclatée 14 pour HYTRACK JOBBER 1100 DMAXX BASIC – retrouvez la liste complète des composants d'origine et identifiez rapidement la pièce compatible.</p>
<p>Vue éclatée 14 pour HYTRACK JOBBER eV5 FULL 2024 – retrouvez la liste complète des composants d'origine et identifiez rapidement la pièce compatible.</p>
<p>Vue éclatée 15 pour HYTRACK JOBBER eV5 2024 – retrouvez la liste complète des composants d'origine et identifiez rapidement la pièce compatible.</p>
<p>Vue éclatée 15 pour HYTRACK JOBBER eV5 FULL 2024 – retrouvez la liste complète des composants d'origine et identifiez rapidement la pièce compatible.</p>
<p>Vue éclatée 15 pour HYTRACK JOBBER 1100 DMAXX BASIC – retrouvez la liste complète des composants d'origine et identifiez rapidement la pièce compatible.</p>
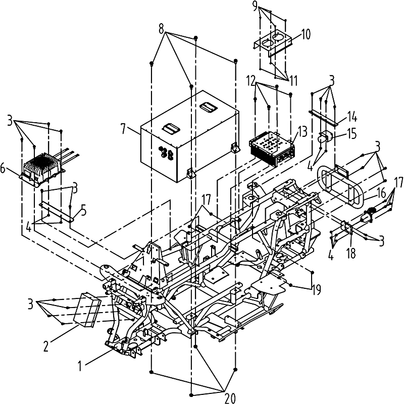
<p>Vue éclatée 16 pour HYTRACK JOBBER eV5 FULL 2024 – retrouvez la liste complète des composants d'origine et identifiez rapidement la pièce compatible.</p>
<p>Vue éclatée 16 pour HYTRACK JOBBER 1100 DMAXX BASIC – retrouvez la liste complète des composants d'origine et identifiez rapidement la pièce compatible.</p>
<p>Vue éclatée 16 pour HYTRACK JOBBER eV5 2024 – retrouvez la liste complète des composants d'origine et identifiez rapidement la pièce compatible.</p>
<p>Vue éclatée 17 pour HYTRACK JOBBER eV5 FULL 2024 – retrouvez la liste complète des composants d'origine et identifiez rapidement la pièce compatible.</p>
<p>Vue éclatée 17 pour HYTRACK JOBBER eV5 2024 – retrouvez la liste complète des composants d'origine et identifiez rapidement la pièce compatible.</p>
<p>Vue éclatée 17 pour HYTRACK JOBBER 1100 DMAXX BASIC – retrouvez la liste complète des composants d'origine et identifiez rapidement la pièce compatible.</p>
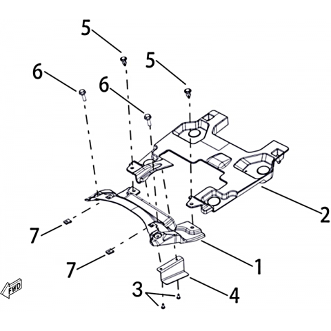
<p>Vue éclatée 18 pour HYTRACK JOBBER eV5 2024 – retrouvez la liste complète des composants d'origine et identifiez rapidement la pièce compatible.</p>
<p>Vue éclatée 18 pour HYTRACK JOBBER 1100 DMAXX BASIC – retrouvez la liste complète des composants d'origine et identifiez rapidement la pièce compatible.</p>
<p>Vue éclatée 18 pour HYTRACK JOBBER eV5 FULL 2024 – retrouvez la liste complète des composants d'origine et identifiez rapidement la pièce compatible.</p>
<p>Vue éclatée 19 pour HYTRACK JOBBER 1100 DMAXX BASIC – retrouvez la liste complète des composants d'origine et identifiez rapidement la pièce compatible.</p>
<p>Vue éclatée 19 pour HYTRACK JOBBER eV5 FULL 2024 – retrouvez la liste complète des composants d'origine et identifiez rapidement la pièce compatible.</p>
<p>Vue éclatée 19 pour HYTRACK JOBBER eV5 2024 – retrouvez la liste complète des composants d'origine et identifiez rapidement la pièce compatible.</p>
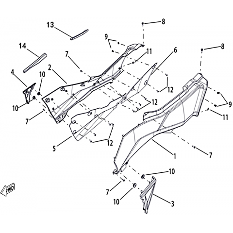
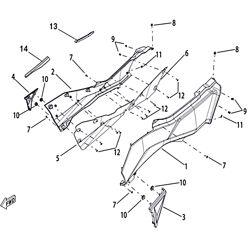
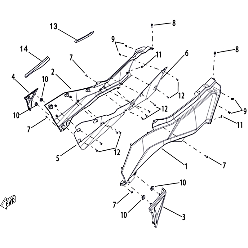
<p>Vue éclatée 2 pour HYTRACK JOBBER 1100 DMAXX BASIC – retrouvez la liste complète des composants d'origine et identifiez rapidement la pièce compatible.</p>
<p>Vue éclatée 2 pour HYTRACK JOBBER eV5 FULL 2024 – retrouvez la liste complète des composants d'origine et identifiez rapidement la pièce compatible.</p>
<p>Vue éclatée 20 pour HYTRACK JOBBER 1100 DMAXX BASIC – retrouvez la liste complète des composants d'origine et identifiez rapidement la pièce compatible.</p>
<p>Vue éclatée 20 pour HYTRACK JOBBER eV5 FULL 2024 – retrouvez la liste complète des composants d'origine et identifiez rapidement la pièce compatible.</p>
<p>Vue éclatée 20 pour HYTRACK JOBBER eV5 2024 – retrouvez la liste complète des composants d'origine et identifiez rapidement la pièce compatible.</p>
<p>Vue éclatée 21 pour HYTRACK JOBBER 1100 DMAXX BASIC – retrouvez la liste complète des composants d'origine et identifiez rapidement la pièce compatible.</p>
<p>Vue éclatée 21 pour HYTRACK JOBBER eV5 FULL 2024 – retrouvez la liste complète des composants d'origine et identifiez rapidement la pièce compatible.</p>