icon
Hotline
03 72 79 00 10
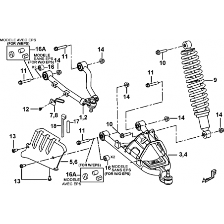
| N° | Désignation | Prix TTC | Stock | |||
|---|---|---|---|---|---|---|
| 01 |
TRIANGLE SUP. AV G 550/15 Ref TGB-511107 |
174,60 € | done_outline |
|
||
| 02 |
TRIANGLE SUP AV D 550/15 Ref TGB-511108 |
174,60 € | done_outline |
|
||
| REPERE 03, SI NO SERIE < = 020516, UTILISER LA REF. CI-DESSOUS : | ||||||
| 03 |
TRIANGLE INFERIEUR G MY13 550
Ref TGB-516380
Disponible à partir du 15/12/2025 |
143,52 € | done_outline |
|
||
| REPERE 03A, SI NO SERIE >= 020517, UTILISER LA REF. CI-DESSOUS : | ||||||
| 06 |
PROTECTION TRIANGLE DROIT
Ref TGB-516307
|
8,64 € | done_outline |
|
||
| REPERE 04, SI NO SERIE < = 020516, UTILISER LA REF. CI-DESSOUS : | ||||||
| 04 |
TRIANGLE INFERIEUR D MY13 550
Ref TGB-516381
|
143,52 € | done_outline |
|
||
| REPERE 04A, SI NO SERIE >= 020517, UTILISER LA REF. CI-DESSOUS : | ||||||
| 9-1 |
BUSH COMP Ref TGB-511425 |
9,00 € | done_outline |
|
||
| 05 |
PROTECTION TRIANGLE GAUCHE
Ref TGB-516306
|
8,64 € | done_outline |
|
||
| 06 |
PROTECTION TRIANGLE DROIT
Ref TGB-516307
|
8,64 € | done_outline |
|
||
| 07 |
GUIDE DURITE TRIANGLE GAUCHE Ref TGB-513329 |
4,56 € | done_outline |
|
||
| 08 |
GUIDE DURITE TRIANGLE DROIT Ref TGB-513330 |
6,60 € | not_interested |
|
||
| 09 |
AMORTISSEUR AV BLADE 550 PAR 15 Ref TGB-516386 |
286,20 € | not_interested |
|
||
| 9-1 |
BUSH COMP Ref TGB-511425 |
9,00 € | done_outline |
|
||
| 10 |
VIS HEX EPAULEE M10X1,25X48 Ref TGB-S20009 |
15,00 € | done_outline |
|
||
| 11 |
VIS M10X60 Ref TGB-S20017 |
4,32 € | done_outline |
|
||
| 12 |
VIS EPAULEE M6X10 Ref TGB-S21605 |
0,72 € | done_outline |
|
||
| 13 |
VIS EPAULEE M6X16 VERT FONCE 105 Ref TGB-S07601 |
3,84 € | done_outline |
|
||
| 14 |
ECROU M10X125 CHROMEE
Ref HY10015S
|
3,84 € | done_outline |
|
||
| REPERE 16A, SI NO SERIE < = 018279, UTILISER LA REF. CI-DESSOUS : | ||||||
| REPERE 16A, IL FAUT 2 JEUX POUR UN TRIANGLE COMPLET | ||||||
| 16A |
KIT MAINTENANCE TRIANGLE Ref TGB-511166-S |
53,40 € | done_outline |
|
||
| REPERE 16B, SI NO SERIE >= 018280, UTILISER LA REF. CI-DESSOUS : | ||||||
| 16B |
KIT 2 BAGUES MAINTENANCE
Ref TGB-511167
|
55,32 € | done_outline |
|
||
| 17 |
TUYAU Ref TGB-516519 |
4,80 € | not_interested |
|
||
| 18 |
COLLIER 200 Ref TGB-518739 |
1,44 € | done_outline |
|
||
