icon
Hotline
03 72 79 00 10
| N° | Désignation | Prix TTC | Stock | |||
|---|---|---|---|---|---|---|
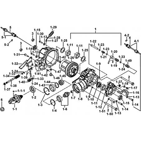
| 01 |
PONT AVANT COMPLET AVEC DIFFERENTIEL Ref TGB-926220 |
894,00 € | not_interested |
|
||
| 01-01 |
ARTICULATION DE CARDAN Ref TGB-925496 |
231,24 € | done_outline |
|
||
| 01-02 |
JT SPI ENTREE PONT 73X72X14
Ref TGB-924380
|
15,60 € | done_outline |
|
||
| 01-03 |
CIRCLIP Ref TGB-R01301 |
13,92 € | done_outline |
|
||
| 01-04 |
CIRCLIP Ref TGB-924606 |
8,88 € | done_outline |
|
||
| 01-06 |
KIT PIGNON / ROULEMENT V-TWIN Ref TGB-927025A |
186,60 € | done_outline |
|
||
| 01-07 |
DOUILLE A AIG. 15X21X12 HK1512
Ref TGB-924384
|
18,84 € | done_outline |
|
||
| 01-08 |
CARTER DROIT PONT AVANT
Ref TGB-910654
|
144,00 € | done_outline |
|
||
| 01-09 |
PION CENTRAGE PONT AVANT Ref TGB-P40102 |
5,64 € | not_interested |
|
||
| 01-1-1 |
GRAISSEUR GROS DIAMETRE
Ref TGB-925494
|
2,04 € | done_outline |
|
||
| 01-10 |
BAGUE VERROUILLAGE 19DT Ref TGB-924886 |
24,72 € | done_outline |
|
||
| 01-11 |
ROULEMENT 6007 35X62X14MM
Ref RT-6007
|
19,44 € | done_outline |
|
||
| 01-12 |
COUVERCLE CARTER PONT AVANT Ref TGB-910522 |
60,00 € | done_outline |
|
||
| 01-13 |
RONDELLE ELASTIQUE 8,2X15X2 Ref TGB-GA556WS04 |
0,84 € | done_outline |
|
||
| 01-14 |
VIS BTR M8X1,25X36 Ref TGB-S70810 |
3,00 € | done_outline |
|
||
| 01-15 |
SPI SORTIE PONT AVANT 105
Ref TGB-925010
|
22,80 € | done_outline |
|
||
| 01-16 |
PATTE MAINTIENT CABLE Ref TGB-924982 |
13,80 € | done_outline |
|
||
| 01-17 |
VIS Ref TGB-924339 |
10,08 € | done_outline |
|
||
| 01-18 |
RONDELLE JT 16,2X22,5X2
Ref TGB-W99639
|
2,52 € | done_outline |
|
||
| 01-19 |
RESSORT Ref TGB-925353 |
4,44 € | not_interested |
|
||
| 01-20 |
FOURCHETTE BLOCAGE DIFFERENTIE Ref TGB-924887 |
39,48 € | not_interested |
|
||
| 01-21 |
RESSORT INT.BLOCAGE DIFFERENTI Ref TGB-924970 |
2,64 € | not_interested |
|
||
| 01-22 |
AXE BLOCAGE DIFFERENTIEL AV Ref TGB-924871 |
16,92 € | done_outline |
|
||
| 01-23 |
RONDELLE AXE BLOCAGE DIFFER. Ref TGB-924971 |
2,88 € | not_interested |
|
||
| 01-24 |
CLIP CDE TRANSFERT PONT Ref TGB-R10702 |
0,72 € | done_outline |
|
||
| LE REPERE 01-25 EST OPTIONNEL | ||||||
| 01-25 |
RONDELLE CALAGE 0,1 BLOCA.DIFF Ref TGB-W99307 |
4,08 € | done_outline |
|
||
| LE REPERE 01-25A EST OPTIONNEL | ||||||
| 01-25A |
RONDELLE CALAGE 0,3 BLOCA.DIFF Ref TGB-W99308 |
3,96 € | done_outline |
|
||
| 01-26 |
TAMBOUR ANTI GLISSEMENT V-TWIN Ref TGB-910589A |
468,00 € | done_outline |
|
||
| 01-27 |
DURITE RENIFLARD PONT Ref TGB-924261 |
12,00 € | done_outline |
|
||
| 01-28 |
CIRCLIP DIAM 8 Ref DF-7162 |
1,44 € | done_outline |
|
||
| 01-29 |
SOUFFLET RENIFLARD PONT 103
Ref TGB-924264
|
11,40 € | done_outline |
|
||
| 01-30 |
VIS M8X1,25X40 Ref TGB-S70809 |
1,92 € | done_outline |
|
||
| 01-31 |
VIS M8X1,25X50 Ref TGB-S21815 |
4,08 € | not_interested |
|
||
| 01-32 |
SUPPORT CDE TRANSFERT PONT Ref TGB-924611 |
17,52 € | done_outline |
|
||
| 01-33 |
RONDELLE Ref TGB-W99218 |
0,96 € | done_outline |
|
||
| 01-34 |
RESSORT CDE TRANSFERT PONT Ref TGB-925673 |
3,96 € | done_outline |
|
||
| 01-37 |
JOINT SPI 12X20X5 Ref HY73024 |
2,40 € | done_outline |
|
||
| 01-38 |
AXE CDE TRANSFERT PONT 550/15 Ref TGB-927078 |
16,08 € | not_interested |
|
||
| 01-39 |
FOURCHETTE TRANSFERT PT 550/15 Ref TGB-927106 |
17,40 € | done_outline |
|
||
| 01-40 |
RESSORT INT.BLOCAGE DIFFERENTI Ref TGB-924970 |
2,64 € | not_interested |
|
||
| 01-41 |
CARTER DIFFERENTIEL AV 550 IRS Ref TGB-924981 |
98,40 € | done_outline |
|
||
| 01-42 |
PION CENTRAGE Ref TGB-P40301 |
2,40 € | done_outline |
|
||
| 01-43 |
RLT 45X68X12 6909 Ref TGB-924382 |
103,44 € | done_outline |
|
||
| 01-44 |
CIRCLIPS Ref TGB-R00105 |
5,52 € | done_outline |
|
||
| 01-45 |
BALADEUR Z14 425 TGB Ref TGB-924398 |
34,20 € | done_outline |
|
||
| 01-46 |
BOUCHON VIDANGE
Ref TGB-924326
|
14,88 € | done_outline |
|
||
| 01-47 |
RONDELLE JOINT DE BOUCHON DE VIDANGE 110
Ref TGB-W99433
|
5,04 € | done_outline |
|
||
| 01-49 |
PLUS LIVRABLE Ref TGB-925354 |
4,44 € | not_interested |
|
||
| 01-50 |
VIS M6X14 550 Ref TGB-S20623 |
2,40 € | not_interested |
|
||
| 01-51 |
RONDELLE 6,5X13,2X1,3 425
Ref TGB-W99621
|
0,84 € | done_outline |
|
||
| 02 |
VIS M10X113 Ref TGB-S20060 |
5,64 € | done_outline |
|
||
| 03 |
ECROU M10X125 CHROMEE
Ref HY10015S
|
3,84 € | done_outline |
|
||
| 04 |
CARDAN AV DROIT 550/15 Ref TGB-925442Y |
324,60 € | done_outline |
|
||
| REPERE 04-1, SI NO SERIE < = 003810, UTILISER LA REF. CI-DESSOUS : | ||||||
| REPERE 04-1A, SI NO SERIE >= 003811, UTILISER LA REF. CI-DESSOUS : | ||||||
| 04-1A |
JEU SOUFFLETS CARDAN Ref TGB-927278Y |
76,80 € | done_outline |
|
||
| 04-2 |
JONC Ref TGB-911606B |
3,60 € | done_outline |
|
||
| 05 |
CARDAN AV GAUCHE 550/15 Ref TGB-925441Y |
324,60 € | done_outline |
|
||
| REPERE 05-1, SI NO SERIE < = 003810, UTILISER LA REF. CI-DESSOUS : | ||||||
| REPERE 05-1A, SI NO SERIE >= 003811, UTILISER LA REF. CI-DESSOUS : | ||||||
| 05-1A |
JEU SOUFFLETS CARDAN
Ref TGB-927394Y
|
81,60 € | done_outline |
|
||
| 05-2 |
JONC Ref TGB-911606B |
3,60 € | done_outline |
|
||
| 06 |
SOUFFLET ARBRE TRANSMIS. Ref TGB-926225 |
10,44 € | done_outline |
|
||
