icon
Hotline
03 72 79 00 10
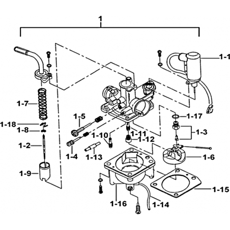
| N° | Désignation | Prix TTC | Stock | |||
|---|---|---|---|---|---|---|
| 01 |
CARBURATEUR COMPLET BULLET 50
Ref TGB-424026A
|
138,60 € | done_outline |
|
||
| 01-1 |
STARTER AUTOMATIQUE Ref TGB-GA5089905 |
175,31 € | done_outline |
|
||
| REPERES 01-10 A 01-11, VEUILLEZ NOUS CONSULTER | ||||||
| 01-12 |
GICLEUR PRINCIPAL 0,60 BULLET Ref TGB-GA508CU01 |
9,48 € | done_outline |
|
||
| 01-13 |
VALVE CONTROLE HUILE CITY 2 Ref TGB-425016 |
14,04 € | not_interested |
|
||
| REPERE 01-14, VEUILLEZ NOUS CONSULTER | ||||||
| LE REPERE 1-15 (TGB-424031) NE SE DETAILLE PLUS PAR LE FOURNISSEUR | ||||||
| 01-16 |
CUVE CARBU BULLET 50 Ref TGB-424043 |
26,04 € | not_interested |
|
||
| REPERE 01-17, VEUILLEZ NOUS CONSULTER | ||||||
| LE REPERE 01-18 (TGB-424096) NE SE DETAILLE PLUS PAR LE FOURNISSEUR | ||||||
| 01-2 |
AIGUILLE CARBU BULLET 50 Ref TGB-GA508AL01 |
162,60 € | not_interested |
|
||
| 01-3 |
POINTEAU CARBU SCOOTER Ref TGB-GA508FE05 |
17,64 € | done_outline |
|
||
| REPERES 01-4 A 01-5, VEUILLEZ NOUS CONSULTER | ||||||
| 01-6 |
FOTTEURS CARBU BULLET 50 Ref TGB-GA508PL10 |
46,68 € | not_interested |
|
||
| 01-7 |
RESSORT CARBU BULLET 50 Ref TGB-424080 |
0,72 € | not_interested |
|
||
| 01-8 |
CLIPS AIUGUILLE BULLET 50 Ref TGB-424012 |
2,04 € | not_interested |
|
||
| REPERE 01-9, VEUILLEZ NOUS CONSULTER | ||||||
