icon
Hotline
03 72 79 00 10
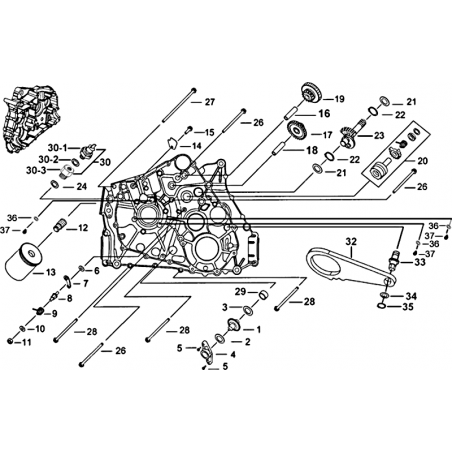
| N° | Désignation | Prix TTC | Stock | |
|---|---|---|---|---|
| 01 |
PIGNON CHAINE POMPE A EAU Ref TGB-D9900066 |
60,00 € | done_outline |
|
| 02 |
RONDELLE 14X32X1 Ref TGB-W99412 |
1,56 € | done_outline |
|
| 03 |
RONDELLE 12,3X22X1 425 TGB Ref TGB-W99430 |
2,04 € | done_outline |
|
| 04 |
BUTEE AXE POMPE EAU Ref TGB-924393 |
38,16 € | done_outline |
|
| 05 |
VIS M6X1X25 Ref TGB-S70602 |
0,96 € | done_outline |
|
| 06 |
RONDELLE 425 TGB
Ref TGB-W99616
|
0,84 € | done_outline |
|
| 07 |
DOIGT VERROUL.SELECTEUR 425 TG Ref TGB-924231 |
8,76 € | done_outline |
|
| 08 |
VIS DOIGT VERROUILLAGE 425 TGB Ref TGB-924233 |
5,52 € | done_outline |
|
| 09 |
RESSORT 425 TGB Ref TGB-924232 |
2,76 € | done_outline |
|
| 10 |
RONDELLE BUTEE RESSORT 425 TGB Ref TGB-W99617 |
1,68 € | done_outline |
|
| 11 |
ECROU 6 MM Ref TGB-N10601 |
1,44 € | done_outline |
|
| 12 |
GOUJON FILTRE A HUILE Ref TGB-924374 |
11,16 € | done_outline |
|
| 13 |
FILTRE A HUILE
Ref MO-268148
|
25,80 € | done_outline |
|
| 14 |
PLAQUETTE DEFLECTEUR HUIL425 Ref TGB-924048 |
1,56 € | done_outline |
|
| 15 |
VIS LANCEUR M6X12 TGB
Ref TGB-S24604
|
0,72 € | done_outline |
|
| 16 |
AXE PIGNON FOU 425 Ref TGB-924112 |
8,76 € | not_interested |
|
| 17 |
PIGNON RENVOI 425 Ref TGB-924110 |
47,76 € | done_outline |
|
| 18 |
AXE PIGNON FOU DEMARREUR 425 Ref TGB-924111 |
8,16 € | done_outline |
|
| 19 |
PIGNON 14T-44T Ref TGB-926089 |
100,68 € | not_interested |
|
| 20 |
ARBRE SELECTION COMPLET 425 TG Ref TGB-925690 |
77,76 € | done_outline |
|
| 21 |
RONDELLE Ref TGB-W99218 |
0,96 € | done_outline |
|
| 22 |
CIRCLIPS 425 Ref TGB-R00703 |
0,84 € | done_outline |
|
| 23 |
PIGNON SECONDAIRE Ref TGB-926164 |
27,84 € | done_outline |
|
| 24 |
RONDELLE JOINT DE BOUCHON DE VIDANGE 110
Ref TGB-W99433
|
5,04 € | done_outline |
|
| 26 |
VIS CARTER M6X74 Ref TGB-S24627 |
2,52 € | done_outline |
|
| 27 |
VIS EPAULEE M8X97,5L Ref TGB-S21812 |
4,80 € | not_interested |
|
| 28 |
VIS CARTER M6X50
Ref TGB-S24602
|
2,28 € | done_outline |
|
| 29 |
BAGUE
Ref TGB-924739
|
4,56 € | done_outline |
|
| 30 |
KIT SONDE PRESSION HUILE DIAM 14. 101
Ref TGB-925826A
|
56,52 € | done_outline |
|
| 30-1 |
SONDE PRESS. HUILE PETIT DIAM 10.
Ref TGB-925826
|
54,00 € | done_outline |
|
| 30-2 |
RONDELLE Ref TGB-W99020 |
1,32 € | done_outline |
|
| 30-3 |
VIS M14 1.25X1/0X9 Ref TGB-S96201 |
20,40 € | done_outline |
|
| 32 |
PATTE Ref TGB-926161 |
41,76 € | done_outline |
|
| 33 |
BUTEE VERROUILLAGE BLADE 550 L Ref TGB-925737 |
18,24 € | done_outline |
|
| 34 |
RONDELLE Ref TGB-W99218 |
0,96 € | done_outline |
|
| 35 |
CIRCLIPS 425 Ref TGB-R00703 |
0,84 € | done_outline |
|
| 36 |
RONDELLE Ref TGB-W99810 |
1,20 € | done_outline |
|
| 37 |
VIS M8X1.25 Ref TGB-S75802 |
1,44 € | done_outline |
|
