icon
Hotline
03 72 79 00 10
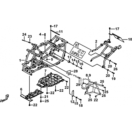
| N° | Désignation | Prix TTC | Stock | |||
|---|---|---|---|---|---|---|
| 01 |
CHASSIS 250 SERIE 551809 TGB Ref TGB-511952 |
826,32 € | not_interested |
|
||
| 02 |
BOUCLE ARRIERE TGB Ref TGB-511920 |
210,84 € | done_outline |
|
||
| 04 |
VIS M10X1.25X50 Ref TGB-S99004 |
3,96 € | not_interested |
|
||
| 05 |
ECROU BULLET 50 Ref TGB-GA501NT01 |
0,72 € | done_outline |
|
||
| REPERE 06, SI NO SERIE < = 551890, UTILISER LA REF. CI-DESSOUS : | ||||||
| 06 |
SABOT AVANT TGB Ref TGB-511925 |
29,88 € | not_interested |
|
||
| REPERE 06A, SI NO SERIE >= 551891, UTILISER LA REF. CI-DESSOUS : | ||||||
| 06A |
SABOT AVANT Ref TGB-511394 |
32,04 € | done_outline |
|
||
| 07 |
PROTECTION SOUS CHASSIS
Ref TGB-519807
|
45,84 € | done_outline |
|
||
| REPERE 08, SI NO SERIE < = 554051, UTILISER LA REF. CI-DESSOUS : | ||||||
| 08 |
PASSAGE ROUE AV G 425 TGB Ref TGB-511948 |
33,48 € | done_outline |
|
||
| REPERE 08A, SI NO SERIE COMPRIS ENTRE 554052 & 554221, UTILISER LA REF. CI-DESSOUS : | ||||||
| 08A |
PASSAGE DE ROUE + SUPPORT/VIS NOUS CONSULTER Ref TGB-511301-S |
57,24 € | done_outline |
|
||
| REPERE 08B, SI NO SERIE >= 554222, UTILISER LA REF. CI-DESSOUS : | ||||||
| 08B |
PASSAGE DE ROUE G V-TWIN Ref TGB-511301 |
43,56 € | done_outline |
|
||
| REPERE 09, SI NO SERIE < = 554051, UTILISER LA REF. CI-DESSOUS : | ||||||
| LE REPERE 09 (TGB-511949) NE SE DETAILLE PLUS PAR LE FOURNISSEUR, VOUS POUVEZ ADAPTER LA REF 09A MAIS CELA NECESSITE DES MODIFICATIONS | ||||||
| REPERE 09A, SI NO SERIE >= 554052, UTILISER LA REF. CI-DESSOUS : | ||||||
| 09A |
PASSAGE DE ROUE D TGB 550 IRS Ref TGB-511994 |
42,24 € | done_outline |
|
||
| 10 |
SUPPORT PLAQUE IMMAT. TGB Ref TGB-511935 |
30,48 € | not_interested |
|
||
| 11 |
CALE DE SELLE 250 LE TGB Ref TGB-511950 |
12,84 € | not_interested |
|
||
| 12 |
FIXATION MOTEUR AVANT TGB Ref TGB-513797 |
17,52 € | not_interested |
|
||
| 13 |
TENDEUR DE CHAINE TGB Ref TGB-511930 |
6,60 € | done_outline |
|
||
| 14 |
ENTRETOISE TGB Ref TGB-511931 |
5,64 € | done_outline |
|
||
| 15 |
RONDELLE ELASTIQUE 8,2X15X2 Ref TGB-GA556WS04 |
0,84 € | done_outline |
|
||
| 16 |
VIS ROULETTE CHAINE Ref TGB-S20805 |
2,52 € | done_outline |
|
||
| 17 |
VIS EPAULEE M6X16
Ref TGB-GA555SC05
|
1,56 € | done_outline |
|
||
| 18 |
VIS EPAULEE M8X1.25X20
Ref TGB-S20814
|
2,64 € | done_outline |
|
||
| 19 |
VIS M10 Ref TGB-S21011 |
3,60 € | done_outline |
|
||
| 20 |
RONDELLE ELASTIQUE
Ref TGB-GA556WS06
|
0,96 € | done_outline |
|
||
| 21 |
ENTRETOISE Ref TGB-GA554BS02 |
1,08 € | done_outline |
|
||
| 22 |
VIS M6X16 TGB 104
Ref TGB-S25602
|
2,04 € | done_outline |
|
||
| REPERE 23, SI NO SERIE < = 551808, UTILISER LA REF. CI-DESSOUS : | ||||||
| 23 |
RESSORT AXE VERROU DIREC TGB Ref TGB-511941 |
1,20 € | not_interested |
|
||
| REPERE 23A, SI NO SERIE >= 551809, UTILISER LA REF. CI-DESSOUS : | ||||||
| 23A |
RESSORT VERROUIL.DIRECT. 425 T Ref TGB-511946 |
2,40 € | done_outline |
|
||
| REPERE 24, SI NO SERIE < = 551808, UTILISER LA REF. CI-DESSOUS : | ||||||
| 24 |
AXE VERROUILLAGE DIRECTION TGB Ref TGB-511940 |
9,48 € | not_interested |
|
||
| REPERE 24A, SI NO SERIE COMPRIS ENTRE 551809 & 553150, UTILISER LA REF. CI-DESSOUS : | ||||||
| 24A |
GOUPILLE DIRECTION 425 TGB Ref TGB-511945 |
7,08 € | not_interested |
|
||
| REPERE 24B, SI NO SERIE >= 553151, UTILISER LA REF. CI-DESSOUS : | ||||||
| 24B |
GOUPILLE DIRECTION Ref TGB-511953 |
7,08 € | done_outline |
|
||
| 25 |
VIS EPAULEE M6X16 VERT FONCE 105 Ref TGB-S07601 |
3,84 € | done_outline |
|
||
| 26 |
VIS ARBRE TRANSMISSION 425
Ref TGB-S21007
|
6,72 € | done_outline |
|
||
| REPERE 27, POUR REPARATION | ||||||
| 27 |
KIT FIX.SILENCIEUX BLADE-TARGE Ref TGB-515301A |
44,16 € | not_interested |
|
||
| REPERE 28, SI NO SERIE >= 554222, UTILISER LA REF. CI-DESSOUS : | ||||||
| 28 |
ETRIER DE FIXATION TGB 550 IRS Ref TGB-516048 |
5,88 € | done_outline |
|
||
| REPERE 29, SI NO SERIE >= 554222, UTILISER LA REF. CI-DESSOUS : | ||||||
| 29 |
VIS EPAULEE M6X16
Ref TGB-GA555SC05
|
1,56 € | done_outline |
|
||
