icon
Hotline
03 72 79 00 10
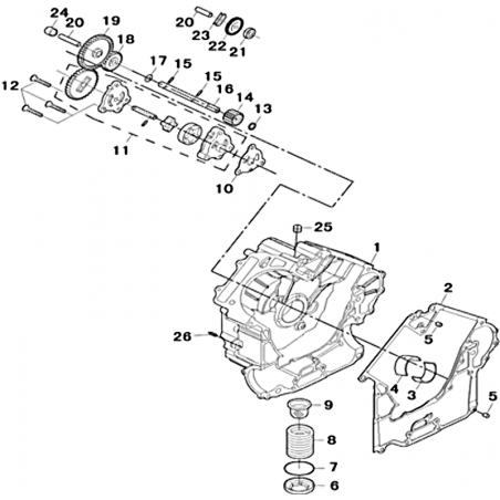
| N° | Désignation | Prix TTC | Stock | |||
|---|---|---|---|---|---|---|
| POUR LE REPERE 1, VOIR LE REPERE 1 DU CHAPITRE CARTER MOTEUR GAUCHE / POMPE A EAU. LES PIECES DOIVENT ETRE REMPLACEES EN MEME TEMPS. | ||||||
| 2 |
JOINT CARTER CENTRAL Ref HS-11101-012-0000 |
33,72 € | done_outline |
|
||
| 3 |
PALIER DE VIBREQUIN RB9173KU Ref HS-92201-F68-0000 |
36,48 € | done_outline |
|
||
| 4 |
PALIER DE VIBREQUIN RB9173KL Ref HS-92204-010-0000 |
18,24 € | done_outline |
|
||
| 5 |
CENTREUR 10X16
Ref HY2531017
|
0,72 € | done_outline |
|
||
| 6 |
BOUCHON DE VIDANGE MOTEUR
Ref HY23111
|
7,08 € | done_outline |
|
||
| 7 |
JOINT TORIQUE 36X3.5
Ref HY23112
|
5,88 € | done_outline |
|
||
| 8 |
RESSORT DE COMPRESSION CREPINE
Ref HY23110
|
13,44 € | done_outline |
|
||
| 9 |
CREPINE D'HUILE
Ref HS-15203-F11-0000
|
5,16 € | done_outline |
|
||
| 10 |
JOINT DE POMPE A HUILE Ref HS-15101-F68-0000 |
1,08 € | done_outline |
|
||
| 11 |
ENSEMBLE POMPE A HUILE Ref HS-15100-F68-0000 |
38,16 € | done_outline |
|
||
| 12 |
VIS M6X30 Ref HS-819-6-30 |
1,08 € | done_outline |
|
||
| 13 |
CIRCLIP D. 10 Ref HS-90710-F68-0000 |
0,72 € | done_outline |
|
||
| 14 |
ENGRENAGE METAL Ref HS-19714-010-0001 |
13,20 € | done_outline |
|
||
| 15 |
GOUPILLE D.4X21 Ref HS-19722-F68-0000 |
2,28 € | done_outline |
|
||
| 16 |
AXE DE POMPE A EAU Ref HS-19709-F68-0000 |
12,60 € | done_outline |
|
||
| 17 |
RONDELLE 10,3X17X1 Ref HS-90601-F68-0000 |
0,72 € | done_outline |
|
||
| 18 |
ENGRENAGE DE POMPE A EAU Ref HS-19712-F68-0000 |
7,56 € | done_outline |
|
||
| 19 |
PIGNON DE POMPE A HUILE Ref HS-15160-F68-0000 |
6,48 € | done_outline |
|
||
| 20 |
ARBRE Ref HS-31230-F68-0000 |
3,48 € | done_outline |
|
||
| 21 |
ROULEMENT 6200 10X30X9MM Ref RT-6200-2RS |
10,32 € | done_outline |
|
||
| 22 |
PIGNON AIR CARBURANT Ref HS-15320-F68-0000 |
4,80 € | done_outline |
|
||
| 23 |
JOINT Ref HS-91214-F68-0000 |
6,96 € | done_outline |
|
||
| 24 |
ENTRETOISE PIGNON POMPE HUILE Ref HS-19723-010-0000 |
3,48 € | done_outline |
|
||
| 25 |
VIS Ref HS-90406-J00000-0200 |
3,36 € | not_interested |
|
||
| 26 |
PION Ref HS-19713-F68-0000 |
1,08 € | not_interested |
|
||
