shopping_basket
Panier
(0)
icon
Hotline
03 72 79 00 10
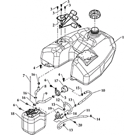
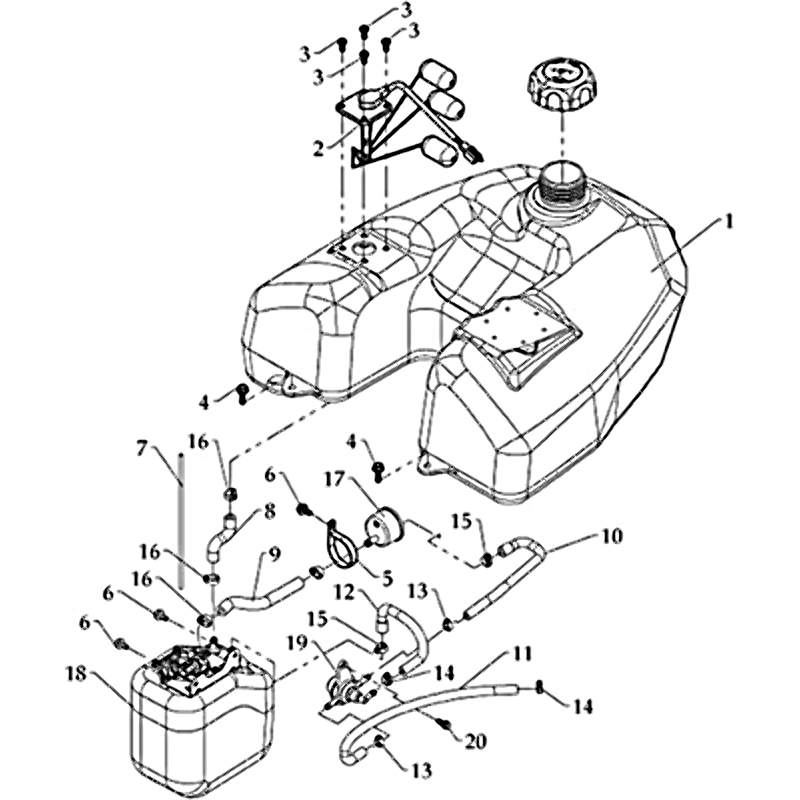
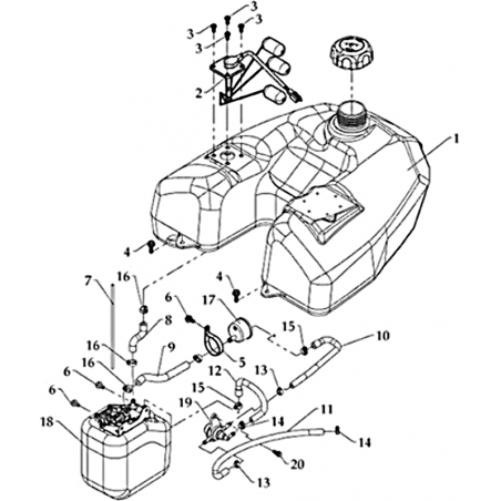
2027_32_0001
