icon
Hotline
03 72 79 00 10
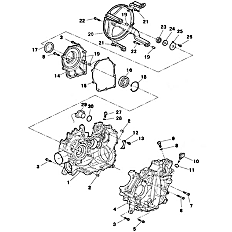
| N° | Désignation | Prix TTC | Stock | |||
|---|---|---|---|---|---|---|
| POUR LE REPERE 1, VOIR LE REPERE 4. LES PIECES DOIVENT ETRE REMPLACEES EN MEME TEMPS. | ||||||
| 2 |
PION D.9XD.12X16 Ref HS-90803-F11-0000 |
1,44 € | done_outline |
|
||
| 3 |
VIS M6X30 Ref HS-5787-6-30 |
1,08 € | done_outline |
|
||
| LE REPERE 4 CONTIENT AUSSI LE CARTER DROIT (REPERE 1). ILS DOIVENT ETRE REMPLACES EN MEME TEMPS. | ||||||
| 4 |
CARTER MOTEUR GAUCHE Ref HS-1120A-004000-0001 |
670,08 € | done_outline |
|
||
| 5 |
VIS M6X40
Ref HY23615
|
1,32 € | done_outline |
|
||
| 6 |
VIS M6X85 Ref HS-5787-6-85 |
1,08 € | done_outline |
|
||
| 7 |
VIS M8X40 Ref HS-70-1-8-40 |
1,08 € | done_outline |
|
||
| 8 |
RONDELLE 14X20X1 Ref HS-90601-J00000-0700 |
1,80 € | done_outline |
|
||
| 9 |
VIS M14X1,5X16 Ref HS-GB-T-5789-1986 |
1,80 € | done_outline |
|
||
| 10 |
JAUGE REMPLISSAGE Ref HS-15651-F39-0000 |
3,12 € | done_outline |
|
||
| 11 |
JOINT TORIQUE 18X3.55 DE JAUGE Ref HY10844 |
0,96 € | done_outline |
|
||
| 12 |
PLAQUE Ref HS-11111-F39-0000 |
1,44 € | not_interested |
|
||
| 13 |
VIS M6X16 Ref HS-93107-0601-6060 |
1,08 € | done_outline |
|
||
| 14 |
CARTER DROIT
Ref HS-21240-F39-0000
|
77,04 € | done_outline |
|
||
| 15 |
JOINT DE CARTER Ref HS-21241-F39-0000 |
7,92 € | done_outline |
|
||
| 16 |
ROULEMENT 16010 Ref HS-276-16010 |
78,84 € | done_outline |
|
||
| 17 |
JOINT SPY 35X65X9 Ref HS-91102-F39-0000 |
29,40 € | done_outline |
|
||
| 18 |
CIRCLIP 80 Ref HS-90704-F39-0000 |
1,68 € | done_outline |
|
||
| 19 |
CENTREUR 10X16
Ref HY2531017
|
0,72 € | done_outline |
|
||
| 20 |
SUPPORT ROULEMENT Ref HS-11330-F39-0000 |
85,68 € | done_outline |
|
||
| 21 |
VIS M6X32 Ref HS-93109-0603-2060 |
0,96 € | not_interested |
|
||
| 22 |
VIS M6X40 Ref HS-93109-0604-0060 |
1,68 € | not_interested |
|
||
| 24 |
JOINT SPY 12X32X6 Ref HS-91101-F12-0000 |
11,52 € | done_outline |
|
||
| 25 |
PLAQUE Ref HS-11331-F12-0000 |
0,84 € | done_outline |
|
||
| 26 |
VIS M6X16 Ref HS-93107-0601-6060 |
1,08 € | done_outline |
|
||
| 27 |
CAPTEUR RAPPORT VITESSE M ARR
Ref HS-37125-055-0000
|
8,64 € | done_outline |
|
||
| 28 |
RONDELLE 10.2X16X1.2 Ref HS-90614-F39-0000 |
0,96 € | done_outline |
|
||
| 29 |
CAPTEUR RAPPORT VITESSE Ref HS-37120-055-0000 |
18,72 € | done_outline |
|
||
| 30 |
JOINT TORIQUE 29,6X2,4 Ref HS-37121-055-0000 |
2,64 € | done_outline |
|
||
| 31 |
JOINT TORIQUE 29,6X2,4 Ref HS-37121-055-0000 |
2,64 € | done_outline |
|
||
