shopping_basket
Panier
(0)
icon
Hotline
03 72 79 00 10
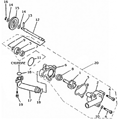
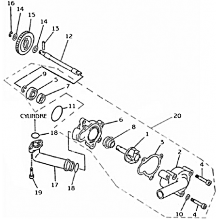
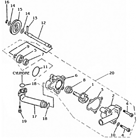
1019_30_0001
