icon
Hotline
03 72 79 00 10
| N° | Désignation | Prix TTC | Stock | |||
|---|---|---|---|---|---|---|
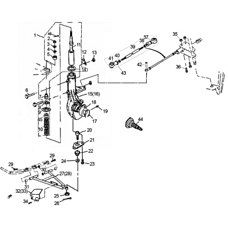
| 1 |
ENSEMBLE AMORTISSEUR Ref HY26907 |
152,28 € | not_interested |
|
||
| 2 |
ECROU M14X1.5 Ref HY10091 |
0,96 € | done_outline |
|
||
| 3 |
RONDELLE 14 Ref HY21802 |
1,08 € | not_interested |
|
||
| 4 |
ENTRETOISE CAOUTCHOUC Ref HY21803 |
2,04 € | done_outline |
|
||
| 5 |
BAGUE AMORTISSEUR Ref HY21804 |
22,32 € | done_outline |
|
||
| 6 |
VIS M8X55 Ref HY10093 |
0,84 € | done_outline |
|
||
| 7 |
ECROU Ref HY21806 |
4,44 € | done_outline |
|
||
| 8 |
BAGUE INFERIEURE Ref HY21807 |
21,48 € | done_outline |
|
||
| 9 |
BAGUE DE RETENUE DE RESSORT Ref HY21808 |
11,16 € | done_outline |
|
||
| 10 |
RESSORT AMORTISSEUR ROUGE Ref HY26909 |
66,00 € | done_outline |
|
||
| 11 |
AMORTISSEUR Ref HY38203 |
141,60 € | done_outline |
|
||
| 12 |
COLLIER Ref HY21811 |
2,64 € | not_interested |
|
||
| 13 |
ECROU M8
Ref HY10079
|
1,32 € | done_outline |
|
||
| 14 |
BAGUE DE RETENUE DE RESSORT Ref HY21813 |
0,96 € | done_outline |
|
||
| 15 |
JAMBE DE FORCE GAUCHE GRIS Ref HY26910 |
243,36 € | not_interested |
|
||
| 15 |
JAMBE DE FORCE GAUCHE NOIRE Ref HY26910-N |
243,36 € | done_outline |
|
||
| 16 |
JAMBE DE FORCE DROITE GRIS Ref HY26911 |
243,36 € | not_interested |
|
||
| 16 |
JAMBE DE FORCE DROITE NOIRE Ref HY26911-N |
243,36 € | done_outline |
|
||
| 17 |
CIRCLIP Ref HY26912 |
0,72 € | done_outline |
|
||
| 18 |
ROULEMENT 0704 Ref 123-DAC35640037 |
49,95 € | done_outline |
|
||
| 19 |
GRAISSEUR
Ref HY60504
|
1,32 € | done_outline |
|
||
| 20 |
ROTULE INFERIEURE + CACHE POUS
Ref HY20512
|
44,16 € | done_outline |
|
||
| 21 |
SUPPORT ROTULE INFERIEURE
Ref HY20513
|
6,72 € | done_outline |
|
||
| LE REPERE 22 NE SE DETAILLE PLUS, NOUVELLE ROTULE ETANCHE, REPERE 20 | ||||||
| 23 |
VIS M6X12 TETE FRAISEE
Ref HY10022
|
1,32 € | done_outline |
|
||
| 24 |
RONDELLE PLATE 10 Ref HY10089 |
1,68 € | done_outline |
|
||
| 25 |
ECROU M10 X 1.25 Ref HY10023 |
1,56 € | done_outline |
|
||
| 26 |
GOUPILLE FENDUE
Ref HY10021
|
2,40 € | done_outline |
|
||
| 27 |
TRIANGLE AVANT GAUCHE ne se détail plus Ref HY20518F |
87,60 € | done_outline |
|
||
| 28 |
TRIANGLE AVANT DROIT Ref HY20627F |
87,60 € | done_outline |
|
||
| 29 |
VIS ARTICULATION TRIANGLE12X75 Ref HY20522F |
11,04 € | done_outline |
|
||
| 30 |
ECROU M12X1.25
Ref HY10136
|
1,44 € | done_outline |
|
||
| 31 |
SILENT BLOC
Ref HY20524F
|
17,52 € | done_outline |
|
||
| 32 |
PROTECTION GAUCHE Ref HY20519 |
10,56 € | done_outline |
|
||
| 33 |
PROTECTION DROITE
Ref HY20628
|
10,56 € | done_outline |
|
||
| 34 |
VIS M5X12 Ref HY10001 |
1,08 € | done_outline |
|
||
| 35 |
ECROU M10X125 NOIR
Ref HY10015
|
4,68 € | done_outline |
|
||
| 36 |
VIS M10X1.25X55
Ref HY10016
|
0,96 € | done_outline |
|
||
| 37 |
ROTULE FILETAGE A DROITE 102
Ref HY20503
|
28,20 € | done_outline |
|
||
| 38 |
CONTRE ECROU DROIT Ref HY10017 |
1,08 € | done_outline |
|
||
| 39 |
AXE DE BIELLETTE Ref HY20505 |
52,44 € | done_outline |
|
||
| 40 |
CONTRE ECROU GAUCHE Ref HY20506 |
1,80 € | done_outline |
|
||
| 41 |
ROTULE FILETAGE A GAUCHE 102
Ref HY20507
|
28,20 € | done_outline |
|
||
| 42 |
VIS PERCEE M10X1.25X55 Ref HY10018 |
3,12 € | done_outline |
|
||
| LE REPERE 44 NE CONCERNE QUE LES VEHICULES 4X2 | ||||||
| 43 |
ENSEMBLE BIELLETTE Long 20.4 CM
Ref HY20629
|
71,28 € | done_outline |
|
||
| 44 |
FUSEE Ref HY27192 |
110,64 € | done_outline |
|
||
| 45 |
BAGUE DE RETENUE DE RESSORT Ref HY25110 |
5,04 € | done_outline |
|
||
| 46 |
GOUPILLE 1.6X28 Ref KD-16280000 |
0,96 € | done_outline |
|
||
