icon
Hotline
03 72 79 00 10
| N° | Désignation | Prix TTC | Stock | |||
|---|---|---|---|---|---|---|
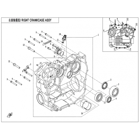
| 01 |
CARTER MOTEUR DROIT Ref 0GR0-012000-10000 |
400,96 € | done_outline |
|
||
| 02 |
JOINT SPI 30×45×7 Ref 0180-012006-10000 |
7,78 € | done_outline |
|
||
| 30X45X8 | ||||||
| 03 |
ROULEMENT 3206A Ref 30499-03000 |
79,09 € | done_outline |
|
||
| 5206 | ||||||
| 04 |
ROULEMENT 6203 Ref 30400-01704 |
17,32 € | done_outline |
|
||
| 17 | ||||||
| 05 |
GUIDE, CHAINE DE DISTRIBUTION Ref 0800-011007 |
2,59 € | done_outline |
|
||
| 06 |
VIS M6X16 Ref 0010-090005-0010 |
0,82 € | done_outline |
|
||
| M6x16 | ||||||
| 07 |
CAPTEUR INFORMATION POSITION VITESSE Ref 080V-012200-2000 |
31,93 € | done_outline |
|
||
| ORDINARY | ||||||
| 08 |
JOINT TORIQUE 24×2.5
Ref 0180-023002
|
1,78 € | done_outline |
|
||
| 24x2.5 | ||||||
| 09 |
VIS M6X50 Ref 0JWV-011108-3000 Disponible à partir du 14/06/2026 |
0,70 € | done_outline |
|
||
| M6x50 | ||||||
| 10 |
CAPTEUR DE PRESSION HUILE
Ref 0800-012400
|
15,87 € | done_outline |
|
||
| 11 |
JOINT 10 104
Ref 0010-060010
|
1,50 € | done_outline |
|
||
| 10 | ||||||
| 12 |
VIS M8X50 Ref 0040-012006-0010 |
1,74 € | done_outline |
|
||
| M8X50 | ||||||
| 13 |
ROULEMENT Ref 30400-02201 |
16,38 € | done_outline |
|
||
| 14 |
SUPPORT FIXATION CABLE Ref 6WWV-030080-8000 |
0,82 € | done_outline |
|
||
| 15 |
EMBOUT - BOUCHON Ref 0800-011400-00001 |
10,37 € | done_outline |
|
||
| 16 |
ENSEMBLE COUSSINET ROUGE (jeu de 2 coussinets) Ref 0800-0111A0-00001 |
23,34 € | done_outline |
|
||
| RED | ||||||
| 16 |
ENSEMBLE DE 2 COUSSINET BLEU Ref 0800-0111B0-00001 |
23,34 € | done_outline |
|
||
| BLUE | ||||||
Le CARTER MOTEUR DROIT est un élément essentiel pour assurer le bon fonctionnement de votre quad. En tant que composant central du moteur, il joue un rôle crucial dans la protection et le maintien des pièces internes, garantissant ainsi une performance optimale de votre véhicule tout-terrain.
Ce carter moteur droit relie et protège divers éléments mécaniques, tels que les arbres de transmission et les pignons, tout en contenant l'huile moteur nécessaire à la lubrification. En cas d'usure ou de dommages, vous pourriez rencontrer des fuites d'huile, des br
