- Nouveau
shopping_basket
Panier
(0)
icon
Hotline
03 72 79 00 10
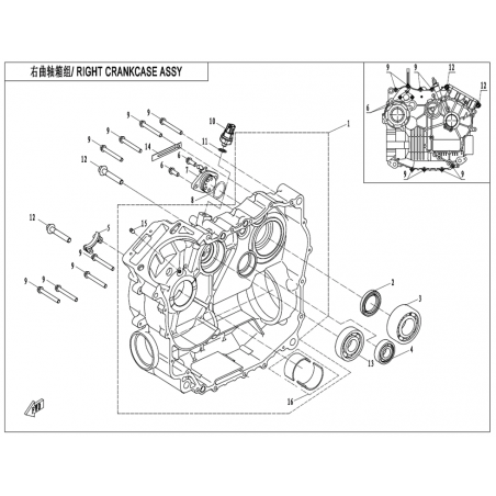
Le CARTER MOTEUR DROIT est un composant essentiel qui joue un rôle crucial dans le bon fonctionnement de votre véhicule tout-terrain. En tant que pièce maîtresse, il abrite et protège les éléments internes du moteur, garantissant ainsi une performance optimale et une durabilité accrue.
Ce composant mécanique relie divers éléments du moteur, tels que le vilebrequin et les arbres à cames, tout en assurant une étanchéité parfaite pour éviter les fuites d'huile. En cas d'usure ou de défaillance, vous pourriez constater des
