- Nouveau
shopping_basket
Panier
(0)
icon
Hotline
03 72 79 00 10
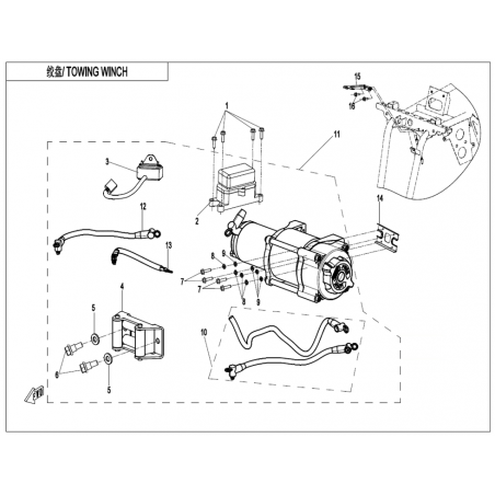
Le TREUIL DE REMORQUAGE (CORDAGE EN NYLON) est un élément essentiel pour garantir la performance et la sécurité de votre véhicule tout-terrain. Il joue un rôle crucial dans les situations où un remorquage est nécessaire, permettant de sortir votre quad des situations délicates, que ce soit dans la boue, sur des terrains escarpés ou lors de pannes.
Ce composant mécanique relie le véhicule à la charge à remorquer, assurant une traction efficace. En cas d'usure, vous pourriez rencontrer des difficultés lors du rem
