- Nouveau
shopping_basket
Panier
(0)
icon
Hotline
03 72 79 00 10
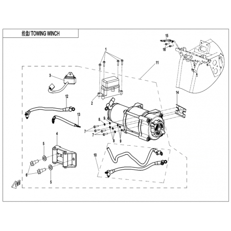
Le TREUIL DE REMORQUAGE (CORDAGE EN NYLON) est un élément essentiel pour garantir la performance et la sécurité de votre véhicule tout-terrain. Il joue un rôle crucial dans les situations de traction, permettant de sortir votre quad des terrains difficiles ou de remorquer d'autres véhicules en cas de besoin.
Ce composant mécanique relie le treuil à la charge à tracter, assurant ainsi une transmission efficace de la force. En cas d'usure, vous pourriez rencontrer des difficultés lors des manœuvres de remorquage, telles qu'une
