- Nouveau
shopping_basket
Panier
(0)
icon
Hotline
03 72 79 00 10
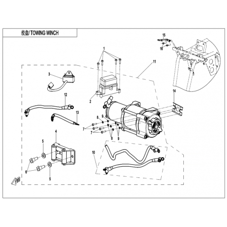
Le TREUIL DE REMORQUAGE (CORDAGE EN NYLON) est un élément essentiel pour garantir la performance et la sécurité de votre véhicule tout-terrain. Il permet de tirer ou de déplacer des charges lourdes, facilitant ainsi les manœuvres dans des terrains difficiles. Sa présence est cruciale pour les utilisateurs de quads, notamment lors de situations d'urgence ou de récupération.
Ce composant mécanique joue un rôle fondamental en reliant le véhicule à la charge à remorquer, tout en protégeant les autres éléments du système de traction. En cas d'us
