- Nouveau
shopping_basket
Panier
(0)
icon
Hotline
03 72 79 00 10
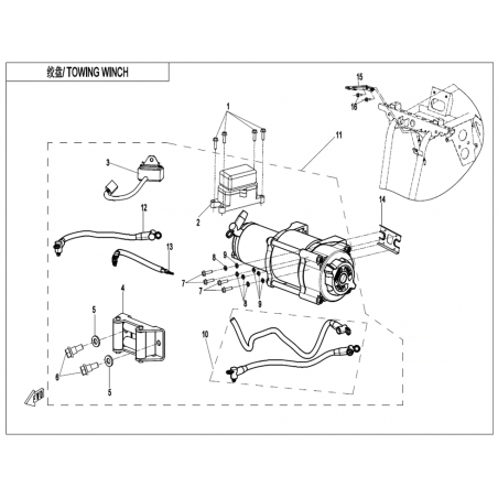
Le TREUIL DE REMORQUAGE (CORDAGE EN NYLON) est un élément essentiel pour garantir la performance et la sécurité de votre véhicule tout-terrain. Il permet de tirer ou de remorquer d'autres véhicules, facilitant ainsi les opérations de sauvetage ou de transport dans des conditions difficiles.
Ce composant mécanique joue un rôle crucial en reliant le véhicule à la charge à remorquer, tout en protégeant les autres éléments de la transmission. En cas d'usure, vous pourriez constater des signes tels qu'une diminution de la capacité de traction, des
