- Nouveau
shopping_basket
Panier
(0)
icon
Hotline
03 72 79 00 10
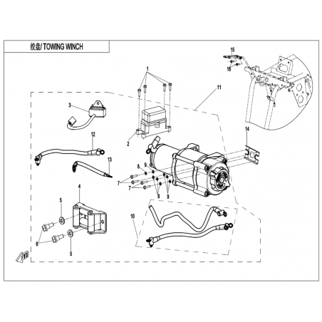
Le TREUIL DE REMORQUAGE (CORDAGE EN NYLON) est un élément essentiel pour garantir la performance et la sécurité de votre véhicule tout-terrain. Il permet de tracter efficacement d'autres véhicules ou de se sortir de situations difficiles, rendant chaque sortie en pleine nature plus sereine et agréable.
Ce composant mécanique joue un rôle crucial en reliant le véhicule à la charge à tracter, tout en protégeant les autres éléments du système de remorquage. En cas d'usure, vous pourriez remarquer des signes tels qu'une diminution de la capacité
