- Nouveau
shopping_basket
Panier
(0)
icon
Hotline
03 72 79 00 10
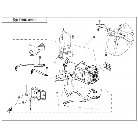
Le TREUIL DE REMORQUAGE (CORDAGE EN NYLON) est un élément essentiel pour garantir la performance et la sécurité de votre véhicule tout-terrain. Il joue un rôle crucial dans les situations où un remorquage est nécessaire, que ce soit pour sortir un quad embourbé ou pour transporter un autre véhicule. Sa robustesse et sa fiabilité sont primordiales pour éviter les accidents et assurer une utilisation optimale de votre machine.
Ce composant mécanique relie différentes parties du système de remorquage, permettant ainsi une traction efficace. En cas d
