- Nouveau
shopping_basket
Panier
(0)
icon
Hotline
03 72 79 00 10
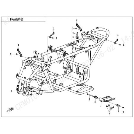
Le CHASSIS est un élément essentiel qui assure la structure et la stabilité de votre véhicule tout-terrain. Il joue un rôle fondamental dans le bon fonctionnement de votre quad, garantissant une conduite sécurisée et agréable sur tous types de terrains.
En tant que composant central, le CHASSIS relie et protège divers éléments mécaniques tels que le moteur, la suspension et les roues. Il est conçu pour absorber les chocs et les vibrations, offrant ainsi une base solide pour l'ensemble du véhicule. En cas d'usure ou de défaillance, vous pourriez
