- Nouveau
icon
Hotline
03 72 79 00 10
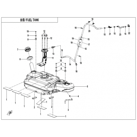
| N° | Désignation | Prix TTC | Stock | |||
|---|---|---|---|---|---|---|
| 01 |
RACCORD Ref 6KJ0-120330-10000 |
10,37 € | done_outline |
|
||
| 02 |
COLLIER
Ref 7020-120006
|
2,16 € | done_outline |
|
||
| Dia14.5 | ||||||
| 03 |
TUYAU DE CARBURANT HAUTE PRESSION Ref 5BYV-120210-1000 |
18,14 € | not_interested |
|
||
| 04 |
RACCORD EN T RAPIDE Ref 9AWA-120010 |
11,20 € | done_outline |
|
||
| 05 |
COLLIER
Ref 7020-120006
|
2,16 € | done_outline |
|
||
| 06 |
DURITE 1 MODIFIE 11/2013 YES Ref 7020-120210-2000 |
34,96 € | done_outline |
|
||
| 07 |
CAOUTCHOUC DE RESERVOIR DE CARBURANT Ref 9AW#-120002-2500 |
4,36 € | done_outline |
|
||
| 08 |
BREATHER HOSE 1, FUEL TANK Ref 9AYV-360005-2000 |
3,41 € | not_interested |
|
||
| 09 |
BOUCHON DE POMPE A CARBURANT Ref 9AWV-120101-2500 |
6,95 € | done_outline |
|
||
| 10 |
ENSEMBLE DE POMPE A CARBURANT Ref 5BWV-150900-5000 |
210,59 € | done_outline |
|
||
| 11 |
JOINT DE POMPE A CARBURANT Ref 9AWV-120102-2500 |
2,59 € | done_outline |
|
||
| 12 |
BOUCHON DE RESERVOIR Ref 9CR6-120300 |
17,32 € | done_outline |
|
||
| 13 |
RESERVOIR DE CARBURANT -PLASTIQUE- Ref 9AWA-120110 |
236,27 € | done_outline |
|
||
| 14 |
VIS M6X30
Ref 30006-060030810
|
0,82 € | done_outline |
|
||
| M6x30 | ||||||
| 15 |
ENTRETOISE Ref 7020-120160 |
1,74 € | done_outline |
|
||
| 16 |
RONDELLE AMORTISSEUR Ref 7020-120103 |
0,82 € | done_outline |
|
||
| 17 |
COLLIER Ref 30601-110520 |
0,82 € | done_outline |
|
||
| A11 | ||||||
| 18 |
FILTRE A ESSENCE Ref 9GQ0-360100 |
12,13 € | done_outline |
|
||
| 19 |
BREATHER HOSE 2, FUEL TANK Ref 9CSV-360005-6000 |
4,36 € | done_outline |
|
||
| 20 |
COLLIER Ref 30601-112010 |
0,82 € | done_outline |
|
||
| A12 | ||||||
Le RESERVOIR POMPE FILTRE A CARBURANT est un élément essentiel pour assurer le bon fonctionnement de votre véhicule tout-terrain. En tant que composant clé du système d'alimentation, il garantit que le carburant est correctement acheminé vers le moteur, permettant ainsi une performance optimale et une conduite en toute sécurité.
Ce dispositif joue un rôle mécanique crucial en reliant le réservoir de carburant au moteur, tout en filtrant les impuretés qui pourraient nuire à son fonctionnement. En cas d'usure ou de défaillance, vous pourriez
