icon
Hotline
03 72 79 00 10
| N° | Désignation | Prix TTC | Stock | |||
|---|---|---|---|---|---|---|
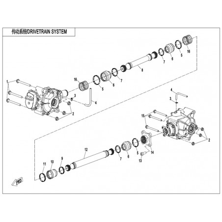
| 01 |
VIS M10×1.25×110 M10×1.25×110 Ref 30006-102110110 |
2,59 € | done_outline |
|
||
| M10x1.25x110 | ||||||
| 02 |
ECROU M10X1.25
Ref 30204-102810
|
0,82 € | done_outline |
|
||
| M10x1.25 | ||||||
| 03 |
ENTRETOISE A8 Ref 30601-108010 |
0,82 € | done_outline |
|
||
| A8 | ||||||
| 04 |
FLEXIBLE DE RENIFLARD Ref 9010-310001 |
3,41 € | done_outline |
|
||
| 05 |
COLLIER Ref 9CR6-300202 |
3,41 € | done_outline |
|
||
| 06 |
SOUFFLET Ref 9CR6-300203-10000 |
8,60 € | done_outline |
|
||
| 07 |
COLLIER Ref 9CR6-300204 |
2,59 € | done_outline |
|
||
| 08 |
ARBRE DE TRANSMISSION Ref 9AWA-290110 |
62,20 € | done_outline |
|
||
| 09 |
COLLIER Ref 9GQ0-290102 |
3,41 € | done_outline |
|
||
| 10 |
SOUFFLET Ref 9DQV-290101-6201 |
4,06 € | done_outline |
|
||
| 11 |
COLLIER Ref 9GQ0-290104 |
3,41 € | done_outline |
|
||
| 12 |
ARBRE DE TRANSMISSION ARRIERE Ref 9AWA-300110-00001 |
53,90 € | done_outline |
|
||
| 13 |
VIS M10X25 Ref 30102-102025810 |
1,78 € | done_outline |
|
||
| M10x1.25x25 | ||||||
| 14 |
MOYEU DE DISQUE Ref 9CR6-300206-10000 |
53,90 € | done_outline |
|
||
| 15 |
VIS M10X1.25X120 Ref 30006-102120810 |
5,18 € | done_outline |
|
||
| M10x1.25x120 | ||||||
| 16 |
RESSORT Ref 01A0-012009 |
3,41 € | done_outline |
|
||
La TRANSMISSSION est un élément essentiel pour assurer la performance et la sécurité de votre véhicule tout-terrain. En tant que composant clé, elle joue un rôle fondamental dans la transmission de la puissance du moteur aux roues, garantissant ainsi une conduite fluide et réactive.
Ce système mécanique relie divers éléments, tels que le moteur, le différentiel et les roues, tout en protégeant les composants internes des contraintes et des chocs. En cas d'usure, vous pourriez remarquer des bruits anormaux, des vibrations excessives ou une perte
