icon
Hotline
03 72 79 00 10
| N° | Désignation | Prix TTC | Stock | |||
|---|---|---|---|---|---|---|
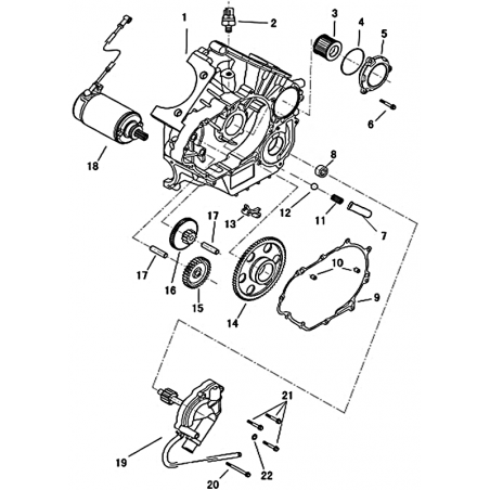
| LE REPERE 1 CONTIENT AUSSI LE CARTER DROIT (REPERE 1) DU CHAPITRE CARTER DROIT. ILS DOIVENT ETRE REMPLACES EN MEME TEMPS. | ||||||
| 1 |
CARTER GAUCHE COMPLET Ref HS-11100-F68-0000 |
592,80 € | done_outline |
|
||
| 2 |
VIS Ref HS-90406-J00000-0200 |
3,36 € | not_interested |
|
||
| 3 |
FILTRE A HUILE 104
Ref HS-15210-F68-0000
|
13,68 € | done_outline |
|
||
| 4 |
JOINT TORIQUE 61,5X2,4 Ref HS-91204-F68-0000 |
4,92 € | done_outline |
|
||
| 5 |
COUVERCLE Ref HS-15202-F68-0000 |
3,72 € | not_interested |
|
||
| 6 |
VIS M6X20
Ref HY10110
|
1,32 € | done_outline |
|
||
| 7 |
PALIER DE VIBREQUIN RB9173KL Ref HS-92204-010-0000 |
18,24 € | done_outline |
|
||
| 8 |
ROULEMENT AIGUILLE1010 Ref HS-276-1010 |
1,32 € | done_outline |
|
||
| 9 |
JOINT DE COUVERCLE CARTER GAUC
Ref HS-11323-F68-0000
|
17,04 € | not_interested |
|
||
| 10 |
PION 8X12 Ref HS-90802-F68-0000 |
0,96 € | done_outline |
|
||
| 11 |
RESSORT DE SOUPAPE Ref HS-16363-F68-0000 |
0,72 € | not_interested |
|
||
| 12 |
BILLE DE SECURITE Ref HS-15361-F68-0000 |
0,72 € | done_outline |
|
||
| 13 |
PLAQUE DE CHAINE Ref HS-14631-F68-0000 |
6,00 € | done_outline |
|
||
| 14 |
PIGNON DE ROUE LIBRE Ref HS-31240-F68-0000 |
75,60 € | done_outline |
|
||
| 15 |
PIGNON INTERMEDIAIRE Ref HS-31210-F68-0000 |
28,92 € | done_outline |
|
||
| 16 |
ROUE DENTEE Ref HS-31220-F68-0000 |
34,80 € | done_outline |
|
||
| 17 |
ARBRE Ref HS-31230-F68-0000 |
3,48 € | done_outline |
|
||
| 18 |
DEMARREUR Ref HS-31200-F68-0000 |
225,84 € | done_outline |
|
||
| REPERE 19 VOIR LE CHAPITRE POMPE A EAU | ||||||
| 20 |
VIS M6 X 65 Ref HS-5787-6-65 |
1,08 € | not_interested |
|
||
| 21 |
VIS M6X40
Ref HY23615
|
1,32 € | done_outline |
|
||
| 22 |
RONDELLE 6X12X1.5 Ref HS-90602-F39-0000 |
1,20 € | not_interested |
|
||
| 23 |
SUPPORT Ref HS-54284-F68-0000 |
2,88 € | not_interested |
|
||
| 24 |
SUPPORT Ref HS-54281-F68-0000 |
2,88 € | not_interested |
|
||
| 25 |
GOUJON M10X1.25X60 Ref HS-92002-F68-0000 |
6,48 € | done_outline |
|
||
| 26 |
GOUJON M10X1.25X75 Ref HS-92001-F68-0000 |
6,84 € | not_interested |
|
||
| 27 |
PION 12X16 Ref HS-90805-F39-0000 |
1,44 € | not_interested |
|
||
| 28 |
ECROU M10X125 NOIR
Ref HY10015
|
4,68 € | done_outline |
|
||
| 29 |
PALIER DE VIBREQUIN RB9173KU Ref HS-92201-F68-0000 |
36,48 € | done_outline |
|
||
| 30 |
PION 6X12 Ref HS-90801-F68-0000 |
0,72 € | not_interested |
|
||
| 31 |
GOUJON M8X25 Ref HS-5787-8-25 |
0,84 € | done_outline |
|
||
