Le TGB Landmax 1000 avec cabine représente la version la plus aboutie du buggy utilitaire TGB : confort supérieur, protection intégrale et robustesse inégalée.
Équipé d’un moteur bicylindre 1000 cc et d’une transmission intégrale 4×4, il est prêt à affronter toutes les conditions de travail ou de loisir.

Sur MonsterQuad.fr, retrouvez le catalogue complet de pièces détachées d’origine constructeur TGB, spécialement dédiées à la version cabine du Landmax 1000.
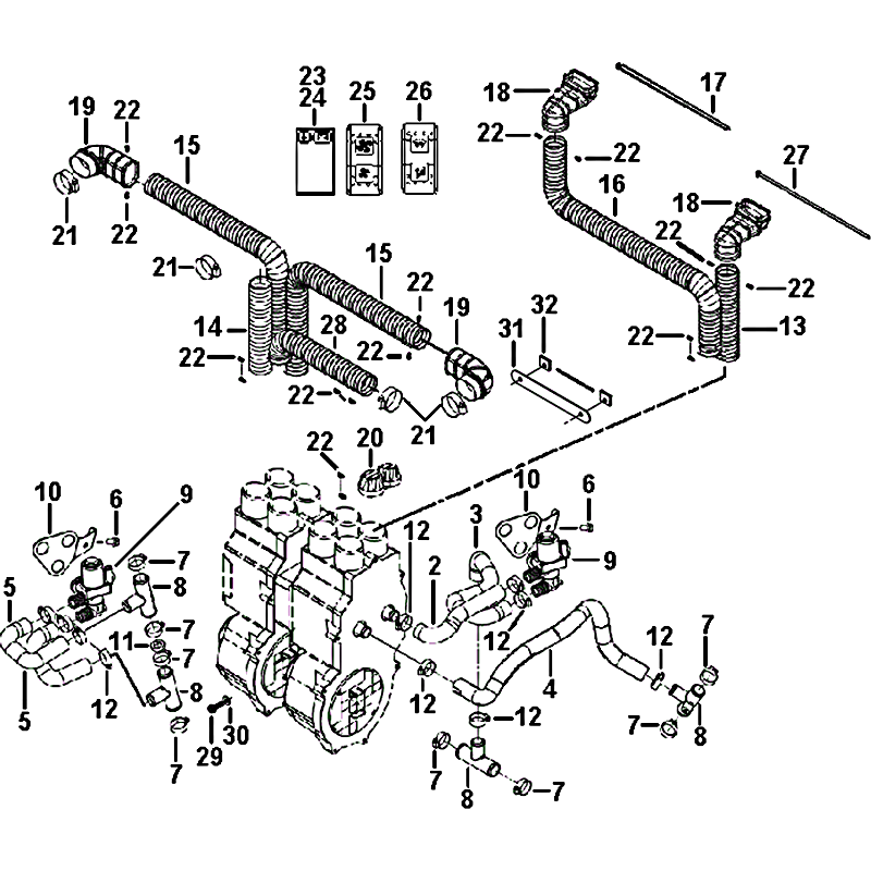
Nos vues éclatées détaillées vous permettent d’identifier facilement chaque composant : moteur, transmission, freins, ponts, carrosserie, vitrage, chauffage, électricité et accessoires spécifiques à la cabine.

Chaque pièce est certifiée TGB, garantissant une compatibilité totale, une qualité irréprochable et la préservation des performances d’origine.
Profitez d’un service de livraison rapide, de délais courts, et d’une expédition France, DOM-TOM et internationale, accompagnée d’un support technique MonsterQuad dédié TGB.

– MonsterQuad.fr – Le spécialiste des pièces TGB Landmax 1000 Cabine certifiées constructeur

Il y a 73 produits.

Affichage 1-73 de 73 article(s)

Filtres actifs

1 - MOTEUR

2 - SYSTEME ADMISSION

3 - CULASSE

4 - ADMISSION AIR

5 - CYLINDRE

6 - DEBITMETRE

7 - CARTER MOTEUR

8 - VILEBREQUIN

9 - CARTER MOTEUR GAUCHE

10 - CARTER MOTEUR DROIT

11 - SYSTEME ELECTRIQUE 1

12 - TRANSMISSION 1

13 - TRANSMISSION 2

14 - VARIATEUR

15 - ENSEMBLE ECHAPPEMENT

16 - ENSEMBLE FILTRE A AIR

17 - BLOCAGE DIFFERENTIEL...

18 - ENSEMBLE DIFFERENTIEL...

19 - DIRECTION ASSISTEE

20 - ENSEMBLE REFROIDISSEMENT

21 - SYSTEME ELECTRIQUE 2

22 - SYSTEME ELECTRIQUE 3

23 - RELAIS SUPPORTS

24 - ECLAIRAGE INT MONITEUR...

25 - CONTROLEUR...

26 - COMPTEUR

27 - ECLAIRAGE AVANT

28 - ECLAIRAGE ARRIERE

29 - CHASSIS 1

30 - CHASSIS 2

31 - CHASSIS 3

32 - ARCEAUX

33 - GARDE-BOUE

34 - SUSPENSION AVANT

35 - SUSPENSION ARRIERE

36 - ROUES AVANT

37 - ROUES ARRIERE

38 - SYSTEME DE FREINAGE

39 - PEDALIER

40 - POMPE A CARBURANT

41 - VOLANT DE DIRECTION

42 - COLONNE DE DIRECTION

43 - LEVIER DE VITESSES

44 - INTERIEUR (PARTIE...

45 - INTERIEUR (PARTIE...

46 - COMPARTIMENTS DE...

47 - PLANCHERS

48 - SIEGES

49 - CACHE ARRIERE FILETS

50 - PARE-CHOCS

51 - CAPOT AVANT

52 - BENNE

53 - ARMATURE BENNE

54 - PORTE ARRIERE BENNE

55 - PROTECTIONS CHASSIS...

56 - ETIQUETTES DE SECURITE

57 - POIGNEE PASSAGER...

58 - TOIT RETROVISEURS...

59 - ATTELAGES (OPTION)

60 - PARE-BRISE...

61 - PORTES DE CABINE (OPTION)

62 - SYSTEME DE CHAUFFAGE...

63 - SYSTEME DE CHAUFFAGE...

64 - PARE-CHOCS PLAQUE DE...

65 - TREUIL (MODELE TGB-LY)

66 - OUTILS 1

67 - OUTILS 2

68 - OUTILS 3

69 - OUTILS 4

70 - OUTILS 5

71 - OUTILS 6

72 - OUTILS 7

73 - TREUIL POUR QUAD