Le TGB Blade 600 LTX ABS se distingue par sa motorisation performante, son confort haut de gamme et son système de freinage ABS garantissant une maîtrise optimale.
Sur MonsterQuad.fr, accédez à un catalogue complet de pièces d’origine constructeur TGB pour entretenir ou réparer votre quad dans les meilleures conditions.

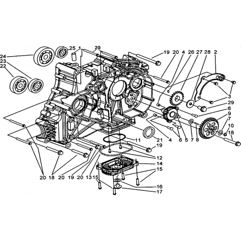
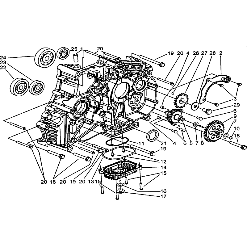
Nos vues éclatées détaillées vous guident pour identifier rapidement chaque composant : moteur, transmission, ponts, suspensions, système ABS, partie cycle, électricité et carrosserie.
Toutes les pièces sont certifiées TGB, offrant une compatibilité garantie, une qualité supérieure et une durabilité équivalente à celle d’origine.

Nous proposons un service de livraison rapide, disponible en France, dans les DOM-TOM et à l’international, ainsi qu’un support technique dédié TGB pour accompagner chaque commande.

– MonsterQuad.fr – Votre référence pour les pièces d’origine TGB Blade 600 LTX ABS

Il y a 60 produits.

Affichage 1-60 de 60 article(s)

Filtres actifs

1 - MOTEUR

2 - SYSTEME ADMISSION

3 - CULASSE

4 - CYLINDRE

5 - SYSTEME DE TRANSMISSION

6 - CACHE CARTER MOTEUR...

7 - CACHE CARTER MOTEUR...

8 - CARTER MOTEUR DROIT

9 - CARTER MOTEUR

10 - DEBITMETRE

11 - VILEBREQUIN

12 - SYSTEME ELECTRIQUE 1

13 - CARTER MOTEUR GAUCHE 1

14 - CARTER MOTEUR GAUCHE 2

15 - BLOCAGE DIFFERENTIEL...

16 - ENSEMBLE DIFFERENTIEL...

17 - VARIATEUR

18 - ENSEMBLE ECHAPPEMENT

19 - ENSEMBLE FILTRE A AIR

20 - ENSEMBLE REFROIDISSEMENT

21 - SYSTEME ELECTRIQUE 2

22 - SYSTEME ELECTRIQUE 3

23 - SUPPORTS

24 - SUPPORTS MOTEUR

25 - MOTEUR DE DIFFERENTIEL

26 - DIRECTION ASSISTEE...

27 - COMPTEUR

28 - ECLAIRAGE AVANT (LED)

29 - ECLAIRAGE ARRIERE (LED)

30 - CHASSIS

31 - SUSPENSION ARRIERE

32 - SUPPORT PARE-CHOCS

33 - RESERVOIR A CARBURANT

34 - POMPE A CARBURANT

35 - LEVIER DE VITESSES

36 - PEDALE DE FREIN

37 - DISTRIBUTEUR FREINAGE...

38 - SUSPENSION AVANT

39 - PORTE-FUSEE DE...

40 - ROUES AVANT

41 - COLONNE DIRECTION EPS

42 - GUIDON

43 - ENSEMBLE MAITRE...

44 - DISTRIBUTEUR FREINAGE...

45 - AXE ARRIERE (DIFF AR...

46 - ROUES ARRIERE

47 - PARE-CHOCS

48 - CARROSSERIE AVANT

49 - MARCHE-PIED

50 - CARROSSERIE ARRIERE

51 - SELLE

52 - ETIQUETTES DE SECURITE

53 - ATTELAGES (OPTION)

54 - PORTE-BAGAGES...

55 - OUTILS 1

56 - OUTILS 2

57 - OUTILS 3

58 - OUTILS 4

59 - OUTILS 5

60 - TREUIL POUR QUAD