Le TGB Blade 550 FLX est un quad reconnu pour sa robustesse, sa fiabilité et son confort, idéal pour les loisirs ou le travail intensif.
Sur MonsterQuad.fr, retrouvez toutes les pièces détachées d’origine constructeur TGB pour entretenir, réparer ou restaurer votre véhicule.

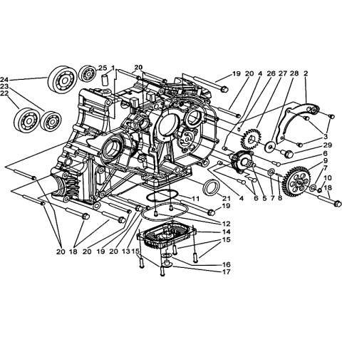
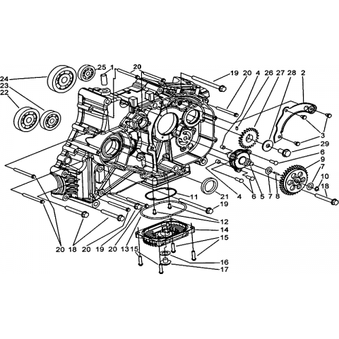
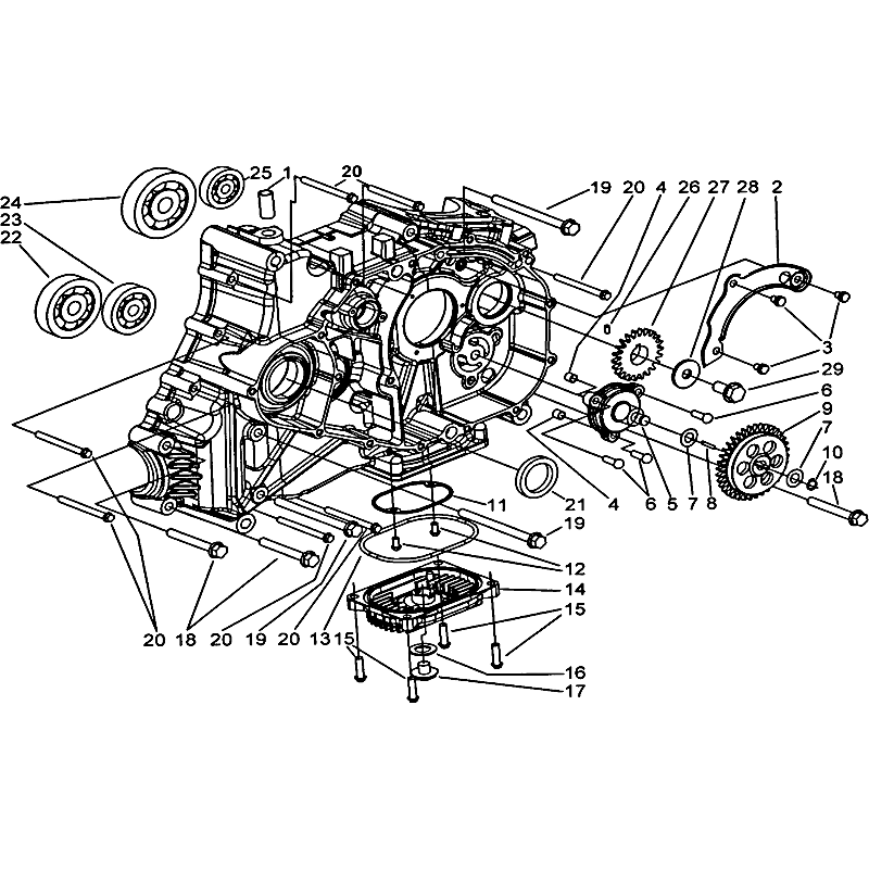
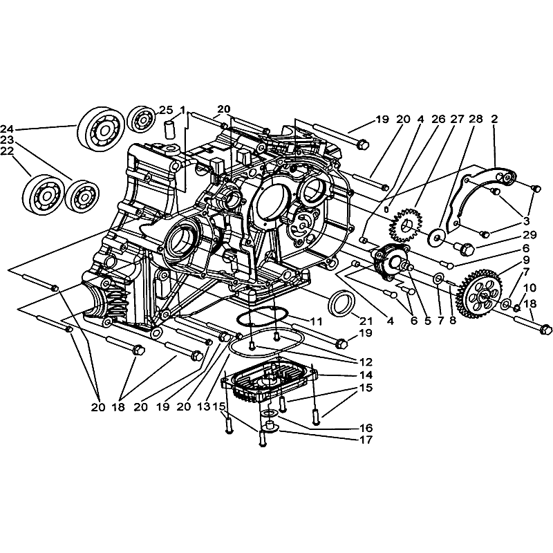
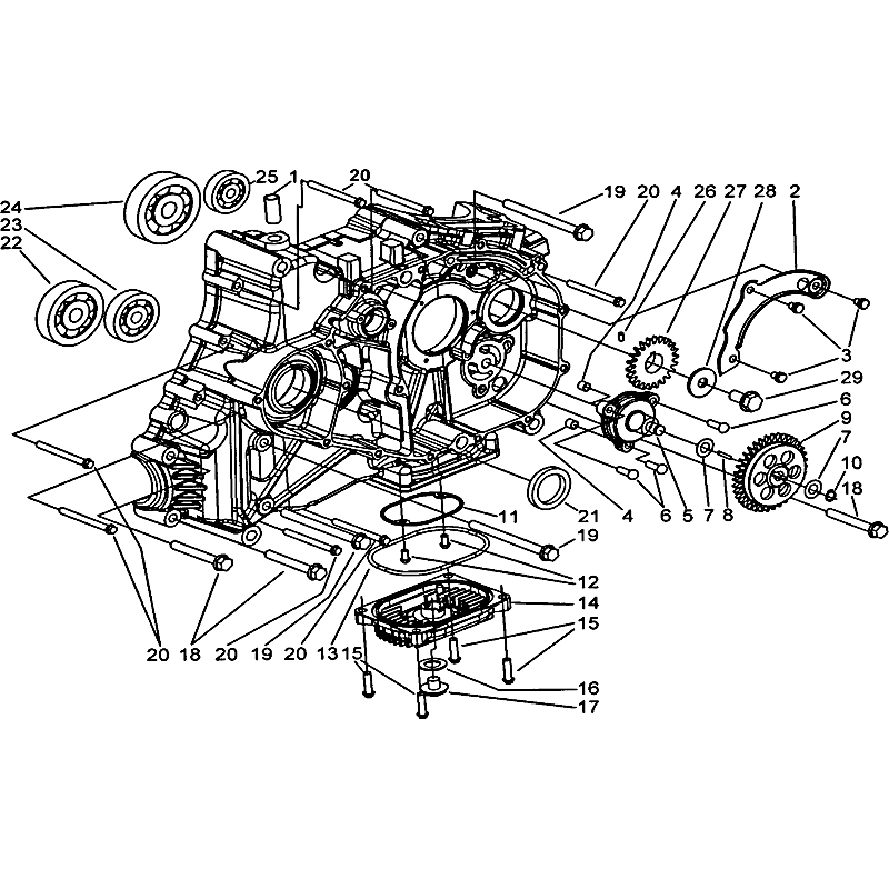
Nos vues éclatées détaillées vous permettent d’identifier chaque composant avec précision : moteur, transmission, ponts, partie cycle, freins, direction, électricité ou habillage.
Chaque pièce provient du réseau officiel TGB, garantissant une compatibilité parfaite, une qualité durable, et le respect des performances d’origine de votre quad.

Nous assurons un service rapide, des délais de livraison courts, et une expédition nationale et internationale pour répondre aux besoins des particuliers et professionnels.

– MonsterQuad.fr – Votre partenaire officiel pour les pièces TGB Blade 550 FLX

Il y a 63 produits.

Affichage 1-63 de 63 article(s)

Filtres actifs

1 - MOTEUR

2 - SYSTEME ADMISSION

3 - CULASSE

4 - CYLINDRE

5 - SYSTEME DE TRANSMISSION

6 - CACHE CARTER MOTEUR...

7 - CACHE CARTER MOTEUR...

8 - CARTER MOTEUR DROIT

9 - CARTER MOTEUR

10 - DEBITMETRE

11 - VILEBREQUIN

12 - SYSTEME ELECTRIQUE 1

13 - CARTER MOTEUR GAUCHE 1

14 - CARTER MOTEUR GAUCHE 2

15 - BLOCAGE DIFFERENTIEL...

16 - ENSEMBLE DIFFERENTIEL...

17 - VARIATEUR

18 - ENSEMBLE ECHAPPEMENT

19 - ENSEMBLE FILTRE A AIR

20 - ENSEMBLE REFROIDISSEMENT

21 - SYSTEME ELECTRIQUE 2

22 - SYSTEME ELECTRIQUE 3

23 - SUPPORTS

24 - SUPPORTS MOTEUR

25 - MOTEUR DE DIFFERENTIEL

26 - DIRECTION ASSISTEE...

27 - COMPTEUR

28 - ECLAIRAGE AVANT (LED)

29 - ECLAIRAGE ARRIERE

30 - CHASSIS

31 - SUSPENSION ARRIERE

32 - SUPPORT PARE-CHOCS

33 - RESERVOIR A CARBURANT

34 - POMPE A CARBURANT (NO...

35 - LEVIER DE VITESSES

36 - PEDALE DE FREIN

37 - DISTRIBUTEUR FREINAGE...

38 - SUSPENSION AVANT

39 - PORTE-FUSEE DE DIRECTION

40 - ROUES AVANT

41 - COLONNE DE DIRECTION

42 - GUIDON

43 - ENSEMBLE MAITRE CYLINDRE

44 - DISTRIBUTEUR FREINAGE...

45 - AXE ARRIERE

46 - ROUES ARRIERE

47 - PARE-CHOCS

48 - CARROSSERIE AVANT

49 - MARCHE-PIED

50 - CARROSSERIE ARRIERE

51 - SELLE

52 - ETIQUETTES DE SECURITE

53 - ATTELAGES (OPTION)

54 - DOSSERET ARRIERE (OPTION)

55 - PORTE-BAGAGES PARE...

56 - PORTE-BAGAGES...

57 - PROTECTIONS CHASSIS...

58 - OUTILS 1

59 - OUTILS 2

60 - OUTILS 3

61 - OUTILS 4

62 - OUTILS 5

63 - TREUIL POUR QUAD