Le HYTRACK HY 300 X 4x4 PATHFINDER est un quad tout-terrain conçu pour offrir puissance, stabilité et motricité sur les terrains les plus exigeants. Grâce à sa transmission intégrale, il garantit une adhérence optimale, que ce soit pour le travail, les loisirs ou les randonnées.

Sur MonsterQuad.fr, retrouvez toutes les pièces détachées d’origine HYTRACK pour entretenir ou réparer votre HY 300 X 4 roues motrices PATHFINDER.
Nos vues éclatées détaillées vous permettent d’identifier rapidement chaque composant — moteur, transmission avant et arrière, ponts, direction, suspensions, partie cycle, carrosserie, freinage et électricité.

Toutes nos pièces HYTRACK sont d’origine constructeur, garantissant un ajustement parfait, une longue durée de vie et une compatibilité totale avec votre quad.
Profitez d’un stock important, d’une livraison rapide en France et à l’international, et d’un accompagnement technique expert pour toutes vos réparations HYTRACK.

- MonsterQuad.fr – Le spécialiste français des pièces d’origine HYTRACK
- Vue éclatée, références officielles, pièces moteur, transmission 4x4, châssis, carrosserie, suspension et accessoires HYTRACK PATHFINDER.

Il y a 43 produits.

Affichage 1-43 de 43 article(s)

Filtres actifs

1 - GUIDON COMPTEUR

2 - RESERVOIR CARBURANT

3 - CARROSSERIE ARRIERE...

4 - MARCHE-PIED CACHES...

5 - CARROSSERIE AVANT

6 - SUSPENSIONS AVANT

7 - ENSEMBLE BRAS OSCILLANT...

8 - ROUES AVANT

9 - ROUES ARRIERE

10 - AMORTISSEUR ARRIERE

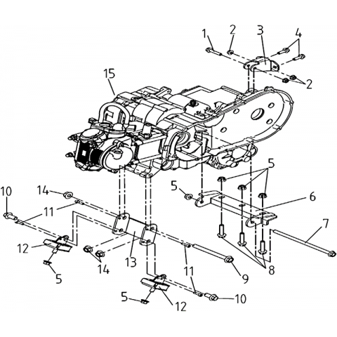
11 - SUPPORTS PONT AVANT 4X4

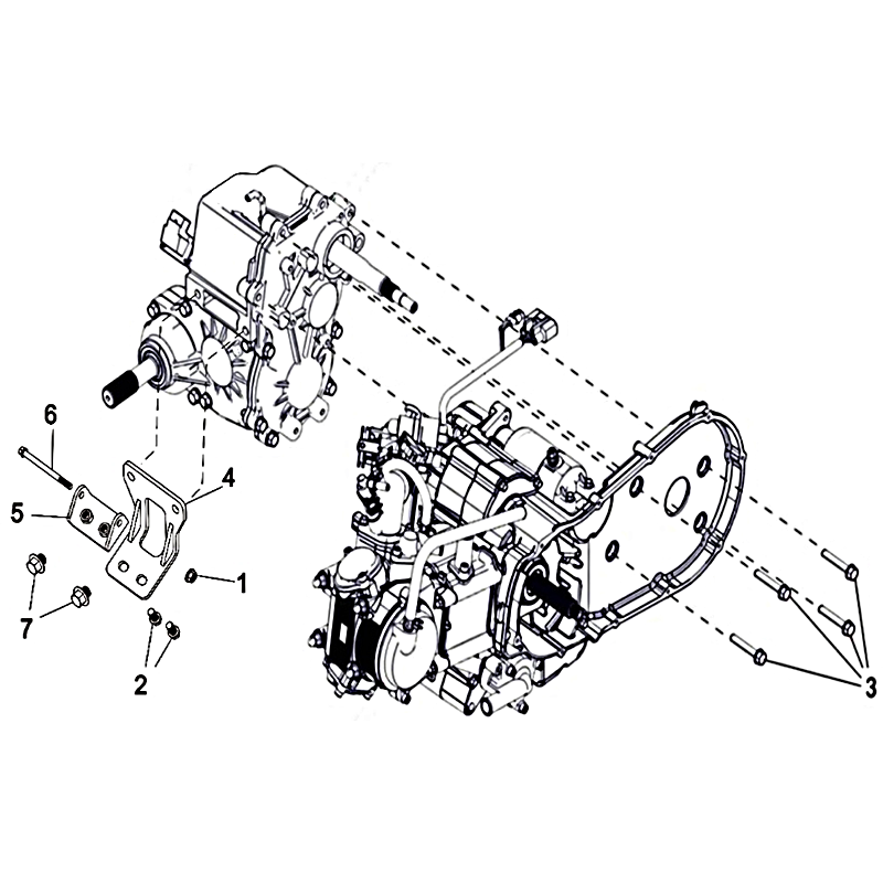
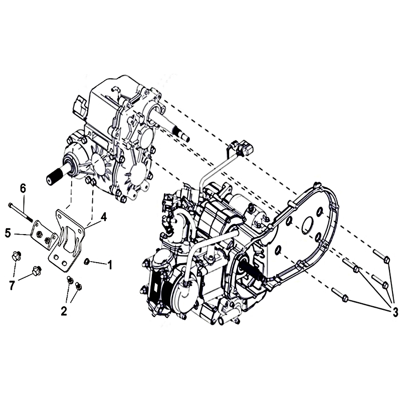
12 - BOITE DE VITESSES 4X4

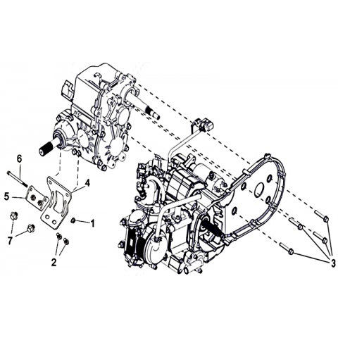
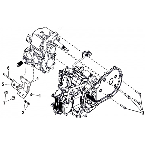
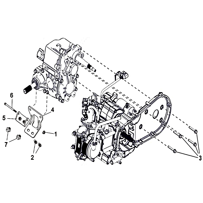
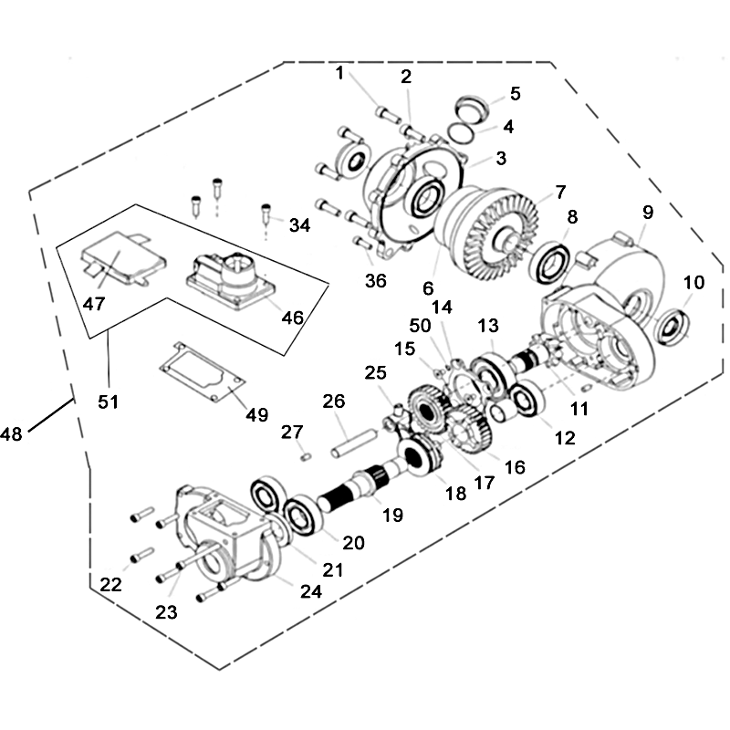
13 - TRANSMISSION PRINCIPALE

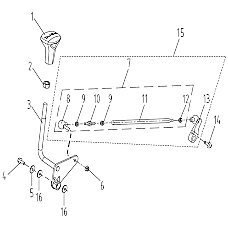
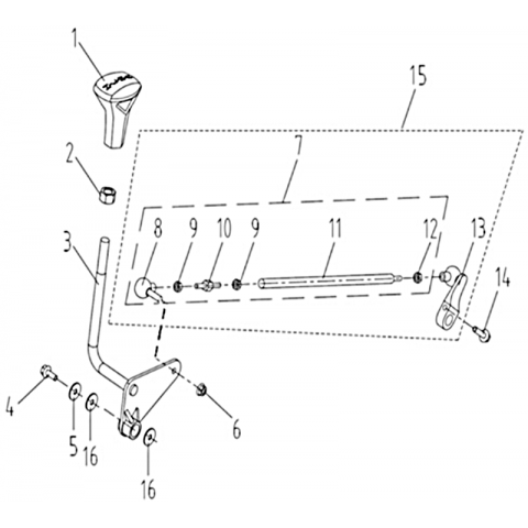
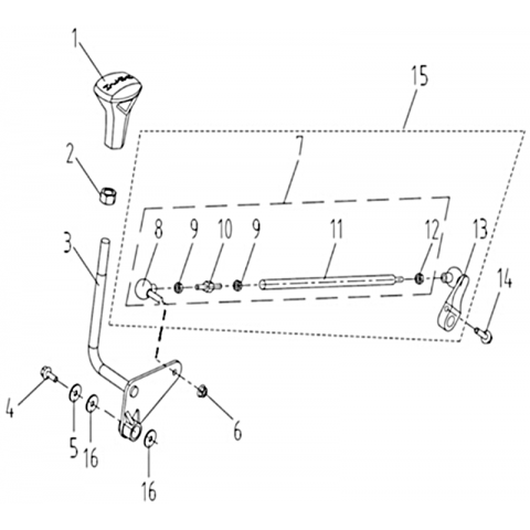
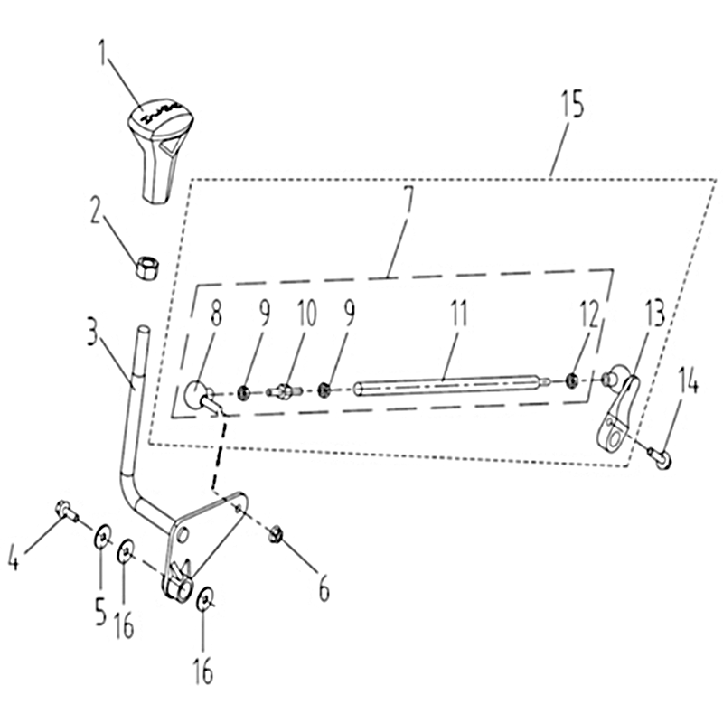
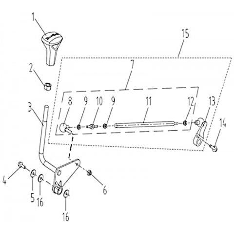
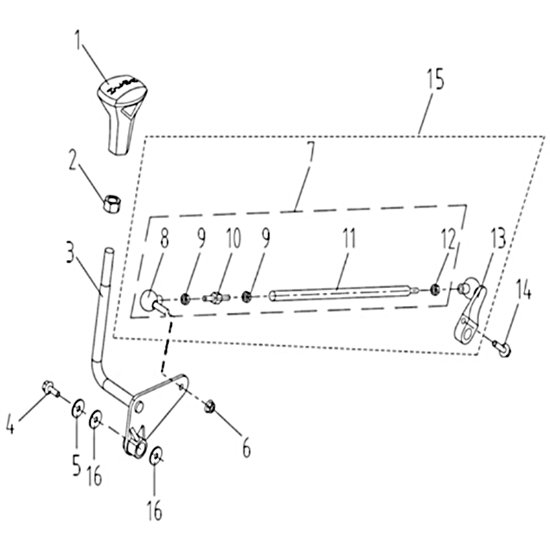
14 - TRINGLERIE DE VITESSES

15 - CARDAN AVANT GAUCHE DROIT

16 - CARDANS AVANT ET ARRIERE

17 - COLONNE DE DIRECTION

18 - SYSTEME ELECTRIQUE

19 - SYSTEME DE FREINAGE

20 - SYSTEME DE FREINAGE DU...

21 - PEDALE DE FREIN

22 - PARE-CHOCS ET...

23 - ENSEMBLE MOTEUR...

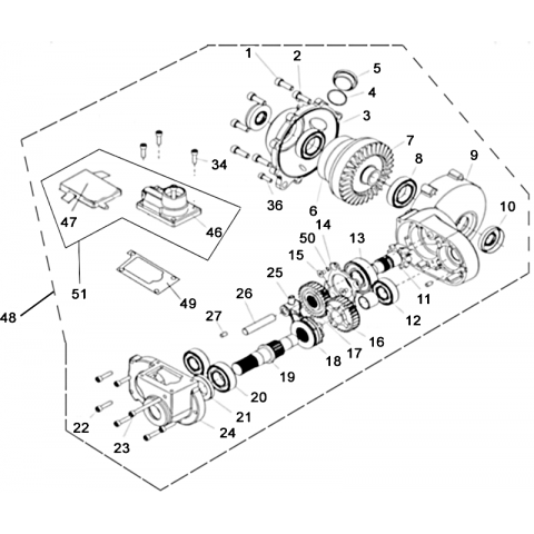
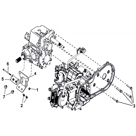
24 - PONT AVANT 4X4

25 - PONT ARRIERE

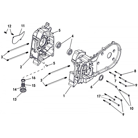
26 - CYLINDRE

27 - EMBIELLAGE PISTON

28 - SOUPAPES

29 - ARBRE A CAMES AVEC...

30 - ENSEMBLE POMPE A EAU...

31 - CIRCUIT DE...

32 - FILTRE A AIR

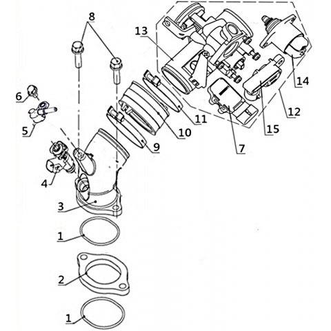
33 - SYSTEME D INJECTION

34 - ECHAPPEMENT

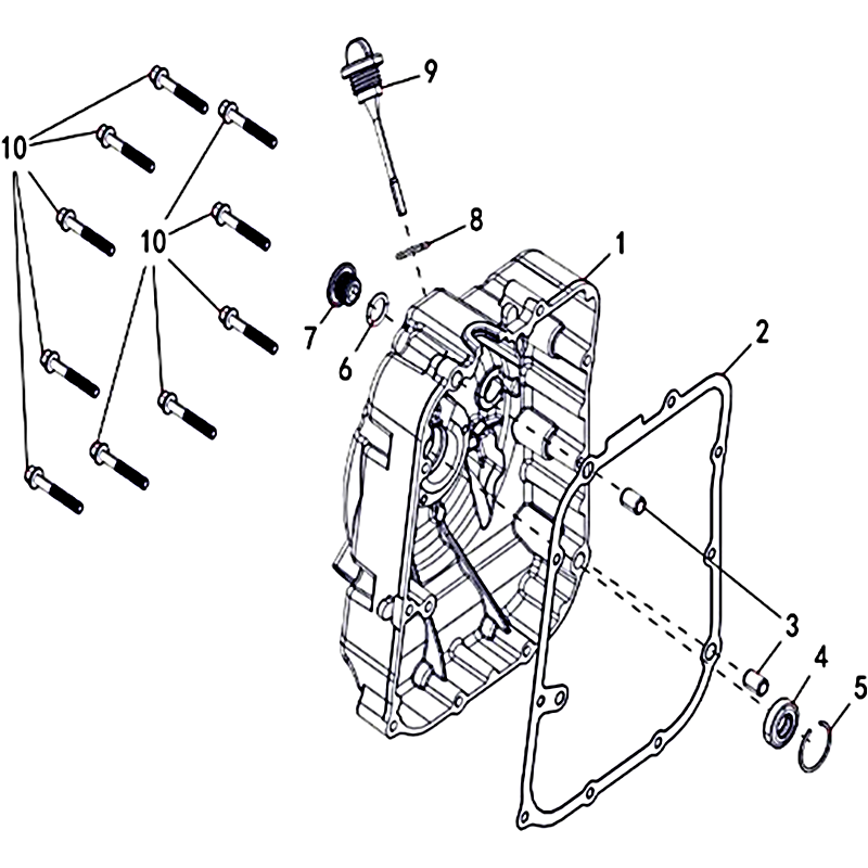
35 - CARTER MOTEUR

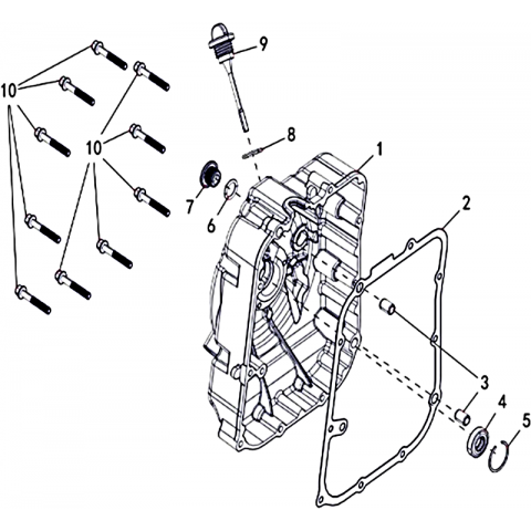
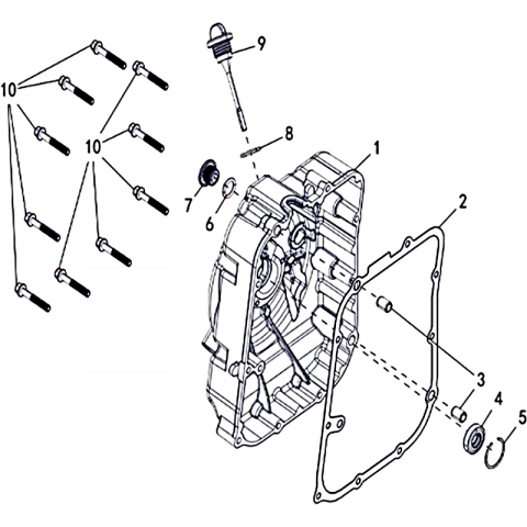
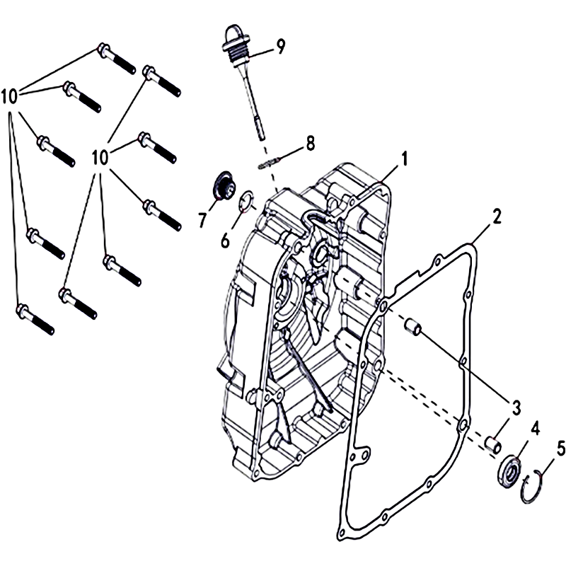
36 - CARTER MOTEUR GAUCHE

37 - CARTER MOTEUR DROIT

38 - ROUE LIBRE DE DEMARREUR

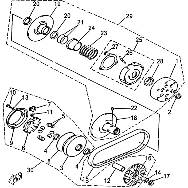
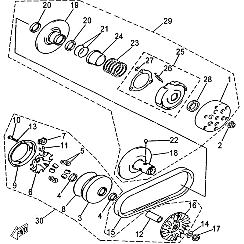
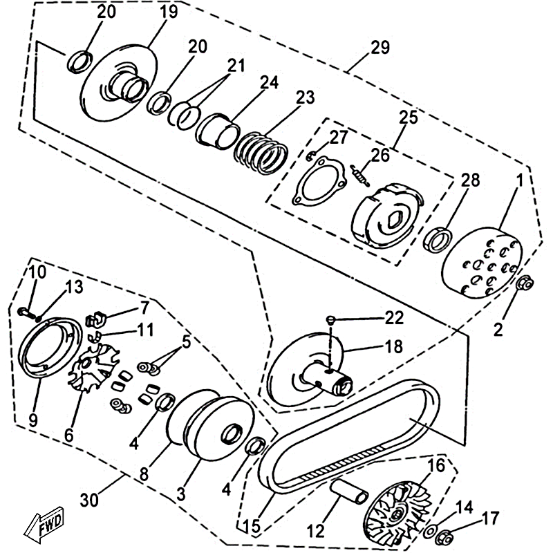
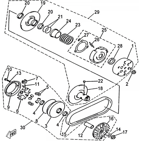
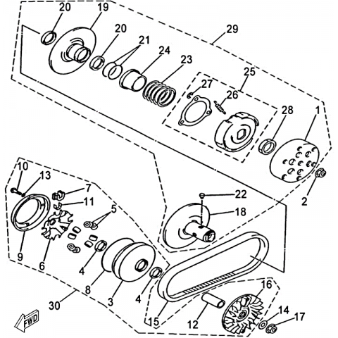
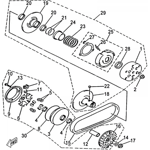
39 - ENSEMBLE VARIATEUR

40 - ALTERNATEUR

41 - ENSEMBLE MOTEUR...

42 - ENSEMBLE JOINTS

43 - TREUIL REF 193 OPTION