Le HYTRACK HY 300 X PATHFINDER est un quad puissant et fiable, conçu pour allier plaisir de conduite, robustesse et performance sur tous types de terrains.
Sur MonsterQuad.fr, retrouvez l’ensemble des pièces détachées d’origine HYTRACK pour entretenir ou réparer votre HY 300 X PATHFINDER dans les meilleures conditions.

Grâce à nos vues éclatées interactives, vous pouvez identifier chaque composant du véhicule — moteur, transmission, suspensions, freins, direction, partie cycle ou carrosserie — et commander en toute confiance les pièces d’origine constructeur adaptées à votre modèle.

Chaque pièce proposée est issue du réseau officiel HYTRACK, garantissant un montage parfait, une durabilité maximale et une compatibilité totale avec votre quad.
Que vous soyez particulier ou professionnel, MonsterQuad.fr vous propose un large stock de pièces HYTRACK, une livraison rapide, et un service technique réactif pour vous accompagner dans vos réparations.

MonsterQuad.fr – Le spécialiste français des pièces d’origine HYTRACK
- Vue éclatée, références officielles, pièces moteur, transmission, carrosserie, châssis et accessoires pour HYTRACK HY 300 X PATHFINDER.

Il y a 40 produits.

Affichage 1-40 de 40 article(s)

Filtres actifs

1 - GUIDON COMPTEUR

2 - RESERVOIR CARBURANT

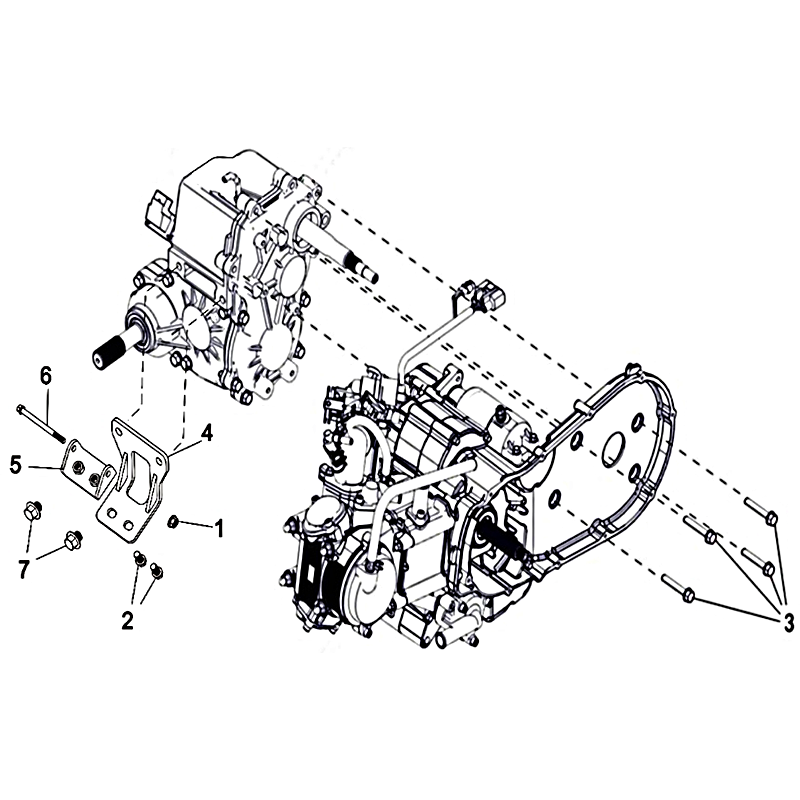
3 - CARROSSERIE ARRIERE...

4 - MARCHE-PIED CACHES...

5 - CARROSSERIE AVANT

6 - SUSPENSIONS AVANT

7 - ENSEMBLE BRAS OSCILLANT...

8 - ROUES AVANT

9 - ROUES ARRIERE

10 - AMORTISSEUR ARRIERE

11 - BOITE DE VITESSES 4X2

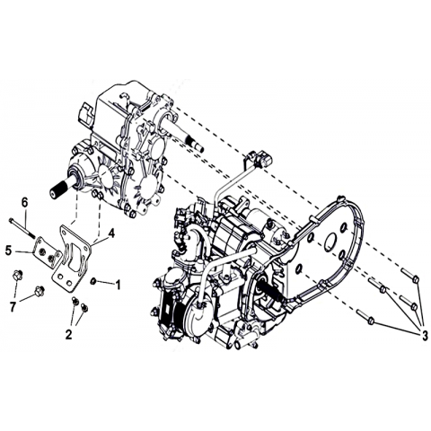
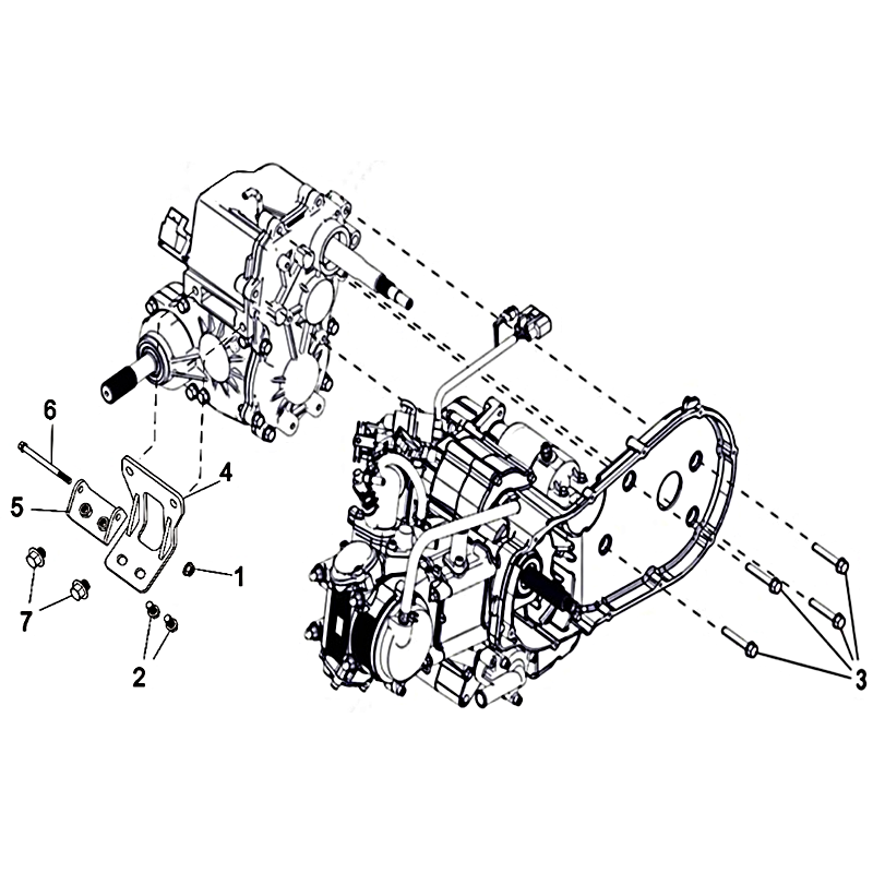
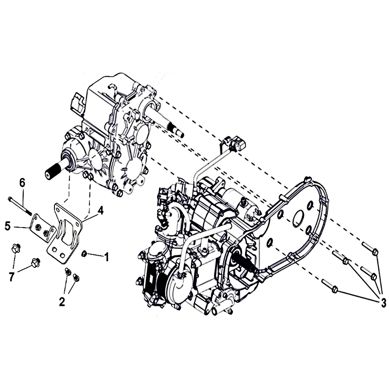
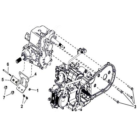
12 - TRANSMISSION PRINCIPALE

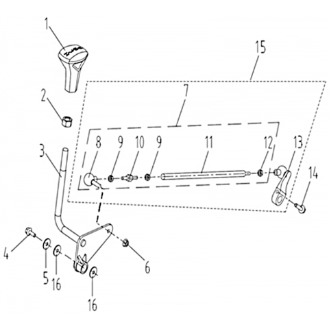
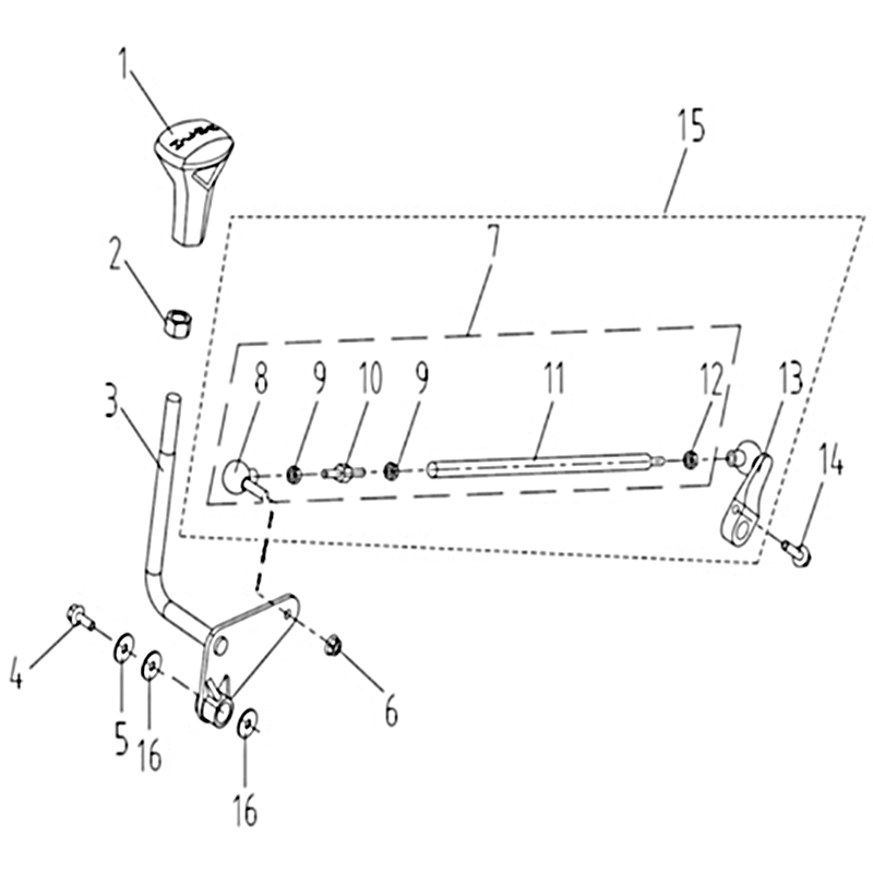
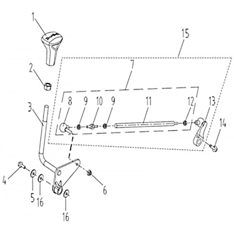
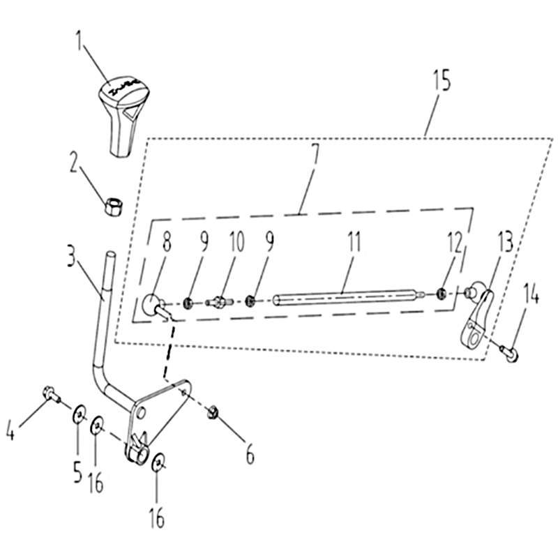
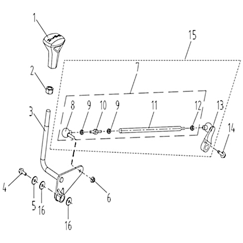
13 - TRINGLERIE DE VITESSES

14 - CARDAN AVANT GAUCHE DROIT

15 - COLONNE DE DIRECTION

16 - SYSTEME ELECTRIQUE

17 - SYSTEME DE FREINAGE

18 - SYSTEME DE FREINAGE DU...

19 - PEDALE DE FREIN

20 - PARE-CHOCS ET...

21 - ENSEMBLE MOTEUR...

22 - PONT ARRIERE

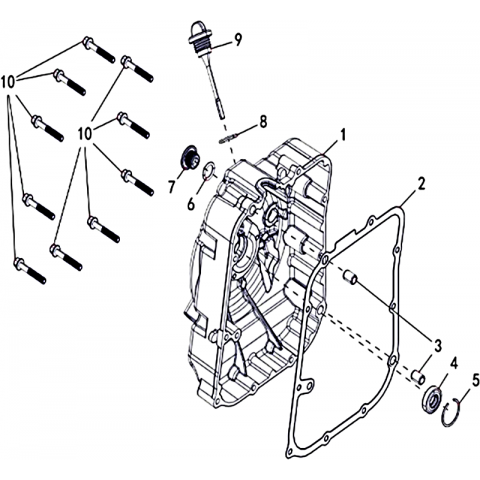
23 - CYLINDRE

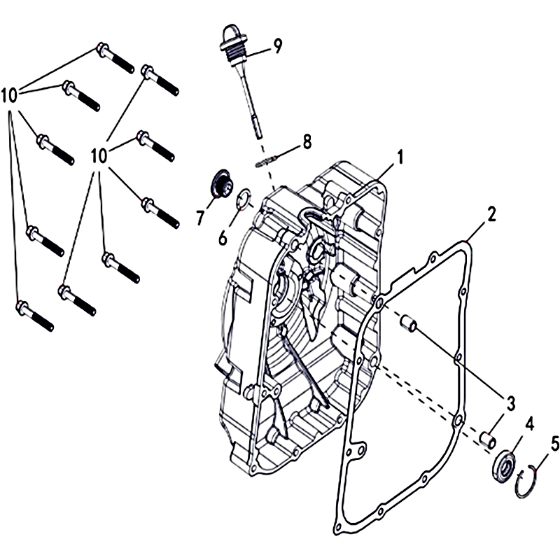
24 - EMBIELLAGE PISTON

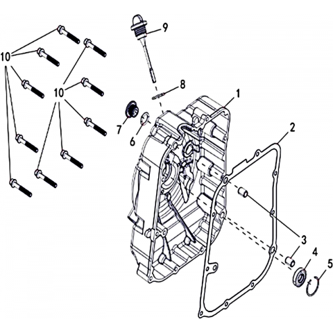
25 - SOUPAPES

26 - ARBRE A CAMES AVEC...

27 - ENSEMBLE POMPE A EAU...

28 - CIRCUIT DE...

29 - FILTRE A AIR

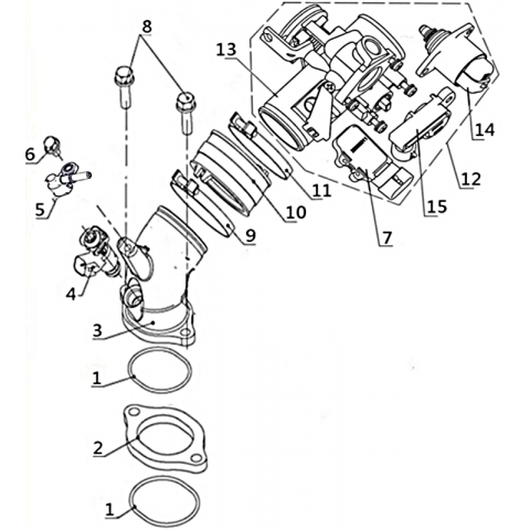
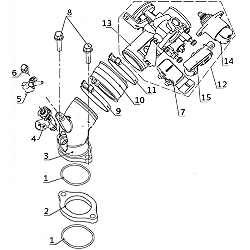
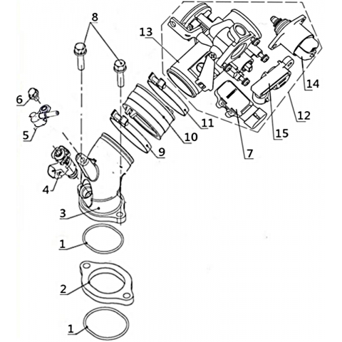
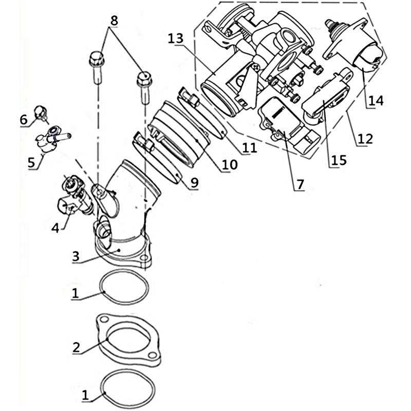
30 - SYSTEME D INJECTION

31 - ECHAPPEMENT

32 - CARTER MOTEUR

33 - CARTER MOTEUR GAUCHE

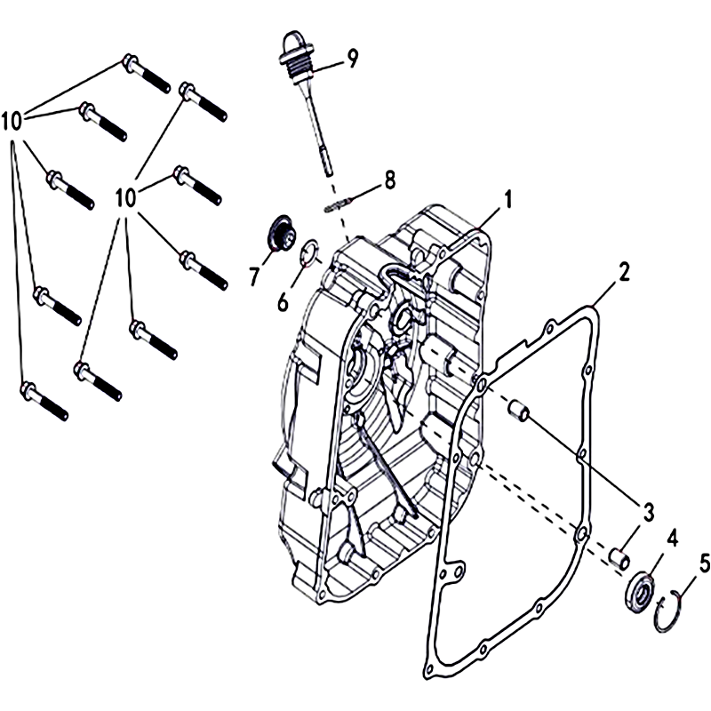
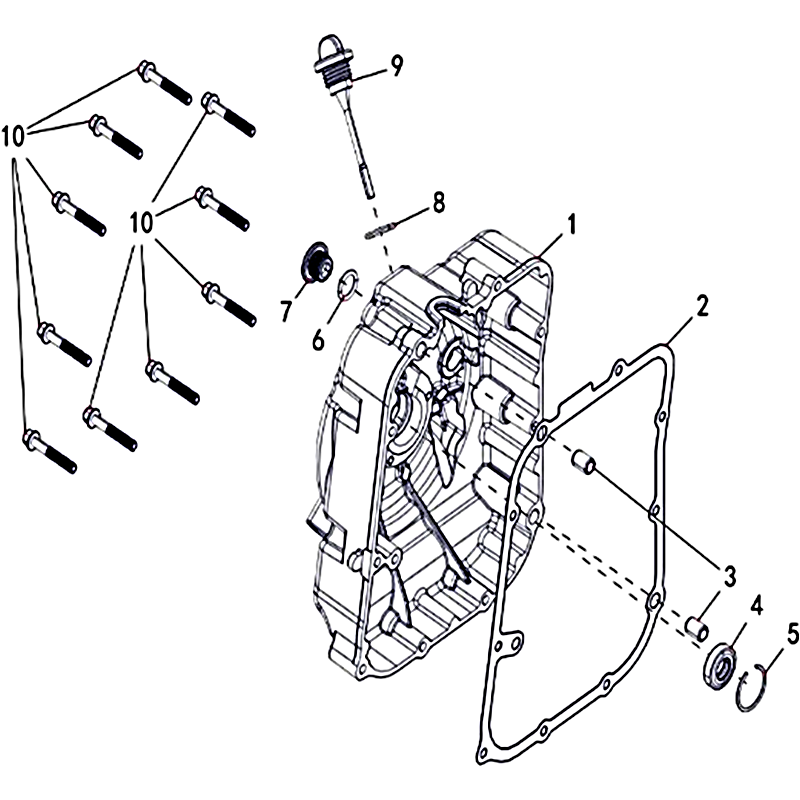
34 - CARTER MOTEUR DROIT

35 - ROUE LIBRE DE DEMARREUR

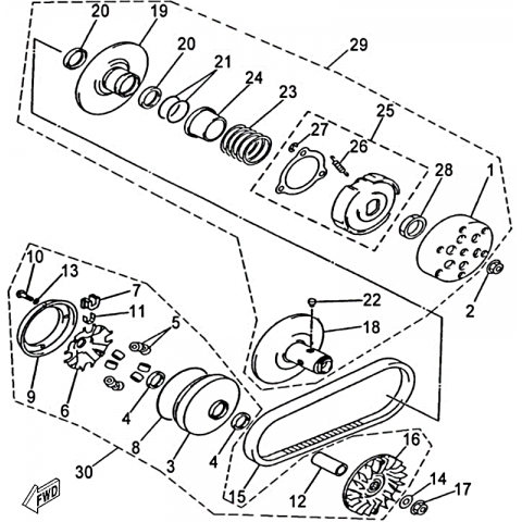
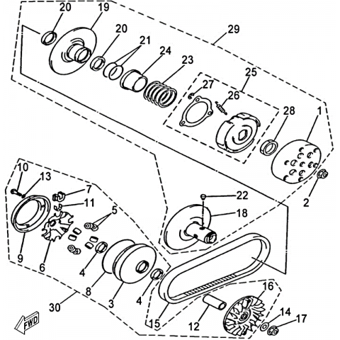
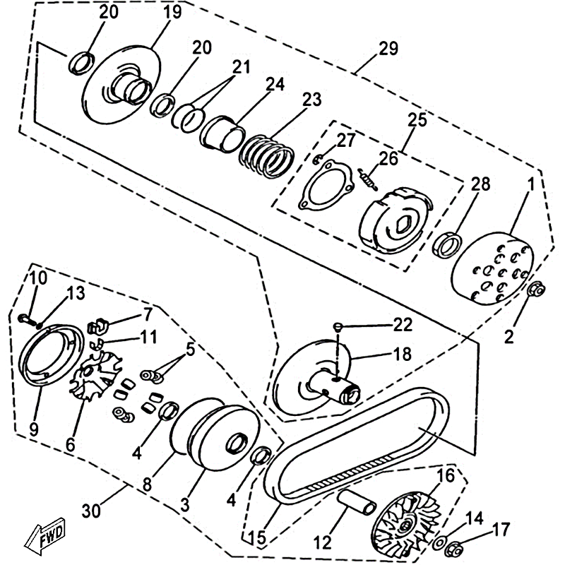
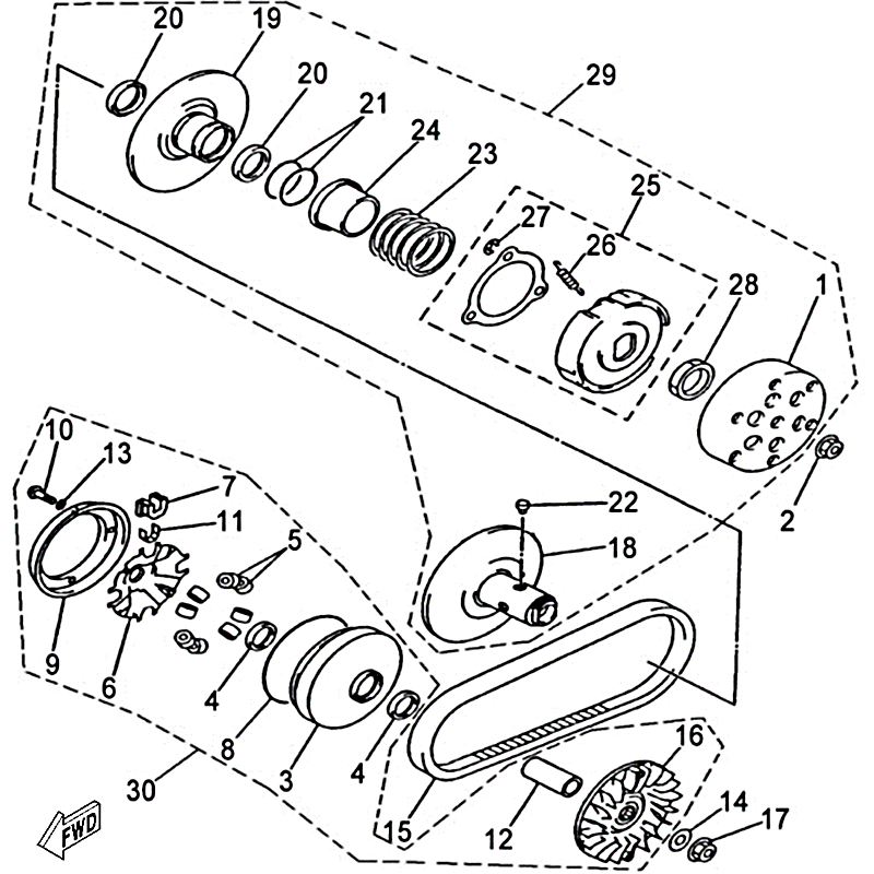
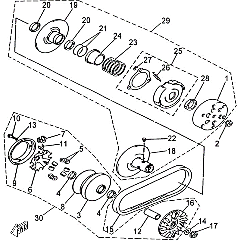
36 - ENSEMBLE VARIATEUR

37 - ALTERNATEUR

38 - ENSEMBLE MOTEUR...

39 - ENSEMBLE JOINTS

40 - TREUIL REF 193 OPTION