Il y a 50 produits.

Affichage 1-50 de 50 article(s)

Filtres actifs

1 - ENSEMBLE CULASSE

2 - CULASSE

3 - PIPE D ADMISSION

4 - SOUPAPES

5 - CYLINDRE

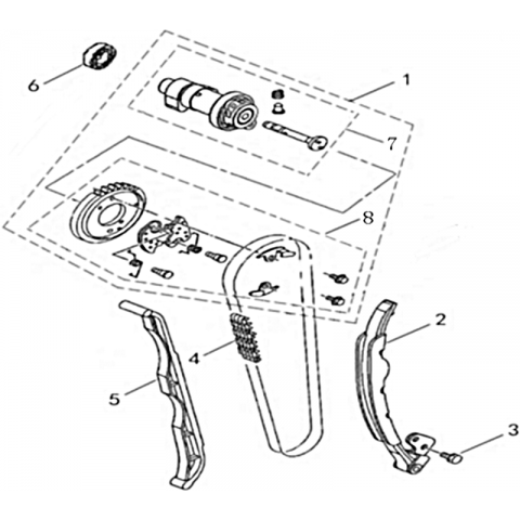
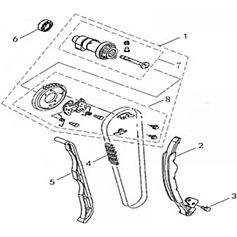
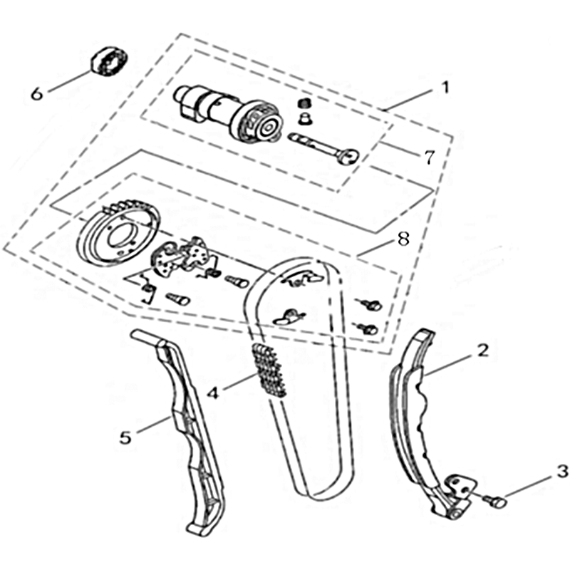
6 - DISTRIBUTION

7 - EMBIELLAGE PISTON

8 - CARTERS MOTEUR

9 - CACHES CARTERS

10 - TRANSMISSION BOITE DE...

11 - ARBRE DE TRANSMISSION

12 - VARIATEUR

13 - CHANGEMENT DE VITESSES

14 - SYSTEME DE...

15 - LANCEUR DE DEMARRAGE

16 - DEMARREUR ROUE LIBRE

17 - ALTERNATEUR

18 - POMPE A EAU

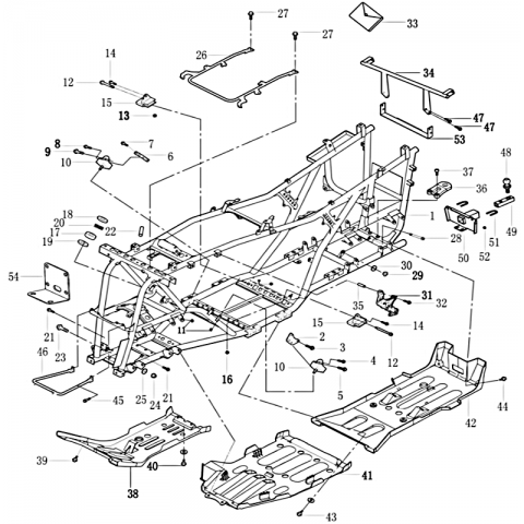
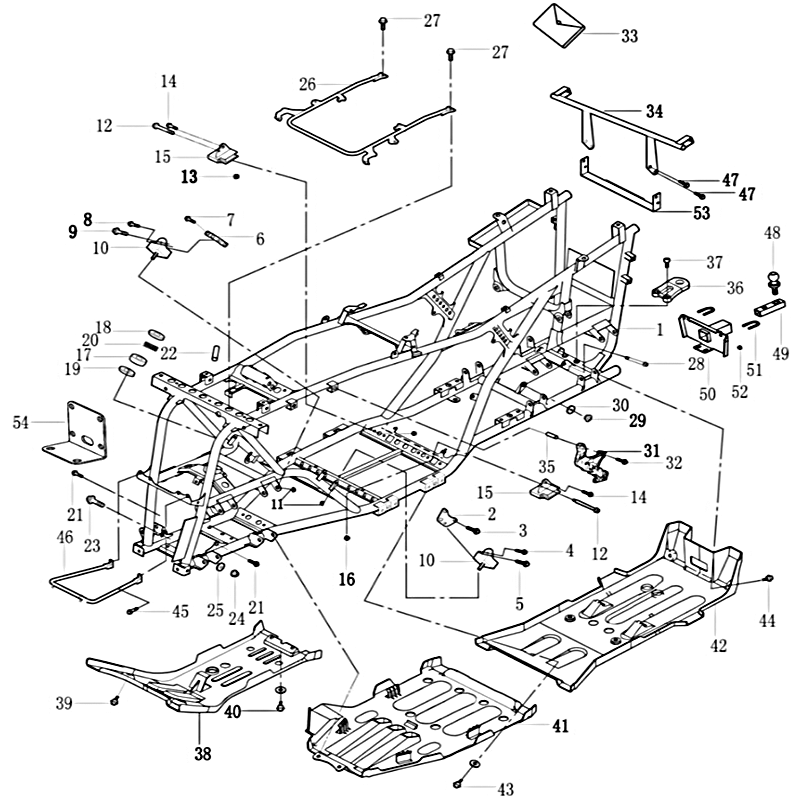
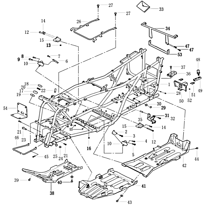
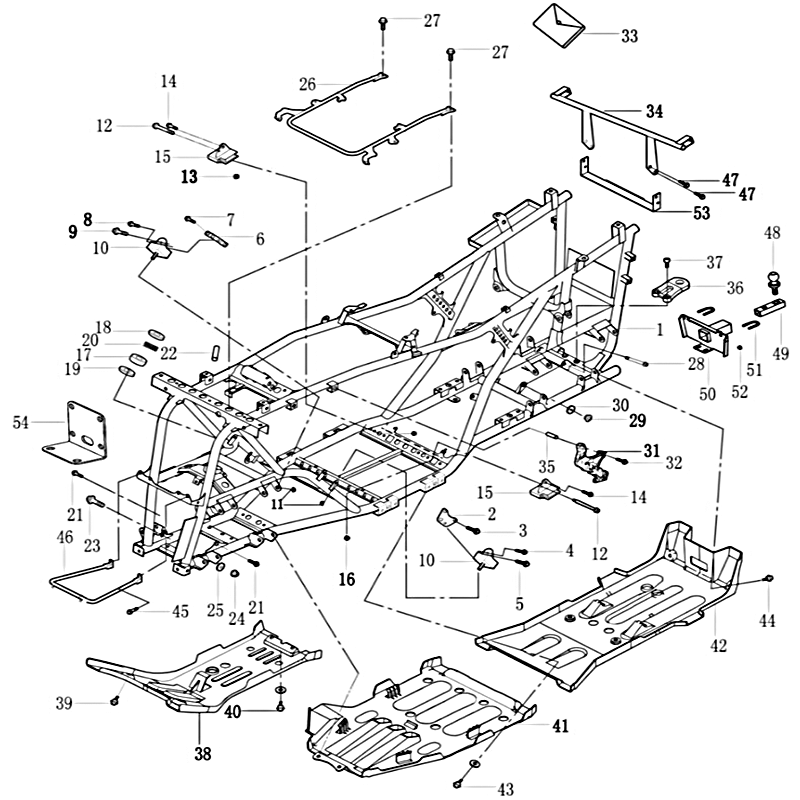
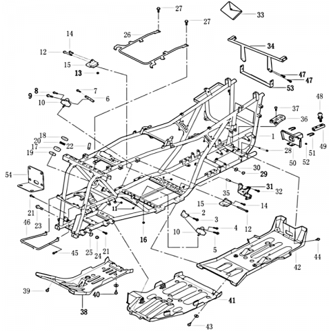
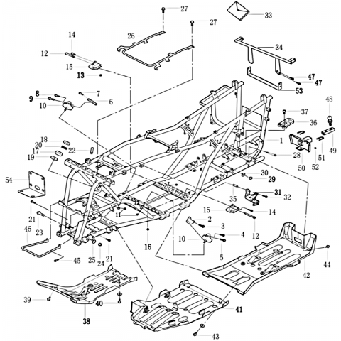
19 - CHASSIS

20 - SYSTEME ELECTRIQUE

21 - ENSEMBLE REFROIDISSEMENT

22 - GUIDON ENSEMBLE...

23 - ENSEMBLE POIGNEE...

24 - COLONNE DE DIRECTION

25 - FILTRE A AIR

26 - ENSEMBLE ECHAPPEMENT

27 - SUSPENSION AVANT

28 - SUSPENSION ARRIERE

29 - TRIANGLES ARRIERE

30 - ESSIEU AVANT

31 - PONT AVANT

32 - ESSIEU ARRIERE

33 - PONT ARRIERE

34 - SYSTEME DE FREINAGE

35 - ADMISSION D AIR

36 - TRINGLERIE DE VITESSES

37 - ECLAIRAGE ARRIERE

38 - RESERVOIR A CARBURANT

39 - MARCHE PIED PEDALE FREIN

40 - COMPTEUR

41 - SELLE

42 - CARROSSERIE RESERVOIR

43 - PORTE BAGAGES PARE CHOCS

44 - CARROSSERIE ARRIERE...

45 - CARROSSERIE AVANT

46 - ECLAIRAGE AVANT

47 - CLIGNOTANTS ARRIERE

48 - ACCESSOIRES OPTIONNELS

49 - DOSSERET OPTION

50 - TREUIL OPTION