BLADE 1000 2016 : Liste des véhicules concernés.
 Type : n° de série : Coloris :
ETT RFCETTETA... TITANE
ETT RFCETTETA... ORANGE
ETT RFCETTETA... BLANC
ETT RFCETTETA... GRIS
ETT RFCETTETA... ROUGE
ETT RFCETTETA... NOIR

Il y a 67 produits.

Affichage 1-67 de 67 article(s)

Filtres actifs

1 - MOTEUR TGB BLADE 1000 2016

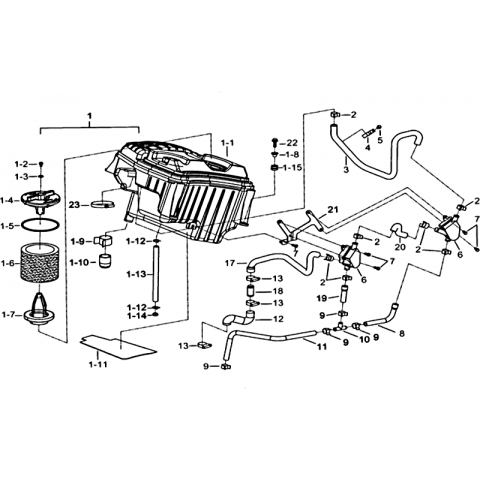
2 - ADMISSION AIR VARIATEUR...

3 - CULASSE TGB BLADE 1000...

4 - ADMISSION AIR TGB BLADE...

5 - CYLINDRE TGB BLADE 1000...

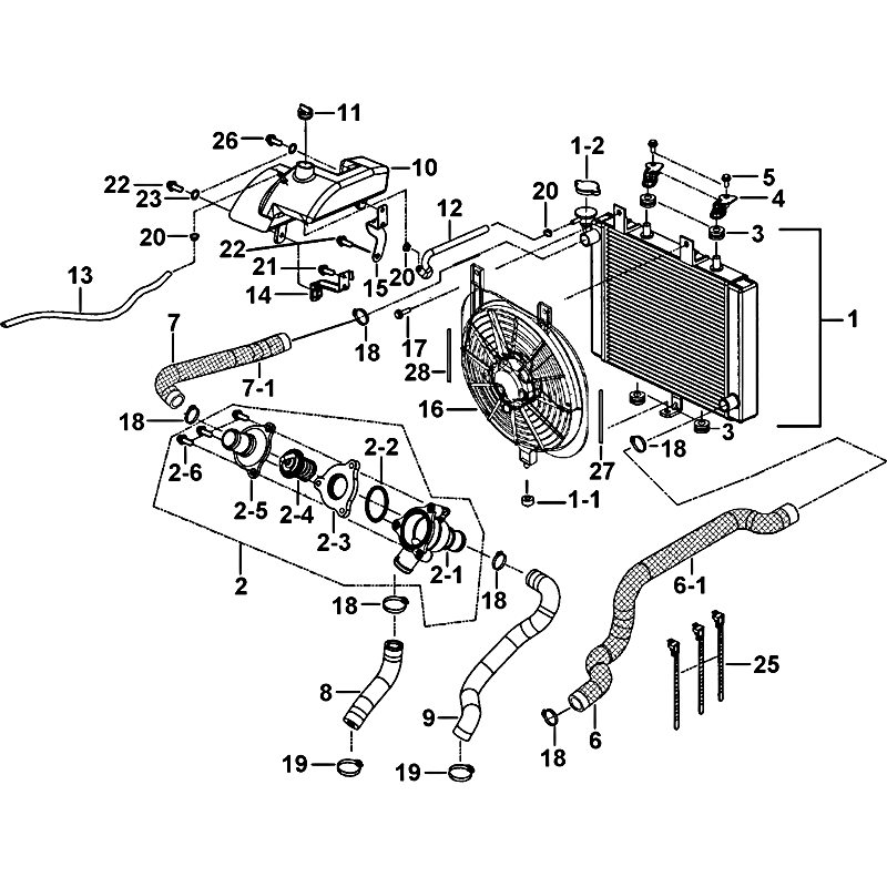
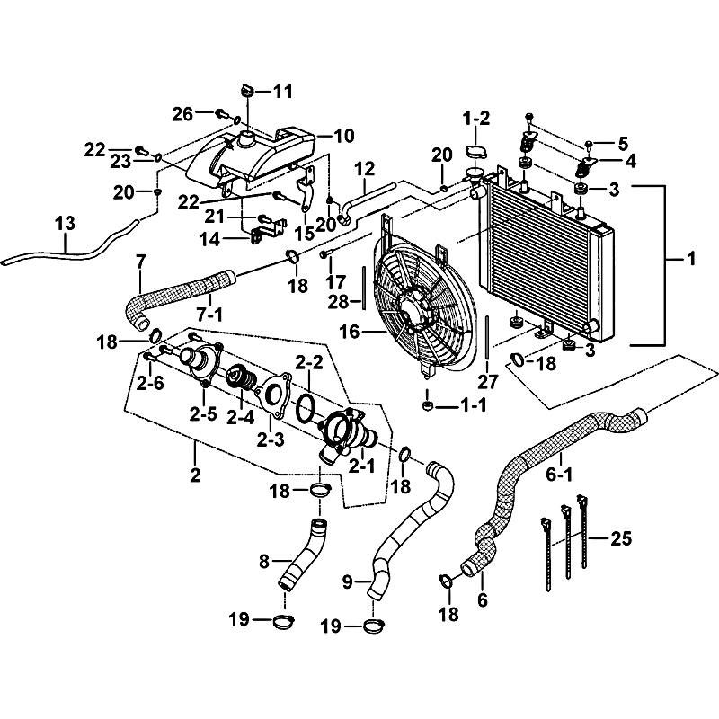
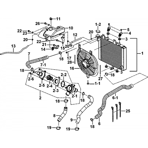
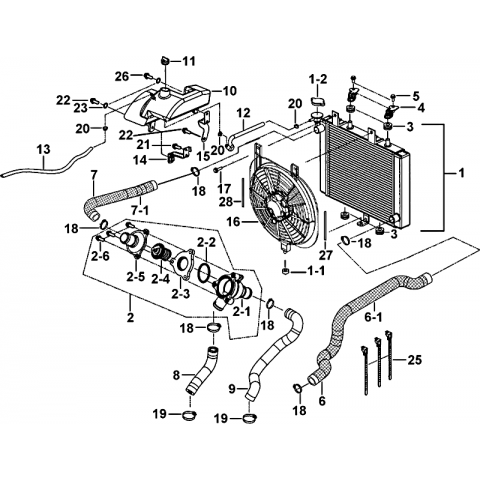
6 - DEBITMETRE TGB BLADE...

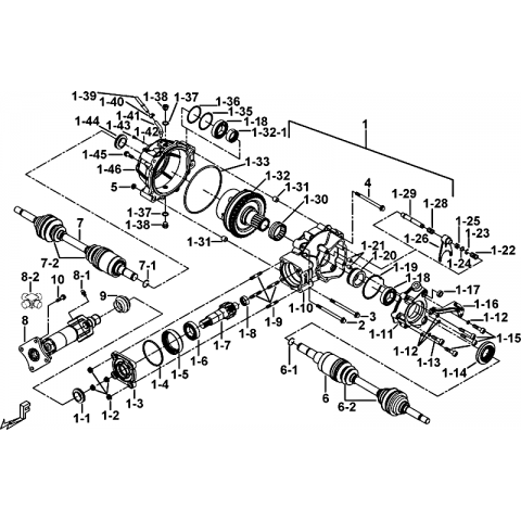
7 - CARTER MOTEUR TGB BLADE...

8 - VILEBREQUIN TGB BLADE...

9 - CARTER MOTEUR GAUCHE...

10 - CARTER MOTEUR DROIT...

11 - SYSTEME ELECTRIQUE 1...

12 - TRANSMISSION 1 TGB...

13 - TRANSMISSION 2 TGB...

14 - VARIATEUR TGB BLADE...

15 - ENSEMBLE ECHAPPEMENT...

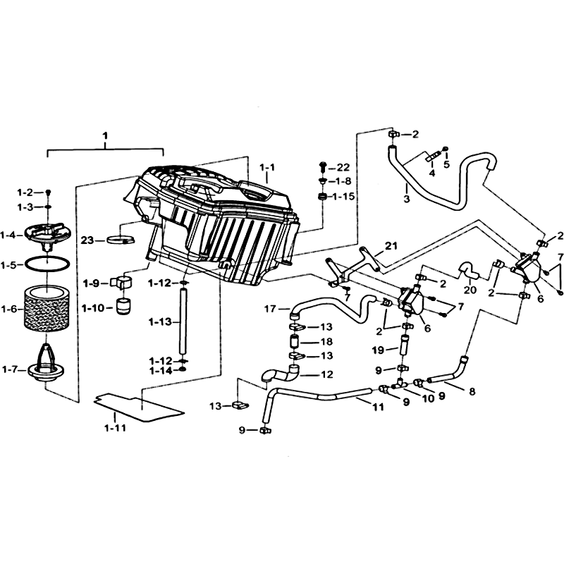
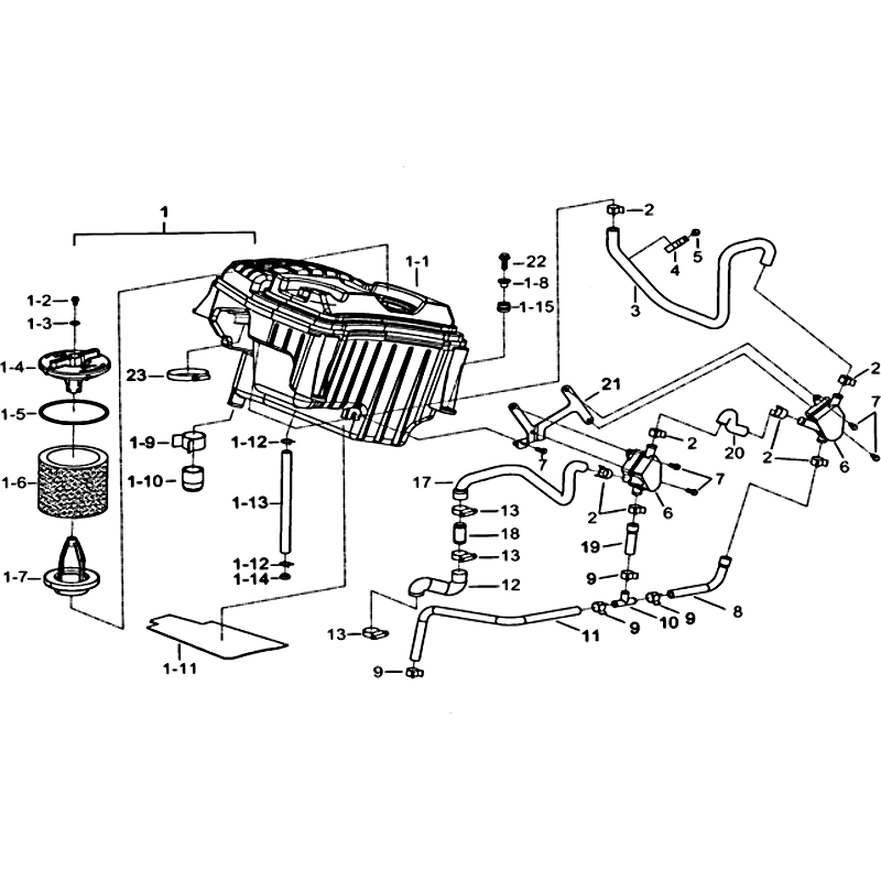
16 - ENSEMBLE FILTRE A AIR...

17 - BLOCAGE DIFFERENTIEL...

18 - BLOCAGE DIFFERENTIEL...

19 - DIRECTION ASSISTEE...

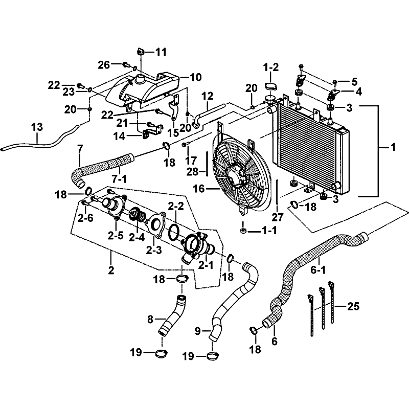
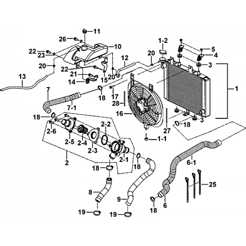
20 - ENSEMBLE...

21 - SYSTEME ELECTRIQUE 2...

22 - SYSTEME ELECTRIQUE 3...

23 - RELAIS SUPPORTS TGB...

24 - MOTEUR DE DIFFERENTIEL...

25 - COMPTEUR TGB BLADE...

26 - ECLAIRAGE AVANT TGB...

27 - ECLAIRAGE ARRIERE TGB...

28 - CHASSIS TGB BLADE 1000...

29 - CHASSIS 2 TGB BLADE...

30 - SUSPENSION ARRIERE TGB...

31 - SUPPORT PARE CHOCS TGB...

32 - EQUIPEMENT DU...

33 - RESERVOIR A CARBURANT...

34 - LEVIER DE VITESSES TGB...

35 - PEDALE DE FREIN TGB...

36 - DISTRIBUTEUR FREINAGE...

37 - SUSPENSION AVANT TGB...

38 - PORTE FUSEE DE...

39 - ROUES AVANT TGB BLADE...

40 - COLONNE DIRECTION EPS...

41 - COLONNE DIRECTION SANS...

42 - GUIDON TGB BLADE 1000...

43 - ENSEMBLE MAITRE...

44 - DISTRIBUTEUR FREINAGE...

45 - AXE ARRIERE TGB BLADE...

46 - ROUES ARRIERE TGB...

47 - PARE CHOCS TGB BLADE...

48 - CARROSSERIE AVANT TGB...

49 - MARCHE PIED TGB BLADE...

50 - CARROSSERIE ARRIERE...

51 - SELLE TGB BLADE 1000 2016

52 - ETIQUETTES DE SECURITE...

53 - ATTELAGES OPTION TGB...

54 - COFFRE ARRIERE OPTION...

55 - PORTE BAGAGES ACIER...

56 - PORTE BAGAGES PARE...

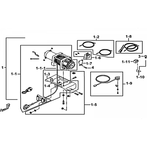
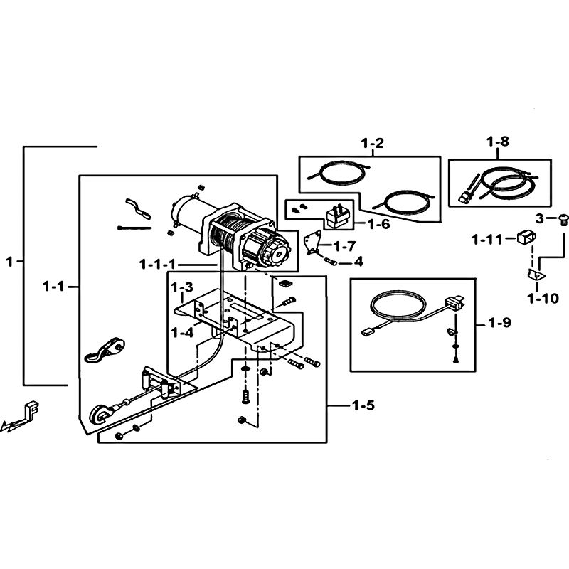
57 - TREUIL MODELE 1000LT...

58 - TREUIL MODELE TGB CO...

59 - PROTECTIONS CHASSIS...

60 - OUTILS 1 TGB BLADE...

61 - OUTILS 2 TGB BLADE...

62 - OUTILS 3 TGB BLADE...

63 - OUTILS 4 TGB BLADE...

64 - OUTILS 5 TGB BLADE...

65 - OUTILS 6 TGB BLADE...

66 - OUTILS 7 TGB BLADE...

67 - TREUIL REF 193 OPTION...