BLADE 525 SE-FI 4X4 2016 : Liste des véhicules concernés.
 Type : n° de série : Coloris :
FTG-HDE RFCFBGFTP... Gris
FTG-HDE RFCFBGFTP... Blanc

Il y a 66 produits.

Affichage 1-66 de 66 article(s)

Filtres actifs

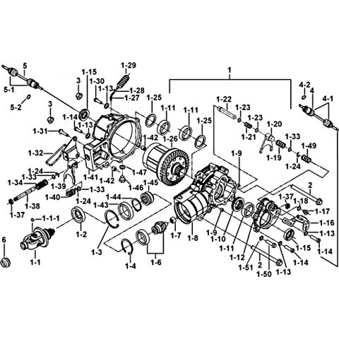
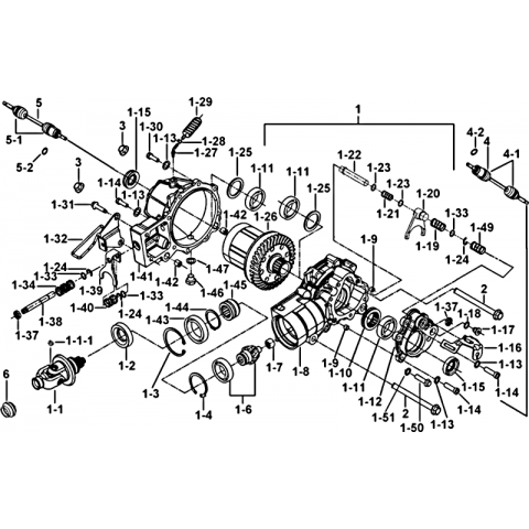
1 - MOTEUR TGB BLADE 525...

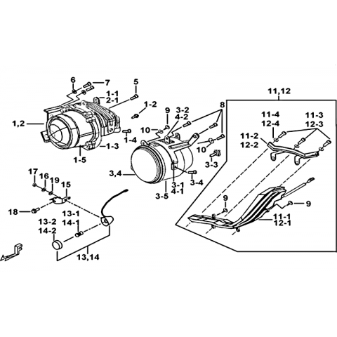
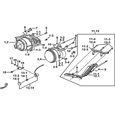
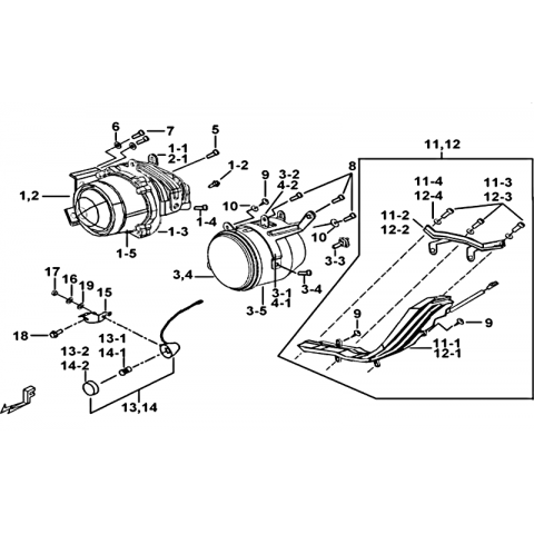
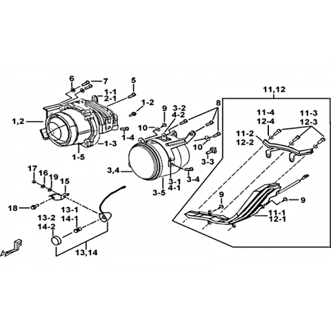
2 - SYSTEME ADMISSION TGB...

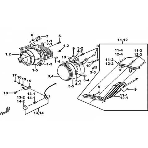
3 - CULASSE TGB BLADE 525...

4 - CYLINDRE TGB BLADE 525...

5 - SYSTEME DE TRANSMISSION...

6 - CACHE CARTER MOTEUR...

7 - CACHE CARTER MOTEUR...

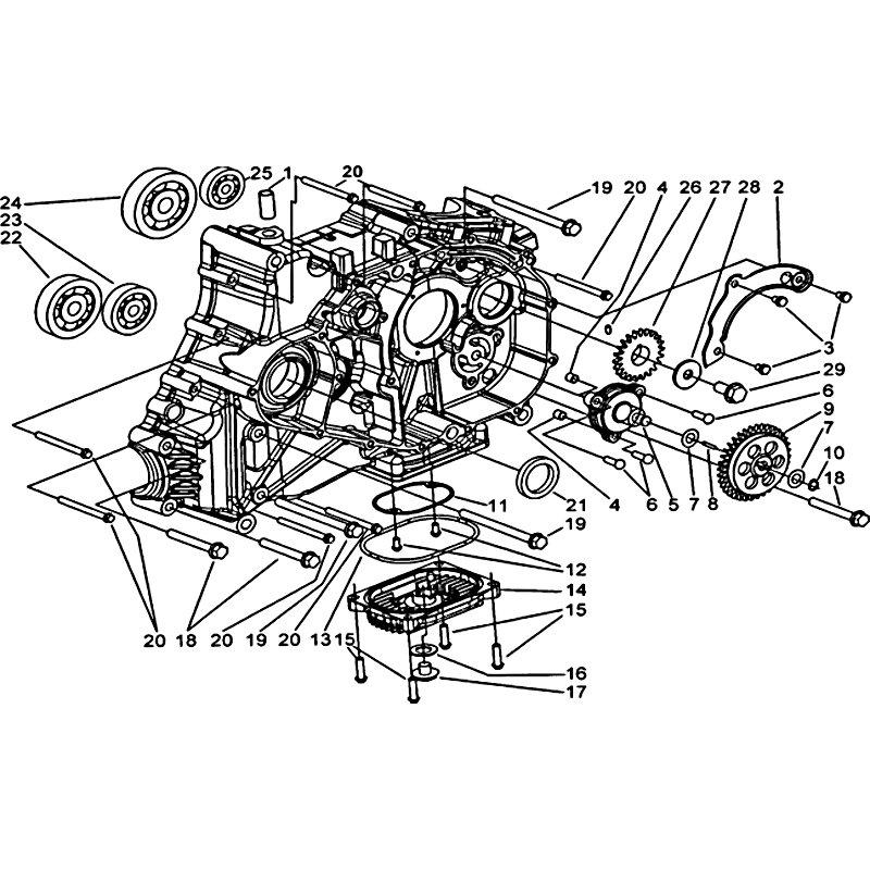
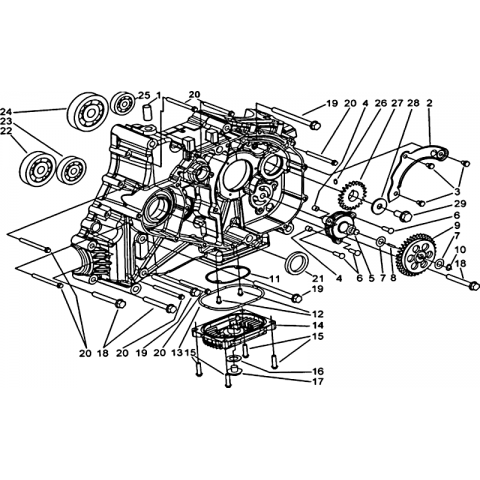
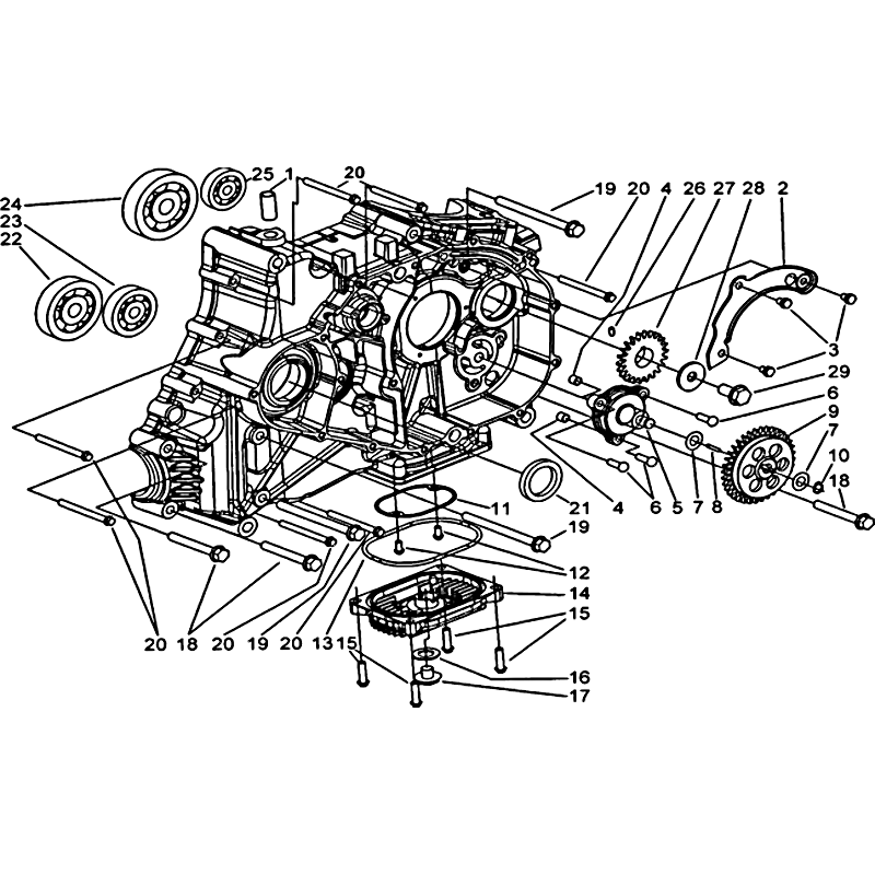
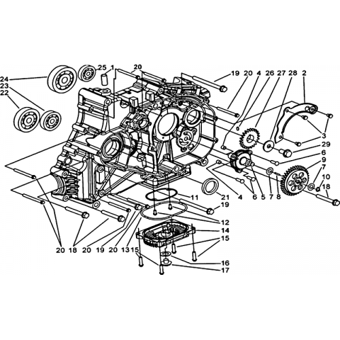
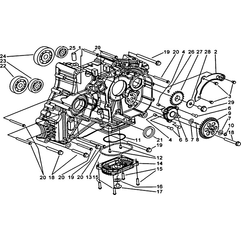
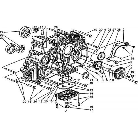
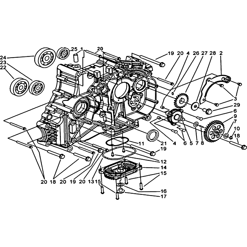
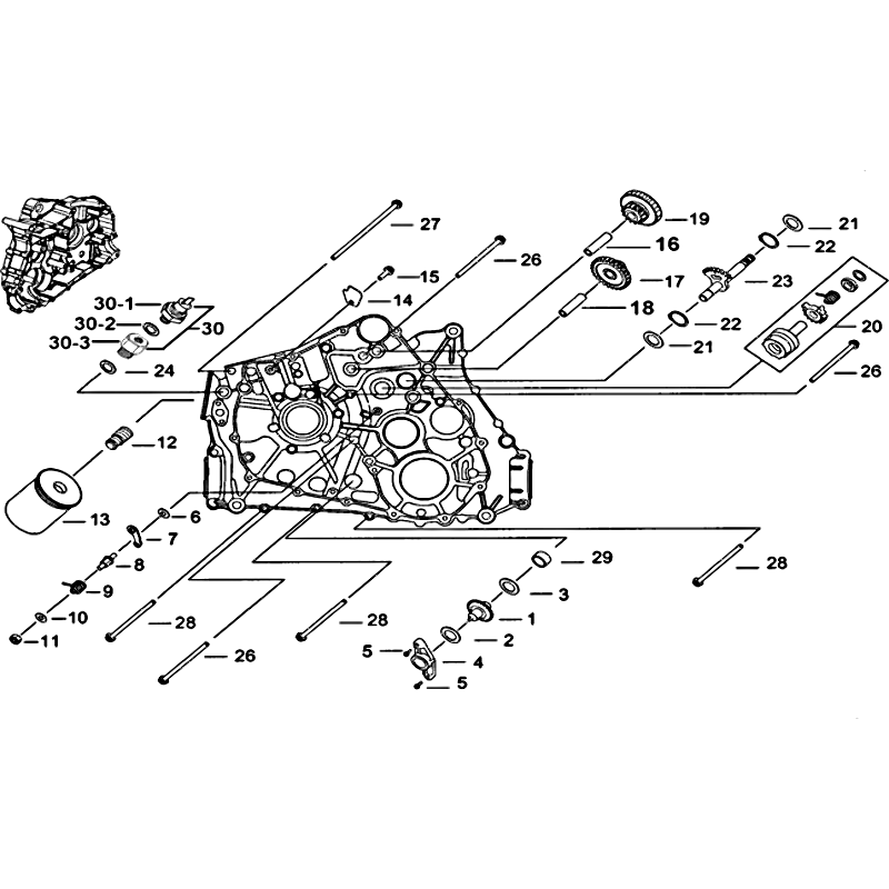
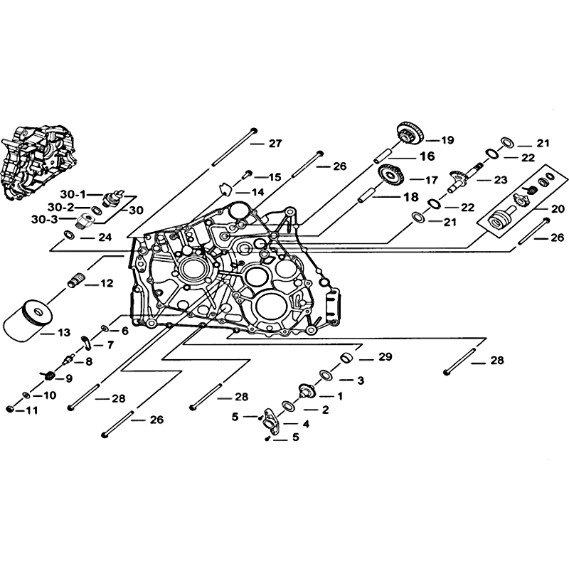
8 - CARTER MOTEUR DROIT TGB...

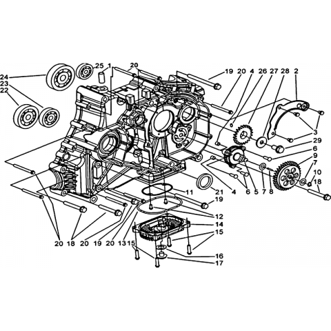
9 - CARTER MOTEUR TGB BLADE...

10 - DEBITMETRE TGB BLADE...

11 - VILEBREQUIN TGB BLADE...

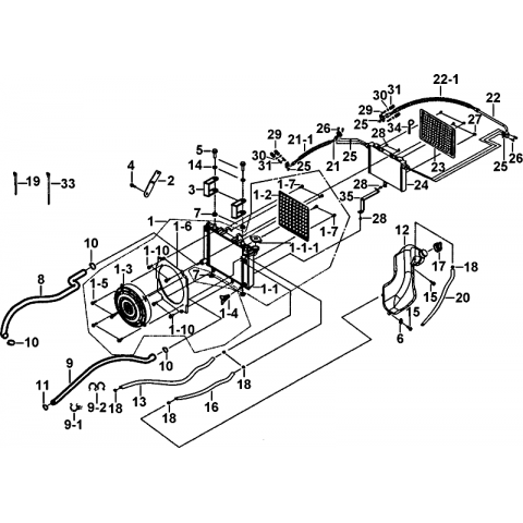
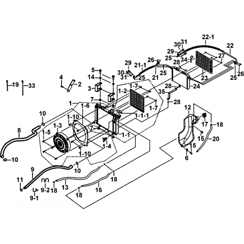
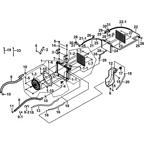
12 - SYSTEME ELECTRIQUE 1...

13 - CARTER MOTEUR GAUCHE 1...

14 - CARTER MOTEUR GAUCHE 2...

15 - BLOCAGE DIFFERENTIEL...

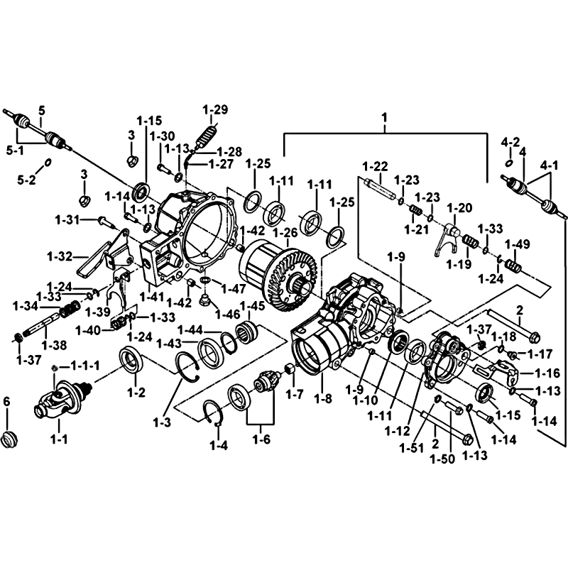
16 - ENSEMBLE DIFFERENTIEL...

17 - VARIATEUR TGB BLADE...

18 - ENSEMBLE ECHAPPEMENT...

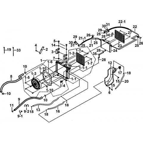
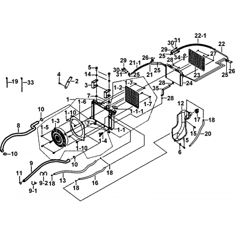
19 - ENSEMBLE FILTRE A AIR...

20 - ENSEMBLE...

21 - SYSTEME ELECTRIQUE 2...

22 - SYSTEME ELECTRIQUE 3...

23 - SUPPORTS TGB BLADE 525...

24 - SUPPORTS MOTEUR TGB...

25 - MOTEUR DE DIFFERENTIEL...

26 - COMPTEUR TGB BLADE 525...

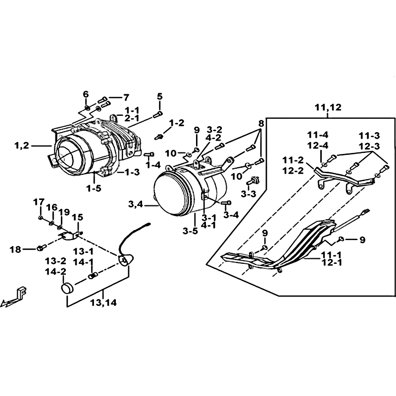
27 - ECLAIRAGE AVANT OPTION...

28 - ECLAIRAGE AVANT TGB...

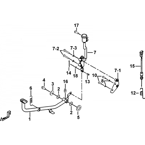
29 - ECLAIRAGE ARRIERE TGB...

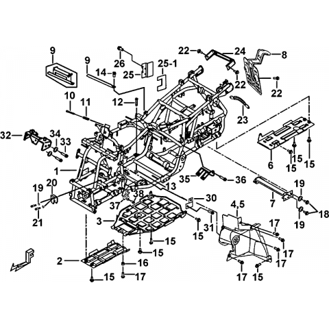
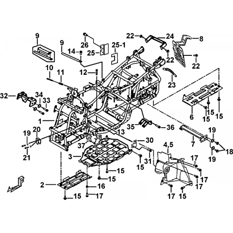
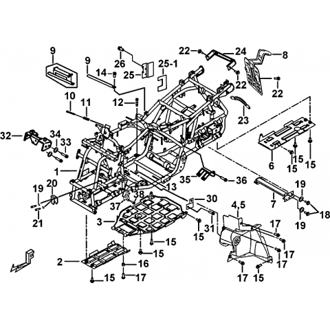
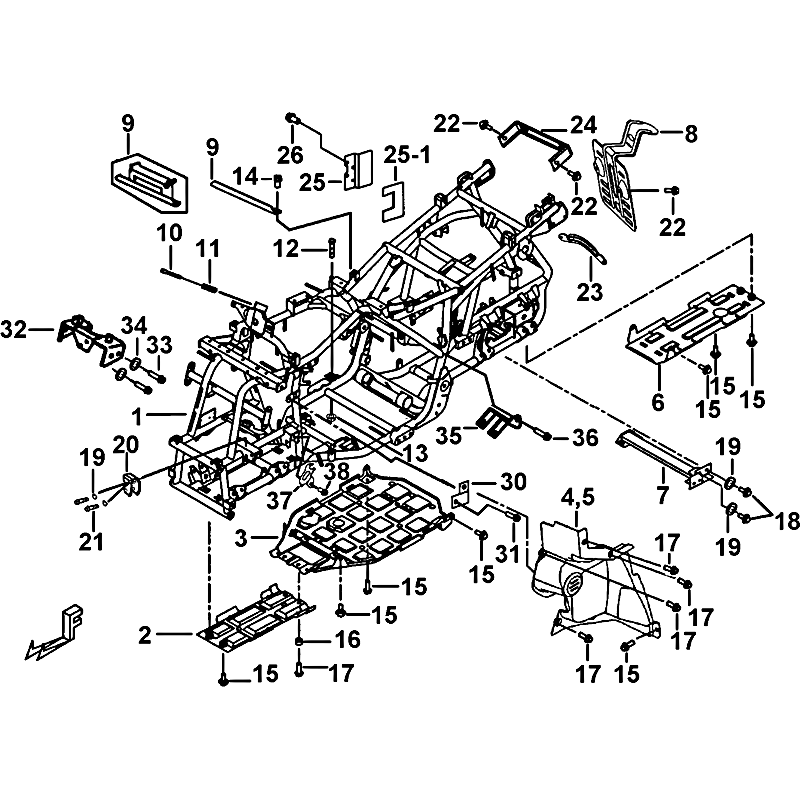
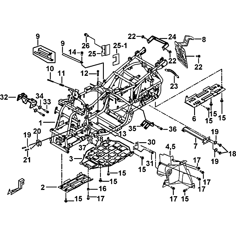
30 - CHASSIS TGB BLADE 525...

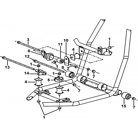
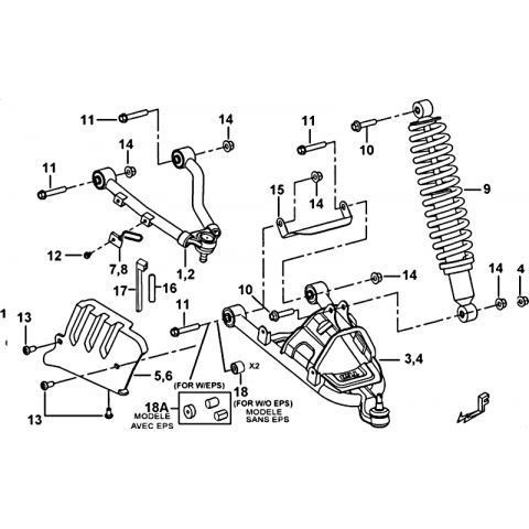
31 - SUSPENSION ARRIERE TGB...

32 - SUPPORT PARE-CHOCS TGB...

33 - RESERVOIR A CARBURANT...

34 - POMPE A CARBURANT NO...

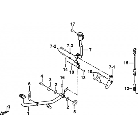
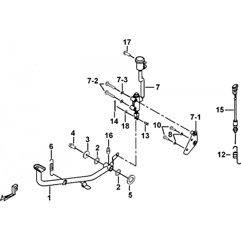
35 - LEVIER DE VITESSES TGB...

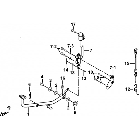
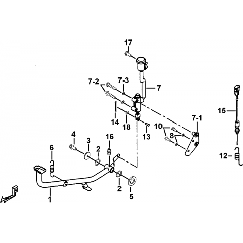
36 - PEDALE DE FREIN TGB...

37 - DISTRIBUTEUR FREINAGE...

38 - SUSPENSION AVANT TGB...

39 - PORTE-FUSEE DE...

40 - ROUES AVANT TGB BLADE...

41 - COLONNE DIRECTION SANS...

42 - GUIDON TGB BLADE 525...

43 - ENSEMBLE MAITRE...

44 - DISTRIBUTEUR FREINAGE...

45 - AXE ARRIERE TGB BLADE...

46 - ROUES ARRIERE TGB...

47 - PARE-CHOCS TGB BLADE...

48 - CARROSSERIE AVANT TGB...

49 - MARCHE-PIED TGB BLADE...

50 - CARROSSERIE ARRIERE...

51 - SELLE OPTION TGB BLADE...

52 - ETIQUETTES DE SECURITE...

53 - ATTELAGES OPTION TGB...

54 - TREUIL MODELE TGB-LY...

55 - TREUIL MODELE TGB-CO...

56 - PORTE-BAGAGES ET PARE...

57 - PROTECTIONS CHASSIS...

58 - COFFRE ARRIERE OPTION...

59 - DOSSERET ARRIERE...

60 - OUTILS 1 TGB BLADE 525...

61 - OUTILS 2 TGB BLADE 525...

62 - OUTILS 3 TGB BLADE 525...

63 - OUTILS 4 TGB BLADE 525...

64 - OUTILS 5 TGB BLADE 525...

65 - TREUIL OPTION TGB...

JOINT DE POMPE A EAU 103

0,80 €