Blade 425 IRS : Liste des véhicules concernés.
 Type : n° de série : Coloris :
FBE-D RFCFBEFBD... Rouge
FBE-D RFCFBEFBD... Noir
FBE-D RFCFBEFBD... Blanc
FBE-D RFCFBEFBD... Gris
FBE-D RFCFBEFBD... Rouge
FBE-D RFCFBEFBD... Jaune

Il y a 65 produits.

Affichage 1-65 de 65 article(s)

Filtres actifs

1 - MOTEUR TGB BLADE 425 IRS

2 - SYSTEME ADMISSION TGB...

3 - CULASSE TGB BLADE 425 IRS

4 - CYLINDRE TGB BLADE 425 IRS

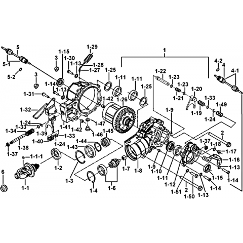
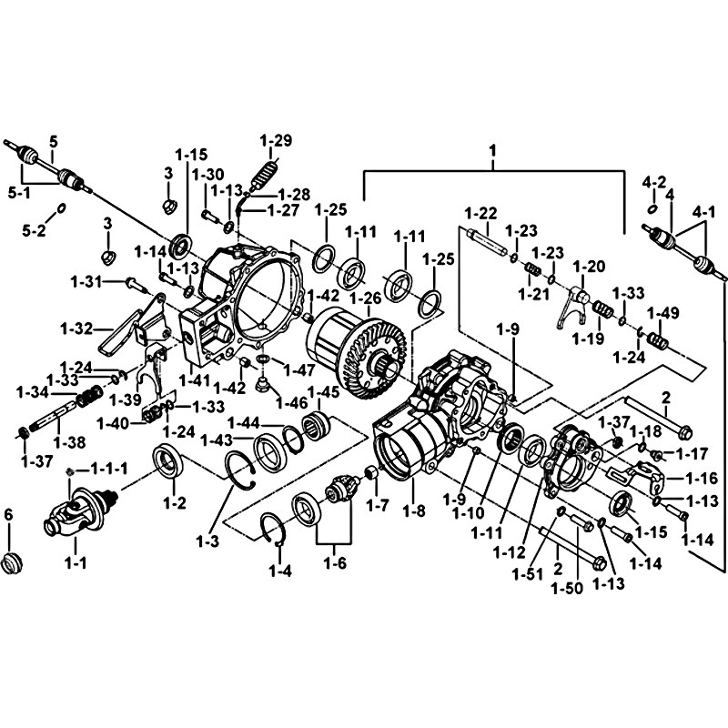
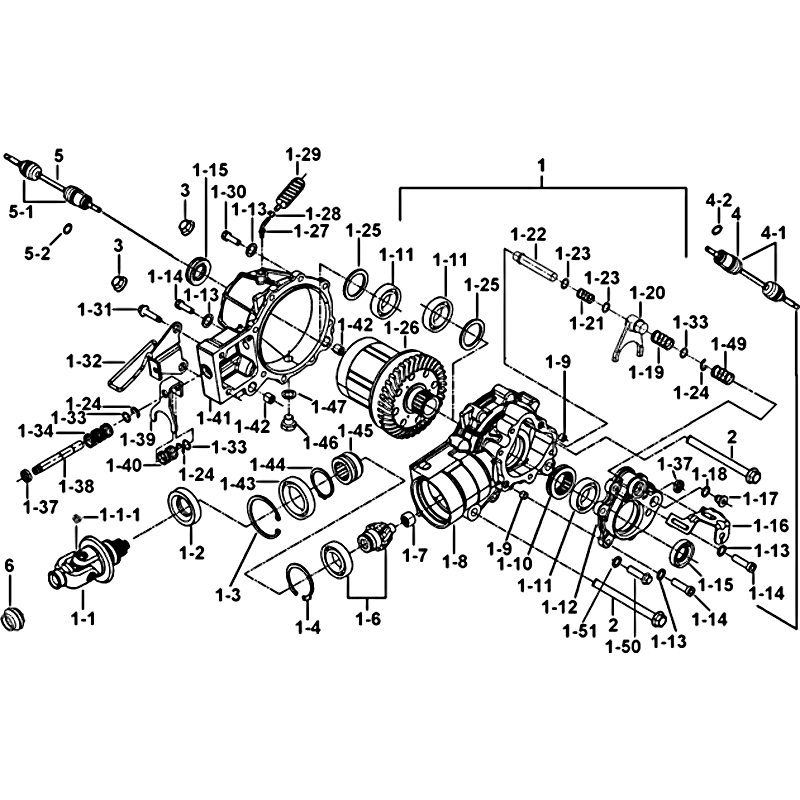
5 - SYSTEME DE TRANSMISSION...

6 - CACHE CARTER MOTEUR...

7 - CACHE CARTER MOTEUR...

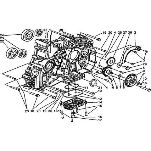
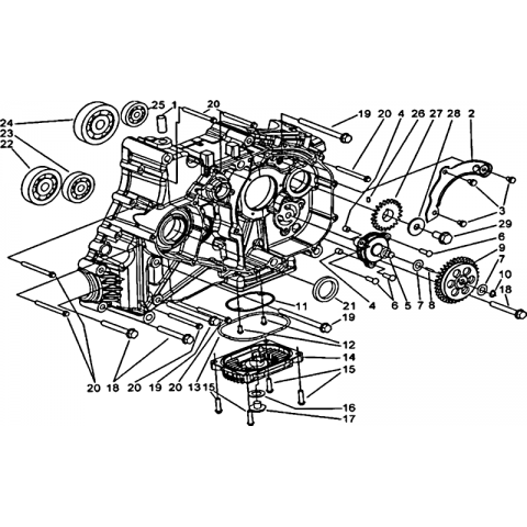
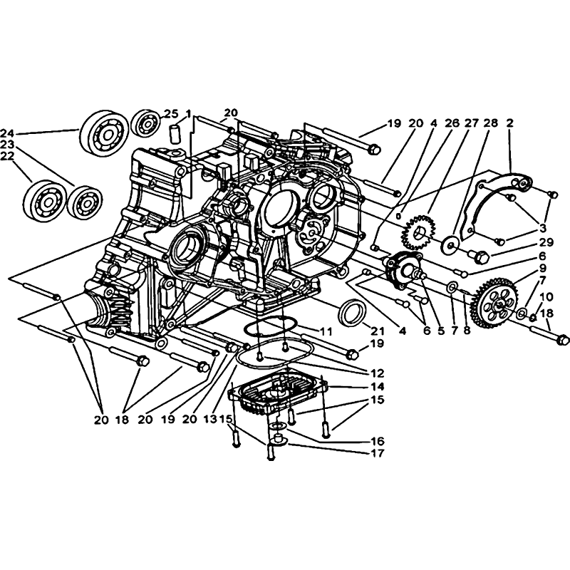
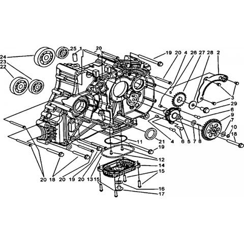
8 - CARTER MOTEUR DROIT TGB...

9 - CARTER MOTEUR TGB BLADE...

10 - CARBURATEUR TGB BLADE...

11 - VILEBREQUIN TGB BLADE...

12 - SYSTEME ELECTRIQUE 1...

13 - CARTER MOTEUR GAUCHE 1...

14 - CARTER MOTEUR GAUCHE 2...

15 - DIFFERENTIEL AV. AVEC...

16 - DIFFERENTIEL AVANT...

17 - ENSEMBLE DIFFERENTIEL...

18 - VARIATEUR TGB BLADE...

19 - ENSEMBLE ECHAPPEMENT...

20 - ENSEMBLE ECHAPPEMENT...

21 - ENSEMBLE FILTRE A AIR...

22 - ENSEMBLE...

23 - SYSTEME ELECTRIQUE 2...

24 - SYSTEME ELECTRIQUE 3...

25 - SUPPORTS TGB BLADE 425...

26 - SUPPORTS MOTEUR TGB...

27 - MOTEUR DE DIFFERENTIEL...

28 - COMPTEUR TGB BLADE 425...

29 - ECLAIRAGE AVANT OPTION...

30 - COMPTEUR MECANIQUE...

31 - ECLAIRAGE AVANT TGB...

32 - ECLAIRAGE ARRIERE TGB...

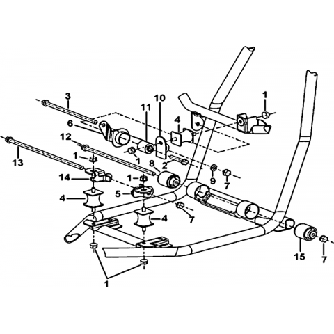
33 - CHASSIS TGB BLADE 425 IRS

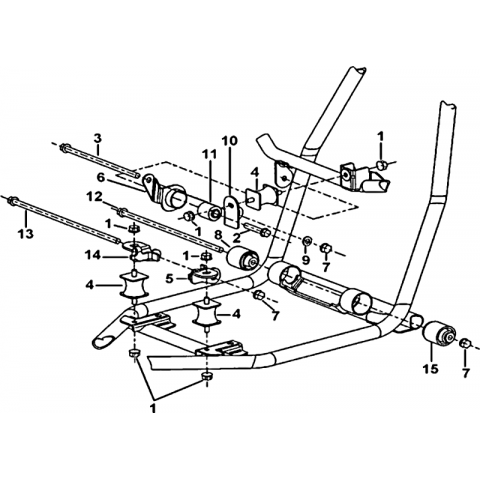
34 - SUSPENSION ARRIERE TGB...

35 - SUPPORT PARE-CHOCS TGB...

36 - RESERVOIR A CARBURANT...

37 - LEVIER DE VITESSES TGB...

38 - PEDALE DE FREIN TGB...

39 - DISTRIBUTEUR FREINAGE...

40 - SUSPENSION AVANT TGB...

41 - PORTE-FUSEE DE...

42 - ROUES AVANT TGB BLADE...

43 - COLONNE DE DIRECTION...

44 - GUIDON TGB BLADE 425 IRS

45 - ENSEMBLE MAITRE...

46 - DISTRIBUTEUR FREINAGE...

47 - AXE ARRIERE TGB BLADE...

48 - ROUES ARRIERE TGB...

49 - PARE-CHOCS TGB BLADE...

50 - CARROSSERIE AVANT TGB...

51 - MARCHE-PIED TGB BLADE...

52 - CARROSSERIE ARRIERE...

53 - SELLE TGB BLADE 425 IRS

54 - ETIQUETTES DE SECURITE...

55 - ATTELAGES OPTION TGB...

56 - PARE-BRISE OPTION TGB...

57 - PORTE-BAGAGES ET PARE...

58 - PROTECTIONS CHASSIS...

59 - DOSSERETS TGB BLADE...

60 - OUTILS 1 TGB BLADE 425...

61 - OUTILS 2 TGB BLADE 425...

62 - OUTILS 3 TGB BLADE 425...

63 - OUTILS 4 TGB BLADE 425...

64 - OUTILS 5 TGB BLADE 425...

65 - TREUIL TGB BLADE 425 IRS