Il y a 25 produits.

Affichage 1-25 de 25 article(s)

Filtres actifs

1 - MOTEUR COMPLET DEMON...

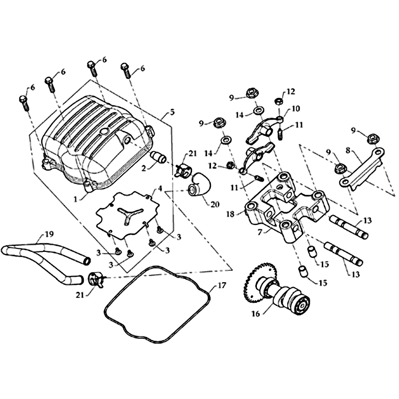
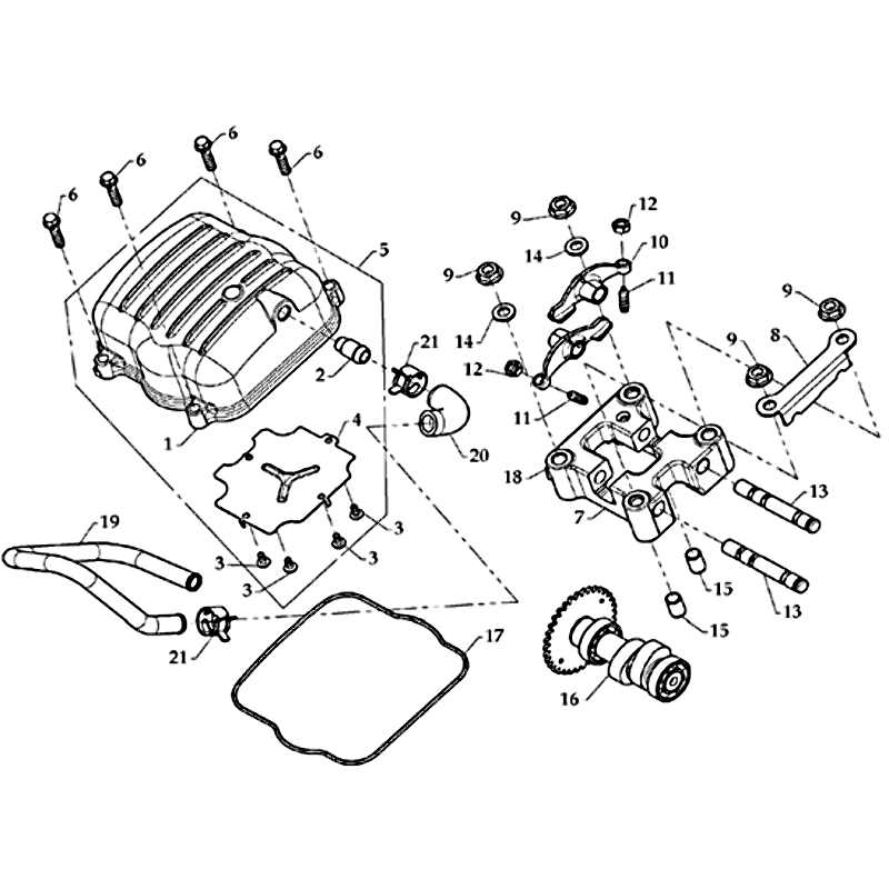
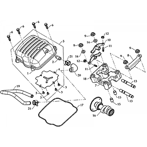
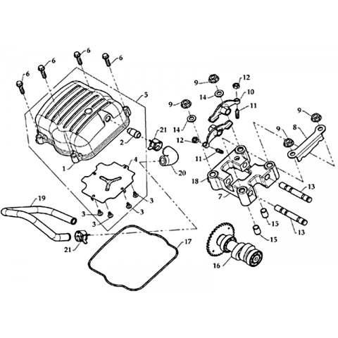
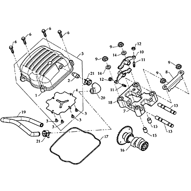
2 - CULBUTEUR DEMON 360...

3 - CULASSE / SOUPAPES...

4 - CARBURATEUR /...

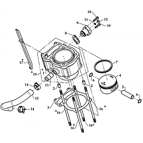
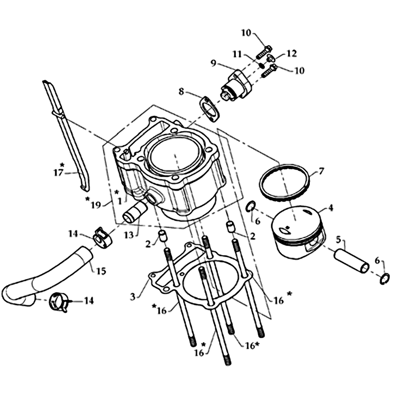
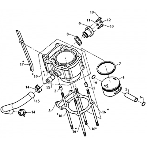
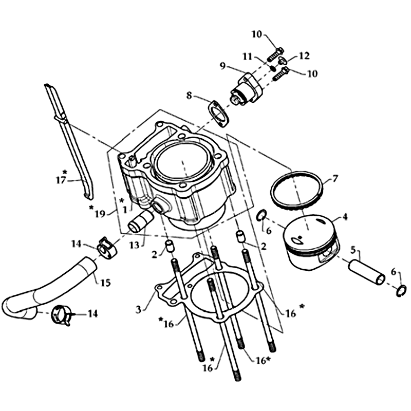
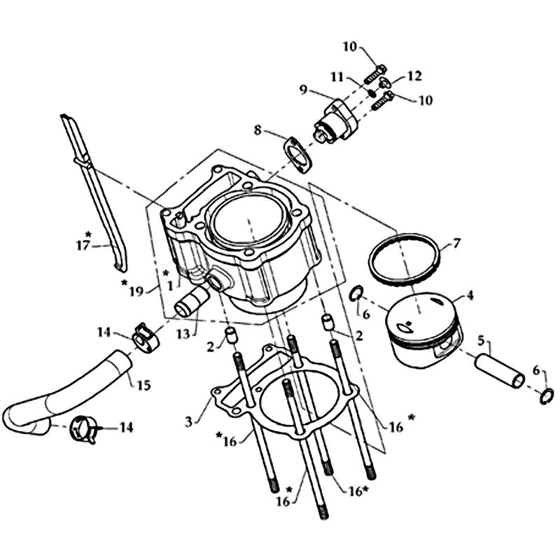
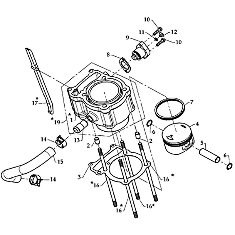
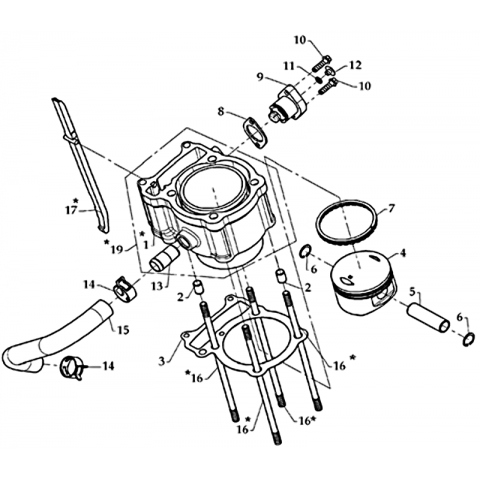
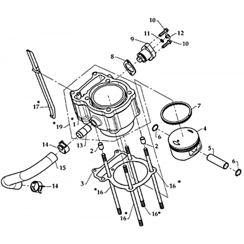
5 - ENSEMBLE CYLINDRE...

6 - EMBIELLAGE / ROUE...

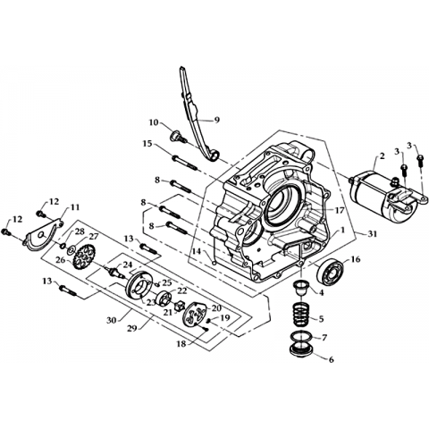
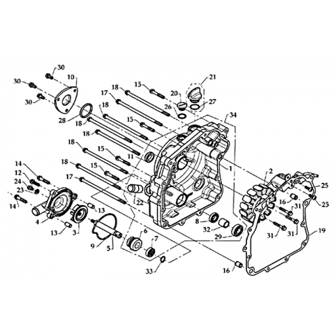
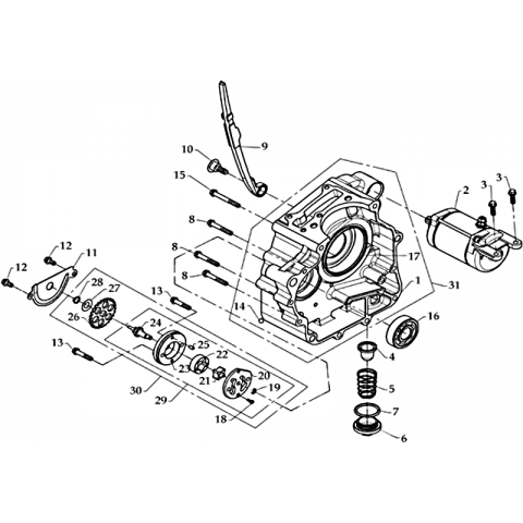
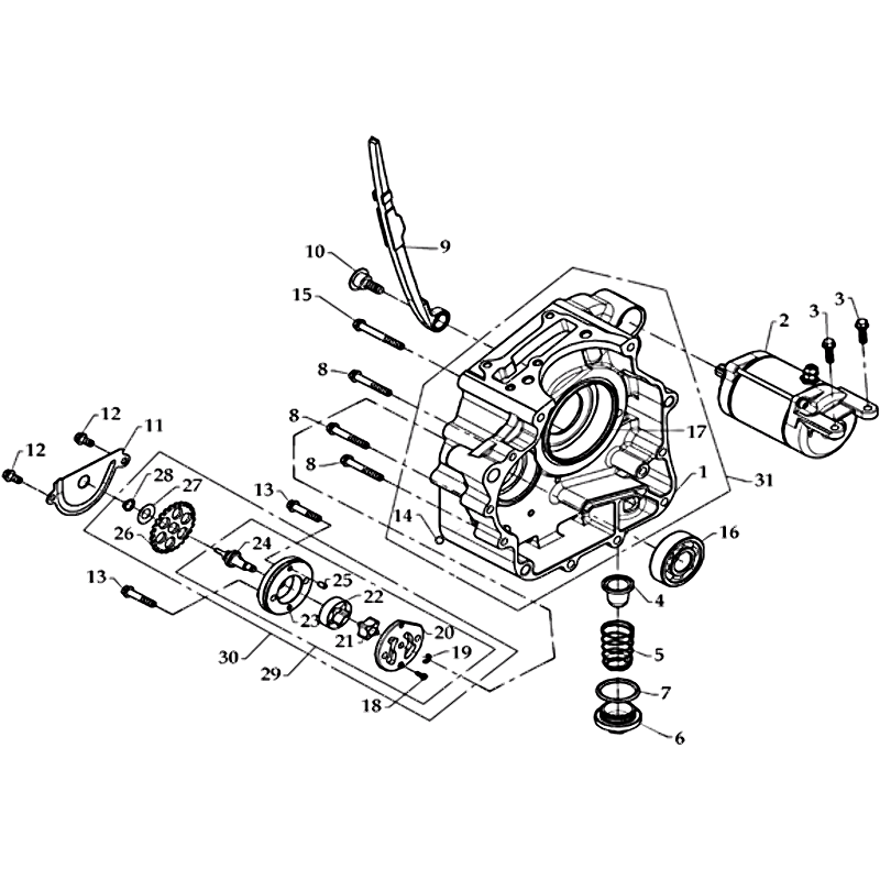
7 - CARTER DROIT DEMON 360...

8 - CARTER BAS MOTEUR...

9 - CARTER D'ALLUMAGE...

10 - CARTER DE BOITE DE...

11 - VARIATEUR DEMON 360...

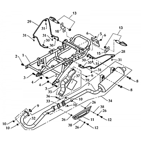
12 - TRANSMISSION DEMON...

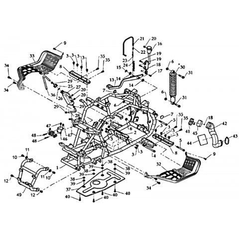
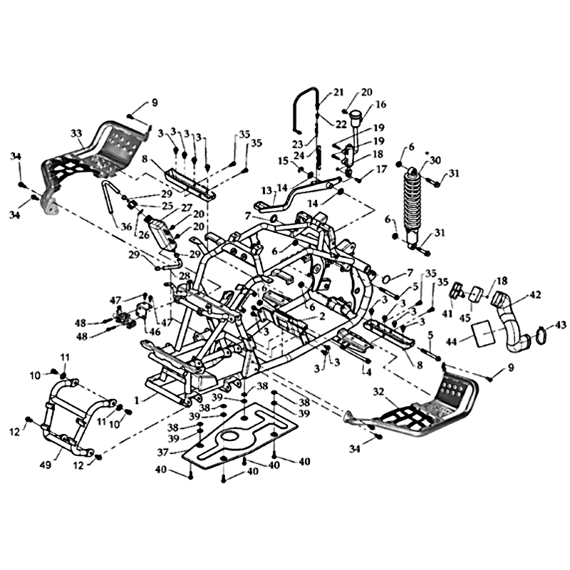
13 - CARROSSERIE / SELLE...

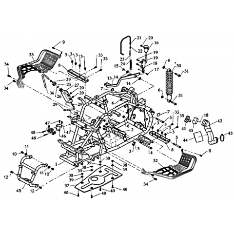
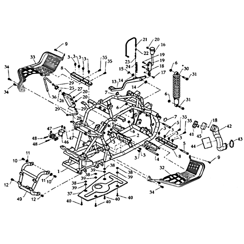
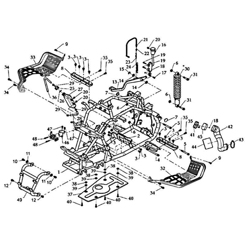
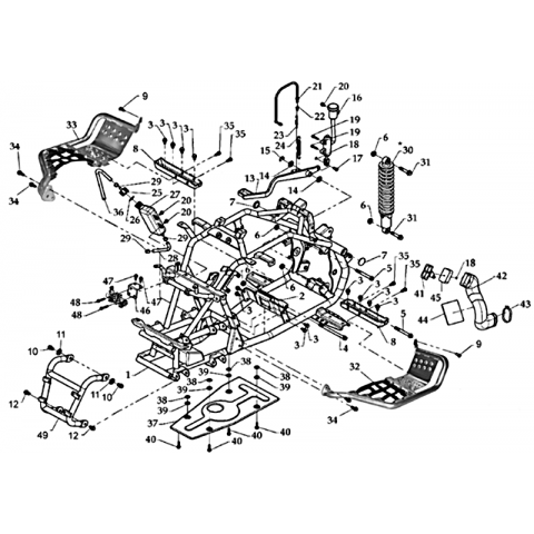
14 - CHASSIS AVEC SILENT...

15 - BOUCLE ARRIERE /...

16 - TRAIN ARRIERE DEMON...

17 - ENSEMBLE GUIDON DEMON...

18 - COLONNE DE DIRECTION...

19 - TRIANGLES DE...

20 - CIRCUIT DE FREINAGE +...

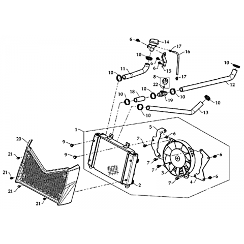
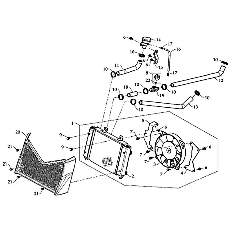
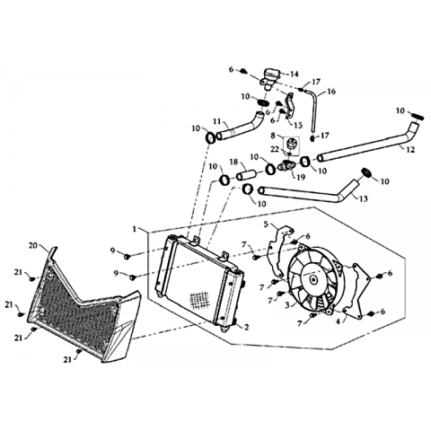
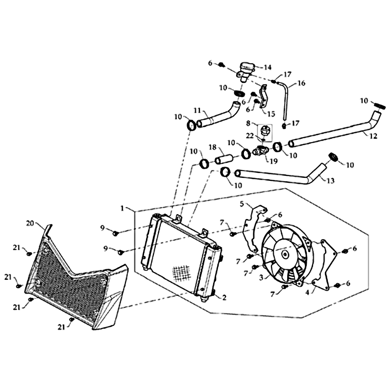
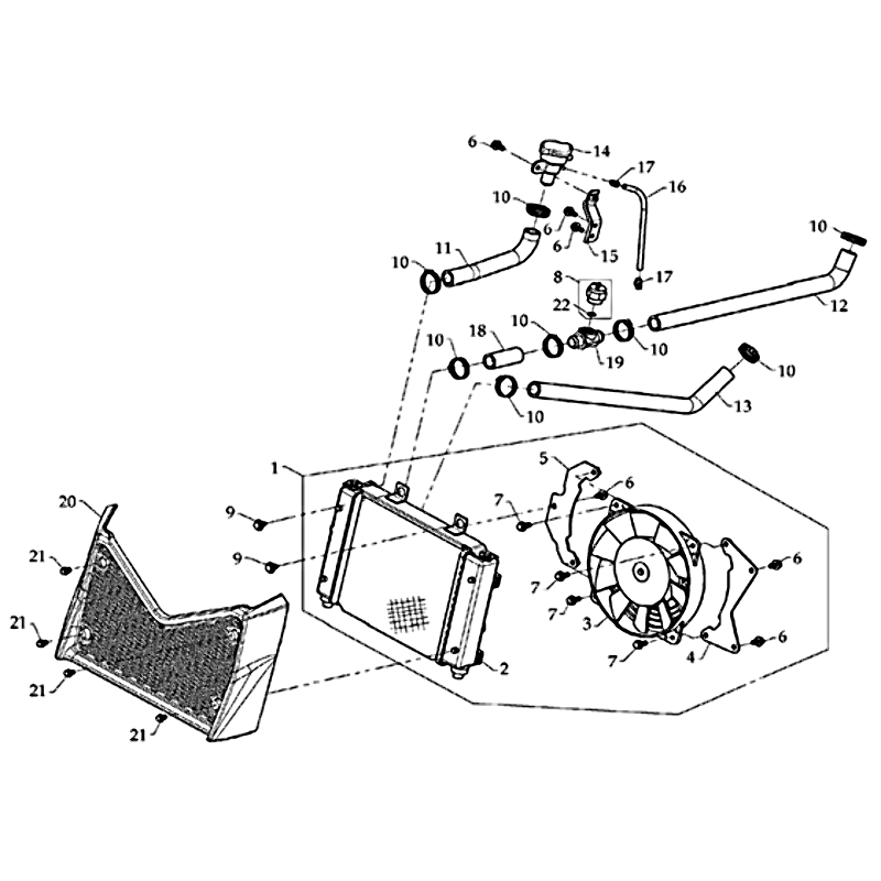
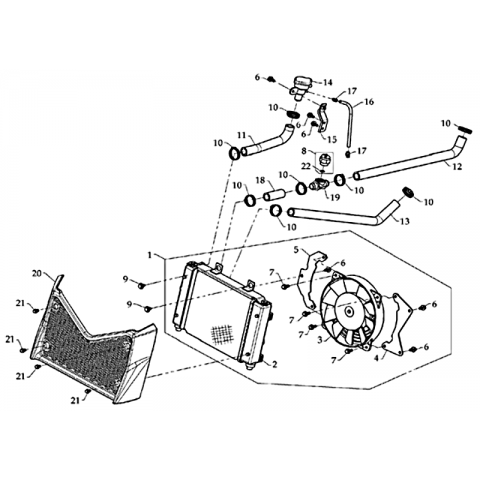
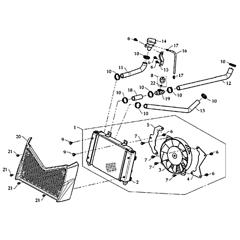
21 - ENSEMBLE RADIATEUR...

22 - RESERVOIR DE...

23 - COMPTEUR DEMON 360...

24 - FAISCEAUX ELECTRIQUES...

25 - AUTOCOLLANTS DEMON...